| |
 |
|
 |
Вернуться к выбору узлов мотора
ДЕТАЛИРОВКА ДЛЯ МОДЕЛИ: SUZUKI DT9.9F F
Электрика
Год выпуска двигателя: 1985
Регион: General Export No.1 ,Код региона: P01
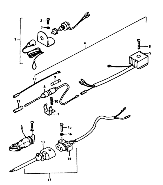
Номер на рисунке | Артикул | Наименование | QTY | Кол-во на складе | Цена |
| 1 | 37800-93810-000 | (To 37800-93811, dt9.9, dt14, dt16) | | под заказ | 0 руб. |
| 1 | 37800-93812-000 | Запчасть снята с производства - The Spare Part Is Laid Off (From 37800-93811, dt9.9, dt14, dt16) (The Spare Part Is Laid Off) | | под заказ | 0 руб. |
| 1 | 37802-98102-000 | (актуальный код замены) Запчасть снята с производства - The Spare Part Is Laid Off | | под заказ | 0 руб. |
| 2 | 09125-04011-000 | Винт (4x16) - Screw (4x16) (Dt9.9, dt14, dt16 ) (Screw (4x16)) | | под заказ | 0 руб. |
| 3 | 08321-21048-000 | Шайба с блокировкой - Washer, Lock (Dt9.9, dt14, dt16) (Washer, Lock) | | под заказ | 140 руб. |
| 3 | 08321-0104A-000 | (актуальный код замены) Шайба с блокировкой - Washer, Lock | | под заказ | 140 руб. |
| 3 | 08321-0104A-000 | Шайба с блокировкой - Washer, Lock (Washer, Lock) | | под заказ | 140 руб. |
| 4 | 32800-96810-000 | Запчасть снята с производства - The Spare Part Is Laid Off (To 32800-96811, dt9.9, dt14, dt16) (The Spare Part Is Laid Off) | | под заказ | 0 руб. |
| 4 | 32800-96811-000 | (актуальный код замены) Запчасть снята с производства - The Spare Part Is Laid Off | | под заказ | 0 руб. |
| 4 | 32800-96811-000 | Запчасть снята с производства - The Spare Part Is Laid Off (Dt9.9, dt14, dt16) (The Spare Part Is Laid Off) | | под заказ | 0 руб. |
| 5 | 32800-95720-000 | Выпрямитель в сборе - Rectifier Assy (Dt9.9, dt14, dt16) (Rectifier Assy) | | под заказ | 10760 руб. |
| 5 | 32800-95D02-000 | (актуальный код замены) Выпрямитель в сборе - Rectifier Assy | | 1 шт | 10760 руб. |
| 5 | 32800-95D01-000 | Выпрямитель в сборе - Rectifier Assy (Rectifier Assy) | | под заказ | 10760 руб. |
| 5 | 32800-95D02-000 | (актуальный код замены) Выпрямитель в сборе - Rectifier Assy | | 1 шт | 10760 руб. |
| 6 | 02112-05258-000 | Винт - Screw (Dt9.9, dt14, dt16) (Screw) | | под заказ | 120 руб. |
| 6 | 02112-05257-000 | (актуальный код замены) Винт - Screw | | под заказ | 120 руб. |
| 6 | 02112-05257-000 | Винт - Screw (Screw) | | под заказ | 120 руб. |
| 7 | 36791-95200-000 | Держатель, Предохранитель Case - Holder, Fuse Case (Holder, fuse # Holder, fuse case; Dt9.9, dt14, dt16 ) (Holder, Fuse Case) | | под заказ | 340 руб. |
| 8 | 36740-95250-000 | Корпус предохранителя - Case Assy, Fuse (To 36740-95251, dt9.9, dt14, dt16) (Case Assy, Fuse) | | под заказ | 1720 руб. |
| 8 | 36740-95253-000 | (актуальный код замены) Корпус предохранителя - Case Assy, Fuse | | 1 шт | 1720 руб. |
| 8 | 36740-95253-000 | Корпус предохранителя - Case Assy, Fuse (Case Assy, Fuse) | | 1 шт | 1720 руб. |
| 8 | 36740-95252-000 | Корпус предохранителя - Case Assy, Fuse (Dt9.9, dt14, dt16) (Case Assy, Fuse) | | под заказ | 1720 руб. |
| 8 | 36740-95253-000 | (актуальный код замены) Корпус предохранителя - Case Assy, Fuse | | 1 шт | 1720 руб. |
| 8 | 36740-95253-000 | Корпус предохранителя - Case Assy, Fuse (Case Assy, Fuse) | | 1 шт | 1720 руб. |
| 9 | 09481-20001-000 | Предохранитель (20a) - Fuse (20a) (Fuse (20a); Dt9.9, dt14, dt16 ) (Fuse (20a)) | | 30 шт | 180 руб. |
| 10 | 09125-06020-000 | Винт (6x16) - Screw (6x16) (Dt9.9, dt14, dt16) (Screw (6x16)) | | под заказ | 220 руб. |
| 10 | 09125-06053-000 | (актуальный код замены) Винт (6x16) - Screw (6x16) | | под заказ | 220 руб. |
| 10 | 09125-06053-000 | Винт (6x16) - Screw (6x16) (Screw, tiller handle cover ) (Screw (6x16)) | | под заказ | 220 руб. |
| 11 | 37132-93700-000 | Коннектор, Провод - Connector, Wire (Connector, lead wire # Connector, lead wire; Dt9.9, dt14, dt16 ) (Connector, Wire) | | под заказ | 220 руб. |
| 12 | 36898-93300-000 | Запчасть снята с производства - The Spare Part Is Laid Off (Lead wire, earth; Dt9.9, dt14, dt16) (The Spare Part Is Laid Off) | | под заказ | 0 руб. |
| 13 | 39602-99711-000 | Запчасть снята с производства - The Spare Part Is Laid Off (Plug assy, lamp cord; Dt9.9, dt14, dt16) (The Spare Part Is Laid Off) | | под заказ | 0 руб. |
| 14 | 39601-96711-000 | Запчасть снята с производства - The Spare Part Is Laid Off (Dt9.9, dt14, dt16) (The Spare Part Is Laid Off) | | под заказ | 0 руб. |
| 14 | 39601-96712-000 | (актуальный код замены) Запчасть снята с производства - The Spare Part Is Laid Off | | под заказ | 0 руб. |
| 15 | 02112-04208-000 | Винт - Screw (Dt9.9, dt14, dt16) (Screw) | | под заказ | 100 руб. |
| 15 | 02112-0420A-000 | (актуальный код замены) Винт - Screw | | под заказ | 100 руб. |
| 15 | 02112-0420A-000 | Винт - Screw (Screw) | | под заказ | 100 руб. |
| 16 | 08322-21048-000 | Шайба - Washer (Dt9.9, dt14, dt16) (Washer) | | под заказ | 140 руб. |
| 16 | 08322-01047-000 | (актуальный код замены) Шайба - Washer | | под заказ | 140 руб. |
| 16 | 08322-01047-000 | Шайба - Washer (Washer) | | под заказ | 140 руб. |
| 17 | 32200-93830-000 | Запчасть снята с производства - The Spare Part Is Laid Off (Incle.ref.no.12~16, dt9.9, dt14, dt16) (The Spare Part Is Laid Off) | | под заказ | 0 руб. |
Время выполнения запроса 2.1568441390991 сек. |
|