Найти запчасти на подвесной двигатель SUZUKI модель 1985 года - Magneto
вконтакте

Контактный телефон: +7 (981) 121-46-93, +7 (800) 200-90-76 , Email: parts-katalog@yandex.ru, где купить

 
 

  Логин:

Пароль:

Регистрация

www.partskatalog.ru Все каталоги Запчасти Mercury Запчасти Suzuki Запчасти Tohatsu Запчасти Honda Контакты

назад Раздел:   вперёд

Вернуться к выбору узлов мотора


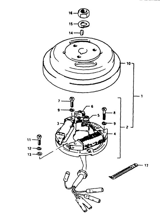
ДЕТАЛИРОВКА ДЛЯ МОДЕЛИ: SUZUKI DT9.9YF F

Магнето


Год выпуска двигателя: 1985

Номер на
рисунке
АртикулНаименованиеQTYКол-во
на складе
Цена
132100-93230-000

(To 32100-93231)

под заказ0 руб.
132100-93231-000

под заказнет сведений
232101-93230-000

Запчасть снята с производства - The Spare Part Is Laid Off (Stator assy (~dt16d-11442); To 32101-93231) (The Spare Part Is Laid Off)

под заказ0 руб.
232101-93231-000

   (актуальный код замены) Запчасть снята с производства - The Spare Part Is Laid Off

под заказ0 руб.
232101-93231-000

Запчасть снята с производства - The Spare Part Is Laid Off (The Spare Part Is Laid Off)

под заказ0 руб.
332140-93230-000

Первичная катушка зажигания - Coil, Ignition Primary (To 32140-93231, ~dt16d-11442) (Coil, Ignition Primary)

под заказ0 руб.
332140-93502-000

   (актуальный код замены) Запчасть снята с производства - The Spare Part Is Laid Off

под заказ0 руб.
332140-93502-000

Первичная катушка зажигания - Coil, Ignition Primary (Coil, ignition primary ) (Coil, Ignition Primary)

под заказ0 руб.
332140-93232-000

Первичная катушка зажигания - Coil, Ignition Primary (From 32140-93231) (Coil, Ignition Primary)

под заказ0 руб.
332140-93502-000

   (актуальный код замены) Запчасть снята с производства - The Spare Part Is Laid Off

под заказ0 руб.
332140-93502-000

Первичная катушка зажигания - Coil, Ignition Primary (Coil, ignition primary ) (Coil, Ignition Primary)

под заказ0 руб.
532395-93230-000

Запчасть снята с производства - The Spare Part Is Laid Off (The Spare Part Is Laid Off)

под заказ0 руб.
632396-93230-000

Запчасть снята с производства - The Spare Part Is Laid Off (The Spare Part Is Laid Off)

под заказ0 руб.
702112-05208-000

Винт - Screw (Screw)

под заказ150 руб.
702112-05207-000

   (актуальный код замены) Винт - Screw

под заказ150 руб.
702112-05207-000

Винт - Screw (Screw)

под заказ150 руб.
802112-05258-000

Винт - Screw (Screw)

под заказ120 руб.
802112-05257-000

   (актуальный код замены) Винт - Screw

под заказ120 руб.
802112-05257-000

Винт - Screw (Screw)

под заказ120 руб.
908321-21058-000

Шайба с блокировкой - Washer, Lock (Washer, Lock)

под заказ140 руб.
908321-0105A-000

   (актуальный код замены) Шайба с блокировкой - Washer, Lock

под заказ140 руб.
908321-0105A-000

Шайба с блокировкой - Washer, Lock (Washer, Lock)

под заказ140 руб.
1032102-93230-000

Запчасть снята с производства - The Spare Part Is Laid Off (The Spare Part Is Laid Off)

под заказ0 руб.
1102112-05208-000

Винт - Screw (Screw)

под заказ150 руб.
1102112-05207-000

   (актуальный код замены) Винт - Screw

под заказ150 руб.
1102112-05207-000

Винт - Screw (Screw)

под заказ150 руб.
1208321-21058-000

Шайба с блокировкой - Washer, Lock (Washer, Lock)

под заказ140 руб.
1208321-0105A-000

   (актуальный код замены) Шайба с блокировкой - Washer, Lock

под заказ140 руб.
1208321-0105A-000

Шайба с блокировкой - Washer, Lock (Washer, Lock)

под заказ140 руб.
1308322-21058-000

Шайба - Washer (Washer)

под заказ140 руб.
1308322-01057-000

   (актуальный код замены) Шайба - Washer

под заказ140 руб.
1308322-01057-000

Шайба - Washer (Washer, front hook holder ) (Washer)

под заказ140 руб.
1408341-31049-000

Ключ - Key (Key)

под заказ260 руб.
1409420-04008-000

   (актуальный код замены) Ключ - Key

18 шт370 руб.
1409420-04008-000

Ключ - Key (Key)

18 шт370 руб.
1508321-21148-000

Шайба с блокировкой - Washer, Lock (Washer, Lock)

под заказ150 руб.
1508321-0114A-000

   (актуальный код замены) Шайба с блокировкой - Washer, Lock

под заказ150 руб.
1508321-0114A-000

Шайба с блокировкой - Washer, Lock (Washer, Lock)

под заказ150 руб.
1608310-22148-000

Гайка - Nut (Nut)

под заказ190 руб.
1608310-0014A-000

   (актуальный код замены) Гайка - Nut

10 шт190 руб.
1608310-0014A-000

Гайка - Nut (Nut)

10 шт190 руб.
1709404-06415-000

Струбцина (l: 80) - Clamp (l:80) (L:95) (Clamp (l:80))

под заказ230 руб.
1709404-06436-000

   (актуальный код замены) Струбцина (l: 80) - Clamp (l:80)

под заказ230 руб.
1709404-06433-000

Струбцина (l: 80) - Clamp (l:80) (Clamp (l:80) ) (Clamp (l:80))

под заказ230 руб.
1709404-06436-000

   (актуальный код замены) Струбцина (l: 80) - Clamp (l:80)

под заказ230 руб.


Время выполнения запроса 1.8855769634247 сек.

 
 

данный сайт носит информационный характер и не является публичной офертой

склад запчастей для водомоторной техники