Подобрать запчасти на лодочный мотор Suzuki - Starting motor - Двигатель электростартера
вконтакте

Контактный телефон: +7 (981) 121-46-93, +7 (800) 200-90-76 , Email: parts-katalog@yandex.ru, где купить

 
 

  Логин:

Пароль:

Регистрация

www.partskatalog.ru Все каталоги Запчасти Mercury Запчасти Suzuki Запчасти Tohatsu Запчасти Honda Контакты



УВАЖАЕМЫЕ КЛИЕНТЫ!
C 19 ДЕКАБРЯ 2025 ПО 02 МАРТА 2026 ГОДА ОТДЕЛ ЗАПЧАСТЕЙ И СЕРВИС РАБОТАТЬ НЕ БУДУТ
ПРОДАЖА ЛОДОЧНЫХ МОТОРОВ В ШТАТНОМ РЕЖИМЕ
ОБ ИЗМЕНЕНИЯХ В ГРАФИКЕ РАБОТЫ ЧИТАЙТЕ НА САЙТА



назад Раздел:   вперёд

Вернуться к выбору узлов мотора


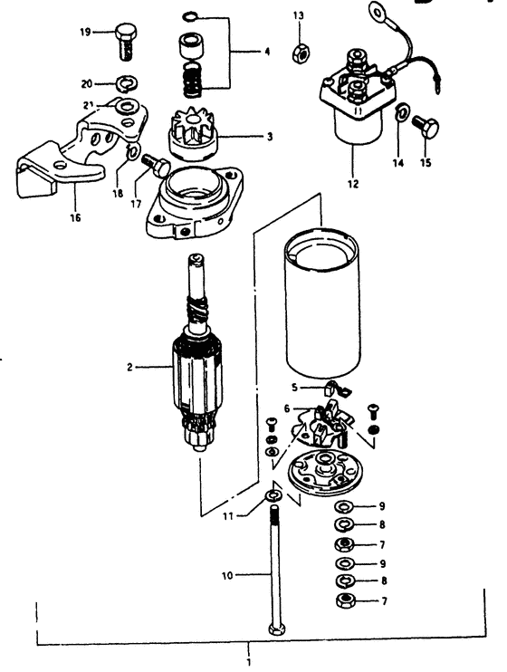
ДЕТАЛИРОВКА ДЛЯ МОДЕЛИ: SUZUKI DT9.9G(G/J/VZ) G

Двигатель электростартера


Год выпуска двигателя: 1986

Регион: General Export No.1 ,Код региона: P01

Номер на
рисунке
АртикулНаименованиеQTYКол-во
на складе
Цена
131100-93530-000

(Electric starter, model g)

под заказ0 руб.
131100-89E01-000

Двигатель электростартера в сборе - Motor Assy, Starting (Motor, starting ) (Motor Assy, Starting)

под заказ92160 руб.
133810-92D00-000

Кабель стартера - Cable, Starter (Cable, Starter)

под заказ8020 руб.
231311-93530-000

Запчасть снята с производства - The Spare Part Is Laid Off (Electric starter, model g) (The Spare Part Is Laid Off)

под заказ0 руб.
231300-93810-000

   (актуальный код замены) Запчасть снята с производства - The Spare Part Is Laid Off

под заказ0 руб.
331320-93530-000

Запчасть снята с производства - The Spare Part Is Laid Off (Electric starter, model g) (The Spare Part Is Laid Off)

под заказ0 руб.
431312-93530-000

Запчасть снята с производства - The Spare Part Is Laid Off (Electric starter, model g) (The Spare Part Is Laid Off)

под заказ0 руб.
531131-93530-000

Запчасть снята с производства - The Spare Part Is Laid Off (Brush, (+); Electric starter, model g) (The Spare Part Is Laid Off)

под заказ0 руб.
631132-93530-000

Щётка (-) - Brush (-) (Brush, (-); Electric starter, model g ) (Brush (-))

под заказ0 руб.
708310-22068-000

Гайка - Nut (Electric starter, model g) (Nut)

под заказ140 руб.
708310-00067-000

   (актуальный код замены) Гайка - Nut

под заказ140 руб.
708310-00067-000

Гайка - Nut (Nut)

под заказ140 руб.
808321-21068-000

Шайба с блокировкой - Washer, Lock (Electric starter, model g) (Washer, Lock)

под заказ140 руб.
808321-01067-000

   (актуальный код замены) Шайба с блокировкой - Washer, Lock

под заказ140 руб.
808321-01067-000

Шайба с блокировкой - Washer, Lock (Washer, Lock)

под заказ140 руб.
908322-21068-000

Шайба - Washer (Electric starter, model g) (Washer)

под заказ140 руб.
908322-01067-000

   (актуальный код замены) Шайба - Washer

10 шт160 руб.
908322-01067-000

Шайба - Washer (Washer)

10 шт160 руб.
1031281-93530-000

Запчасть снята с производства - The Spare Part Is Laid Off (Electric starter, model g) (The Spare Part Is Laid Off)

под заказ0 руб.
1108321-21058-000

Шайба с блокировкой - Washer, Lock (Electric starter, model g) (Washer, Lock)

под заказ140 руб.
1108321-0105A-000

   (актуальный код замены) Шайба с блокировкой - Washer, Lock

под заказ140 руб.
1108321-0105A-000

Шайба с блокировкой - Washer, Lock (Washer, Lock)

под заказ140 руб.
1231800-95522-000

Реле в сборе, Двигатель электростартера - Relay Assy, Starting Motor (Relay, starter # Electric starter, model g ) (Relay Assy, Starting Motor)

под заказ0 руб.
1308310-11068-000

Гайка - Nut (Electric starter, model g) (Nut)

под заказ140 руб.
1308310-00067-000

   (актуальный код замены) Гайка - Nut

под заказ140 руб.
1308310-00067-000

Гайка - Nut (Nut)

под заказ140 руб.
1408321-21068-000

Шайба с блокировкой - Washer, Lock (Electric starter, model g) (Washer, Lock)

под заказ140 руб.
1408321-01067-000

   (актуальный код замены) Шайба с блокировкой - Washer, Lock

под заказ140 руб.
1408321-01067-000

Шайба с блокировкой - Washer, Lock (Washer, Lock)

под заказ140 руб.
1501107-06168-000

Болт - Bolt (Electric starter, model g) (Bolt)

под заказ150 руб.
1501500-06167-000

   (актуальный код замены) Болт - Bolt

под заказ150 руб.
1501500-06167-000

Болт - Bolt (Bolt, fuel cooler ) (Bolt)

под заказ150 руб.
1701107-06208-000

Болт - Bolt (Electric starter, model g) (Bolt)

под заказ150 руб.
1701500-06207-000

   (актуальный код замены) Болт - Bolt

под заказ150 руб.
1701500-06207-000

Болт - Bolt (Bolt)

под заказ150 руб.
1808321-21068-000

Шайба с блокировкой - Washer, Lock (Electric starter, model g) (Washer, Lock)

под заказ140 руб.
1808321-01067-000

   (актуальный код замены) Шайба с блокировкой - Washer, Lock

под заказ140 руб.
1808321-01067-000

Шайба с блокировкой - Washer, Lock (Washer, Lock)

под заказ140 руб.
1901107-08208-000

Болт - Bolt (Electric starter, model g) (Bolt)

под заказ190 руб.
1901500-08207-000

   (актуальный код замены) Болт - Bolt

под заказ190 руб.
1901500-08207-000

Болт - Bolt (Bolt)

под заказ190 руб.
2008321-21088-000

Шайба с блокировкой - Washer, Lock (Electric starter, model g) (Washer, Lock)

под заказ140 руб.
2008321-01087-000

   (актуальный код замены) Шайба с блокировкой - Washer, Lock

под заказ140 руб.
2008321-01087-000

Шайба с блокировкой - Washer, Lock (Washer, lock ) (Washer, Lock)

под заказ140 руб.
2108322-11088-000

Шайба - Washer (Electric starter, model g) (Washer)

под заказ140 руб.
2108322-01087-000

   (актуальный код замены) Шайба - Washer

под заказ140 руб.
2108322-01087-000

Шайба - Washer (Lock washer ) (Washer)

под заказ140 руб.


Время выполнения запроса 1.2364690303802 сек.

 
 

данный сайт носит информационный характер и не является публичной офертой

склад запчастей для водомоторной техники