| |
 |
|
 |
Вернуться к выбору узлов мотора
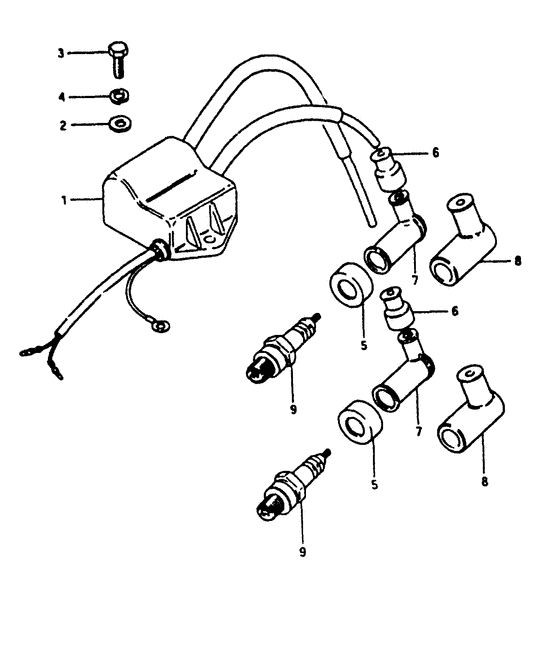
ДЕТАЛИРОВКА ДЛЯ МОДЕЛИ: SUZUKI DT9.9PG(G/J/VZ) G
Ignition
Год выпуска двигателя: 1986
Номер на рисунке | Артикул | Наименование | QTY | Кол-во на складе | Цена |
| 1 | 32900-93500-000 | Запчасть снята с производства - The Spare Part Is Laid Off (The Spare Part Is Laid Off) | | под заказ | 0 руб. |
| 2 | 08322-21068-000 | Шайба - Washer (Washer) | | под заказ | 140 руб. |
| 2 | 08322-01067-000 | (актуальный код замены) Шайба - Washer | | 10 шт | 160 руб. |
| 2 | 08322-01067-000 | Шайба - Washer (Washer) | | 10 шт | 160 руб. |
| 3 | 01107-06208-000 | Болт - Bolt (Bolt) | | под заказ | 150 руб. |
| 3 | 01500-06207-000 | (актуальный код замены) Болт - Bolt | | под заказ | 150 руб. |
| 3 | 01500-06207-000 | Болт - Bolt (Bolt) | | под заказ | 150 руб. |
| 4 | 08321-21068-000 | Шайба с блокировкой - Washer, Lock (Washer, Lock) | | под заказ | 140 руб. |
| 4 | 08321-01067-000 | (актуальный код замены) Шайба с блокировкой - Washer, Lock | | под заказ | 140 руб. |
| 4 | 08321-01067-000 | Шайба с блокировкой - Washer, Lock (Washer, Lock) | | под заказ | 140 руб. |
| 5 | 33541-93310-000 | Сальник свечи зажигания Колпачок - Seal, Spark Plug Cap (Seal, Spark Plug Cap) | | под заказ | 980 руб. |
| 5 | 33541-93950-000 | (актуальный код замены) Сальник свечи зажигания Колпачок - Seal, Spark Plug Cap | | под заказ | 980 руб. |
| 5 | 33541-93950-000 | Сальник свечи зажигания Колпачок - Seal, Spark Plug Cap (Seal, Spark Plug Cap) | | под заказ | 980 руб. |
| 6 | 33542-98000-000 | Сальник высоковольтного провода - Seal, High Tension Cord (Seal, High Tension Cord) | | под заказ | 340 руб. |
| 6 | 33542-38B00-000 | (актуальный код замены) Сальник высоковольтного провода - Seal, High Tension Cord | | под заказ | 340 руб. |
| 6 | 33542-38B00-000 | Сальник высоковольтного провода - Seal, High Tension Cord (Seal, hightension cord ) (Seal, High Tension Cord) | | под заказ | 340 руб. |
| 7 | 33510-22010-000 | Колпачок свечи зажигания - Cap Assy, Spark Plug (Cap Assy, Spark Plug) | | 1 шт | 2130 руб. |
| 8 | 33510-95510-000 | Колпачок свечи зажигания - Cap, Spark Plug ( (g, j)e9, (g, j, vz)e13, vze40) (Cap, Spark Plug) | | под заказ | 1800 руб. |
| 8 | 33510-95520-000 | (актуальный код замены) Колпачок свечи зажигания - Cap, Spark Plug | | 1 шт | 2100 руб. |
| 8 | 33510-95520-000 | Колпачок свечи зажигания - Cap, Spark Plug (Cap, spark plug ) (Cap, Spark Plug) | | 1 шт | 2100 руб. |
| 9 | 09482-00088-000 | Свеча зажигания (br6hs) - Plug, Spark (br6hs) (Spark plug assy (dt9.9) # Spark plug (ngk, br6hs); Model g, dt9.9 ) (Plug, Spark (br6hs)) | | под заказ | 0 руб. |
| 9 | 09482-00095-000 | Свеча зажигания (b-6h) - Plug, Spark (b-6h) (Spark plug assy (dt9.9 e13) # Spark plug (ngk, b6hs); Ge9, (g, pg)e13, dt9.9 ) (Plug, Spark (b-6h)) | | под заказ | 630 руб. |
| 9 | 09482-00116-000 | Свеча зажигания (br7hs) - Plug, Spark (br7hs) (Spark plug assy (dt9.9ce28, dt14ce28, dt16ce28) # Spark plug (ngk, br7hs); Model g, dt16 ) (Plug, Spark (br7hs)) | | под заказ | 860 руб. |
| 9 | 09482-00082-000 | Свеча зажигания (b7hs) - Plug, Spark (b7hs) (Spark plug assy # Spark plug (ngk, b7hs); Ge9, (g, pg)e13, dt16 ) (Plug, Spark (b7hs)) | | под заказ | 600 руб. |
Время выполнения запроса 1.8063130378723 сек. |
|