Подобрать запчасти на подвесной двигатель SUZUKI - Запчасти для дистанционного управления / Remote control parts
вконтакте

Контактный телефон: +7 (981) 121-46-93, +7 (800) 200-90-76 , Email: parts-katalog@yandex.ru, где купить

 
 

  Логин:

Пароль:

Регистрация

www.partskatalog.ru Все каталоги Запчасти Mercury Запчасти Suzuki Запчасти Tohatsu Запчасти Honda Контакты



УВАЖАЕМЫЕ КЛИЕНТЫ!
C 19 ДЕКАБРЯ 2025 ПО 02 МАРТА 2026 ГОДА ОТДЕЛ ЗАПЧАСТЕЙ И СЕРВИС РАБОТАТЬ НЕ БУДУТ
ПРОДАЖА ЛОДОЧНЫХ МОТОРОВ В ШТАТНОМ РЕЖИМЕ
ОБ ИЗМЕНЕНИЯХ В ГРАФИКЕ РАБОТЫ ЧИТАЙТЕ НА САЙТА



назад Раздел:   вперёд

Вернуться к выбору узлов мотора


ДЕТАЛИРОВКА ДЛЯ МОДЕЛИ: SUZUKI DT9.9PJ(G/J/VZ) J

Запчасти для дистанционного управления


Год выпуска двигателя: 1988

Регион: General Export No.1 ,Код региона: P01

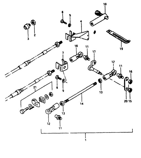
Номер на
рисунке
АртикулНаименованиеQTYКол-во
на складе
Цена
167130-93501-01J

Запчасть снята с производства - The Spare Part Is Laid Off (Incl ref.no.2~20, model g) (The Spare Part Is Laid Off)

под заказ0 руб.
167130-93506-000

   (актуальный код замены) Запчасть снята с производства - The Spare Part Is Laid Off

под заказ0 руб.
167130-93503-01J

Запчасть снята с производства - The Spare Part Is Laid Off (Model j, vz, incl ref.no.2~21) (The Spare Part Is Laid Off)

под заказ0 руб.
167130-93506-000

   (актуальный код замены) Запчасть снята с производства - The Spare Part Is Laid Off

под заказ0 руб.
209140-14014-000

Гайка - Nut (Nut)

под заказ0 руб.
209140-14030-000

   (актуальный код замены) Запчасть снята с производства - The Spare Part Is Laid Off

под заказ0 руб.
209140-14030-000

Гайка - Nut (Nut)

под заказ0 руб.
337800-93750-000

Переключатель в сборе, Двигатель Stop - Switch Assy, Engine Stop (Switch Assy, Engine Stop)

под заказ6150 руб.
337800-93714-000

   (актуальный код замены) Переключатель в сборе, Двигатель Stop - Switch Assy, Engine Stop

под заказ6150 руб.
337800-93714-000

Переключатель в сборе, Двигатель Stop - Switch Assy, Engine Stop (Switch assy, engine stop ) (Switch Assy, Engine Stop)

под заказ6150 руб.
467340-93500-000

Запчасть снята с производства - The Spare Part Is Laid Off (The Spare Part Is Laid Off)

под заказ0 руб.
509162-05002-000

Шайба с блокировкой - Washer, Lock (Lock washer # Lock washer; ) (Washer, Lock)

под заказ130 руб.
609100-05004-000

Болт - Bolt (Bolt)

под заказ150 руб.
601500-05127-000

   (актуальный код замены) Болт - Bolt

под заказ150 руб.
601500-05127-000

Болт - Bolt (Bolt)

под заказ150 руб.
767341-93400-000

Держатель кабеля дистанционного управления - Holder, Remocon Cable (Holder, Remocon Cable)

под заказ1680 руб.
767341-93401-000

   (актуальный код замены) Держатель кабеля дистанционного управления - Holder, Remocon Cable

под заказ1680 руб.
767341-93401-000

Держатель кабеля дистанционного управления - Holder, Remocon Cable (Holder, Remocon Cable)

под заказ1680 руб.
809100-06019-000

Болт - Bolt (Bolt)

под заказ180 руб.
801550-06167-000

   (актуальный код замены) Болт - Bolt

9 шт210 руб.
801550-06167-000

Болт - Bolt (Bolt)

9 шт210 руб.
909162-06001-000

Шайба с блокировкой - Washer, Lock (Washer, Lock)

под заказ160 руб.
909162-06006-000

   (актуальный код замены) Шайба с блокировкой - Washer, Lock

под заказ160 руб.
909162-06006-000

Шайба с блокировкой - Washer, Lock (Lock washer ) (Washer, Lock)

под заказ160 руб.
1067440-93701-000

Направляющая тросика сцепления - Guide, Clutch Cable (Guide, clutch cable # Guide, clutch cable; ) (Guide, Clutch Cable)

7 шт2740 руб.
1109119-06047-000

Стержень - Pivot (Pivot, ball # Ball, pivot; From 09119-06039 ) (Pivot)

21 шт520 руб.
1267463-95200-000

Коннектор тяги управления дросселем - Connector, Throttle Control (Connector, throttle rod # Connector, throttle control; ) (Connector, Throttle Control)

под заказ340 руб.
1309140-05001-000

Гайка - Nut (Nut)

под заказ220 руб.
1309140-05005-000

   (актуальный код замены) Гайка - Nut

10 шт270 руб.
1309140-05005-000

Гайка - Nut (Nut)

10 шт270 руб.
1467413-93500-000

Запчасть снята с производства - The Spare Part Is Laid Off (The Spare Part Is Laid Off)

под заказ0 руб.
1509140-08003-000

Гайка - Nut (Nut)

под заказ190 руб.
1509140-08016-000

   (актуальный код замены) Гайка - Nut

под заказ190 руб.
1509140-08023-XC0

Гайка - Nut (Nut)

14 шт190 руб.
1609140-06004-000

Гайка - Nut (Nut)

под заказ150 руб.
1609140-06020-000

   (актуальный код замены) Гайка - Nut

9 шт150 руб.
1609140-06020-000

Гайка - Nut (Nut)

9 шт150 руб.
1767410-93500-01J

Рычаг дистанционного управления дросселем - Lever, Remocon Throttle (Lever, Remocon Throttle)

под заказ8790 руб.
1767410-90L00-000

   (актуальный код замены) Рычаг дистанционного управления дросселем - Lever, Remocon Throttle

под заказ8790 руб.
1767410-90L00-000

Рычаг дистанционного управления дросселем - Lever, Remocon Throttle (Lever, Remocon Throttle)

под заказ8790 руб.
1867466-95200-000

Коннектор - Connector (Connector, throttle cable # Connector, remote control cable; ) (Connector)

18 шт560 руб.
1909404-06401-000

Струбцина (l: 45) - Clamp (l:45) (Clamp (l:45))

под заказ170 руб.
1909404-06031-000

   (актуальный код замены) Струбцина, Rsvr Tank Ovfl Шланг - Clamp, Rsvr Tank Ovfl Hose

под заказ170 руб.
1909404-06206-000

Струбцина (l: 45) - Clamp (l:45) (Clamp (l:45))

под заказ170 руб.
1909404-06031-000

   (актуальный код замены) Струбцина, Rsvr Tank Ovfl Шланг - Clamp, Rsvr Tank Ovfl Hose

под заказ170 руб.
2067417-93400-000

Запчасть снята с производства - The Spare Part Is Laid Off (The Spare Part Is Laid Off)

под заказ0 руб.
2119190-98110-000

Рычаг Set, Дистанционное управление - Arm Set, Remote Control (Model j, vz ) (Arm Set, Remote Control)

под заказ0 руб.


Время выполнения запроса 2.6249430179596 сек.

 
 

данный сайт носит информационный характер и не является публичной офертой

склад запчастей для водомоторной техники