Подобрать оригинальные запчасти на подвесной лодочный двигатель Сузуки - Optional : remote control / Опции : Дистанционное управление
вконтакте

Контактный телефон: +7 (981) 121-46-93, +7 (800) 200-90-76 , Email: parts-katalog@yandex.ru, где купить

 
 

  Логин:

Пароль:

Регистрация

www.partskatalog.ru Все каталоги Запчасти Mercury Запчасти Suzuki Запчасти Tohatsu Запчасти Honda Контакты



УВАЖАЕМЫЕ КЛИЕНТЫ!
C 19 ДЕКАБРЯ 2025 ПО 02 МАРТА 2026 ГОДА ОТДЕЛ ЗАПЧАСТЕЙ И СЕРВИС РАБОТАТЬ НЕ БУДУТ
ПРОДАЖА ЛОДОЧНЫХ МОТОРОВ В ШТАТНОМ РЕЖИМЕ
ОБ ИЗМЕНЕНИЯХ В ГРАФИКЕ РАБОТЫ ЧИТАЙТЕ НА САЙТА



назад Раздел:   вперёд

Вернуться к выбору узлов мотора


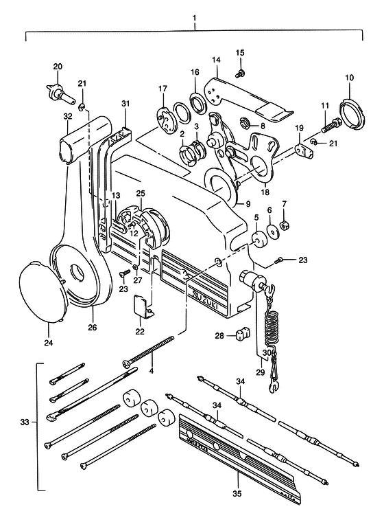
ДЕТАЛИРОВКА ДЛЯ МОДЕЛИ: SUZUKI DT9.9S K

Опции : Дистанционное управление


Год выпуска двигателя: 1989

Номер на
рисунке
АртикулНаименованиеQTYКол-во
на складе
Цена
167200-93970-0ED

Запчасть снята с производства - The Spare Part Is Laid Off (->7200-93991-0ED) (The Spare Part Is Laid Off)

под заказ0 руб.
167200-93991-0ED

Дистанционное управление в сборе - Remote Control Assy (MODEL:96~00) (Remote Control Assy)

под заказ0 руб.
167200-939B5-000

Дистанционное управление в сборе - Remote Control Assy (Remote Control Assy)

под заказнет сведений
267232-95600-000

Втулка - Bush (Bush)

под заказ570 руб.
367232-95620-000

Втулка - Bush (FOR 67200-93970-0ED ) (Bush)

под заказ500 руб.
467296-95600-000

Винт - Screw (Screw)

под заказ570 руб.
567294-95600-000

Проставка - Spacer (Spacer)

под заказ460 руб.
609160-06104-000

Шайба (6.5x24x2) - Washer (65x24x2) (FOR 67200-93970-0ED <-7288-94310 ) (Washer (6.5x24x2))

под заказ220 руб.
709140-06020-000

Гайка - Nut (Nut)

9 шт150 руб.
867232-95610-000

Втулка - Bush (FOR 67200-93970-0ED ) (Bush)

под заказ0 руб.
967253-95600-000

Шайба - Washer (Washer)

под заказ460 руб.
1067252-95600-000

Втулка - Bush (Bush)

2 шт480 руб.
1109100-08232-000

Болт (8x30) - Bolt (8x30) (Bolt (8x30))

6 шт350 руб.
1267296-94300-000

Винт (4x10) - Screw (4x10) (Screw (4x10))

под заказ120 руб.
1367258-87D00-000

Кронштейн, Neutral Рычаг - Bracket, Neutral Arm (Bracket, neutral arm ) (Bracket, Neutral Arm)

под заказ630 руб.
1467241-95680-000

Рычаг освобождения дросселя (gray) - Lever, Free Throttle (gray) (Lever, free throttle (gray) ) (Lever, Free Throttle (gray))

под заказ0 руб.
1509126-05003-000

Винт (5x12) - Screw (5x12) (Screw (5x12))

под заказ160 руб.
1667243-95600-000

Втулка, Remo-con - Bush, Remo-con (Bush, Remo-con)

2 шт390 руб.
1767245-95600-000

Барабан освобождения дросселя - Drum, Free Throttle (Drum assy, free throttle ) (Drum, Free Throttle)

под заказ2480 руб.
1867220-95620-000

Пластина в сборе - Plate Assy (Plate assy ) (Plate Assy)

под заказ8400 руб.
1967275-95600-000

Наконечник кабеля - End, Cable (End, Cable)

36 шт810 руб.
2067223-95600-000

Ручка регулировки тормоза - Knob, Brake Adjust (Knob, Brake Adjust)

под заказ1670 руб.
2167292-94300-000

Уплотнительное кольцо дистанционного управления - E Ring, Remo-con (E Ring, Remo-con)

25 шт120 руб.
2267267-95610-000

Крышка проводов - Cover, Wire (Cover, wire (black) ) (Cover, Wire)

под заказ580 руб.
2367296-95610-000

Винт - Screw (Screw)

2 шт280 руб.
2467257-95610-000

Крышка рычага - Cap, Lever (Cap, Lever)

под заказ680 руб.
2567256-95600-000

Держатель блокировки нейтрали - Holder, Neutral Lock (Holder, neut lock ) (Holder, Neutral Lock)

2 шт1140 руб.
2667251-95680-000

Рычаг блокировки - Lever, Handle (Lever, hadle (gray) ) (Lever, Handle)

под заказ7200 руб.
2767297-95600-000

Шайба - Washer (Washer)

под заказ280 руб.
2867273-95600-000

Проставка - Spacer (Spacer)

под заказ460 руб.
2867273-95601-000

   (актуальный код замены) Проставка - Spacer

3 шт630 руб.
2937830-95D00-000

Выключатель аварийной остановки двигателя - Switch Assy, Emergency & Stop (<-7820-94403) (Switch Assy, Emergency & Stop)

под заказ6340 руб.
2937830-95D04-000

   (актуальный код замены) Выключатель аварийной остановки двигателя - Switch Assy, Emergency & Stop

под заказ6340 руб.
2937830-95D03-000

Выключатель аварийной остановки двигателя - Switch Assy, Emergency & Stop (Switch Assy, Emergency & Stop)

2 шт6340 руб.
2937830-95D04-000

   (актуальный код замены) Выключатель аварийной остановки двигателя - Switch Assy, Emergency & Stop

под заказ6340 руб.
3037823-92E00-000

Пластина блокировки аварийного выключателя - Plate Assy, Emergency Sw Lock (Plate Assy, Emergency Sw Lock)

под заказ2570 руб.
3037823-92E02-000

   (актуальный код замены) Пластина блокировки аварийного выключателя - Plate Assy, Emergency Sw Lock

3 шт2770 руб.
3037823-92E01-000

Пластина блокировки аварийного выключателя - Plate Assy, Emergency Sw Lock (Plate Assy, Emergency Sw Lock)

под заказ2570 руб.
3037823-92E02-000

   (актуальный код замены) Пластина блокировки аварийного выключателя - Plate Assy, Emergency Sw Lock

3 шт2770 руб.
3167255-95600-000

Рукоятка блокировки нейтрали - Arm, Neutral Lock (Arm, neutral lock ) (Arm, Neutral Lock)

под заказ1870 руб.
3267261-95610-000

Рукоятка - Grip (Grip)

под заказ1870 руб.
3367140-95600-000

Двойной комплект навесного оборудования Remocon - Attachment Kit, Twin Remocon (Attachment, twin remocon kit ) (Attachment Kit, Twin Remocon)

под заказ4300 руб.
3367140-95601-000

   (актуальный код замены) Двойной комплект навесного оборудования Remocon - Attachment Kit, Twin Remocon

под заказ4300 руб.
3467320-95510-000

Запчасть снята с производства - The Spare Part Is Laid Off (The Spare Part Is Laid Off)

под заказ0 руб.
3467320-89J00-000

   (актуальный код замены) Запчасть снята с производства - The Spare Part Is Laid Off

под заказ0 руб.
3467320-95520-000

Тросик дистанционного управления (8f: 2.4m) - Cable Assy, Remocon (8f:24m) (Cable Assy, Remocon (8f:2.4m))

под заказ5760 руб.
3467320-93J00-000

   (актуальный код замены) Тросик дистанционного управления (8f: 2.4m) - Cable Assy, Remocon (8f:2.4m)

под заказ5760 руб.
3467320-93J00-000

Тросик дистанционного управления (8f: 2.4m) - Cable Assy, Remocon (8f:24m) (Cable Assy, Remocon (8f:2.4m))

под заказ5760 руб.
3467320-95540-000

Тросик дистанционного управления (10f: 3.1m) - Cable Assy, Remocon (10f:31m) (Cable Assy, Remocon (10f:3.1m))

под заказ6340 руб.
3467320-93J10-000

   (актуальный код замены) Тросик дистанционного управления (10f: 3.1m) - Cable Assy, Remocon (10f:3.1m)

под заказ6340 руб.
3467320-93J10-000

Тросик дистанционного управления (10f: 3.1m) - Cable Assy, Remocon (10f:31m) (Cable Assy, Remocon (10f:3.1m))

под заказ6340 руб.
3467320-95560-000

Тросик дистанционного управления (12f: 3.7m) - Cable Assy, Remocon (12f:37m) (Cable Assy, Remocon (12f:3.7m))

под заказ6920 руб.
3467320-93J20-000

   (актуальный код замены) Тросик дистанционного управления (12f: 3.7m) - Cable Assy, Remocon (12f:3.7m)

под заказ6920 руб.
3467320-93J20-000

Тросик дистанционного управления (12f: 3.7m) - Cable Assy, Remocon (12f:37m) (Cable Assy, Remocon (12f:3.7m))

под заказ6920 руб.
3467320-95580-000

Тросик дистанционного управления (14f: 4.2m) - Cable Assy, Remocon (14f:42m) (Cable Assy, Remocon (14f:4.2m))

под заказ7490 руб.
3467320-93J30-000

   (актуальный код замены) Тросик дистанционного управления (14f: 4.2m) - Cable Assy, Remocon (14f:4.2m)

3 шт7490 руб.
3467320-93J30-000

Тросик дистанционного управления (14f: 4.2m) - Cable Assy, Remocon (14f:42m) (Cable Assy, Remocon (14f:4.2m))

3 шт7490 руб.
3467320-95620-000

Тросик дистанционного управления (18f: 5.4m) - Cable Assy, Remocon (18f:54m) (Cable Assy, Remocon (18f:5.4m))

под заказ8600 руб.
3467320-93J50-000

   (актуальный код замены) Тросик дистанционного управления (18f: 5.4m) - Cable Assy, Remocon (18f:5.4m)

под заказ8600 руб.
3467320-93J50-000

Тросик дистанционного управления (18f: 5.4m) - Cable Assy, Remocon (18f:54m) (Cable Assy, Remocon (18f:5.4m))

под заказ8600 руб.
3467320-95640-000

Тросик дистанционного управления (20f: 6.1m) - Cable Assy, Remocon (20f:61m) (Cable Assy, Remocon (20f:6.1m))

под заказ9170 руб.
3467320-93J60-000

   (актуальный код замены) Тросик дистанционного управления (20f: 6.1m) - Cable Assy, Remocon (20f:6.1m)

под заказ9170 руб.
3467320-93J60-000

Тросик дистанционного управления (20f: 6.1m) - Cable Assy, Remocon (20f:61m) (Cable Assy, Remocon (20f:6.1m))

под заказ9170 руб.
3467320-95650-000

Тросик дистанционного управления (22f: 6.7m) - Cable Assy, Remocon (22f:67m) (Cable Assy, Remocon (22f:6.7m))

под заказ9750 руб.
3467320-93J70-000

   (актуальный код замены) Тросик дистанционного управления (22f: 6.7m) - Cable Assy, Remocon (22f:6.7m)

под заказ9750 руб.
3467320-93J70-000

Тросик дистанционного управления (22f: 6.7m) - Cable Assy, Remocon (22f:67m) (Cable Assy, Remocon (22f:6.7m))

под заказ9750 руб.
3567282-95610-000

Запчасть снята с производства - The Spare Part Is Laid Off (OPT, BLACK) (The Spare Part Is Laid Off)

под заказ0 руб.


Время выполнения запроса 1.4472229480743 сек.

 
 

данный сайт носит информационный характер и не является публичной офертой

склад запчастей для водомоторной техники