Найти запчасти на лодочный подвесной мотор Suzuki модель 1990 года - Transmission
вконтакте

Контактный телефон: +7 (981) 121-46-93, +7 (800) 200-90-76 , Email: parts-katalog@yandex.ru, где купить

 
 

  Логин:

Пароль:

Регистрация

www.partskatalog.ru Все каталоги Запчасти Mercury Запчасти Suzuki Запчасти Tohatsu Запчасти Honda Контакты



УВАЖАЕМЫЕ КЛИЕНТЫ!
C 19 ДЕКАБРЯ 2025 ПО 02 МАРТА 2026 ГОДА ОТДЕЛ ЗАПЧАСТЕЙ И СЕРВИС РАБОТАТЬ НЕ БУДУТ
ПРОДАЖА ЛОДОЧНЫХ МОТОРОВ В ШТАТНОМ РЕЖИМЕ
ОБ ИЗМЕНЕНИЯХ В ГРАФИКЕ РАБОТЫ ЧИТАЙТЕ НА САЙТА



назад Раздел:   вперёд

Вернуться к выбору узлов мотора


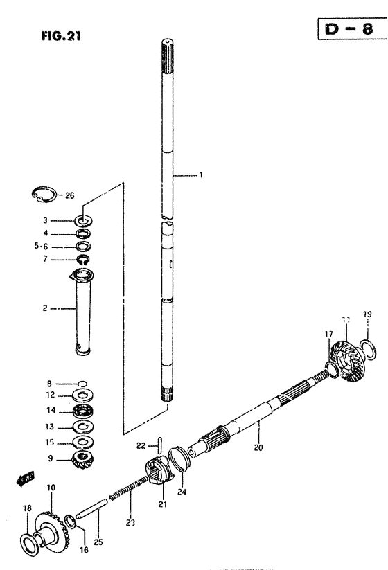
ДЕТАЛИРОВКА ДЛЯ МОДЕЛИ: SUZUKI DT9.9CVL(88-97) L

Трансмиссия


Год выпуска двигателя: 1990

Регион: General Export No.1 ,Код региона: P01

Цвет: California Gray Metallic

Номер на
рисунке
АртикулНаименованиеQTYКол-во
на складе
Цена
157110-92D15-000

Вал привода (s) - Shaft, Drive (s) (Shaft assy, drive (s) # Shaft assy, drive (s); ) (Shaft, Drive (s))

под заказ0 руб.
157110-92D02-000

(L:719.5, model:88~90)

под заказ0 руб.
157110-92D05-000

Запчасть снята с производства - The Spare Part Is Laid Off (Shaft assy, drive (l); L:719.5, model:91~97) (The Spare Part Is Laid Off)

под заказ0 руб.
157110-92D25-000

Запчасть снята с производства - The Spare Part Is Laid Off (Shaft assy, drive (ul); L:846.5, type:sail) (The Spare Part Is Laid Off)

под заказ0 руб.
257133-92D02-000

Воротник приводного вала - Collar, Drive Shaft (Collar, drive shaft ) (Collar, Drive Shaft)

под заказ0 руб.
308211-14221-000

Регулировочная шайба (14x22x1) - Shim (14x22x1) (Shim (14x22x1))

под заказ190 руб.
309181-14167-000

   (актуальный код замены) Регулировочная шайба (14x22x1) - Shim (14x22x1)

под заказ190 руб.
309181-14167-000

Регулировочная шайба (14x22x1) - Shim (14x22x1) (Washer, gear shift rh ) (Shim (14x22x1))

под заказ190 руб.
408221-12185-000

Регулировочная шайба (12x18x0.5) - Shim (12x18x05) (Washer, lower (t:0.5); Model:88~90) (Shim (12x18x0.5))

под заказ160 руб.
409181-12130-000

   (актуальный код замены) Регулировочная шайба (12x18x0.5) - Shim (12x18x0.5)

под заказ160 руб.
409181-12130-000

Регулировочная шайба (12x18x0.5) - Shim (12x18x05) (Washer, lower (t:0.5) ) (Shim (12x18x0.5))

под заказ160 руб.
409181-12130-000

Регулировочная шайба (12x18x0.5) - Shim (12x18x05) (Washer, lower (t:0.5) # Washer, lower (t:0.5); Model:97 ) (Shim (12x18x0.5))

под заказ160 руб.
508211-12181-000

Регулировочная шайба (12x18x1) - Shim (12x18x1) (Washer, lower (t:1.0); Model:88~90) (Shim (12x18x1))

под заказ220 руб.
509181-12139-000

   (актуальный код замены) Регулировочная шайба (12x18x1) - Shim (12x18x1)

под заказ220 руб.
509181-12139-000

Регулировочная шайба (12x18x1) - Shim (12x18x1) (Washer, parking rh ) (Shim (12x18x1))

под заказ220 руб.
608221-14226-000

Запчасть снята с производства - The Spare Part Is Laid Off (Washer (t:0.8); Model:91~96) (The Spare Part Is Laid Off)

под заказ0 руб.
609181-14162-000

   (актуальный код замены) Запчасть снята с производства - The Spare Part Is Laid Off

под заказ0 руб.
609181-14162-000

Запчасть снята с производства - The Spare Part Is Laid Off (Washer (t:0.8); Model:97) (The Spare Part Is Laid Off)

под заказ0 руб.
708331-31126-000

Стопорное кольцо - Circlip (Circlip)

под заказ130 руб.
708331-3112A-000

   (актуальный код замены) Стопорное кольцо - Circlip

23 шт130 руб.
708331-3112A-000

Стопорное кольцо - Circlip (Circlip)

23 шт130 руб.
809380-12006-000

Запчасть снята с производства - The Spare Part Is Laid Off (Model:88~90) (The Spare Part Is Laid Off)

под заказ0 руб.
957311-92D03-000

Шестерня - Pinion (Pinion)

под заказ0 руб.
1057510-92D00-000

Запчасть снята с производства - The Spare Part Is Laid Off (The Spare Part Is Laid Off)

под заказ0 руб.
1157521-92D00-000

Запчасть снята с производства - The Spare Part Is Laid Off (The Spare Part Is Laid Off)

под заказ0 руб.
1209160-18024-000

Шайба (18x30x2.75) - Washer (18x30x275) (Washer, upper (t:2.75) # Washer, upper (t:2.75); ) (Washer (18x30x2.75))

под заказ0 руб.
1309160-17044-000

Запчасть снята с производства - The Spare Part Is Laid Off (Washer, lower (t:2.75);) (The Spare Part Is Laid Off)

под заказ0 руб.
1409263-17040-000

Запчасть снята с производства - The Spare Part Is Laid Off (The Spare Part Is Laid Off)

под заказ0 руб.
1508221-17305-000

Запчасть снята с производства - The Spare Part Is Laid Off (The Spare Part Is Laid Off)

под заказ0 руб.
1509181-17214-000

   (актуальный код замены) Запчасть снята с производства - The Spare Part Is Laid Off

под заказ0 руб.
1509181-17214-000

Запчасть снята с производства - The Spare Part Is Laid Off (Shim, pinion (t:0.5); Model:97) (The Spare Part Is Laid Off)

под заказ0 руб.
1509181-17015-000

Запчасть снята с производства - The Spare Part Is Laid Off (The Spare Part Is Laid Off)

под заказ0 руб.
1509181-17215-000

   (актуальный код замены) Запчасть снята с производства - The Spare Part Is Laid Off

под заказ0 руб.
1509181-17215-000

Запчасть снята с производства - The Spare Part Is Laid Off (Shim, pinion (t:0.6); Model:97) (The Spare Part Is Laid Off)

под заказ0 руб.
1509181-17016-000

Запчасть снята с производства - The Spare Part Is Laid Off (The Spare Part Is Laid Off)

под заказ0 руб.
1509181-17216-000

   (актуальный код замены) Запчасть снята с производства - The Spare Part Is Laid Off

под заказ0 руб.
1509181-17216-000

Запчасть снята с производства - The Spare Part Is Laid Off (Shim, pinion (t:0.7); Model:97) (The Spare Part Is Laid Off)

под заказ0 руб.
1508221-17306-000

Регулировочная шайба (17x30x0.8) - Shim (17x30x08) (Shim (17x30x0.8))

под заказ0 руб.
1509181-17218-000

   (актуальный код замены) Запчасть снята с производства - The Spare Part Is Laid Off

под заказ0 руб.
1509181-17218-000

Регулировочная шайба (17x30x0.8) - Shim (17x30x08) (Shim, pinion (t:0.8) ) (Shim (17x30x0.8))

под заказ0 руб.
1509181-17218-000

Регулировочная шайба (17x30x0.8) - Shim (17x30x08) (Shim, pinion (t:0.8) # Shim, pinion (t:0.8); Model:97 ) (Shim (17x30x0.8))

под заказ0 руб.
1509181-17017-000

Запчасть снята с производства - The Spare Part Is Laid Off (The Spare Part Is Laid Off)

под заказ0 руб.
1509181-17220-000

   (актуальный код замены) Запчасть снята с производства - The Spare Part Is Laid Off

под заказ0 руб.
1509181-17220-000

Запчасть снята с производства - The Spare Part Is Laid Off (The Spare Part Is Laid Off)

под заказ0 руб.
1509181-17220-000

Запчасть снята с производства - The Spare Part Is Laid Off (Shim, pinion (t:0.9); Model:97) (The Spare Part Is Laid Off)

под заказ0 руб.
1508211-17301-000

Регулировочная шайба (17x30x1) - Shim (17x30x1) (Shim (17x30x1))

под заказ230 руб.
1509181-17223-000

   (актуальный код замены) Регулировочная шайба (17x30x1) - Shim (17x30x1)

под заказ230 руб.
1509181-17223-000

Регулировочная шайба (17x30x1) - Shim (17x30x1) (Thrust washer ) (Shim (17x30x1))

под заказ230 руб.
1509181-17223-000

Регулировочная шайба (17x30x1) - Shim (17x30x1) (Thrust washer # Shim, pinion (t:1.0); Model: (7 ) (Shim (17x30x1))

под заказ230 руб.
1609160-13012-000

Шайба (13x18x1) - Washer (13x18x1) (Washer, prop fwd (t:1.0) # Washer, prop fwd (t:1.0); ) (Washer (13x18x1))

под заказ280 руб.
1709160-16034-000

Шайба (16x20x1.1) - Washer (16x20x11) (Washer, prop rev (t:1.1) # Washer, prop rev (t:1.1); ) (Washer (16x20x1.1))

под заказ0 руб.
1709160-16035-000

Запчасть снята с производства - The Spare Part Is Laid Off (Washer, prop rev (t:1.3);) (The Spare Part Is Laid Off)

под заказ0 руб.
1708211-16202-000

Регулировочная шайба (16x20x1.5) - Shim (16x20x15) (Washer, prop rev (t:1.5);) (Shim (16x20x1.5))

под заказ0 руб.
1709181-16128-000

   (актуальный код замены) Запчасть снята с производства - The Spare Part Is Laid Off

под заказ0 руб.
1709181-16128-000

Регулировочная шайба (16x20x1.5) - Shim (16x20x15) (Washer, prop rev (t:1.5) ) (Shim (16x20x1.5))

под заказ0 руб.
1709181-16128-000

Регулировочная шайба (16x20x1.5) - Shim (16x20x15) (Washer, prop rev (t:1.5) # Washer, prop rev (t:1.5); Model:97 ) (Shim (16x20x1.5))

под заказ0 руб.
1709160-16036-000

Запчасть снята с производства - The Spare Part Is Laid Off (Washer, prop rev (t:1.7);) (The Spare Part Is Laid Off)

под заказ0 руб.
1709160-16037-000

Запчасть снята с производства - The Spare Part Is Laid Off (Washer, prop rev (t:1.9);) (The Spare Part Is Laid Off)

под заказ0 руб.
1808221-20285-000

Регулировочная шайба (20x28x0.5) - Shim (20x28x05) (Shim (20x28x0.5))

под заказ190 руб.
1809181-20158-000

   (актуальный код замены) Регулировочная шайба (20x28x0.5) - Shim (20x28x0.5)

под заказ190 руб.
1809181-20158-000

Регулировочная шайба (20x28x0.5) - Shim (20x28x05) (Shim, fwd (t:0.5) ) (Shim (20x28x0.5))

под заказ190 руб.
1809181-20158-000

Регулировочная шайба (20x28x0.5) - Shim (20x28x05) (Shim, fwd (t:0.5) # Shim, fwd (t:0.5); Model:97 ) (Shim (20x28x0.5))

под заказ190 руб.
1809181-20028-000

Регулировочная шайба (20x28x0.6) - Shim (20x28x06) (Shim (20x28x0.6))

под заказ210 руб.
1809181-20159-000

   (актуальный код замены) Регулировочная шайба (20x28x0.6) - Shim (20x28x0.6)

под заказ210 руб.
1809181-20159-000

Регулировочная шайба (20x28x0.6) - Shim (20x28x06) (Shim (20x28x0.6) ) (Shim (20x28x0.6))

под заказ210 руб.
1809181-20159-000

Регулировочная шайба (20x28x0.6) - Shim (20x28x06) (Shim (20x28x0.6) # Shim, fwd (t:0.6); Model:97 ) (Shim (20x28x0.6))

под заказ210 руб.
1809181-20029-000

Регулировочная шайба (20x28x0.7) - Shim (20x28x07) (Shim, fwd (t:0.7);) (Shim (20x28x0.7))

под заказ210 руб.
1809181-20160-000

   (актуальный код замены) Регулировочная шайба (20x28x0.7) - Shim (20x28x0.7)

под заказ210 руб.
1809181-20160-000

Регулировочная шайба (20x28x0.7) - Shim (20x28x07) (Shim (20x28x0.7) ) (Shim (20x28x0.7))

под заказ210 руб.
1809181-20160-000

Регулировочная шайба (20x28x0.7) - Shim (20x28x07) (Shim (20x28x0.7) # Shim, fwd (t:0.7); Model:97 ) (Shim (20x28x0.7))

под заказ210 руб.
1808221-20286-000

Регулировочная шайба (20x28x0.8) - Shim (20x28x08) (Shim (20x28x0.8))

под заказ190 руб.
1809181-20162-000

   (актуальный код замены) Регулировочная шайба (20x28x0.8) - Shim (20x28x0.8)

10 шт190 руб.
1809181-20162-000

Регулировочная шайба (20x28x0.8) - Shim (20x28x08) (Shim (20x28x0.8) ) (Shim (20x28x0.8))

10 шт190 руб.
1809181-20162-000

Регулировочная шайба (20x28x0.8) - Shim (20x28x08) (Shim (20x28x0.8) # Shim, fwd (t:0.8); Model:97 ) (Shim (20x28x0.8))

10 шт190 руб.
1809181-20023-000

Регулировочная шайба (20x28x0.9) - Shim (20x28x09) (Shim, fwd (t:0.9);) (Shim (20x28x0.9))

под заказ190 руб.
1809181-20164-000

   (актуальный код замены) Регулировочная шайба (20x28x0.9) - Shim (20x28x0.9)

10 шт190 руб.
1809181-20164-000

Регулировочная шайба (20x28x0.9) - Shim (20x28x09) (Shim (20x28x0.9) ) (Shim (20x28x0.9))

10 шт190 руб.
1809181-20164-000

Регулировочная шайба (20x28x0.9) - Shim (20x28x09) (Shim (20x28x0.9) # Shim, fwd (t:0.9); Model:97 ) (Shim (20x28x0.9))

10 шт190 руб.
1808211-20281-000

Регулировочная шайба (20x28x1) - Shim (20x28x1) (Shim (20x28x1))

под заказ190 руб.
1809181-20167-000

   (актуальный код замены) Регулировочная шайба (20x28x1) - Shim (20x28x1)

10 шт190 руб.
1809181-20167-000

Регулировочная шайба (20x28x1) - Shim (20x28x1) (Shim (20x28x1.0) ) (Shim (20x28x1))

10 шт190 руб.
1908221-22285-000

Регулировочная шайба (22x28x0.5) - Shim (22x28x05) (Shim (22x28x0.5))

под заказ210 руб.
1909181-22130-000

   (актуальный код замены) Регулировочная шайба (22x28x0.5) - Shim (22x28x0.5)

под заказ210 руб.
1909181-22130-000

Регулировочная шайба (22x28x0.5) - Shim (22x28x05) (Shim (t:0.5) ) (Shim (22x28x0.5))

под заказ210 руб.
1909181-22130-000

Регулировочная шайба (22x28x0.5) - Shim (22x28x05) (Shim (t:0.5) # Shim, rev (t:0.5); Model:97 ) (Shim (22x28x0.5))

под заказ210 руб.
1909181-22004-000

Регулировочная шайба (22x28x0.6) - Shim (22x28x06) (Shim (22x28x0.6))

под заказ0 руб.
1909181-22131-000

   (актуальный код замены) Запчасть снята с производства - The Spare Part Is Laid Off

под заказ0 руб.
1909181-22131-000

Регулировочная шайба (22x28x0.6) - Shim (22x28x06) (Shim, rev (t:0.6) ) (Shim (22x28x0.6))

под заказ0 руб.
1909181-22131-000

Регулировочная шайба (22x28x0.6) - Shim (22x28x06) (Shim, rev (t:0.6) # Shim, rev (t:0.6); Model:97 ) (Shim (22x28x0.6))

под заказ0 руб.
1909181-22005-000

Регулировочная шайба (22x28x0.7) - Shim (22x28x07) (Shim, rev (t:0.7);) (Shim (22x28x0.7))

под заказ230 руб.
1909181-22132-000

   (актуальный код замены) Регулировочная шайба (22x28x0.7) - Shim (22x28x0.7)

под заказ230 руб.
1909181-22132-000

Регулировочная шайба (22x28x0.7) - Shim (22x28x07) (Shim, rev (t:0.7) ) (Shim (22x28x0.7))

под заказ230 руб.
1909181-22132-000

Регулировочная шайба (22x28x0.7) - Shim (22x28x07) (Shim, rev (t:0.7) # Shim, rev (t:0.7); Model:97 ) (Shim (22x28x0.7))

под заказ230 руб.
1908221-22286-000

Регулировочная шайба (22x28x0.8) - Shim (22x28x08) (Shim (22x28x0.8))

под заказ0 руб.
1909181-22134-000

   (актуальный код замены) Запчасть снята с производства - The Spare Part Is Laid Off

под заказ0 руб.
1909181-22134-000

Регулировочная шайба (22x28x0.8) - Shim (22x28x08) (Shim, rev (t:0.8) ) (Shim (22x28x0.8))

под заказ0 руб.
1909181-22134-000

Регулировочная шайба (22x28x0.8) - Shim (22x28x08) (Shim, rev (t:0.8) # Shim, rev (t:0.8); Model:97 ) (Shim (22x28x0.8))

под заказ0 руб.
1909181-22006-000

Регулировочная шайба (22x28x0.9) - Shim (22x28x09) (Shim, rev (t:0.9);) (Shim (22x28x0.9))

под заказ0 руб.
1909181-22136-000

   (актуальный код замены) Запчасть снята с производства - The Spare Part Is Laid Off

под заказ0 руб.
1909181-22136-000

Регулировочная шайба (22x28x0.9) - Shim (22x28x09) (Shim, rev (t:0.9) ) (Shim (22x28x0.9))

под заказ0 руб.
1909181-22136-000

Регулировочная шайба (22x28x0.9) - Shim (22x28x09) (Shim, rev (t:0.9) # Shim, rev (t:0.9); Model:97 ) (Shim (22x28x0.9))

под заказ0 руб.
1908211-22281-000

Регулировочная шайба (22x28x1) - Shim (22x28x1) (Shim (22x28x1))

под заказ250 руб.
1909181-22139-000

   (актуальный код замены) Регулировочная шайба (22x28x1) - Shim (22x28x1)

под заказ250 руб.
1909181-22139-000

Регулировочная шайба (22x28x1) - Shim (22x28x1) (Washer (22x28x1.0) ) (Shim (22x28x1))

под заказ250 руб.
2057610-92D01-000

Запчасть снята с производства - The Spare Part Is Laid Off (The Spare Part Is Laid Off)

под заказ0 руб.
2157621-92D01-000

Запчасть снята с производства - The Spare Part Is Laid Off (The Spare Part Is Laid Off)

под заказ0 руб.
2209202-04018-000

Штифт - Pin (Pin, clutch dog shifter ) (Pin)

под заказ0 руб.
2309440-05027-000

Пружина - Spring (Spring, return; ) (Spring)

2 шт180 руб.
2409440-27011-000

Запчасть снята с производства - The Spare Part Is Laid Off (The Spare Part Is Laid Off)

под заказ0 руб.
2557631-92D00-000

Тяга толкателя - Rod, Push (Rod, Push)

под заказ0 руб.
2608331-41226-000

Стопорное кольцо - Circlip (Model:91~97) (Circlip)

под заказ170 руб.
2608331-41229-000

   (актуальный код замены) Стопорное кольцо - Circlip

под заказ170 руб.
2608331-41229-000

Стопорное кольцо - Circlip (Circlip)

под заказ170 руб.


Время выполнения запроса 2.2421009540558 сек.

 
 

данный сайт носит информационный характер и не является публичной офертой

склад запчастей для водомоторной техники