Купить комплектующие на лодочный мотор Suzuki модель 1991 года - Электрика
вконтакте

Контактный телефон: +7 (981) 121-46-93, +7 (800) 200-90-76 , Email: parts-katalog@yandex.ru, где купить

 
 

  Логин:

Пароль:

Регистрация

www.partskatalog.ru Все каталоги Запчасти Mercury Запчасти Suzuki Запчасти Tohatsu Запчасти Honda Контакты



УВАЖАЕМЫЕ КЛИЕНТЫ!
C 19 ДЕКАБРЯ 2025 ПО 02 МАРТА 2026 ГОДА ОТДЕЛ ЗАПЧАСТЕЙ И СЕРВИС РАБОТАТЬ НЕ БУДУТ
ПРОДАЖА ЛОДОЧНЫХ МОТОРОВ В ШТАТНОМ РЕЖИМЕ
ОБ ИЗМЕНЕНИЯХ В ГРАФИКЕ РАБОТЫ ЧИТАЙТЕ НА САЙТА



назад Раздел:   вперёд

Вернуться к выбору узлов мотора


ДЕТАЛИРОВКА ДЛЯ МОДЕЛИ: SUZUKI DT9.9M(E1) M

Электрика


Год выпуска двигателя: 1991

Регион: General Export No.1 ,Код региона: P01

Цвет: California Gray Metallic

Номер на
рисунке
АртикулНаименованиеQTYКол-во
на складе
Цена
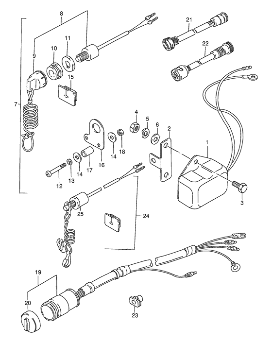
132500-95722-000

Регулятор напряжения - Regulator Assy, Voltage (Regulator assy, voltage # Regulator assy, voltage; ) (Regulator Assy, Voltage)

под заказ110400 руб.
232590-93900-000

Станина, Voltage Регулятор - Stay, Voltage Regulator (Stay, voltage ) (Stay, Voltage Regulator)

под заказ490 руб.
302162-06127-000

Винт - Screw (Screw)

под заказ150 руб.
408310-00067-000

Гайка - Nut (Nut)

под заказ140 руб.
508321-01067-000

Шайба с блокировкой - Washer, Lock (Washer, Lock)

под заказ140 руб.
608322-01067-000

Шайба - Washer (Washer)

10 шт160 руб.
737802-93910-000

Переключатель Set, Emergency - Switch Set, Emergency (Switch Set, Emergency)

под заказ0 руб.
737802-93942-000

   (актуальный код замены) Запчасть снята с производства - The Spare Part Is Laid Off

под заказ0 руб.
737802-93942-000

Переключатель Set, Emergency - Switch Set, Emergency (Switch Set, Emergency)

под заказ0 руб.
737802-93942-000

Переключатель Set, Emergency - Switch Set, Emergency (Switch Set, Emergency)

под заказ0 руб.
837820-98112-000

Выключатель аварийной остановки двигателя - Switch Assy, Emergency & Stop (Switch Assy, Emergency & Stop)

под заказ0 руб.
837830-89X52-000

   (актуальный код замены) Запчасть снята с производства - The Spare Part Is Laid Off

под заказ0 руб.
837830-89X51-000

Выключатель аварийной остановки двигателя - Switch Assy, Emergency & Stop (Switch Assy, Emergency & Stop)

под заказ0 руб.
837830-89X52-000

   (актуальный код замены) Запчасть снята с производства - The Spare Part Is Laid Off

под заказ0 руб.
937823-94400-000

Колпачок & Шнур - Cap & Rope (Cap & rope ) (Cap & Rope)

под заказ1530 руб.
937823-94401-000

   (актуальный код замены) Колпачок & Шнур - Cap & Rope

1 шт1530 руб.
1037825-89E00-000

Запчасть снята с производства - The Spare Part Is Laid Off (The Spare Part Is Laid Off)

под заказ0 руб.
1137826-89E00-000

Запчасть снята с производства - The Spare Part Is Laid Off (The Spare Part Is Laid Off)

под заказ0 руб.
1202112-04303-000

Винт - Screw (Screw)

под заказ170 руб.
1202112-0430B-000

   (актуальный код замены) Винт - Screw

под заказ170 руб.
1202112-0430B-000

Винт - Screw (Screw)

под заказ170 руб.
1308321-01043-000

Шайба с блокировкой - Washer, Lock (Washer, Lock)

под заказ140 руб.
1308321-0104A-000

   (актуальный код замены) Шайба с блокировкой - Washer, Lock

под заказ140 руб.
1308321-0104A-000

Шайба с блокировкой - Washer, Lock (Washer, Lock)

под заказ140 руб.
1409160-04016-000

Шайба (4x14x1.2) - Washer (4x14x12) (Washer (4x14x1.2))

под заказ110 руб.
1537824-92D00-000

Пыльник - Grommet (Grommet, emergency switch # Grommet, emergency switch; ) (Grommet)

под заказ0 руб.
1637950-93901-000

Запчасть снята с производства - The Spare Part Is Laid Off (The Spare Part Is Laid Off)

под заказ0 руб.
1709355-45855-600

Шланг (4.5x8.5x600) - Hose (45x85x600) (Spacer; L:600->5 ) (Hose (4.5x8.5x600))

под заказ960 руб.
1709355-45001-600

   (актуальный код замены) Шланг (4.5x8.5x600) - Hose (4.5x8.5x600)

под заказ960 руб.
1808310-00043-000

Гайка - Nut (Nut)

под заказ140 руб.
1808310-0004A-000

   (актуальный код замены) Гайка - Nut

под заказ140 руб.
1808310-0004A-000

Гайка - Nut (Nut)

под заказ140 руб.
1936630-93901-000

Жгут проводов, в сборе Remocon - Harness Assy, Wiring Remocon (Wiring harness assy ) (Harness Assy, Wiring Remocon)

под заказ7490 руб.
2036631-94300-000

Колпачок на дистанционное управление Жгут проводов - Cap, Remote Control Harness (Cap, Remote Control Harness)

под заказ390 руб.
2136641-94701-000

Adapter (n.o) - Adapter (no) (Adapter (o.n) # Adapter (o.n); ) (Adapter (n.o))

под заказ0 руб.
2236642-94703-000

Adapter (n.o) - Adapter (no) (Adapter (n.o) # Adapter (n.o); ) (Adapter (n.o))

под заказ0 руб.
2337824-98100-000

Запчасть снята с производства - The Spare Part Is Laid Off (The Spare Part Is Laid Off)

под заказ0 руб.
2437802-93941-000

Переключатель Set, Emergency - Switch Set, Emergency (~model:92) (Switch Set, Emergency)

под заказ0 руб.
2437802-93942-000

   (актуальный код замены) Запчасть снята с производства - The Spare Part Is Laid Off

под заказ0 руб.
2437802-93942-000

Переключатель Set, Emergency - Switch Set, Emergency (Switch Set, Emergency)

под заказ0 руб.
2537830-89X50-000

Выключатель аварийной остановки двигателя - Switch Assy, Emergency & Stop (Switch, emergency & stop;) (Switch Assy, Emergency & Stop)

под заказ0 руб.
2537830-89X52-000

   (актуальный код замены) Запчасть снята с производства - The Spare Part Is Laid Off

под заказ0 руб.
2537830-89X51-000

Выключатель аварийной остановки двигателя - Switch Assy, Emergency & Stop (Switch Assy, Emergency & Stop)

под заказ0 руб.
2537830-89X52-000

   (актуальный код замены) Запчасть снята с производства - The Spare Part Is Laid Off

под заказ0 руб.


Время выполнения запроса 3.5810811519623 сек.

 
 

данный сайт носит информационный характер и не является публичной офертой

склад запчастей для водомоторной техники