| |
 |
|
 |
Вернуться к выбору узлов мотора
ДЕТАЛИРОВКА ДЛЯ МОДЕЛИ: SUZUKI DT9.9CEVM(88-97) M
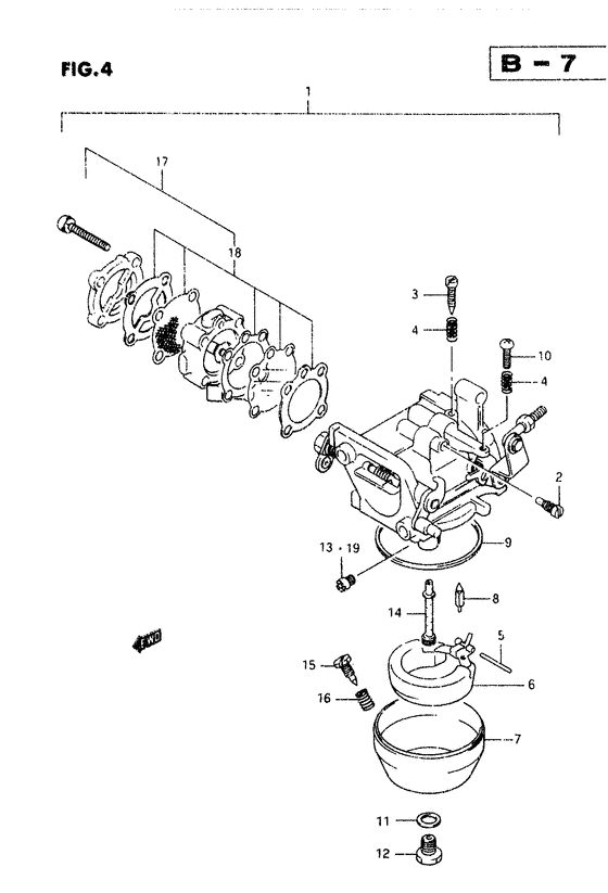
Карбюратор
Год выпуска двигателя: 1991
Номер на рисунке | Артикул | Наименование | QTY | Кол-во на складе | Цена |
| 1 | 13200-92D52-000 | Запчасть снята с производства - The Spare Part Is Laid Off (The Spare Part Is Laid Off) | | под заказ | 0 руб. |
| 2 | 09492-85001-000 | Контрольная форсунка (85) - Jet, Pilot (85) (Jet, pilot (#85) # Jet, pilot (#85); ) (Jet, Pilot (85)) | | под заказ | 0 руб. |
| 3 | 13279-90000-000 | Регулятор - Adjuster (Screw, pilot; ) (Adjuster) | | под заказ | 600 руб. |
| 4 | 13268-96110-000 | Пружина, Дроссель Винт - Spring, Throttle Screw (Spring, throttle; ~model:92) (Spring, Throttle Screw) | | под заказ | 350 руб. |
| 4 | 13268-96111-000 | (актуальный код замены) Пружина, Дроссель Винт - Spring, Throttle Screw | | под заказ | 350 руб. |
| 4 | 13268-96111-000 | Пружина, Дроссель Винт - Spring, Throttle Screw (Spring, throttle screw ) (Spring, Throttle Screw) | | под заказ | 350 руб. |
| 4 | 13268-96111-000 | Пружина, Дроссель Винт - Spring, Throttle Screw (Spring, throttle screw # Spring, throttle; Model:93~97 ) (Spring, Throttle Screw) | | под заказ | 350 руб. |
| 5 | 13254-98100-000 | Стопор поплавка - Pin, Float (Pin, float ) (Pin, Float) | | под заказ | 280 руб. |
| 6 | 13250-98110-000 | Поплавок - Float (Float) | | под заказ | 1800 руб. |
| 7 | 13245-98110-000 | Поплавок, Chamber - Float, Chamber (Chamber, float ) (Float, Chamber) | | под заказ | 5000 руб. |
| 8 | 13371-98100-000 | иголка в сборе - Needle Assy (Needle Assy) | | 2 шт | 2300 руб. |
| 9 | 13251-98100-000 | Прокладка поплавковой камеры - Gasket, Float Cahmber (Gasket, float chamber ) (Gasket, Float Cahmber) | | 16 шт | 480 руб. |
| 10 | 13267-93900-000 | Винт - Screw (Screw, throttle # Screw, throttle stop; ) (Screw) | | под заказ | 320 руб. |
| 11 | 13343-98100-000 | Прокладка - Gasket (Gasket ) (Gasket) | | под заказ | 220 руб. |
| 12 | 13613-98100-000 | Болт - Bolt (Bolt ) (Bolt) | | под заказ | 410 руб. |
| 13 | 09491-21023-000 | Главная форсунка (105) - Jet, Main (105) (Jet, main (#105) # Jet, main (#105); ) (Jet, Main (105)) | | под заказ | 810 руб. |
| 14 | 13235-92D00-000 | Главная форсунка - Nozzle, Main (~model:94) (Nozzle, Main) | | под заказ | 2160 руб. |
| 14 | 13235-91D00-000 | (актуальный код замены) Главная форсунка - Nozzle, Main | | 5 шт | 2560 руб. |
| 14 | 13235-91D00-000 | Главная форсунка - Nozzle, Main (Nozzle, Main) | | 5 шт | 2560 руб. |
| 14 | 13235-91D00-000 | Главная форсунка - Nozzle, Main (Model:95~97 ) (Nozzle, Main) | | 5 шт | 2560 руб. |
| 15 | 13616-93900-000 | Регулятор - Adjuster (Adjuster) | | под заказ | 1180 руб. |
| 16 | 13617-93900-000 | Пружина, Дроссель Винт - Spring, Throttle Screw (Spring, Throttle Screw) | | под заказ | 350 руб. |
| 16 | 13268-96111-000 | (актуальный код замены) Пружина, Дроссель Винт - Spring, Throttle Screw | | под заказ | 350 руб. |
| 16 | 13268-96111-000 | Пружина, Дроссель Винт - Spring, Throttle Screw (Spring, throttle screw ) (Spring, Throttle Screw) | | под заказ | 350 руб. |
| 16 | 13268-96111-000 | Пружина, Дроссель Винт - Spring, Throttle Screw (Spring, throttle screw # Model:93~97 ) (Spring, Throttle Screw) | | под заказ | 350 руб. |
| 17 | 15100-92D11-000 | Топливный насос, в сборе - Pump Assy, Fuel (Pump set ) (Pump Assy, Fuel) | | 1 шт | 0 руб. |
| 17 | 15100-92D12-000 | (актуальный код замены) Запчасть снята с производства - The Spare Part Is Laid Off | | под заказ | 0 руб. |
| 18 | 15170-93911-000 | Диафрагма Set, Топливный насос - Diaphragm Set, Fuel Pump (Diaphragm set ) (Diaphragm Set, Fuel Pump) | | 4 шт | 3060 руб. |
| 18 | SK15170-93911 | (не оригинальный аналог) Диафрагма топливного насоса в сборе Skipper для Suzuki DT9.9-15, DT9.9A-15A | | 0 шт | 486 руб. |
| 18 | SC-GS009 | (не оригинальный аналог) Ремкомплект топливного насоса Suzuki SC-GS009 | | 2 шт | 950 руб. |
| 19 | 09491-20011-000 | Главная форсунка (102.5) - Jet, Main (1025) (Jet, main (#102.5); Opt) (Jet, Main (102.5)) | | под заказ | 1110 руб. |
| 19 | 09491-20025-000 | (актуальный код замены) Главная форсунка (102.5) - Jet, Main (102.5) | | под заказ | 1110 руб. |
| 19 | 09491-20025-000 | Главная форсунка (102.5) - Jet, Main (1025) (Jet, main (#102.5) ) (Jet, Main (102.5)) | | под заказ | 1110 руб. |
| 19 | 09491-97007-000 | Главная форсунка (97.5) - Jet, Main (975) (Jet, main (#100); Opt) (Jet, Main (97.5)) | | под заказ | 1630 руб. |
| 19 | 09491-97004-000 | (актуальный код замены) Главная форсунка (97.5) - Jet, Main (97.5) | | под заказ | 1630 руб. |
| 19 | 09491-97004-000 | Главная форсунка (97.5) - Jet, Main (975) (Jet, main (#97.5) ) (Jet, Main (97.5)) | | под заказ | 1630 руб. |
| 19 | 09491-95008-000 | Главная форсунка (95) - Jet, Main (95) (Jet, main (#95) # Jet, main (#95); Opt ) (Jet, Main (95)) | | под заказ | 970 руб. |
Время выполнения запроса 0.93373608589172 сек. |
|