 |
|
 |
Вернуться к выбору узлов мотора
ДЕТАЛИРОВКА ДЛЯ МОДЕЛИ: SUZUKI DT9.9C VN/DT9.9CE VN
Опции : Электрика
Год выпуска двигателя: 1992
Цвет: California Gray Metallic
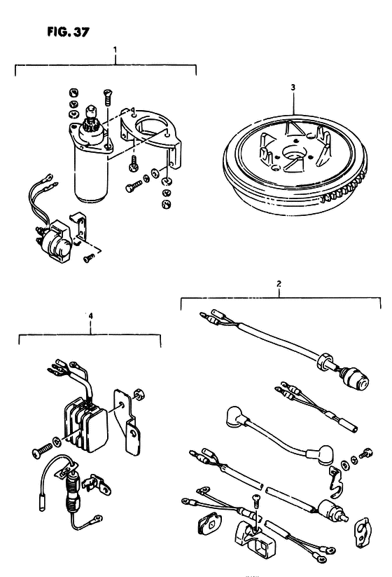
Номер на рисунке | Артикул | Наименование | QTY | Кол-во на складе | Цена |
| 1 | 31101-92D01-000 | Запчасть снята с производства - The Spare Part Is Laid Off (<-31101-92D00) (The Spare Part Is Laid Off) | | под заказ | 0 руб. |
| 2 | 33800-92D03-000 | Запчасть снята с производства - The Spare Part Is Laid Off (The Spare Part Is Laid Off) | | под заказ | 0 руб. |
| 3 | 32102-92D02-000 | Запчасть снята с производства - The Spare Part Is Laid Off (<-32102-92D01) (The Spare Part Is Laid Off) | | под заказ | 0 руб. |
| 4 | 32801-92D12-000 | Запчасть снята с производства - The Spare Part Is Laid Off (<-32801-92D10) (The Spare Part Is Laid Off) | | под заказ | 0 руб. |
Время выполнения запроса 0.59954595565796 сек. |