Найти запчасти на подвесной двигатель Suzuki модель 1992 года - Опции : Электрика
вконтакте

Контактный телефон: +7 (981) 121-46-93, +7 (800) 200-90-76 , Email: parts-katalog@yandex.ru, где купить

 
 

  Логин:

Пароль:

Регистрация

www.partskatalog.ru Все каталоги Запчасти Mercury Запчасти Suzuki Запчасти Tohatsu Запчасти Honda Контакты



УВАЖАЕМЫЕ КЛИЕНТЫ!
C 19 ДЕКАБРЯ 2025 ПО 02 МАРТА 2026 ГОДА ОТДЕЛ ЗАПЧАСТЕЙ И СЕРВИС РАБОТАТЬ НЕ БУДУТ
ПРОДАЖА ЛОДОЧНЫХ МОТОРОВ В ШТАТНОМ РЕЖИМЕ
ОБ ИЗМЕНЕНИЯХ В ГРАФИКЕ РАБОТЫ ЧИТАЙТЕ НА САЙТА



назад Раздел:   вперёд

Вернуться к выбору узлов мотора


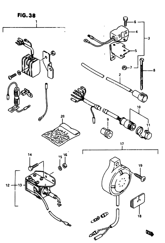
ДЕТАЛИРОВКА ДЛЯ МОДЕЛИ: SUZUKI DT9.9C VN/DT9.9CE VN

Опции : Электрика


Год выпуска двигателя: 1992

Цвет: California Gray Metallic

Номер на
рисунке
АртикулНаименованиеQTYКол-во
на складе
Цена
132801-92D01-000

Выпрямитель, установочный комплект - Rectifier Set (Rectifier set # <-32801-92D00 ) (Rectifier Set)

под заказ0 руб.
239602-93900-000

Разьем провода нагрузки - Plug Assy, Lamp Cord (Plug, lighting ) (Plug Assy, Lamp Cord)

под заказ5000 руб.
332501-92D00-000

Запчасть снята с производства - The Spare Part Is Laid Off (The Spare Part Is Laid Off)

под заказ0 руб.
432500-95722-000

Регулятор напряжения - Regulator Assy, Voltage (Regulator assy, voltage ) (Regulator Assy, Voltage)

под заказ110400 руб.
532590-92D00-000

Запчасть снята с производства - The Spare Part Is Laid Off (The Spare Part Is Laid Off)

под заказ0 руб.
601570-06127-000

Болт - Bolt (Bolt, remocon cable stopper ) (Bolt)

под заказ190 руб.
708310-00067-000

Гайка - Nut (Nut)

под заказ140 руб.
809407-20404-000

Струбцина (l: 250) - Clamp (l:250) (MODEL:96) (Clamp (l:250))

под заказ190 руб.
809407-20405-000

   (актуальный код замены) Струбцина (l: 202) - Clamp (l:202)

под заказ190 руб.
809407-25402-000

Струбцина (l: 250) - Clamp (l:250) (Clamp, tilt sw ) (Clamp (l:250))

под заказ350 руб.
809407-25402-000

Струбцина (l: 250) - Clamp (l:250) (Clamp, tilt sw # MODEL:97 ) (Clamp (l:250))

под заказ350 руб.
836632-95501-000

Струбцина (l: 250) - Clamp (l:250) (Clamp (l:250))

под заказ190 руб.
809407-20405-000

   (актуальный код замены) Струбцина (l: 202) - Clamp (l:202)

под заказ190 руб.
809407-25402-000

Струбцина (l: 250) - Clamp (l:250) (Clamp, tilt sw ) (Clamp (l:250))

под заказ350 руб.
809407-25402-000

Струбцина (l: 250) - Clamp (l:250) (Clamp, tilt sw ) (Clamp (l:250))

под заказ350 руб.
936612-92D00-000

Пыльник - Grommet (Grommet)

под заказ0 руб.
1036630-89E02-000

Жгут проводов, в сборе - Harness Assy, Wiring (Harness, wiring # <-36630-92D00 ) (Harness Assy, Wiring)

под заказ9600 руб.
1136631-94300-000

Колпачок на дистанционное управление Жгут проводов - Cap, Remote Control Harness (Cap, Remote Control Harness)

под заказ390 руб.
1238600-92D02-000

Запчасть снята с производства - The Spare Part Is Laid Off (The Spare Part Is Laid Off)

под заказ0 руб.
1338610-92D01-000

Запчасть снята с производства - The Spare Part Is Laid Off (<-38610-92D00) (The Spare Part Is Laid Off)

под заказ0 руб.
1338600-92D02-000

   (актуальный код замены) Запчасть снята с производства - The Spare Part Is Laid Off

под заказ0 руб.
1402112-05127-000

Винт - Screw (Screw, vacuum sw valve ) (Screw)

31 шт150 руб.
1508321-01057-000

Шайба с блокировкой - Washer, Lock (Washer, Lock)

под заказ140 руб.
1508321-0105A-000

   (актуальный код замены) Шайба с блокировкой - Washer, Lock

под заказ140 руб.
1508321-0105A-000

Шайба с блокировкой - Washer, Lock (Washer, Lock)

под заказ140 руб.
1608310-00057-000

Гайка - Nut (Nut)

под заказ140 руб.
1738500-92D00-000

Запчасть снята с производства - The Spare Part Is Laid Off (The Spare Part Is Laid Off)

под заказ0 руб.
1738500-92D10-000

   (актуальный код замены) Запчасть снята с производства - The Spare Part Is Laid Off

под заказ0 руб.
1738500-92D10-000

Запчасть снята с производства - The Spare Part Is Laid Off (MODEL:94~97) (The Spare Part Is Laid Off)

под заказ0 руб.
1837824-92D00-000

Пыльник - Grommet (Grommet, emergency switch ) (Grommet)

под заказ0 руб.
1903142-05253-000

под заказ730 руб.
1903142-0525B-000

   (актуальный код замены) Винт - Screw

под заказ730 руб.
1903142-0525B-000

под заказ730 руб.
2036990-87D00-000

Клемма / Гильза Set - Terminal / Sleeve Set (Terminal & sleeve set ) (Terminal / Sleeve Set)

1 шт1720 руб.


Время выполнения запроса 1.5791010856628 сек.

 
 

данный сайт носит информационный характер и не является публичной офертой

склад запчастей для водомоторной техники