Номер на рисунке | Артикул | Наименование | QTY | Кол-во на складе | Цена |
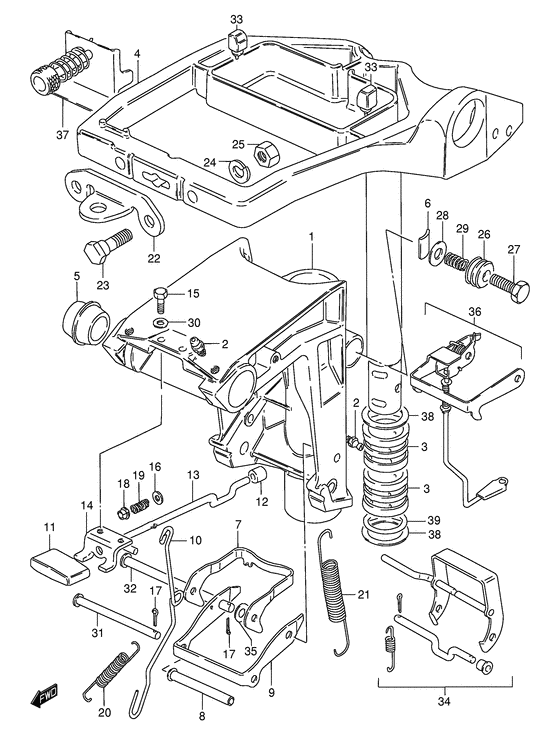
| 1 | 43111-93910-02M | (Dt9.9:~726660, dt15:~720365) | | под заказ | нет сведений |
| 1 | 09125-05050-000 | Винт (5x8) - Screw (5x8) (Screw (5x8)) | | под заказ | 150 руб. |
| 1 | 36894-94401-000 | Lead (l: 195) - Lead (l:195) (Lead (l, ll) ) (Lead (l:195)) | | под заказ | 1170 руб. |
| 1 | 43111-93923-0ED | Поворотный кронштейн - Bracket, Swivel (Bracket, Swivel) | | под заказ | 0 руб. |
| 1 | 09161-05114-000 | Шайба (5.2x11x1) - Washer (52x11x1) (Washer (5.2x11.0x1.0) ) (Washer (5.2x11x1)) | | под заказ | 290 руб. |
| 1 | 09161-05114-000 | Шайба (5.2x11x1) - Washer (52x11x1) (Washer (5.2x11.0x1.0) ) (Washer (5.2x11x1)) | | под заказ | 290 руб. |
| 1 | 43111-93923-0ED | Поворотный кронштейн - Bracket, Swivel (Dt9.9:726661~, dt15:720366~, ) (Bracket, Swivel) | | под заказ | 0 руб. |
| 2 | 22511-99010-000 | Ниппель смазки - Nipple, Grease (Nipple, grease;) (Nipple, Grease) | | под заказ | 340 руб. |
| 2 | 22511-99011-000 | (актуальный код замены) Ниппель смазки - Nipple, Grease | | 2 шт | 400 руб. |
| 2 | 22511-99011-000 | Ниппель смазки - Nipple, Grease (Nipple, Grease) | | 2 шт | 400 руб. |
| 3 | 43711-93900-000 | Запчасть снята с производства - The Spare Part Is Laid Off (~model:87) (The Spare Part Is Laid Off) | | под заказ | 0 руб. |
| 3 | 43711-93901-000 | Втулка рулевой системы - Bush, Steering (Model:88~94) (Bush, Steering) | | под заказ | 350 руб. |
| 3 | 43711-99J00-000 | (актуальный код замены) Втулка рулевой системы - Bush, Steering | | 29 шт | 370 руб. |
| 3 | 43711-99J00-000 | Втулка рулевой системы - Bush, Steering (Bush, Steering) | | 29 шт | 370 руб. |
| 4 | 43750-93908-0ED | Кронштейн рулевого управления (gray) - Bracket, Steering (gray) (Bracket, Steering (gray)) | | под заказ | 0 руб. |
| 4 | 43750-91D00-0ED | (актуальный код замены) Запчасть снята с производства - The Spare Part Is Laid Off | | под заказ | 0 руб. |
| 4 | 43750-91D00-0ED | Кронштейн рулевого управления (gray) - Bracket, Steering (gray) (Bracket, Steering (gray)) | | под заказ | 0 руб. |
| 5 | 09306-10012-000 | Запчасть снята с производства - The Spare Part Is Laid Off (The Spare Part Is Laid Off) | | под заказ | 0 руб. |
| 6 | 43411-93900-000 | Пластина рулевого управления Регулятор - Plate, Steering Adjuster (Plate, Steering Adjuster) | | под заказ | 170 руб. |
| 6 | 43411-939L0-000 | (актуальный код замены) Пластина рулевого управления Регулятор - Plate, Steering Adjuster | | 5 шт | 200 руб. |
| 6 | 43411-939L0-000 | Пластина рулевого управления Регулятор - Plate, Steering Adjuster (Plate, Steering Adjuster) | | 5 шт | 200 руб. |
| 7 | 45231-93901-000 | Рычаг блокировки реверса - Arm, Reverse Lock (Arm, Reverse Lock) | | под заказ | 790 руб. |
| 7 | 45231-90L00-000 | (актуальный код замены) Рычаг блокировки реверса - Arm, Reverse Lock | | под заказ | 990 руб. |
| 7 | 45231-90L00-000 | Рычаг блокировки реверса - Arm, Reverse Lock (Arm, Reverse Lock) | | под заказ | 990 руб. |
| 8 | 45246-93902-000 | Проставка, Рычаг блокировки задней передачи - Spacer, Reverse Lock Arm (Spacer, reverse lock arm ) (Spacer, Reverse Lock Arm) | | под заказ | 0 руб. |
| 9 | 45241-93901-000 | Тяга рычага блокировки реверса - Link, Reverse Lock Arm (Link, reverse lock arm;) (Link, Reverse Lock Arm) | | под заказ | 790 руб. |
| 9 | 45241-90L00-000 | (актуальный код замены) Тяга рычага блокировки реверса - Link, Reverse Lock Arm | | 1 шт | 1200 руб. |
| 9 | 45241-90L00-000 | Тяга рычага блокировки реверса - Link, Reverse Lock Arm (Link, Reverse Lock Arm) | | 1 шт | 1200 руб. |
| 10 | 45252-93901-000 | Тяга рычага блокировки - Link, Release Lever (Link, release lever # Link, release lever; ) (Link, Release Lever) | | под заказ | 740 руб. |
| 11 | 45255-96302-000 | Ручка освобождающего рычага - Knob, Release Lever (Knob, release lever ) (Knob, Release Lever) | | под заказ | 610 руб. |
| 12 | 45257-93900-000 | Втулка рычага блокировки - Bush, Release Lever (Bush, release lever ) (Bush, Release Lever) | | под заказ | 0 руб. |
| 13 | 45260-96300-000 | Освобождающий рычаг - Lever, Release (Lever, Release) | | под заказ | 570 руб. |
| 14 | 45311-93900-0ED | Кронштейн, Release Рычаг - Bracket, Release Lever (Bracket, release lever ) (Bracket, Release Lever) | | под заказ | 0 руб. |
| 15 | 09116-05010-000 | Болт (5x12) - Bolt (5x12) (Bolt, trim sender cam (5x12) # Bolt (5x12); ) (Bolt (5x12)) | | 7 шт | 220 руб. |
| 16 | 09160-04012-000 | Шайба (4.2x10x1) - Washer (42x10x1) (Washer (4.2x10x1) # Washer (4.2x10x1); ) (Washer (4.2x10x1)) | | под заказ | 120 руб. |
| 17 | 09204-01002-000 | Штифт - Pin (Cotter pin ) (Pin) | | 24 шт | 140 руб. |
| 18 | 09319-04001-000 | Втулка - Bush (Bush) | | под заказ | 160 руб. |
| 19 | 09440-04021-000 | Пружина - Spring (Spring) | | под заказ | 120 руб. |
| 20 | 09443-05013-000 | Пружина - Spring (Spring) | | 10 шт | 350 руб. |
| 21 | 09443-11031-000 | Пружина рычага блокировки задней передачи - Spring, Reverse Lock Arm (Spring, Reverse Lock Arm) | | под заказ | 560 руб. |
| 21 | 45212-94J01-000 | (актуальный код замены) Пружина рычага блокировки задней передачи - Spring, Reverse Lock Arm | | под заказ | 560 руб. |
| 21 | 45212-94J01-000 | Пружина рычага блокировки задней передачи - Spring, Reverse Lock Arm (Spring, Reverse Lock Arm) | | под заказ | 560 руб. |
| 21 | 45212-94J01-000 | Пружина рычага блокировки задней передачи - Spring, Reverse Lock Arm (Spring, Reverse Lock Arm) | | под заказ | 560 руб. |
| 21 | 45212-94J01-000 | Пружина рычага блокировки задней передачи - Spring, Reverse Lock Arm (Spring, Reverse Lock Arm) | | под заказ | 560 руб. |
| 21 | 45212-94J01-000 | Пружина рычага блокировки задней передачи - Spring, Reverse Lock Arm (Spring, Reverse Lock Arm) | | под заказ | 560 руб. |
| 21 | 45212-94J01-000 | Пружина рычага блокировки задней передачи - Spring, Reverse Lock Arm (Spring, Reverse Lock Arm) | | под заказ | 560 руб. |
| 22 | 43755-93900-000 | Соединитель кронштейна рулевой системы - Attachment, Steering Bracket (Attchment, bracket # Attchment, bracket; Opt ) (Attachment, Steering Bracket) | | под заказ | 0 руб. |
| 23 | 09100-08224-000 | Болт (8x35) - Bolt (8x35) (Bolt (8x35); Opt) (Bolt (8x35)) | | под заказ | 470 руб. |
| 23 | 09100-08224-XC0 | (актуальный код замены) Болт (8x35) - Bolt (8x35) | | 40 шт | 470 руб. |
| 23 | 09100-08224-XC0 | Болт (8x35) - Bolt (8x35) (Bolt (8x35)) | | 40 шт | 470 руб. |
| 24 | 09162-08007-000 | Шайба с блокировкой - Washer, Lock (Lock washer # Opt ) (Washer, Lock) | | под заказ | 160 руб. |
| 25 | 09140-08016-000 | Гайка - Nut (Opt) (Nut) | | под заказ | 190 руб. |
| 25 | 09140-08023-XC0 | Гайка - Nut (Nut) | | 14 шт | 190 руб. |
| 26 | 43412-93900-000 | Крышка регулировки рулевой системыer - Cover, Steering Adjuster (Cover, steering adjust ) (Cover, Steering Adjuster) | | под заказ | 340 руб. |
| 26 | 43412-93901-000 | (актуальный код замены) Крышка регулировки рулевой системыer - Cover, Steering Adjuster | | под заказ | 340 руб. |
| 27 | 09100-08232-000 | Болт (8x30) - Bolt (8x30) (Bolt (8x30)) | | 6 шт | 350 руб. |
| 28 | 09160-08082-000 | Шайба (8.5x16x1.2) - Washer (85x16x12) (Washer (8.5x16x1.2); ) (Washer (8.5x16x1.2)) | | 13 шт | 120 руб. |
| 29 | 09440-11022-000 | Пружина - Spring (Spring) | | под заказ | 160 руб. |
| 30 | 09160-05032-000 | Шайба (5.5x12x0.8) - Washer (55x12x08) (Washer (5.5x10x0.8);) (Washer (5.5x12x0.8)) | | под заказ | 130 руб. |
| 30 | 09160-05029-000 | (актуальный код замены) Шайба (5.5x12x0.8) - Washer (5.5x12x0.8) | | 14 шт | 130 руб. |
| 30 | 09160-05029-000 | Шайба (5.5x12x0.8) - Washer (55x12x08) (Washer (5.5x12x0.8)) | | 14 шт | 130 руб. |
| 31 | 09200-05014-000 | Штифт - Pin (Pin) | | 7 шт | 370 руб. |
| 32 | 09200-06061-000 | Штифт - Pin (Pin) | | 9 шт | 780 руб. |
| 33 | 43765-93900-000 | Подушка, Крышка Under - Cushion, Cover Under (Cushion, Cover Under) | | под заказ | 600 руб. |
| 34 | 45700-93911-000 | Shallow Drive в сборе - Shallow Drive Assy (Shallow drive assy;) (Shallow Drive Assy) | | под заказ | 6870 руб. |
| 34 | 45700-93E01-000 | (актуальный код замены) Shallow Drive в сборе - Shallow Drive Assy | | под заказ | 6870 руб. |
| 34 | 45700-93E01-000 | Shallow Drive в сборе - Shallow Drive Assy (Shallow Drive Assy) | | под заказ | 6870 руб. |
| 35 | 09160-06082-000 | Шайба (6.5x13x1.0) - Washer (65x13x10) (Washer (6.5x13x1.0)) | | 6 шт | 150 руб. |
| 36 | 45200-93901-000 | Запчасть снята с производства - The Spare Part Is Laid Off (Opt) (The Spare Part Is Laid Off) | | под заказ | 0 руб. |
| 37 | 67100-99700-000 | Соединитель Set, Strg Шнур End - Attachment Set, Strg Rope End (Opt) (Attachment Set, Strg Rope End) | | под заказ | 15220 руб. |
| 37 | 67110-99710-000 | (актуальный код замены) Соединитель Set, Strg Шнур End - Attachment Set, Strg Rope End | | под заказ | 15220 руб. |
| 37 | 67110-99710-000 | Соединитель Set, Strg Шнур End - Attachment Set, Strg Rope End (Attachment Set, Strg Rope End) | | под заказ | 15220 руб. |
| 38 | 09160-27009-000 | Шайба (27.5x47x2) - Washer (275x47x2) (Washer (27.5x47x2)) | | под заказ | 320 руб. |
| 38 | 09160-27013-000 | (актуальный код замены) Шайба (27.5x47x2) - Washer (27.5x47x2) | | 9 шт | 350 руб. |
| 38 | 09160-27013-000 | Шайба (27.5x47x2) - Washer (275x47x2) (Washer (27.5x47x2)) | | 9 шт | 350 руб. |
| 39 | 09280-27004-000 | Уплотнительное кольцо (d: 3.1, Id: 26.2) - O Ring (d:31, Id:262) (O ring (d:3.1 id:26.2); ) (O Ring (d:3.1, Id:26.2)) | | 25 шт | 150 руб. |