| |
 |
|
 |
Вернуться к выбору узлов мотора
ДЕТАЛИРОВКА ДЛЯ МОДЕЛИ: SUZUKI DT9.9S P
вход case
Год выпуска двигателя: 1993
Цвет: California Gray Metallic
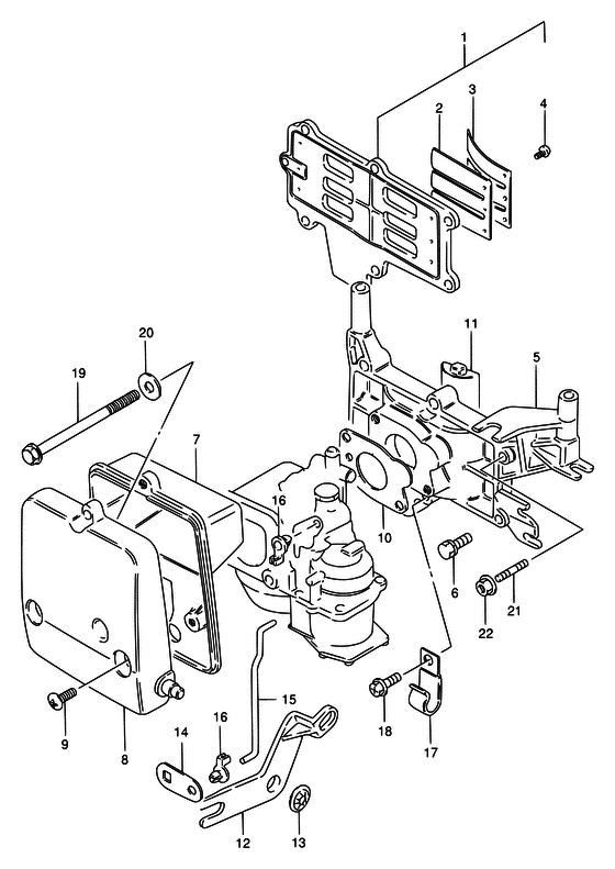
Номер на рисунке | Артикул | Наименование | QTY | Кол-во на складе | Цена |
| 1 | 13150-93900-000 | Язычковый клапан, в сборе (dt15 Gas) - Valve Assy, Reed (dt15 Gas) (DT15/15K) (Valve Assy, Reed (dt15 Gas)) | | 2 шт | 11720 руб. |
| 1 | 13150-90L00-000 | (актуальный код замены) Язычковый клапан, в сборе (dt15 Gas) - Valve Assy, Reed (dt15 Gas) | | под заказ | 11720 руб. |
| 1 | 13150-90L00-000 | Язычковый клапан, в сборе (dt15 Gas) - Valve Assy, Reed (dt15 Gas) (Valve Assy, Reed (dt15 Gas)) | | под заказ | 11720 руб. |
| 1 | 13150-93910-000 | Язычковый клапан, в сборе - Valve Assy, Reed (Reed valve assy # DT9.9 MODEL:96~00 ) (Valve Assy, Reed) | | под заказ | 15510 руб. |
| 1 | 13150-90L10-000 | (актуальный код замены) Язычковый клапан, в сборе (dt9.9 Gas) - Valve Assy, Reed (dt9.9 Gas) | | под заказ | 15510 руб. |
| 1 | 13150-93920-000 | Язычковый клапан, в сборе - Valve Assy, Reed (DT9.9 ~MODEL:95 DT9.9K ~MODEL:96~00 ) (Valve Assy, Reed) | | под заказ | 11720 руб. |
| 1 | 13150-90L20-000 | (актуальный код замены) Язычковый клапан, в сборе (dt9.9 Krsn) - Valve Assy, Reed (dt9.9 Krsn) | | под заказ | 11720 руб. |
| 2 | 13153-65010-000 | Язычковый клапан - Valve, Reed (Valve, Reed) | | под заказ | 1110 руб. |
| 2 | 13153-90L00-000 | (актуальный код замены) Язычковый клапан - Valve, Reed | | 1 шт | 1110 руб. |
| 2 | 13153-90L00-000 | Язычковый клапан - Valve, Reed (Valve, Reed) | | 1 шт | 1110 руб. |
| 3 | 13152-93900-000 | Стопор язычкового клапана - Stopper, Reed Valve (DT15/15K) (Stopper, Reed Valve) | | под заказ | 430 руб. |
| 3 | 13152-90L00-000 | (актуальный код замены) Стопор язычкового клапана - Stopper, Reed Valve | | 17 шт | 600 руб. |
| 3 | 13152-90L00-000 | Стопор язычкового клапана - Stopper, Reed Valve (Stopper, Reed Valve) | | 17 шт | 600 руб. |
| 3 | 13152-93910-000 | Стопор язычкового клапана - Stopper, Reed Valve (DT9.9 MODEL:96~00 ) (Stopper, Reed Valve) | | 1 шт | 570 руб. |
| 3 | 13152-90L10-000 | (актуальный код замены) Стопор язычкового клапана - Stopper, Reed Valve | | под заказ | 570 руб. |
| 3 | 13152-93920-000 | Стопор язычкового клапана - Stopper, Reed Valve (Stopper, reed valve # DT9.9 ~MODEL:95 DT9.9K ~MODEL:96~00 ) (Stopper, Reed Valve) | | под заказ | 430 руб. |
| 3 | 13152-90L20-000 | (актуальный код замены) Стопор язычкового клапана - Stopper, Reed Valve | | под заказ | 430 руб. |
| 4 | 02112-33063-000 | Винт - Screw (Screw) | | под заказ | 140 руб. |
| 4 | 02112-3306A-000 | (актуальный код замены) Винт - Screw | | под заказ | 140 руб. |
| 4 | 02112-3306A-000 | Винт - Screw (Screw) | | под заказ | 140 руб. |
| 5 | 12481-93902-0ED | Case, вход (gray) - Case, Inlet (gray) (<-2481-93901-0ED <-2481-93911-0ED ) (Case, Inlet (gray)) | | под заказ | 13440 руб. |
| 6 | 01570-06357-000 | Болт - Bolt (Bolt, fuel pump ) (Bolt) | | под заказ | 230 руб. |
| 7 | 13811-93950-000 | Корпус глушителя - Case, Silencer (Case, silencer ) (Case, Silencer) | | под заказ | 1180 руб. |
| 8 | 13812-93900-000 | Крышка, Глушитель - Cover, Silencer (Cover, Silencer) | | под заказ | 1110 руб. |
| 9 | 03242-05163-000 | Винт - Screw (Screw) | | под заказ | 100 руб. |
| 9 | 03241-0516A-000 | (актуальный код замены) Винт - Screw | | под заказ | 100 руб. |
| 9 | 03241-0516A-000 | Винт - Screw (Screw) | | под заказ | 100 руб. |
| 10 | 13125-91D00-000 | Прокладка карбюратора - Gasket, Carburetor (Gasket, carburetor # <-3125-93950 ) (Gasket, Carburetor) | | 10 шт | 320 руб. |
| 10 | SM-13125-91D00-000 | (не оригинальный аналог) Прокладка SM-13125-91D00-000 карбюратора | | 1 шт | 80 руб. |
| 11 | 12485-93900-000 | Piece, вход Case - Piece, Inlet Case (Piece, inlet case ) (Piece, Inlet Case) | | под заказ | 530 руб. |
| 12 | 13633-93900-000 | Рычаг заслонки - Lever, Choke (DT9.9/15 ) (Lever, Choke) | | под заказ | 390 руб. |
| 13 | 09148-06008-000 | Гайка - Nut (Nut, adjuster knob # DT9.9/15 ) (Nut) | | 4 шт | 110 руб. |
| 14 | 13633-93950-000 | Рычаг заслонки - Lever, Choke (DT9.9K/15K ) (Lever, Choke) | | под заказ | 280 руб. |
| 15 | 13634-93952-000 | Тяга дросселя Рычаг - Rod, Choke Lever (DT9.9K/15K <-3634-93951 ) (Rod, Choke Lever) | | под заказ | 450 руб. |
| 16 | 13635-93950-000 | Коннектор дроссельной заслонки - Connector, Choke (DT9.9K/15K ) (Connector, Choke) | | 19 шт | 220 руб. |
| 17 | 09403-09316-000 | Струбцина - Clamp (Clamp, tilt limit lead # DT9.9K/15K ) (Clamp) | | под заказ | 160 руб. |
| 17 | 09403-09330-000 | (актуальный код замены) Струбцина, Tilt Limit Lead - Clamp, Tilt Limit Lead | | под заказ | 160 руб. |
| 18 | 02162-05127-000 | Винт - Screw (Screw ) (Screw) | | под заказ | 150 руб. |
| 19 | 01550-06907-000 | Болт - Bolt (Bolt) | | под заказ | 290 руб. |
| 20 | 09160-06066-000 | Шайба (6.5x20x1.6) - Washer (65x20x16) (Washer, throttle lever (6.5x20x1.6) ) (Washer (6.5x20x1.6)) | | под заказ | 150 руб. |
| 21 | 01421-06307-000 | Болт под шпильку - Bolt, Stud (MODEL:99, 00 ) (Bolt, Stud) | | под заказ | 190 руб. |
| 22 | 08316-10067-000 | Гайка - Nut (MODEL:99, 00 ) (Nut) | | под заказ | 170 руб. |
Время выполнения запроса 1.4616811275482 сек. |
|