Номер на рисунке | Артикул | Наименование | QTY | Кол-во на складе | Цена |
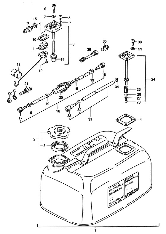
1 | 65800-95880-000 | Запчасть снята с производства - The Spare Part Is Laid Off (6 U.S.GAL, 5.1 IMP.GAL ->5800-92854) (The Spare Part Is Laid Off) | | под заказ | 0 руб. |
1 | 65800-92855-000 | (актуальный код замены) Запчасть снята с производства - The Spare Part Is Laid Off | | под заказ | 0 руб. |
2 | 65510-98512-000 | Крышка горловины топливного бака, в сборе - Cap Assy, Fuel Tank (<-5510-98507) (Cap Assy, Fuel Tank) | | под заказ | 0 руб. |
2 | 65510-92D00-000 | (актуальный код замены) Запчасть снята с производства - The Spare Part Is Laid Off | | под заказ | 0 руб. |
2 | 65510-92D00-000 | Крышка горловины топливного бака, в сборе - Cap Assy, Fuel Tank (Cap assy, separate tank ) (Cap Assy, Fuel Tank) | | под заказ | 0 руб. |
3 | 65561-98502-000 | Запчасть снята с производства - The Spare Part Is Laid Off (The Spare Part Is Laid Off) | | под заказ | 0 руб. |
4 | 65871-93010-000 | Прокладка, Fuel Gauge - Gasket, Fuel Gauge (Gasket, fuel gauge ) (Gasket, Fuel Gauge) | | под заказ | 240 руб. |
5 | 02112-06167-000 | Винт - Screw (Screw) | | под заказ | 120 руб. |
6 | 02112-06407-000 | Винт - Screw (Screw) | | под заказ | 130 руб. |
7 | 09168-06004-000 | Прокладка (6.2x11x1.2) - Gasket (62x11x12) (Washer (6x11.8x1.5) ) (Gasket (6.2x11x1.2)) | | под заказ | 120 руб. |
8 | 65850-94400-000 | (->5850-95X50 USED WITH 65720-94411 09168-12015) | | под заказ | нет сведений |
8 | 65720-94411-000 | Топливный коннектор - Connector, Fuel (Connector, Fuel) | | под заказ | 0 руб. |
8 | 65850-95X50-000 | Прибор - измеритель уровня топлива - Gauge Assy, Fuel (Gauge assy ) (Gauge Assy, Fuel) | | под заказ | 0 руб. |
8 | 09168-12015-XC0 | Прокладка (12.2x21x0.8) - Gasket (122x21x08) (Gasket (12.2x21x0.8)) | | под заказ | 350 руб. |
8 | 09168-12015-XC0 | Прокладка (12.2x21x0.8) - Gasket (122x21x08) (Gasket (12.2x21x0.8)) | | под заказ | 350 руб. |
9 | 65720-94411-000 | Топливный коннектор - Connector, Fuel (OD:13, <-5720-94410 ) (Connector, Fuel) | | под заказ | 0 руб. |
10 | 65854-93001-000 | Прокладка - Gasket (Gasket) | | под заказ | 0 руб. |
11 | 65853-93001-000 | Топливный фильтр Gauge - Strainer, Fuel Gauge (Strainer, Fuel Gauge) | | под заказ | 0 руб. |
12 | 02112-04107-000 | Винт - Screw (Screw) | | под заказ | 120 руб. |
13 | 65864-95200-000 | Запчасть снята с производства - The Spare Part Is Laid Off (The Spare Part Is Laid Off) | | под заказ | 0 руб. |
14 | 65830-95500-000 | Фильтр - Filter (Filter) | | под заказ | 1180 руб. |
15 | 09168-12001-000 | Прокладка (12.5x20x1) - Gasket (125x20x1) (Gasket ) (Gasket (12.5x20x1)) | | под заказ | 220 руб. |
16 | 65700-95206-000 | Топливный шланг (от бака до коннектора) - Hose, Fuel (tank To Conn) (->5700-87D17) (Hose, Fuel (tank To Conn)) | | под заказ | 6530 руб. |
16 | 65700-87DL2-000 | (актуальный код замены) Топливный шланг (от бака до коннектора) - Hose, Fuel (tank To Conn) | | под заказ | 6530 руб. |
16 | 65700-87DL0-000 | Топливный шланг (от бака до коннектора) - Hose, Fuel (tank To Conn) (Hose, Fuel (tank To Conn)) | | под заказ | 6530 руб. |
16 | 65700-87DL2-000 | (актуальный код замены) Топливный шланг (от бака до коннектора) - Hose, Fuel (tank To Conn) | | под заказ | 6530 руб. |
17 | 65750-98505-000 | Разъём топливного шланга - Socket, Fuel Hose (Socket, fuel hose (out) # ID:11 ) (Socket, Fuel Hose) | | 2 шт | 3240 руб. |
17 | 65750-98506-000 | (актуальный код замены) Разъём топливного шланга - Socket, Fuel Hose | | под заказ | 3240 руб. |
18 | 65750-93000-000 | Разъём топливного шланга - Socket, Fuel Hose (Socket, fuel hose # ID:13 ) (Socket, Fuel Hose) | | под заказ | 0 руб. |
18 | 65750-93001-000 | (актуальный код замены) Запчасть снята с производства - The Spare Part Is Laid Off | | под заказ | 0 руб. |
19 | 65781-98500-000 | Зажим топливного шланга - Clip, Fuel Hose (Clip, Fuel Hose) | | 9 шт | 350 руб. |
20 | 65770-99703-000 | Запчасть снята с производства - The Spare Part Is Laid Off (The Spare Part Is Laid Off) | | под заказ | 0 руб. |
20 | 65770-99704-000 | (актуальный код замены) Запчасть снята с производства - The Spare Part Is Laid Off | | под заказ | 0 руб. |
21 | 65720-98520-000 | Разъем топливного коннектора - Plug, Fuel Connector (OD:11) (Plug, Fuel Connector) | | под заказ | 3170 руб. |
21 | 65720-985L1-000 | (актуальный код замены) Разъем топливного коннектора - Plug, Fuel Connector | | 5 шт | 3950 руб. |
21 | SK65720-98520 | (не оригинальный аналог) Коннектор топливный Skipper для Suzuki DT2-65, DF9.9-15 "папа", 6 мм | | 0 шт | 836 руб. |
21 | SF80210-1 | (не оригинальный аналог) Адаптер топливный SUNFINE тип Suzuki, 7.5мм, 6720-98521 | | под заказ | 1270 руб. |
21 | 65720-985L1-000 | Разъем топливного коннектора - Plug, Fuel Connector (Plug, Fuel Connector) | | 5 шт | 3950 руб. |
22 | 08310-00107-000 | Гайка - Nut (Nut) | | под заказ | 170 руб. |
23 | 08321-01107-000 | Шайба с блокировкой - Washer, Lock (Lock washer ) (Washer, Lock) | | 9 шт | 140 руб. |
24 | 65880-95200-000 | Запчасть снята с производства - The Spare Part Is Laid Off (The Spare Part Is Laid Off) | | под заказ | 0 руб. |
25 | 65830-93301-000 | Запчасть снята с производства - The Spare Part Is Laid Off (The Spare Part Is Laid Off) | | под заказ | 0 руб. |
26 | 02112-05087-000 | Винт - Screw (Screw) | | под заказ | 120 руб. |
27 | 08321-01057-000 | Шайба с блокировкой - Washer, Lock (Washer, Lock) | | под заказ | 140 руб. |
27 | 08321-0105A-000 | (актуальный код замены) Шайба с блокировкой - Washer, Lock | | под заказ | 140 руб. |
27 | 08321-0105A-000 | Шайба с блокировкой - Washer, Lock (Washer, Lock) | | под заказ | 140 руб. |
28 | 08322-01057-000 | Шайба - Washer (Washer, front hook holder ) (Washer) | | под заказ | 140 руб. |
29 | 09168-06004-000 | Прокладка (6.2x11x1.2) - Gasket (62x11x12) (Washer (6x11.8x1.5) ) (Gasket (6.2x11x1.2)) | | под заказ | 120 руб. |
30 | 09125-06063-000 | Винт (6x10) - Screw (6x10) (<-2112-06102 ) (Screw (6x10)) | | 6 шт | 190 руб. |
31 | 65700-94350-000 | Топливный шланг (l: 3030) - Hose, Fuel (l:3030) (->5700-93941) (Hose, Fuel (l:3030)) | | под заказ | 0 руб. |
31 | 65700-93941-000 | (актуальный код замены) Запчасть снята с производства - The Spare Part Is Laid Off | | под заказ | 0 руб. |
31 | 65700-93941-000 | Топливный шланг (l: 3030) - Hose, Fuel (l:3030) (Hose, fuel (kelosene) ) (Hose, Fuel (l:3030)) | | под заказ | 0 руб. |
32 | 65781-98500-000 | Зажим топливного шланга - Clip, Fuel Hose (Clip, Fuel Hose) | | 9 шт | 350 руб. |
33 | 65750-98505-000 | Разъём топливного шланга - Socket, Fuel Hose (Socket, fuel hose (out) ) (Socket, Fuel Hose) | | 2 шт | 3240 руб. |
33 | 65750-98506-000 | (актуальный код замены) Разъём топливного шланга - Socket, Fuel Hose | | под заказ | 3240 руб. |
34 | 09401-11403-000 | Зажим - Clip (Clip # <-9401-11402 ) (Clip) | | под заказ | 190 руб. |
35 | 65720-98590-000 | Разъем топливного коннектора - Plug, Fuel Connector (Plug, fuel connector # OPT, OD:11 ) (Plug, Fuel Connector) | | 10 шт | 0 руб. |
35 | 65720-98591-000 | (актуальный код замены) Запчасть снята с производства - The Spare Part Is Laid Off | | под заказ | 0 руб. |
36 | 65700-95271-000 | Запчасть снята с производства - The Spare Part Is Laid Off (OPT, OD:11/ID:13) (The Spare Part Is Laid Off) | | под заказ | 0 руб. |
36 | 65700-95272-000 | (актуальный код замены) Запчасть снята с производства - The Spare Part Is Laid Off | | под заказ | 0 руб. |