Подобрать запчасти на подвесной двигатель Suzuki - Fuel tank
вконтакте

Контактный телефон: +7 (981) 121-46-93, +7 (800) 200-90-76 , Email: parts-katalog@yandex.ru, где купить

 
 

  Логин:

Пароль:

Регистрация

www.partskatalog.ru Все каталоги Запчасти Mercury Запчасти Suzuki Запчасти Tohatsu Запчасти Honda Контакты

назад Раздел:   вперёд

Вернуться к выбору узлов мотора


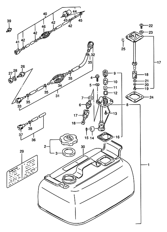
ДЕТАЛИРОВКА ДЛЯ МОДЕЛИ: SUZUKI DT9.9KL P

Топливный бак


Год выпуска двигателя: 1993

Цвет: California Gray Metallic

Номер на
рисунке
АртикулНаименованиеQTYКол-во
на складе
Цена
165800-92823-000

Запчасть снята с производства - The Spare Part Is Laid Off (6.3 U.S.GAL, 5.2 IMP.GAL) (The Spare Part Is Laid Off)

под заказ0 руб.
165800-92824-000

   (актуальный код замены) Запчасть снята с производства - The Spare Part Is Laid Off

под заказ0 руб.
265510-92D00-000

Крышка горловины топливного бака, в сборе - Cap Assy, Fuel Tank (Cap assy, separate tank ) (Cap Assy, Fuel Tank)

под заказ0 руб.
365561-92D00-000

Прокладка - Gasket (Gasket, tank cap ) (Gasket)

под заказ0 руб.
402142-06167-000

Винт - Screw (Screw ) (Screw)

8 шт110 руб.
509168-06026-000

Прокладка (6.4x11.5x0.8) - Gasket (64x115x08) (Gasket (6.4x11.5x0.8))

под заказ240 руб.
665740-95500-000

Разъем топливного коннектора - Plug, Fuel Connector (Connector, fuel ) (Plug, Fuel Connector)

под заказ2720 руб.
665740-95501-000

   (актуальный код замены) Разъем топливного коннектора - Plug, Fuel Connector

под заказ2720 руб.
709168-12015-000

Прокладка (12.2x21x0.8) - Gasket (122x21x08) (Gasket (12.2x21x0.8))

под заказ350 руб.
709168-12015-XC0

   (актуальный код замены) Прокладка (12.2x21x0.8) - Gasket (12.2x21x0.8)

под заказ350 руб.
709168-12015-XC0

Прокладка (12.2x21x0.8) - Gasket (122x21x08) (Gasket (12.2x21x0.8))

под заказ350 руб.
865850-92D01-000

Прибор - измеритель уровня топлива - Gauge Assy, Fuel (Gauge assy, fuel ) (Gauge Assy, Fuel)

под заказ0 руб.
965855-92D10-000

Крышка прибора - Cover, Gauge (Cover, Gauge)

под заказ0 руб.
1065854-92D20-000

Прокладка - Gasket (Gasket)

под заказ0 руб.
1165853-92D00-000

Lens - Lens (Lens)

под заказ0 руб.
1265854-92D30-000

Запчасть снята с производства - The Spare Part Is Laid Off (The Spare Part Is Laid Off)

под заказ0 руб.
1303222-04083-000

Винт - Screw (Screw)

под заказ140 руб.
1303221-0408A-000

   (актуальный код замены) Винт - Screw

под заказ140 руб.
1303221-0408A-000

Винт - Screw (Screw)

под заказ140 руб.
1465864-92D00-000

Запчасть снята с производства - The Spare Part Is Laid Off (The Spare Part Is Laid Off)

под заказ0 руб.
1565866-92D00-000

Push Гайка - Push Nut (Nut, push ) (Push Nut)

под заказ0 руб.
1665871-92D00-000

Прокладка, Fuel Gauge - Gasket, Fuel Gauge (Gasket, Fuel Gauge)

под заказ660 руб.
1765880-95200-000

Запчасть снята с производства - The Spare Part Is Laid Off (FOR KEROSENE) (The Spare Part Is Laid Off)

под заказ0 руб.
1865830-93301-000

Запчасть снята с производства - The Spare Part Is Laid Off (FOR KEROSENE) (The Spare Part Is Laid Off)

под заказ0 руб.
1909125-05050-000

Винт (5x8) - Screw (5x8) (FOR KEROSENE ) (Screw (5x8))

под заказ150 руб.
2008321-01057-000

Шайба с блокировкой - Washer, Lock (FOR KEROSENE) (Washer, Lock)

под заказ140 руб.
2008321-0105A-000

   (актуальный код замены) Шайба с блокировкой - Washer, Lock

под заказ140 руб.
2008321-0105A-000

Шайба с блокировкой - Washer, Lock (Washer, Lock)

под заказ140 руб.
2108322-01057-000

Шайба - Washer (Washer, front hook holder # FOR KEROSENE ) (Washer)

под заказ140 руб.
2209125-06063-000

Винт (6x10) - Screw (6x10) (Screw (6x10))

6 шт190 руб.
2309168-06026-000

Прокладка (6.4x11.5x0.8) - Gasket (64x115x08) (Gasket (6.4x11.5x0.8))

под заказ240 руб.
2465871-93010-000

Прокладка, Fuel Gauge - Gasket, Fuel Gauge (Gasket, fuel gauge ) (Gasket, Fuel Gauge)

под заказ240 руб.
2509401-11403-000

Зажим - Clip (Clip # <-9401-11402 ) (Clip)

под заказ190 руб.
2665720-98520-000

Разъем топливного коннектора - Plug, Fuel Connector (OD:13) (Plug, Fuel Connector)

под заказ3170 руб.
2665720-985L1-000

   (актуальный код замены) Разъем топливного коннектора - Plug, Fuel Connector

5 шт3950 руб.
26SK65720-98520

   (не оригинальный аналог) Коннектор топливный Skipper для Suzuki DT2-65, DF9.9-15 "папа", 6 мм

0 шт836 руб.
26SF80210-1

   (не оригинальный аналог) Адаптер топливный SUNFINE тип Suzuki, 7.5мм, 6720-98521

под заказ1270 руб.
2665720-985L1-000

Разъем топливного коннектора - Plug, Fuel Connector (Plug, Fuel Connector)

5 шт3950 руб.
2709140-10032-000

Гайка - Nut (Nut)

10 шт160 руб.
2808321-01107-000

Шайба с блокировкой - Washer, Lock (Lock washer ) (Washer, Lock)

9 шт140 руб.
2965316-93331-000

Маркировка, Fuel Caution - Mark, Fuel Caution (Mark, fuel caution ) (Mark, Fuel Caution)

под заказ0 руб.
3065317-95260-000

Маркировка, Fuel Колпачокacity (24l) - Mark, Fuel Capacity (24l) (Mark, fuel capacity (24l) ) (Mark, Fuel Capacity (24l))

под заказ0 руб.
3165700-87D17-000

Топливный шланг (от бака до коннектора) - Hose, Fuel (tank To Conn) (Hose, Fuel (tank To Conn))

под заказ6530 руб.
3165700-87DL2-000

   (актуальный код замены) Топливный шланг (от бака до коннектора) - Hose, Fuel (tank To Conn)

под заказ6530 руб.
3165700-87DL0-000

Топливный шланг (от бака до коннектора) - Hose, Fuel (tank To Conn) (Hose, Fuel (tank To Conn))

под заказ6530 руб.
3165700-87DL2-000

   (актуальный код замены) Топливный шланг (от бака до коннектора) - Hose, Fuel (tank To Conn)

под заказ6530 руб.
3165700-95532-000

Топливный шланг (от бака до коннектораector) - Hose, Fuel (tank To Connector) (E13, ->5700-95516) (Hose, Fuel (tank To Connector))

под заказ30720 руб.
3165700-955A3-000

   (актуальный код замены) Шланг Comp, Fuel (от бака до коннектора) - Hose Comp, Fuel (tank To Conn)

под заказ30720 руб.
3165700-955A0-000

Топливный шланг (от бака до коннектораector) - Hose, Fuel (tank To Connector) (Hose, Fuel (tank To Connector))

под заказ30720 руб.
3165700-955A3-000

   (актуальный код замены) Шланг Comp, Fuel (от бака до коннектора) - Hose Comp, Fuel (tank To Conn)

под заказ30720 руб.
3265750-95500-000

Разъём топливного шланга - Socket, Fuel Hose (Socket, fuel hose (in) # <-5750-95510 ) (Socket, Fuel Hose)

под заказ3700 руб.
3265750-95501-000

   (актуальный код замены) Разъём топливного шланга - Socket, Fuel Hose

2 шт3700 руб.
32SF80211-4

   (не оригинальный аналог) Коннектор топливный SUNFINE тип Suzuki, Mercury, Evinrude, Tohatsu, 10мм 3GF-70281-0

под заказ1880 руб.
3365750-98505-000

Разъём топливного шланга - Socket, Fuel Hose (Socket, fuel hose (out) ) (Socket, Fuel Hose)

2 шт3240 руб.
3365750-98506-000

   (актуальный код замены) Разъём топливного шланга - Socket, Fuel Hose

под заказ3240 руб.
3465770-95504-000

Запчасть снята с производства - The Spare Part Is Laid Off (<-5770-95532 FOR 65700-95532) (The Spare Part Is Laid Off)

под заказ0 руб.
3465770-95505-000

   (актуальный код замены) Запчасть снята с производства - The Spare Part Is Laid Off

под заказ0 руб.
3465770-95540-000

Запчасть снята с производства - The Spare Part Is Laid Off (FOR 65700-87D17) (The Spare Part Is Laid Off)

под заказ0 руб.
3465770-95541-000

   (актуальный код замены) Запчасть снята с производства - The Spare Part Is Laid Off

под заказ0 руб.
3565781-95520-000

Зажим - Clip (E13 ) (Clip)

под заказ360 руб.
3565781-98500-000

Зажим топливного шланга - Clip, Fuel Hose (Clip, Fuel Hose)

9 шт350 руб.
3665700-93941-000

Топливный шланг (l: 3030) - Hose, Fuel (l:3030) (Hose, fuel (kelosene) # FOR KEROSENE, E36 L:3030 ) (Hose, Fuel (l:3030))

под заказ0 руб.
3765750-98505-000

Разъём топливного шланга - Socket, Fuel Hose (Socket, fuel hose (out) # FOR KEROSENE ) (Socket, Fuel Hose)

2 шт3240 руб.
3765750-98506-000

   (актуальный код замены) Разъём топливного шланга - Socket, Fuel Hose

под заказ3240 руб.
3865781-98500-000

Зажим топливного шланга - Clip, Fuel Hose (FOR KEROSENE, E36 ) (Clip, Fuel Hose)

9 шт350 руб.
3965720-94401-000

Разъем топливного коннектора - Plug, Fuel Connector (FOR KEROSENE, E36) (Plug, Fuel Connector)

под заказ2480 руб.
3965720-94403-000

   (актуальный код замены) Разъем топливного коннектора - Plug, Fuel Connector

1 шт2480 руб.
3965720-94403-000

Разъем топливного коннектора - Plug, Fuel Connector (Plug, Fuel Connector)

1 шт2480 руб.
4065700-94430-000

Топливный шланг (krsn) - Hose, Fuel (krsn) (FOR KEROSENE, E36) (Hose, Fuel (krsn))

под заказ9320 руб.
4065700-94433-000

   (актуальный код замены) Топливный шланг (krsn) - Hose, Fuel (krsn)

под заказ9320 руб.
4065700-94433-000

Топливный шланг (krsn) - Hose, Fuel (krsn) (Hose, Fuel (krsn))

под заказ9320 руб.
4165750-94404-000

Разъём топливного шланга - Socket, Fuel Hose (Connector, fuel # FOR KEROSENE, E36 ) (Socket, Fuel Hose)

1 шт2130 руб.
4265781-98500-000

Зажим топливного шланга - Clip, Fuel Hose (FOR KEROSENE, E36 ) (Clip, Fuel Hose)

9 шт350 руб.
4365830-95500-000

Фильтр - Filter (FOR KEROSENE, E36 ) (Filter)

под заказ1180 руб.
4465842-94400-000

Фильтр топливного шланга - Tube, Fuel Filter (FOR KEROSENE, E36) (Tube, Fuel Filter)

под заказ600 руб.
4465842-94401-000

   (актуальный код замены) Фильтр топливного шланга - Tube, Fuel Filter

под заказ600 руб.
4465842-94401-000

Фильтр топливного шланга - Tube, Fuel Filter (Tube, Fuel Filter)

под заказ600 руб.
4509401-11407-000

Зажим - Clip (FOR KEROSENE, E36 ) (Clip)

под заказ150 руб.
4665770-95540-000

Запчасть снята с производства - The Spare Part Is Laid Off (FOR KEROSENE, E36) (The Spare Part Is Laid Off)

под заказ0 руб.
4665770-95541-000

   (актуальный код замены) Запчасть снята с производства - The Spare Part Is Laid Off

под заказ0 руб.


Время выполнения запроса 1.581640958786 сек.

 
 

данный сайт носит информационный характер и не является публичной офертой

склад запчастей для водомоторной техники