Купить запчасти на лодочный подвесной мотор SUZUKI - Swivel bracket
вконтакте

Контактный телефон: +7 (981) 121-46-93, +7 (800) 200-90-76 , Email: parts-katalog@yandex.ru, где купить

 
 

  Логин:

Пароль:

Регистрация

www.partskatalog.ru Все каталоги Запчасти Mercury Запчасти Suzuki Запчасти Tohatsu Запчасти Honda Контакты



УВАЖАЕМЫЕ КЛИЕНТЫ!
C 19 ДЕКАБРЯ 2025 ПО 02 МАРТА 2026 ГОДА ОТДЕЛ ЗАПЧАСТЕЙ И СЕРВИС РАБОТАТЬ НЕ БУДУТ
ПРОДАЖА ЛОДОЧНЫХ МОТОРОВ В ШТАТНОМ РЕЖИМЕ
ОБ ИЗМЕНЕНИЯХ В ГРАФИКЕ РАБОТЫ ЧИТАЙТЕ НА САЙТА



назад Раздел:   вперёд

Вернуться к выбору узлов мотора


ДЕТАЛИРОВКА ДЛЯ МОДЕЛИ: SUZUKI DT9.9CNEVR(88-97) R

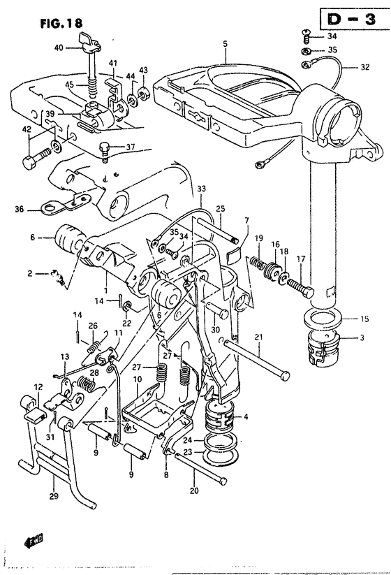
Поворотный кронштейн


Год выпуска двигателя: 1994

Регион: General Export No.1 ,Код региона: P01

Цвет: California Gray Metallic

Номер на
рисунке
АртикулНаименованиеQTYКол-во
на складе
Цена
143111-92D30-0ED

Запчасть снята с производства - The Spare Part Is Laid Off (2m 0-01t) (The Spare Part Is Laid Off)

под заказ0 руб.
222511-99010-000

Ниппель смазки - Nipple, Grease (Nipple, grease;) (Nipple, Grease)

под заказ340 руб.
222511-99011-000

   (актуальный код замены) Ниппель смазки - Nipple, Grease

9 шт400 руб.
222511-99011-000

Ниппель смазки - Nipple, Grease (Nipple, Grease)

9 шт400 руб.
343711-92D00-000

Запчасть снята с производства - The Spare Part Is Laid Off (The Spare Part Is Laid Off)

под заказ0 руб.
343710-92D00-000

   (актуальный код замены) Запчасть снята с производства - The Spare Part Is Laid Off

под заказ0 руб.
443712-92D00-000

Запчасть снята с производства - The Spare Part Is Laid Off (The Spare Part Is Laid Off)

под заказ0 руб.
543750-92D03-0ED

Кронштейн рулевого управления (gray) - Bracket, Steering (gray) (Bracket, steering # 1t ) (Bracket, Steering (gray))

под заказ27840 руб.
609306-10016-000

Втулка - Bush (Bush)

под заказ0 руб.
743411-92D00-000

Пластина рулевого управления Регулятор - Plate, Steering Adjuster (Plate, steering adjuster ) (Plate, Steering Adjuster)

под заказ0 руб.
845231-92D00-000

Запчасть снята с производства - The Spare Part Is Laid Off (The Spare Part Is Laid Off)

под заказ0 руб.
909180-05029-000

Проставка (5.5x9.5x26) - Spacer (55x95x26) (Spacer (5.5x9.5x26))

под заказ360 руб.
909180-05060-000

   (актуальный код замены) Проставка (5.5x9.5x26) - Spacer (5.5x9.5x26)

под заказ360 руб.
909180-05060-000

Проставка (5.5x9.5x26) - Spacer (55x95x26) (Spacer (5.5x9.5x26))

под заказ360 руб.
909180-05060-000

Проставка (5.5x9.5x26) - Spacer (55x95x26) (Model:97 ) (Spacer (5.5x9.5x26))

под заказ360 руб.
1045241-92D00-000

Тяга рычага блокировки реверса - Link, Reverse Lock Arm (Link, reverse lock arm ) (Link, Reverse Lock Arm)

под заказ0 руб.
1145250-92D00-000

Освобождающая тяга - Link, Release (Link, release ) (Link, Release)

под заказ0 руб.
1245255-92D10-000

Запчасть снята с производства - The Spare Part Is Laid Off (The Spare Part Is Laid Off)

под заказ0 руб.
1345261-92D02-000

Запчасть снята с производства - The Spare Part Is Laid Off (The Spare Part Is Laid Off)

под заказ0 руб.
1345261-92D11-000

Запчасть снята с производства - The Spare Part Is Laid Off (Type:sail) (The Spare Part Is Laid Off)

под заказ0 руб.
1409204-01001-000

под заказнет сведений
1409204-01002-000

Штифт - Pin (Cotter pin ) (Pin)

24 шт140 руб.
1543721-92D00-000

Запчасть снята с производства - The Spare Part Is Laid Off (The Spare Part Is Laid Off)

под заказ0 руб.
1643412-93900-000

Крышка регулировки рулевой системыer - Cover, Steering Adjuster (Cover, steering adjust ) (Cover, Steering Adjuster)

под заказ340 руб.
1643412-93901-000

   (актуальный код замены) Крышка регулировки рулевой системыer - Cover, Steering Adjuster

под заказ340 руб.
1709100-08232-000

Болт (8x30) - Bolt (8x30) (Bolt (8x30); ) (Bolt (8x30))

6 шт350 руб.
1809160-08082-000

Шайба (8.5x16x1.2) - Washer (85x16x12) (Washer (8.5x16x1.2); ) (Washer (8.5x16x1.2))

13 шт120 руб.
1909440-11022-000

Пружина - Spring (Spring)

под заказ160 руб.
2009200-05014-000

Штифт - Pin (Pin)

7 шт370 руб.
2109200-06061-000

Штифт - Pin (Pin)

9 шт780 руб.
2209160-06082-000

Шайба (6.5x13x1.0) - Washer (65x13x10) (Washer (6.5x13x1.0))

7 шт150 руб.
2309160-30046-000

Шайба (30x42x2) - Washer (30x42x2) (Washer (30x42x2))

под заказ0 руб.
2309160-30046-XC0

   (актуальный код замены) Запчасть снята с производства - The Spare Part Is Laid Off

под заказ0 руб.
2309160-30046-XC0

Шайба (30x42x2) - Washer (30x42x2) (Washer (30x42x2))

под заказ0 руб.
2409284-30001-000

Сальник (30x38x4) - Seal, Oil (30x38x4) (Oil seal (30x38x4) # Oil seal (30x38x4); ) (Seal, Oil (30x38x4))

под заказ0 руб.
2545254-92D00-000

Стопор освобождающего рычага - Pin, Release Arm (Pin, Release Arm)

под заказ0 руб.
2609443-08048-000

Запчасть снята с производства - The Spare Part Is Laid Off (The Spare Part Is Laid Off)

под заказ0 руб.
2709443-13027-000

Запчасть снята с производства - The Spare Part Is Laid Off (The Spare Part Is Laid Off)

под заказ0 руб.
2809448-13011-000

Пружина - Spring (Spring, release lever ) (Spring)

под заказ0 руб.
2945710-92D03-000

Ручка движения по мелководью - Arm, Shallow Drive (Arm, shallow drive ) (Arm, Shallow Drive)

под заказ0 руб.
2945710-92D20-000

Запчасть снята с производства - The Spare Part Is Laid Off (Dt8c:581352~ dt9.9c:581451~) (The Spare Part Is Laid Off)

под заказ0 руб.
3009200-08065-000

Запчасть снята с производства - The Spare Part Is Laid Off (The Spare Part Is Laid Off)

под заказ0 руб.
3109204-01002-000

Штифт - Pin (Cotter pin # Pin; ) (Pin)

24 шт140 руб.
3336894-95201-000

Lead (l: 165) - Lead (l:165) (Lead (l:165); Clamp to swivel ) (Lead (l:165))

под заказ1170 руб.
3409125-05050-000

Винт (5x8) - Screw (5x8) (Screw (5x8))

под заказ150 руб.
3509161-05114-000

Шайба (5.2x11x1) - Washer (52x11x1) (Washer (5.2x11.0x1.0) # Washer; ) (Washer (5.2x11x1))

под заказ290 руб.
3643514-92D02-000

Пластина рулевого управления Lock - Plate, Steering Lock (Plate, steering lock # Type:sail ) (Plate, Steering Lock)

под заказ0 руб.
3709117-05001-000

Болт - Bolt (Bolt (5x10); Type:sail) (Bolt)

под заказ190 руб.
3701570-05107-000

   (актуальный код замены) Болт - Bolt

под заказ190 руб.
3701570-05107-000

Болт - Bolt (Bolt)

под заказ190 руб.
3943511-92D02-0ED

Запчасть снята с производства - The Spare Part Is Laid Off (Type:sail) (The Spare Part Is Laid Off)

под заказ0 руб.
4043512-92D01-000

Вал, Рулевая система Lock - Shaft, Steering Lock (Shaft, steering lock # Type:sail ) (Shaft, Steering Lock)

под заказ0 руб.
4143515-92D01-000

Стопор, Рулевая система Lock Вал - Stopper, Steering Lock Shaft (Stopper, steering lock shaft # Type:sail ) (Stopper, Steering Lock Shaft)

под заказ0 руб.
4209116-08089-000

Болт (8x55) - Bolt (8x55) (Bolt (8x55); Type:sail) (Bolt (8x55))

под заказ330 руб.
4209116-08159-000

   (актуальный код замены) Болт (8x55) - Bolt (8x55)

под заказ330 руб.
4209116-08159-000

Болт (8x55) - Bolt (8x55) (Bolt (8x55))

под заказ330 руб.
4309140-08019-000

Гайка - Nut (Type:sail ) (Nut)

под заказ160 руб.
4409160-08081-000

Шайба (8.5x23x1.5) - Washer (85x23x15) (Washer, clutch lever # Type:sail ) (Washer (8.5x23x1.5))

4 шт210 руб.
4509440-11008-000

Пружина - Spring (Spring (d:1н) # Type:sail ) (Spring)

под заказ0 руб.


Время выполнения запроса 2.7397971153259 сек.

 
 

данный сайт носит информационный характер и не является публичной офертой

склад запчастей для водомоторной техники