| |
 |
|
 |
Вернуться к выбору узлов мотора
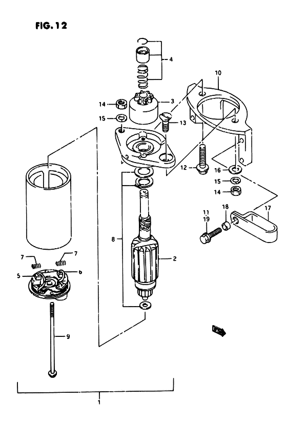
ДЕТАЛИРОВКА ДЛЯ МОДЕЛИ: SUZUKI DT9.9C VR/DT9.9CE VR
Двигатель электростартера
Год выпуска двигателя: 1994
Цвет: California Gray Metallic
Номер на рисунке | Артикул | Наименование | QTY | Кол-во на складе | Цена |
| 1 | 31100-92D11-000 | Motor, Starting - Motor, Starting (Motor assy, starting # <-31100-92D10 ) (Motor, Starting) | | под заказ | 0 руб. |
| 2 | 31310-92D10-000 | Якорь в сборе - Armature Assy (Armature Assy) | | под заказ | 45840 руб. |
| 3 | 31320-92D10-000 | | | под заказ | 0 руб. |
| 4 | 31312-92D10-000 | Комплект стопора шестерни - Stopper Set, Pinion (Stopper set, pinion ) (Stopper Set, Pinion) | | под заказ | 1780 руб. |
| 5 | 31131-89E00-000 | Щётка (+) - Brush (+) (Brush (+) # <-31131-92D10 ) (Brush (+)) | | под заказ | 1070 руб. |
| 6 | 31132-89E00-000 | Щётка (-) - Brush (-) (Brush (-) # <-31132-92D10 ) (Brush (-)) | | под заказ | 1070 руб. |
| 7 | 31135-92D10-000 | Пружина щётки Держатель - Spring, Brush Holder (Spring, Brush Holder) | | под заказ | 770 руб. |
| 8 | 31360-92D10-000 | Шайба Kit, Thrust - Washer Kit, Thrust (Washer Kit, Thrust) | | под заказ | 780 руб. |
| 9 | 31281-92D10-000 | Сквозной болт - Bolt, Through (Bolt, starter housing ) (Bolt, Through) | | под заказ | 1220 руб. |
| 10 | 31911-92D01-0ED | | | под заказ | 0 руб. |
| 11 | 02162-06257-000 | Винт - Screw (Bolt ) (Screw) | | 7 шт | 150 руб. |
| 12 | 01550-08307-000 | Болт - Bolt (Bolt) | | 21 шт | 320 руб. |
| 13 | 09126-08008-000 | Винт (8x25) - Screw (8x25) (Screw (8x25)) | | под заказ | 210 руб. |
| 14 | 08310-00087-000 | Гайка - Nut (Nut) | | под заказ | 140 руб. |
| 15 | 08321-01087-000 | Шайба с блокировкой - Washer, Lock (Washer, lock ) (Washer, Lock) | | под заказ | 140 руб. |
| 16 | 08322-01087-000 | Шайба - Washer (Lock washer ) (Washer) | | под заказ | 140 руб. |
| 17 | 33816-92D00-000 | | | под заказ | 0 руб. |
| 18 | 09180-06140-000 | Проставка (6.5x10x5) - Spacer (65x10x5) (Spacer (6.5x10x5)) | | под заказ | 150 руб. |
| 18 | 09180-06309-000 | (актуальный код замены) Проставка (6.5x10x5) - Spacer (6.5x10x5) | | под заказ | 150 руб. |
| 18 | 09180-06309-000 | Проставка (6.5x10x5) - Spacer (65x10x5) (Spacer, guide ) (Spacer (6.5x10x5)) | | под заказ | 150 руб. |
| 18 | 09180-06309-000 | Проставка (6.5x10x5) - Spacer (65x10x5) (Spacer, guide # MODEL:97 ) (Spacer (6.5x10x5)) | | под заказ | 150 руб. |
| 19 | 01550-06167-000 | Болт - Bolt (MANUAL STARTER ) (Bolt) | | 9 шт | 210 руб. |
Время выполнения запроса 1.4843101501465 сек. |
|