| |
 |
|
 |
Вернуться к выбору узлов мотора
ДЕТАЛИРОВКА ДЛЯ МОДЕЛИ: SUZUKI DT9.9C VR/DT9.9CE VR
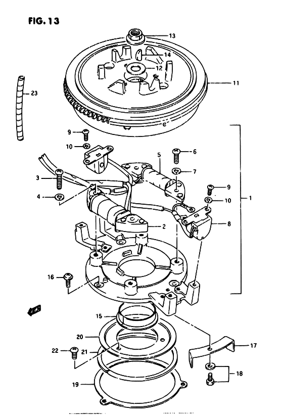
Магнето
Год выпуска двигателя: 1994
Цвет: California Gray Metallic
Номер на рисунке | Артикул | Наименование | QTY | Кол-во на складе | Цена |
| 1 | 32101-92D01-000 | (ELECTRIC STARTER) | | под заказ | 0 руб. |
| 1 | 32101-92D13-000 | (актуальный код замены) Запчасть снята с производства - The Spare Part Is Laid Off | | под заказ | 0 руб. |
| 1 | 32101-92D11-000 | (MANUAL STARTER) | | под заказ | 0 руб. |
| 1 | 32101-92D13-000 | (актуальный код замены) Запчасть снята с производства - The Spare Part Is Laid Off | | под заказ | 0 руб. |
| 1 | 32101-92D13-000 | (MANUAL STARTER MODEL:94~97) | | под заказ | 0 руб. |
| 2 | 32200-92D20-000 | Set, Lighting Coil - Set, Lighting Coil (Coil, lighting # <-32120-92D11 ) (Set, Lighting Coil) | | под заказ | 0 руб. |
| 3 | 02112-06257-000 | Винт - Screw (Screw) | | под заказ | 130 руб. |
| 4 | 08321-01067-000 | Шайба с блокировкой - Washer, Lock (Washer, Lock) | | под заказ | 140 руб. |
| 5 | 32140-92D20-000 | (MODEL:96) | | под заказ | 0 руб. |
| 6 | 02112-06207-000 | Винт - Screw (Screw) | | под заказ | 130 руб. |
| 7 | 08321-01067-000 | Шайба с блокировкой - Washer, Lock (Washer, Lock) | | под заказ | 140 руб. |
| 8 | 32160-92D10-000 | (<-32160-92D00) | | под заказ | 0 руб. |
| 9 | 02112-05107-000 | Винт - Screw (Screw, bracket ) (Screw) | | под заказ | 120 руб. |
| 10 | 08322-01057-000 | Шайба - Washer (Washer, front hook holder ) (Washer) | | под заказ | 140 руб. |
| 11 | 32102-92D02-000 | (<-32102-92D01 <-32102-92D12) | | под заказ | 0 руб. |
| 12 | 09160-12080-000 | Шайба (12x25x4) - Washer (12x25x4) (Washer, flywheel ) (Washer (12x25x4)) | | под заказ | 320 руб. |
| 13 | 09140-12038-000 | Гайка - Nut (Nut) | | 9 шт | 240 руб. |
| 14 | 08341-31039-000 | Ключ - Key (Key) | | 86 шт | 180 руб. |
| 15 | 32390-92D00-000 | | | под заказ | 0 руб. |
| 16 | 02142-05123-000 | Винт - Screw (Screw) | | под заказ | 110 руб. |
| 16 | 02142-0512A-000 | (актуальный код замены) Винт - Screw | | под заказ | 110 руб. |
| 16 | 02142-0512A-000 | Винт - Screw (Screw, lower ) (Screw) | | под заказ | 110 руб. |
| 17 | 19172-92D12-000 | Стопор, Стартер - Stopper, Starter (DT9.9C) (Stopper, Starter) | | под заказ | 480 руб. |
| 17 | 19172-92D13-000 | (актуальный код замены) Стопор, Стартер - Stopper, Starter | | под заказ | 480 руб. |
| 17 | 19172-92D13-000 | Стопор, Стартер - Stopper, Starter (Stopper, Starter) | | под заказ | 480 руб. |
| 17 | 19172-92D13-000 | Стопор, Стартер - Stopper, Starter (MODEL:96, 97 ) (Stopper, Starter) | | под заказ | 480 руб. |
| 17 | 19172-92D21-000 | (DT8C <-19172-92D20) | | под заказ | 0 руб. |
| 17 | 19172-92D22-000 | (актуальный код замены) Запчасть снята с производства - The Spare Part Is Laid Off | | под заказ | 0 руб. |
| 17 | 19172-92D22-000 | (DT8C, MODEL:96, 97) | | под заказ | 0 руб. |
| 18 | 02162-05107-000 | Винт - Screw (Screw) | | под заказ | 150 руб. |
| 19 | 19181-92D00-000 | Friction, Стартер - Friction, Starter (Friction, Starter) | | под заказ | 0 руб. |
| 20 | 19151-92D00-000 | Фиксатор, Стартер - Retainer, Starter (Retainer, Starter) | | под заказ | 0 руб. |
| 21 | 19161-92D00-000 | Проставка, Стартер - Spacer, Starter (Spacer, Starter) | | под заказ | 0 руб. |
| 22 | 02112-06107-000 | Винт - Screw (MODEL:94~97 ) (Screw) | | под заказ | 120 руб. |
| 22 | 09125-06063-000 | Винт (6x10) - Screw (6x10) (Screw (6x10)) | | 6 шт | 190 руб. |
| 23 | 38423-95510-000 | Трубка провода переключателя (l: 250) - Tube, Switch Lead (l:250) (L:150->100) (Tube, Switch Lead (l:250)) | | под заказ | 610 руб. |
| 23 | 33833-91J00-000 | (актуальный код замены) Трубка провода переключателя (l: 250) - Tube, Switch Lead (l:250) | | под заказ | 610 руб. |
| 23 | 33833-91J00-000 | Трубка провода переключателя (l: 250) - Tube, Switch Lead (l:250) (Tube, Switch Lead (l:250)) | | под заказ | 610 руб. |
Время выполнения запроса 2.5537490844727 сек. |
|