| |
 |
|
 |
Вернуться к выбору узлов мотора
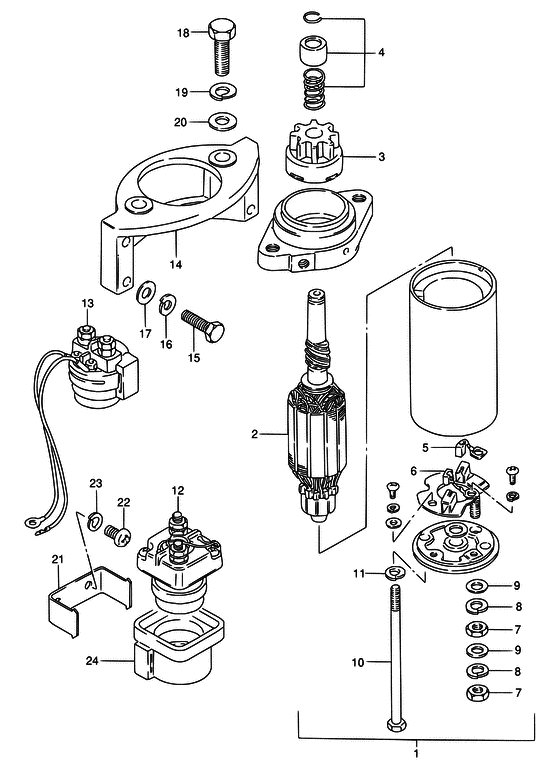
ДЕТАЛИРОВКА ДЛЯ МОДЕЛИ: SUZUKI DT9.9KL R
Двигатель электростартера
Год выпуска двигателя: 1994
Номер на рисунке | Артикул | Наименование | QTY | Кол-во на складе | Цена |
| 1 | 31100-93531-000 | (->1100-93810) | | под заказ | 0 руб. |
| 1 | 31100-89E01-000 | Двигатель электростартера в сборе - Motor Assy, Starting (Motor, starting ) (Motor Assy, Starting) | | под заказ | 92160 руб. |
| 1 | 33810-92D00-000 | Кабель стартера - Cable, Starter (Cable, Starter) | | под заказ | 8020 руб. |
| 2 | 31311-93530-000 | (->1300-93810) | | под заказ | 0 руб. |
| 2 | 31300-93810-000 | (актуальный код замены) Запчасть снята с производства - The Spare Part Is Laid Off | | под заказ | 0 руб. |
| 3 | 31320-93530-000 | | | под заказ | 0 руб. |
| 4 | 31312-93530-000 | | | под заказ | 0 руб. |
| 5 | 31131-93530-000 | | | под заказ | 0 руб. |
| 6 | 31132-93530-000 | Щётка (-) - Brush (-) (Brush (-)) | | под заказ | 0 руб. |
| 7 | 08310-00067-000 | Гайка - Nut (Nut) | | под заказ | 140 руб. |
| 8 | 08321-01067-000 | Шайба с блокировкой - Washer, Lock (Washer, Lock) | | под заказ | 140 руб. |
| 9 | 08322-01067-000 | Шайба - Washer (Washer) | | 10 шт | 160 руб. |
| 10 | 31281-93530-000 | | | под заказ | 0 руб. |
| 11 | 08321-01057-000 | Шайба с блокировкой - Washer, Lock (Washer, Lock) | | под заказ | 140 руб. |
| 11 | 08321-0105A-000 | (актуальный код замены) Шайба с блокировкой - Washer, Lock | | под заказ | 140 руб. |
| 11 | 08321-0105A-000 | Шайба с блокировкой - Washer, Lock (Washer, Lock) | | под заказ | 140 руб. |
| 12 | 31800-95502-000 | Реле в сборе, Двигатель электростартера - Relay Assy, Starting Motor (->1800-94401) (Relay Assy, Starting Motor) | | под заказ | 12960 руб. |
| 12 | 31800-94401-000 | (актуальный код замены) Реле в сборе, Двигатель электростартера - Relay Assy, Starting Motor | | 2 шт | 14140 руб. |
| 12 | 31800-94401-000 | Реле в сборе, Двигатель электростартера - Relay Assy, Starting Motor (Relay, starter ) (Relay Assy, Starting Motor) | | 2 шт | 14140 руб. |
| 13 | 31800-94401-000 | Реле в сборе, Двигатель электростартера - Relay Assy, Starting Motor (Relay, starter # SERVISE ONLY PART <-1800-94400 ) (Relay Assy, Starting Motor) | | 2 шт | 14140 руб. |
| 14 | 31911-93902-0ED | (<-1911-93902-02M) | | под заказ | 0 руб. |
| 15 | 01500-06257-000 | Болт - Bolt (Bolt) | | под заказ | 150 руб. |
| 16 | 08321-01067-000 | Шайба с блокировкой - Washer, Lock (Washer, Lock) | | под заказ | 140 руб. |
| 17 | 08322-01067-000 | Шайба - Washer (Washer) | | 10 шт | 160 руб. |
| 18 | 01500-08257-000 | Болт - Bolt (Bolt) | | под заказ | 190 руб. |
| 19 | 08321-01087-000 | Шайба с блокировкой - Washer, Lock (Washer, lock ) (Washer, Lock) | | под заказ | 140 руб. |
| 20 | 08322-01087-000 | Шайба - Washer (Lock washer ) (Washer) | | под заказ | 140 руб. |
| 21 | 31805-95501-000 | Кронштейн, Двигатель электростартера Реле - Bracket, Starting Motor Relay (Bracket, starter relay ) (Bracket, Starting Motor Relay) | | под заказ | 390 руб. |
| 22 | 02112-05087-000 | Винт - Screw (Screw) | | под заказ | 120 руб. |
| 23 | 08321-01057-000 | Шайба с блокировкой - Washer, Lock (Washer, Lock) | | под заказ | 140 руб. |
| 23 | 08321-0105A-000 | (актуальный код замены) Шайба с блокировкой - Washer, Lock | | под заказ | 140 руб. |
| 23 | 08321-0105A-000 | Шайба с блокировкой - Washer, Lock (Washer, Lock) | | под заказ | 140 руб. |
| 24 | 38422-94520-000 | (<-8422-94510) | | под заказ | 0 руб. |
Время выполнения запроса 0.93284106254578 сек. |
|