Запчасти Suzuki модель 1994 года - Картер коробки передач - Gear case
вконтакте

Контактный телефон: +7 (981) 121-46-93, +7 (800) 200-90-76 , Email: parts-katalog@yandex.ru, где купить

 
 

  Логин:

Пароль:

Регистрация

www.partskatalog.ru Все каталоги Запчасти Mercury Запчасти Suzuki Запчасти Tohatsu Запчасти Honda Контакты



УВАЖАЕМЫЕ КЛИЕНТЫ!
C 19 ДЕКАБРЯ 2025 ПО 02 МАРТА 2026 ГОДА ОТДЕЛ ЗАПЧАСТЕЙ И СЕРВИС РАБОТАТЬ НЕ БУДУТ
ПРОДАЖА ЛОДОЧНЫХ МОТОРОВ В ШТАТНОМ РЕЖИМЕ
ОБ ИЗМЕНЕНИЯХ В ГРАФИКЕ РАБОТЫ ЧИТАЙТЕ НА САЙТА



назад Раздел:   вперёд

Вернуться к выбору узлов мотора


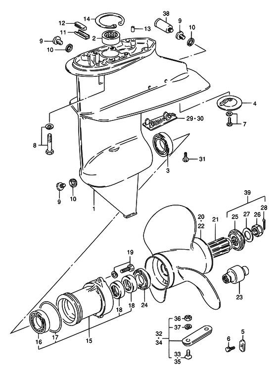
ДЕТАЛИРОВКА ДЛЯ МОДЕЛИ: SUZUKI DT9.9S R

Картер коробки передач


Год выпуска двигателя: 1994

Цвет: California Gray Metallic

Номер на
рисунке
АртикулНаименованиеQTYКол-во
на складе
Цена
155100-93930-0ED

Корпус редутора - Case Assy, Gear (<-5100-93911-0ED <-5100-93930-02M) (Case Assy, Gear)

под заказ70560 руб.
155100-90L01-0ED

   (актуальный код замены) Корпус редутора - Case Assy, Gear

под заказ70560 руб.
155100-90L00-0ED

Корпус редутора - Case Assy, Gear (Case Assy, Gear)

под заказ70560 руб.
155100-90L01-0ED

   (актуальный код замены) Корпус редутора - Case Assy, Gear

под заказ70560 руб.
209263-15019-000

Подшипник (15x21x12) - Bearing (15x21x12) (Bearing (15x21x12) ) (Bearing (15x21x12))

3 шт1300 руб.
308113-62057-000

Подшипник - Bearing (MODEL:86~89 ) (Bearing)

под заказ1950 руб.
309262-25003-000

Подшипник (25x52x15) - Bearing (25x52x15) (Bearing (25x52x15) # MODEL:90~00 ) (Bearing (25x52x15))

16 шт2510 руб.
36205NNTN

   (подбор по маркировке) Подшипник NTN 6205N(25*52*15 мм)

под заказ0
455321-93900-000

Zinc, Protection - Zinc, Protection (Zinc, Protection)

под заказ540 руб.
455321-939L0-000

   (актуальный код замены) Zinc, Protection

2 шт540 руб.
541811-98500-000

Zinc, Protection - Zinc, Protection (MODEL:94~00) (Zinc, Protection)

3 шт540 руб.
555321-90L00-000

   (актуальный код замены) Zinc, Protection

под заказ540 руб.
555321-90L00-000

Zinc, Protection - Zinc, Protection (Zinc, Protection)

под заказ540 руб.
609116-06105-000

Болт (6x15) - Bolt (6x15) (Bolt (6x15))

под заказ230 руб.
609116-06094-000

   (актуальный код замены) Болт (6x15) - Bolt (6x15)

20 шт270 руб.
609116-06094-000

Болт (6x15) - Bolt (6x15) (Bolt (6x15))

20 шт270 руб.
709116-06094-000

Болт (6x15) - Bolt (6x15) (Bolt (6x15))

20 шт270 руб.
809117-08047-000

Болт (8x30) - Bolt (8x30) (Bolt (8x30))

10 шт520 руб.
909248-10008-000

Заглушка (10x7.5) - Plug (10x75) (<-9248-10005 ) (Plug (10x7.5))

120 шт500 руб.
1009168-10022-000

Прокладка (10x17x1.5) - Gasket (10x17x15) (Gasket (10x17x1.5))

2205 шт150 руб.
1155331-93901-000

Основание выхлопного сальника - Core, Exhaust Seal (Core, exhaust seal ) (Core, Exhaust Seal)

под заказ220 руб.
1255332-92D00-000

Резинка выхлопного сальника - Rubber, Exhaust Seal (Rubber, exhaust seal # <-5332-93900 ) (Rubber, Exhaust Seal)

под заказ430 руб.
1255332-92D01-000

   (актуальный код замены) Резинка выхлопного сальника - Rubber, Exhaust Seal

2 шт570 руб.
1309202-06023-000

Штифт (6x10) - Pin (6x10) (Pin (6x10))

6 шт290 руб.
1408331-41326-000

Стопорное кольцо - Circlip (Circlip)

под заказ170 руб.
1408331-41329-000

   (актуальный код замены) Стопорное кольцо - Circlip

под заказ170 руб.
1408331-41329-000

Стопорное кольцо - Circlip (Circlip)

под заказ170 руб.
1556120-93900-0ED

Корпус подшипника вала гребного винта - Housing, Propeller Sft Brg (<-6120-93900-02M) (Housing, Propeller Sft Brg)

под заказ0 руб.
1556120-90L02-0ED

   (актуальный код замены) Запчасть снята с производства - The Spare Part Is Laid Off

под заказ0 руб.
1556120-90L01-0ED

Корпус подшипника вала гребного винта - Housing, Propeller Sft Brg (Housing, Propeller Sft Brg)

под заказ0 руб.
1556120-90L02-0ED

   (актуальный код замены) Запчасть снята с производства - The Spare Part Is Laid Off

под заказ0 руб.
1608110-60050-000

Подшипник - Bearing (Bearing ) (Bearing)

6 шт1960 руб.
16SC-BR011

   (не оригинальный аналог) Подшипник шестерни заднего хода Yamaha SC-BR011

под заказ1160 руб.
1709280-57002-000

Уплотнительное кольцо (d: 3.5, Id: 65.2) - O Ring (d:35, Id:652) (O ring (d:3.5 id:56.5) ) (O Ring (d:3.5, Id:65.2))

42 шт220 руб.
17SK09280-57002

   (не оригинальный аналог) Кольцо уплотнительное обоймы гребного вала Skipper для Suzuki Модели техники: DT9.9-15HP, DF9.9-15HP, DF8A-20A

0 шт88 руб.
17SC-RB010

   (не оригинальный аналог) Кольцо резиновое Suzuki SSC-RB010

под заказ250 руб.
1809289-17006-000

Сальник (17x30x6) - Seal, Oil (17x30x6) (Seal, Oil (17x30x6))

4 шт370 руб.
1809289-17L02-000

   (актуальный код замены) Сальник (17x30x6) - Seal, Oil (17x30x6)

158 шт370 руб.
18SK09289-17006

   (не оригинальный аналог) Сальник гребного вала Skipper для Suzuki Модели техники: DT/DF9.9-15, DF8A-DF9.9A

2 шт116 руб.
18SC-OL003

   (не оригинальный аналог) Сальник редуктора Yamaha SC-OL003

под заказ230 руб.
18SC-OL002

   (не оригинальный аналог) Сальник редуктора Yamaha SC-OL002

под заказ230 руб.
1809289-17L02-000

Сальник (17x30x6) - Seal, Oil (17x30x6) (Seal, Oil (17x30x6))

158 шт370 руб.
1909117-06031-000

Болт (6x20) - Bolt (6x20) (Bolt (6x20) ) (Bolt (6x20))

под заказ270 руб.
2058110-93900-019

Гребной винт (3x9-1 / 4x7) - Propeller (3x9-1/4x7) (MODEL:86~88 ->8100-93703-019) (Propeller (3x9-1/4x7))

под заказ20500 руб.
2058100-89L00-019

   (актуальный код замены) Гребной винт (3x9-1 / 4x7) (m701) - Propeller (3x9-1/4x7) (m701)

8 шт20500 руб.
2058100-89L00-019

Гребной винт (3x9-1 / 4x7) - Propeller (3x9-1/4x7) (Propeller (3x9-1/4x7))

8 шт20500 руб.
20SK58100-89L00-019

   (не оригинальный аналог) Винт гребной Skipper Ultima для Suzuki 8-20HP алюминиевый,диаметр 9 1/4", шаг 7"

0 шт3145 руб.
2158120-93901-000

Втулка гребного винта - Bush, Propeller (Bush, propeller # MODEL:86~88 ) (Bush, Propeller)

под заказ6290 руб.
2258100-91D00-019

Гребной винт (3x9-1 / 4x8) - Propeller (3x9-1/4x8) (<-8100-93753-019) (Propeller (3x9-1/4x8))

1 шт20500 руб.
2258100-90L41-019

   (актуальный код замены) Гребной винт (3x235x203) - Propeller (3x235x203)

2 шт20500 руб.
2258100-90L40-019

Гребной винт (3x9-1 / 4x8) - Propeller (3x9-1/4x8) (Propeller (3x9-1/4x8))

1 шт20500 руб.
2258100-90L41-019

   (актуальный код замены) Гребной винт (3x235x203) - Propeller (3x235x203)

2 шт20500 руб.
2258100-93703-019

Гребной винт (3x9-1 / 4x7) - Propeller (3x9-1/4x7) (Propeller (3x9-1/4x7))

7 шт20500 руб.
2258100-89L00-019

   (актуальный код замены) Гребной винт (3x9-1 / 4x7) (m701) - Propeller (3x9-1/4x7) (m701)

8 шт20500 руб.
2258100-89L00-019

Гребной винт (3x9-1 / 4x7) - Propeller (3x9-1/4x7) (Propeller (3x9-1/4x7))

8 шт20500 руб.
22SK58100-89L00-019

   (не оригинальный аналог) Винт гребной Skipper Ultima для Suzuki 8-20HP алюминиевый,диаметр 9 1/4", шаг 7"

0 шт3145 руб.
2258100-93723-019

Гребной винт (3x9-1 / 4x9) - Propeller (3x9-1/4x9) (Propeller (3x9-1/4x9))

под заказ20500 руб.
22NEY-S9-20-S09

   (не оригинальный аналог) Композитный гребной винт NEY-S9-20-S09 шаг 9 на Suzuki DF9.9B, DF15B, DF20B, DT9.9, DT15, DT9.9A. DT15A

2 шт3000 руб.
2258100-89L20-019

   (актуальный код замены) Гребной винт (3x9-1 / 4x9) (m930) - Propeller (3x9-1/4x9) (m930)

2 шт20500 руб.
2258100-89L20-019

Гребной винт (3x9-1 / 4x9) - Propeller (3x9-1/4x9) (Propeller (3x9-1/4x9))

2 шт20500 руб.
2258100-93733-019

Гребной винт (3x9-1 / 4x10) - Propeller (3x9-1/4x10) (Propeller (3x9-1/4x10))

под заказ20500 руб.
22NEY-S9-20-S10

   (не оригинальный аналог) Композитный гребной винт NEY-S9-20-S10 шаг 10 на Suzuki DF9.9B, DF15B, DF20B, DT9.9, DT15, DT9.9A. DT15A

12 шт3000 руб.
2258100-89L60-019

   (актуальный код замены) Гребной винт (3x235x254) - Propeller (3x235x254)

16 шт20500 руб.
22SMO-58100-89L60-019

   (не оригинальный аналог) Гребной винт SMO-58100-89L60-019 (3X9-1 / 4X10) (M1001) (чёрный) (потертость на втулке, см. фото)

1 шт14000 руб.
22SMO-58100-89L60-019

  (аналог) Гребной винт SMO-58100-89L60-019 (3X9-1 / 4X10) (M1001) (чёрный) (потертость на втулке, см. фото) - код 58100-89L60-019

 1 шт шт14000 руб.
2258100-89L30-019

Гребной винт (3x9-1 / 4x10) - Propeller (3x9-1/4x10) (Propeller (3x9-1/4x10))

под заказ20500 руб.
2258100-89L60-019

   (актуальный код замены) Гребной винт (3x235x254) - Propeller (3x235x254)

16 шт20500 руб.
22SMO-58100-89L60-019

  (аналог) Гребной винт SMO-58100-89L60-019 (3X9-1 / 4X10) (M1001) (чёрный) (потертость на втулке, см. фото) - код 58100-89L60-019

 1 шт шт14000 руб.
2258100-93743-019

Гребной винт (3x9-1 / 4x11) - Propeller (3x9-1/4x11) (Propeller (3x9-1/4x11))

1 шт20500 руб.
22RTP-3AJ11-SU

   (не оригинальный аналог) Гребной винт RTP-3AJ11-SU (3x9-1/4x11) шаг 11 на Suzuki 9-20 л.с.

под заказ4900 руб.
2258100-89L70-019

   (актуальный код замены) Гребной винт (3x9-1 / 4x11) - Propeller (3x9-1/4x11)

3 шт20500 руб.
2258100-89L70-019-CG

  (аналог) Гребной винт 58100-89L70-019-CG (3x9.25x11) на лодочные моторы Suzuki 9.9-15 л.с. - код 58100-89L70-019

 4 шт шт5500 руб.
2258100-89L40-019

Гребной винт (3x9-1 / 4x11) - Propeller (3x9-1/4x11) (Propeller (3x9-1/4x11))

под заказ20500 руб.
2258100-89L70-019

   (актуальный код замены) Гребной винт (3x9-1 / 4x11) - Propeller (3x9-1/4x11)

3 шт20500 руб.
2258100-89L70-019-CG

  (аналог) Гребной винт 58100-89L70-019-CG (3x9.25x11) на лодочные моторы Suzuki 9.9-15 л.с. - код 58100-89L70-019

 4 шт шт5500 руб.
2258100-93763-019

Гребной винт (3x9-1 / 4x9) - Propeller (3x9-1/4x9) (Propeller (3x9-1/4x9))

1 шт20500 руб.
2258100-90L50-019

   (актуальный код замены) Гребной винт (3x9-1 / 4x9) (m911) - Propeller (3x9-1/4x9) (m911)

2 шт20500 руб.
2258100-90L50-019

Гребной винт (3x9-1 / 4x9) - Propeller (3x9-1/4x9) (Propeller (3x9-1/4x9))

2 шт20500 руб.
22SK58100-90L50-019

   (не оригинальный аналог) Винт гребной Skipper Ultima для Suzuki 8-20HP алюминиевый, диаметр 9 1/4", шаг 9"

1 шт2510 руб.
2258100-93773-019

Гребной винт (3x9-1 / 4x10) - Propeller (3x9-1/4x10) (Propeller (3x9-1/4x10))

под заказ20500 руб.
2258100-90L60-019

   (актуальный код замены) Гребной винт (3x9-1 / 4x10) (m1011) - Propeller (3x9-1/4x10) (m1011)

4 шт20500 руб.
2258100-90L21-019

Гребной винт (3x9-1 / 4x10) - Propeller (3x9-1/4x10) (Propeller (3x9-1/4x10))

под заказ20500 руб.
2258100-90L60-019

   (актуальный код замены) Гребной винт (3x9-1 / 4x10) (m1011) - Propeller (3x9-1/4x10) (m1011)

4 шт20500 руб.
2358120-93701-000

Втулка гребного винта - Bush, Propeller (Bush, Propeller)

1 шт4720 руб.
2457632-93901-000

Стопор втулки гребного винта - Stopper, Propeller Bush (<-7632-93900) (Stopper, Propeller Bush)

под заказ3700 руб.
24SMO-57632-94J00-000

   (не оригинальный аналог) Стопор SMO-57632-94J00-000 втулки гребного винта (оригинал)

под заказ2700 руб.
2457632-94J00-000

   (актуальный код замены) Стопор втулки гребного винта - Stopper, Propeller Bush

2 шт4040 руб.
2457632-94J00-000

Стопор втулки гребного винта - Stopper, Propeller Bush (Stopper, Propeller Bush)

2 шт4040 руб.
2457632-93902-000

Стопор втулки гребного винта - Stopper, Propeller Bush (MODEL:00) (Stopper, Propeller Bush)

под заказ3700 руб.
2457632-94J00-000

   (актуальный код замены) Стопор втулки гребного винта - Stopper, Propeller Bush

2 шт4040 руб.
2457632-94J00-000

Стопор втулки гребного винта - Stopper, Propeller Bush (Stopper, Propeller Bush)

2 шт4040 руб.
2557633-93900-000

Проставка гайки гребного винта - Spacer, Propeller Nut (Spacer, Propeller Nut)

под заказ3030 руб.
2557633-93901-000

   (актуальный код замены) Проставка гайки гребного винта - Spacer, Propeller Nut

1 шт3030 руб.
2557633-93901-000

Проставка гайки гребного винта - Spacer, Propeller Nut (Spacer, Propeller Nut)

1 шт3030 руб.
2609141-12005-000

Гайка - Nut (MODEL:94~00 ) (Nut)

26 шт880 руб.
26RTT-09141-12005

   (не оригинальный аналог) Гайка RTT-09141-12005 гребного винта

2 шт350 руб.
26SK09141-12005

   (не оригинальный аналог) Гайка крепления гребного винта Skipper для Suzuki DT9.9-15/DF8A-20A

0 шт158 руб.
2609159-12014-000

Гайка - Nut (Nut)

18 шт370 руб.
2709160-12066-000

Шайба (12.5x22x2.5) - Washer (125x22x25) (Washer (12.5x22x2.5) # <-9160-12033 ) (Washer (12.5x22x2.5))

19 шт150 руб.
2809204-02004-000

Штифт - Pin (Pin, cotter ) (Pin)

4 шт140 руб.
28SK09204-02004

   (не оригинальный аналог) Шплинт гайки гребного винта Skipper для Suzuki DT9.9-15/DF8-20

0 шт84 руб.
2917631-93901-000

Водяной фильтр - Filter, Water (MODEL:86~91 ) (Filter, Water)

под заказ590 руб.
3017631-92D01-000

Водяной фильтр - Filter, Water (MODEL:92~00 ) (Filter, Water)

10 шт570 руб.
3109125-06063-000

Винт (6x10) - Screw (6x10) (MODEL:92~00 ) (Screw (6x10))

6 шт190 руб.
3255321-93910-000

Zinc, Protection - Zinc, Protection (E13, E36, E40 ~MODEL:94 ) (Zinc, Protection)

под заказ0 руб.
3309126-06008-000

Винт (6x16) - Screw (6x16) (E13, E36, E40 ~MODEL:94 ) (Screw (6x16))

под заказ220 руб.
3455300-95500-000

Цинковая защита, в сборе - Zinc Assy, Protection (Zinc, protection # OPT ) (Zinc Assy, Protection)

2 шт1940 руб.
3509126-06006-000

Винт (6x20) - Screw (6x20) (OPT ) (Screw (6x20))

под заказ150 руб.
3609140-06020-000

Гайка - Nut (OPT ) (Nut)

9 шт150 руб.
3709162-06006-000

Шайба с блокировкой - Washer, Lock (Lock washer # OPT ) (Washer, Lock)

под заказ160 руб.
3855181-95200-000

Соединение шланга для промывки - Attachment, Flush Hose (Attachment, flush hose # OPT ) (Attachment, Flush Hose)

2 шт810 руб.
3957630-93900-000

Гайка гребного винта, комплект - Kit, Propeller Nut (Nut kit, propeller # OPT ) (Kit, Propeller Nut)

1 шт4010 руб.
3957630-93901-000

   (актуальный код замены) Гайка гребного винта, комплект - Kit, Propeller Nut

3 шт4150 руб.


Время выполнения запроса 2.2112231254578 сек.

 
 

данный сайт носит информационный характер и не является публичной офертой

склад запчастей для водомоторной техники