| |
 |
|
 |
Вернуться к выбору узлов мотора
ДЕТАЛИРОВКА ДЛЯ МОДЕЛИ: SUZUKI DT9.9C VS/DT9.9CE VS
вход case
Год выпуска двигателя: 1995
Цвет: California Gray Metallic
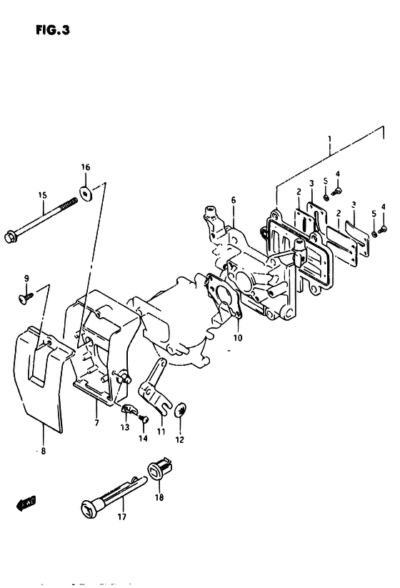
Номер на рисунке | Артикул | Наименование | QTY | Кол-во на складе | Цена |
| 1 | 13150-92D00-000 | Язычковый клапан, в сборе - Valve Assy, Reed (Reed valve assy ) (Valve Assy, Reed) | | под заказ | 0 руб. |
| 2 | 13153-92D00-000 | | | под заказ | 0 руб. |
| 3 | 13152-92D00-000 | | | под заказ | 0 руб. |
| 4 | 02112-03063-000 | Винт - Screw (Screw) | | под заказ | 120 руб. |
| 4 | 02112-0306B-000 | (актуальный код замены) Винт - Screw | | под заказ | 120 руб. |
| 4 | 02112-0306B-000 | Винт - Screw (Screw) | | под заказ | 120 руб. |
| 5 | 08321-01067-000 | Шайба с блокировкой - Washer, Lock (Washer, Lock) | | под заказ | 140 руб. |
| 6 | 12481-92D02-0ED | (<-12480-92D01-02M <-12480-92D01-0 1T) | | под заказ | 0 руб. |
| 7 | 13811-92D00-000 | | | под заказ | 0 руб. |
| 8 | 13812-92D00-000 | | | под заказ | 0 руб. |
| 9 | 03242-05123-000 | Винт - Screw (Screw) | | под заказ | 100 руб. |
| 9 | 03241-0512A-000 | (актуальный код замены) Винт - Screw | | под заказ | 100 руб. |
| 9 | 03241-0512A-000 | Винт - Screw (Screw) | | под заказ | 100 руб. |
| 10 | 13125-91D00-000 | Прокладка карбюратора - Gasket, Carburetor (Gasket, carburetor # <-13125-93950 ) (Gasket, Carburetor) | | 10 шт | 320 руб. |
| 10 | SM-13125-91D00-000 | (не оригинальный аналог) Прокладка SM-13125-91D00-000 карбюратора | | 1 шт | 80 руб. |
| 11 | 13633-92D01-000 | | | под заказ | 0 руб. |
| 12 | 09148-06008-000 | Гайка - Nut (Nut, adjuster knob ) (Nut) | | 4 шт | 110 руб. |
| 13 | 13694-92D00-000 | Пластина, Choke Пружина - Plate, Choke Spring (Plate, choke spring ) (Plate, Choke Spring) | | под заказ | 0 руб. |
| 14 | 02112-04087-000 | Винт - Screw (Screw) | | под заказ | 90 руб. |
| 15 | 01550-06907-000 | Болт - Bolt (Bolt) | | под заказ | 290 руб. |
| 16 | 09160-06066-000 | Шайба (6.5x20x1.6) - Washer (65x20x16) (Washer, throttle lever (6.5x20x1.6) ) (Washer (6.5x20x1.6)) | | под заказ | 150 руб. |
| 17 | 13631-93910-000 | Рычаг регулировки дросселя - Knob, Choke Lever (Knob, choke lever # <-13631-93900 ) (Knob, Choke Lever) | | 2 шт | 720 руб. |
| 18 | 13632-93900-000 | Пыльник ручки заслонки - Grommet, Choke Knob (Grommet, choke knob ) (Grommet, Choke Knob) | | 1 шт | 280 руб. |
Время выполнения запроса 0.62728881835938 сек. |
|