Подобрать запчасти на лодочный мотор Suzuki - Water pump
вконтакте

Контактный телефон: +7 (981) 121-46-93, +7 (800) 200-90-76 , Email: parts-katalog@yandex.ru, где купить

 
 

  Логин:

Пароль:

Регистрация

www.partskatalog.ru Все каталоги Запчасти Mercury Запчасти Suzuki Запчасти Tohatsu Запчасти Honda Контакты

назад Раздел:   вперёд

Вернуться к выбору узлов мотора


ДЕТАЛИРОВКА ДЛЯ МОДЕЛИ: SUZUKI DT9.9CN VS/DT9.9CNE VS

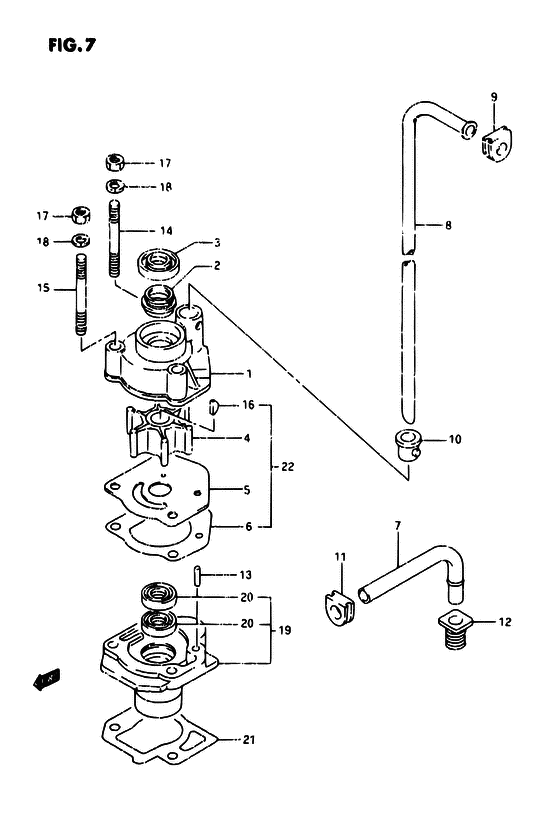
Водяной насос


Год выпуска двигателя: 1995

Цвет: California Gray Metallic

Номер на
рисунке
АртикулНаименованиеQTYКол-во
на складе
Цена
117410-92D00-000

Корпус водяного насоса - Case, Water Pump (<-17411-92D03 ) (Case, Water Pump)

под заказ0 руб.
217417-92D00-000

Сальник - Seal, Water (MODEL:92~97 ) (Seal, Water)

под заказ0 руб.
309282-12008-000

Сальник (12x24x4.5) - Seal, Oil (12x24x45) (Seal, Oil (12x24x4.5))

123 шт830 руб.
3SK09282-12008

   (не оригинальный аналог) Сальник гребного вала Skipper для Suzuki Модели техники: DF4-DF6

2 шт139 руб.
3SC-OL039

   (не оригинальный аналог) Сальник редуктора Suzuki SC-OL039

под заказ230 руб.
417461-92D01-000

Крыльчатка водяного насоса - Impeller, Water Pump (<-17461-92D00) (Impeller, Water Pump)

под заказ2290 руб.
417461-92D02-000

   (актуальный код замены) Крыльчатка водяного насоса - Impeller, Water Pump

под заказ2290 руб.
417461-92D02-000

Крыльчатка водяного насоса - Impeller, Water Pump (Impeller, Water Pump)

под заказ2290 руб.
517471-92D10-000

Панель в нижней части корпуса помпы - Panel, Pump Case Under (Panel, pump case, under ) (Panel, Pump Case Under)

под заказ630 руб.
617472-92D10-000

Прокладка снизу корпуса водяного насоса - Gasket, Pump Case Under (Gasket, case under # <-17472-92D00 ) (Gasket, Pump Case Under)

1 шт0 руб.
717521-92D02-000

Водяная трубка вход - Tube, Water Inlet (Tube, water inlet # <-17521-92D01 ) (Tube, Water Inlet)

под заказ1330 руб.
817560-92D00-000

Водяная трубка (l) - Tube, Water (l) (L:428 <-17561-92D01 ) (Tube, Water (l))

под заказ0 руб.
817560-92D10-000

Водяная трубка (s) - Tube, Water (s) (L:314 <-17561-92D11 ) (Tube, Water (s))

1 шт0 руб.
817560-92D20-000

Водяная трубка (ul) - Tube, Water (ul) (TYPE:SAIL L:555 <-17561-92D21 ) (Tube, Water (ul))

под заказ0 руб.
917563-92D00-000

Grom, Водяная трубка - Grom, Water Tube (Grommet, water tube ) (Grom, Water Tube)

3 шт0 руб.
917563-92D01-000

   (актуальный код замены) Запчасть снята с производства - The Spare Part Is Laid Off

под заказ0 руб.
1017564-93900-000

Втулка корпуса водяной помпы - Bush, Water Pump Case (Bush, water pump case ) (Bush, Water Pump Case)

под заказ290 руб.
1017564-93901-000

   (актуальный код замены) Втулка корпуса водяной помпы - Bush, Water Pump Case

под заказ370 руб.
1117566-92D01-000

Пыльник, Water вход Трубка вышеr - Grommet, Water Inlet Tube Upr (Grommet, wtr, upper ) (Grommet, Water Inlet Tube Upr)

7 шт530 руб.
1217568-92D00-000

Пыльник, Wtr вход Трубка Lwr - Grommet, Wtr Inlet Tube Lwr (Grommet, wtr, lower ) (Grommet, Wtr Inlet Tube Lwr)

2 шт0 руб.
1217568-92D01-000

   (актуальный код замены) Запчасть снята с производства - The Spare Part Is Laid Off

под заказ0 руб.
1309202-04008-000

Штифт (4x9) - Pin (4x9) (Pin, knock ) (Pin (4x9))

4 шт150 руб.
1409108-06105-000

Болт под шпильку - Bolt, Stud (Bolt, Stud)

под заказ420 руб.
1409108-06146-000

   (актуальный код замены) Болт под шпильку - Bolt, Stud

12 шт540 руб.
1409108-06146-000

Болт под шпильку - Bolt, Stud (Bolt, Stud)

12 шт540 руб.
1509108-06101-000

Болт под шпильку - Bolt, Stud (Bolt, Stud)

под заказ420 руб.
1617462-93990-000

Ключ - Key (Key)

под заказ400 руб.
1609420-03009-000

   (актуальный код замены) Ключ - Key

14 шт400 руб.
16SC-WT224

   (не оригинальный аналог) Шпонка крыльчатки Suzuki SC-WT224

под заказ470 руб.
1609420-03009-000

Ключ - Key (Key)

14 шт400 руб.
1609420-03009-000

Ключ - Key (Key)

14 шт400 руб.
1709140-06020-000

Гайка - Nut (Nut)

9 шт150 руб.
1809162-06006-000

Шайба с блокировкой - Washer, Lock (Lock washer ) (Washer, Lock)

под заказ160 руб.
1956130-92D02-000

Корпус подшипника приводного вала - Housing, Drive Shaft Brg (Housing, drive shaft brg # <-56130-92D01 ) (Housing, Drive Shaft Brg)

под заказ0 руб.
2009282-12005-000

Сальник (12x22x5) - Seal, Oil (12x22x5) (Oil seal (12x22x5) ) (Seal, Oil (12x22x5))

32 шт0 руб.
2156132-92D10-000

Прокладка, Корпус вала передачи - Gasket, Drive Shaft (Gasket, drive shaft brg # <-56132-92D01 ) (Gasket, Drive Shaft)

под заказ0 руб.
2217400-92D00-000

Ремкомплект водяного насоса - Kit, Water Pump Repair (OPT) (Kit, Water Pump Repair)

под заказ3600 руб.
2217400-92D01-000

   (актуальный код замены) Ремкомплект водяного насоса - Kit, Water Pump Repair

1 шт3600 руб.
2217400-92D01-000

Ремкомплект водяного насоса - Kit, Water Pump Repair (Kit, Water Pump Repair)

1 шт3600 руб.


Время выполнения запроса 0.99844002723694 сек.

 
 

данный сайт носит информационный характер и не является публичной офертой

склад запчастей для водомоторной техники