| |
 |
|
 |
Вернуться к выбору узлов мотора
ДЕТАЛИРОВКА ДЛЯ МОДЕЛИ: SUZUKI DT9.9CN VT/DT9.9CNE VT
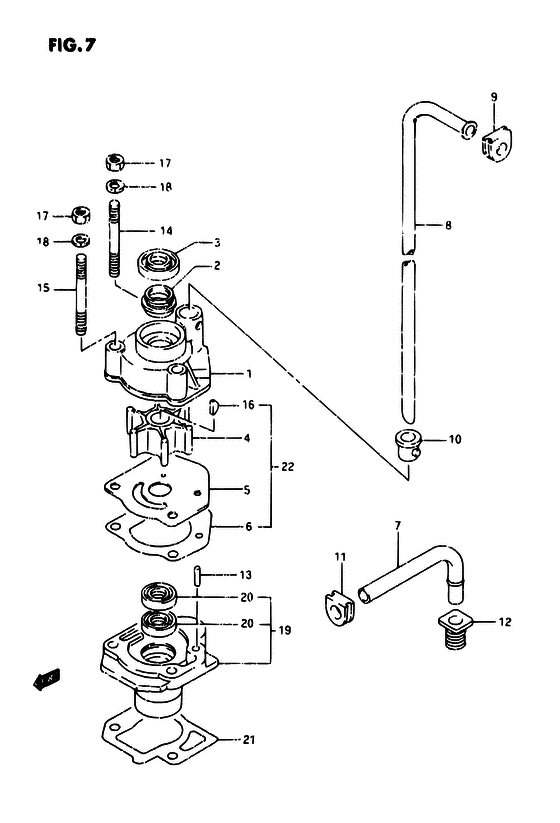
Водяной насос
Год выпуска двигателя: 1996
Цвет: California Gray Metallic
Номер на рисунке | Артикул | Наименование | QTY | Кол-во на складе | Цена |
| 1 | 17410-92D00-000 | Корпус водяного насоса - Case, Water Pump (<-17411-92D03 ) (Case, Water Pump) | | под заказ | 0 руб. |
| 2 | 17417-92D00-000 | Сальник - Seal, Water (MODEL:92~97 ) (Seal, Water) | | под заказ | 0 руб. |
| 3 | 09282-12008-000 | Сальник (12x24x4.5) - Seal, Oil (12x24x45) (Seal, Oil (12x24x4.5)) | | 123 шт | 830 руб. |
| 3 | SK09282-12008 | (не оригинальный аналог) Сальник гребного вала Skipper для Suzuki Модели техники: DF4-DF6 | | 2 шт | 139 руб. |
| 3 | SC-OL039 | (не оригинальный аналог) Сальник редуктора Suzuki SC-OL039 | | под заказ | 230 руб. |
| 4 | 17461-92D01-000 | Крыльчатка водяного насоса - Impeller, Water Pump (<-17461-92D00) (Impeller, Water Pump) | | под заказ | 2290 руб. |
| 4 | 17461-92D02-000 | (актуальный код замены) Крыльчатка водяного насоса - Impeller, Water Pump | | под заказ | 2290 руб. |
| 4 | 17461-92D02-000 | Крыльчатка водяного насоса - Impeller, Water Pump (Impeller, Water Pump) | | под заказ | 2290 руб. |
| 5 | 17471-92D10-000 | Панель в нижней части корпуса помпы - Panel, Pump Case Under (Panel, pump case, under ) (Panel, Pump Case Under) | | под заказ | 630 руб. |
| 6 | 17472-92D10-000 | Прокладка снизу корпуса водяного насоса - Gasket, Pump Case Under (Gasket, case under # <-17472-92D00 ) (Gasket, Pump Case Under) | | 1 шт | 0 руб. |
| 7 | 17521-92D02-000 | Водяная трубка вход - Tube, Water Inlet (Tube, water inlet # <-17521-92D01 ) (Tube, Water Inlet) | | под заказ | 1330 руб. |
| 8 | 17560-92D00-000 | Водяная трубка (l) - Tube, Water (l) (L:428 <-17561-92D01 ) (Tube, Water (l)) | | под заказ | 0 руб. |
| 8 | 17560-92D10-000 | Водяная трубка (s) - Tube, Water (s) (L:314 <-17561-92D11 ) (Tube, Water (s)) | | 1 шт | 0 руб. |
| 8 | 17560-92D20-000 | Водяная трубка (ul) - Tube, Water (ul) (TYPE:SAIL L:555 <-17561-92D21 ) (Tube, Water (ul)) | | под заказ | 0 руб. |
| 9 | 17563-92D00-000 | Grom, Водяная трубка - Grom, Water Tube (Grommet, water tube ) (Grom, Water Tube) | | 3 шт | 0 руб. |
| 9 | 17563-92D01-000 | (актуальный код замены) Запчасть снята с производства - The Spare Part Is Laid Off | | под заказ | 0 руб. |
| 10 | 17564-93900-000 | Втулка корпуса водяной помпы - Bush, Water Pump Case (Bush, water pump case ) (Bush, Water Pump Case) | | под заказ | 290 руб. |
| 10 | 17564-93901-000 | (актуальный код замены) Втулка корпуса водяной помпы - Bush, Water Pump Case | | 3 шт | 370 руб. |
| 11 | 17566-92D01-000 | Пыльник, Water вход Трубка вышеr - Grommet, Water Inlet Tube Upr (Grommet, wtr, upper ) (Grommet, Water Inlet Tube Upr) | | 7 шт | 530 руб. |
| 12 | 17568-92D00-000 | Пыльник, Wtr вход Трубка Lwr - Grommet, Wtr Inlet Tube Lwr (Grommet, wtr, lower ) (Grommet, Wtr Inlet Tube Lwr) | | 2 шт | 0 руб. |
| 12 | 17568-92D01-000 | (актуальный код замены) Запчасть снята с производства - The Spare Part Is Laid Off | | под заказ | 0 руб. |
| 13 | 09202-04008-000 | Штифт (4x9) - Pin (4x9) (Pin, knock ) (Pin (4x9)) | | 4 шт | 150 руб. |
| 14 | 09108-06105-000 | Болт под шпильку - Bolt, Stud (Bolt, Stud) | | под заказ | 420 руб. |
| 14 | 09108-06146-000 | (актуальный код замены) Болт под шпильку - Bolt, Stud | | 14 шт | 540 руб. |
| 14 | 09108-06146-000 | Болт под шпильку - Bolt, Stud (Bolt, Stud) | | 14 шт | 540 руб. |
| 15 | 09108-06101-000 | Болт под шпильку - Bolt, Stud (Bolt, Stud) | | под заказ | 420 руб. |
| 16 | 17462-93990-000 | Ключ - Key (Key) | | под заказ | 400 руб. |
| 16 | 09420-03009-000 | (актуальный код замены) Ключ - Key | | 14 шт | 400 руб. |
| 16 | SC-WT224 | (не оригинальный аналог) Шпонка крыльчатки Suzuki SC-WT224 | | под заказ | 470 руб. |
| 16 | 09420-03009-000 | Ключ - Key (Key) | | 14 шт | 400 руб. |
| 16 | 09420-03009-000 | Ключ - Key (Key) | | 14 шт | 400 руб. |
| 17 | 09140-06020-000 | Гайка - Nut (Nut) | | 9 шт | 150 руб. |
| 18 | 09162-06006-000 | Шайба с блокировкой - Washer, Lock (Lock washer ) (Washer, Lock) | | под заказ | 160 руб. |
| 19 | 56130-92D02-000 | Корпус подшипника приводного вала - Housing, Drive Shaft Brg (Housing, drive shaft brg # <-56130-92D01 ) (Housing, Drive Shaft Brg) | | под заказ | 0 руб. |
| 20 | 09282-12005-000 | Сальник (12x22x5) - Seal, Oil (12x22x5) (Oil seal (12x22x5) ) (Seal, Oil (12x22x5)) | | 32 шт | 0 руб. |
| 21 | 56132-92D10-000 | Прокладка, Корпус вала передачи - Gasket, Drive Shaft (Gasket, drive shaft brg # <-56132-92D01 ) (Gasket, Drive Shaft) | | под заказ | 0 руб. |
| 22 | 17400-92D00-000 | Ремкомплект водяного насоса - Kit, Water Pump Repair (OPT) (Kit, Water Pump Repair) | | под заказ | 3600 руб. |
| 22 | 17400-92D01-000 | (актуальный код замены) Ремкомплект водяного насоса - Kit, Water Pump Repair | | 1 шт | 3600 руб. |
| 22 | 17400-92D01-000 | Ремкомплект водяного насоса - Kit, Water Pump Repair (Kit, Water Pump Repair) | | 1 шт | 3600 руб. |
Время выполнения запроса 2.2213740348816 сек. |
|