Найти запчасти на лодочный подвесной мотор Suzuki - Electrical
вконтакте

Контактный телефон: +7 (981) 121-46-93, +7 (800) 200-90-76 , Email: parts-katalog@yandex.ru, где купить

 
 

  Логин:

Пароль:

Регистрация

www.partskatalog.ru Все каталоги Запчасти Mercury Запчасти Suzuki Запчасти Tohatsu Запчасти Honda Контакты



УВАЖАЕМЫЕ КЛИЕНТЫ!
C 19 ДЕКАБРЯ 2025 ПО 02 МАРТА 2026 ГОДА ОТДЕЛ ЗАПЧАСТЕЙ И СЕРВИС РАБОТАТЬ НЕ БУДУТ
ПРОДАЖА ЛОДОЧНЫХ МОТОРОВ В ШТАТНОМ РЕЖИМЕ
ОБ ИЗМЕНЕНИЯХ В ГРАФИКЕ РАБОТЫ ЧИТАЙТЕ НА САЙТА



назад Раздел:   вперёд

Вернуться к выбору узлов мотора


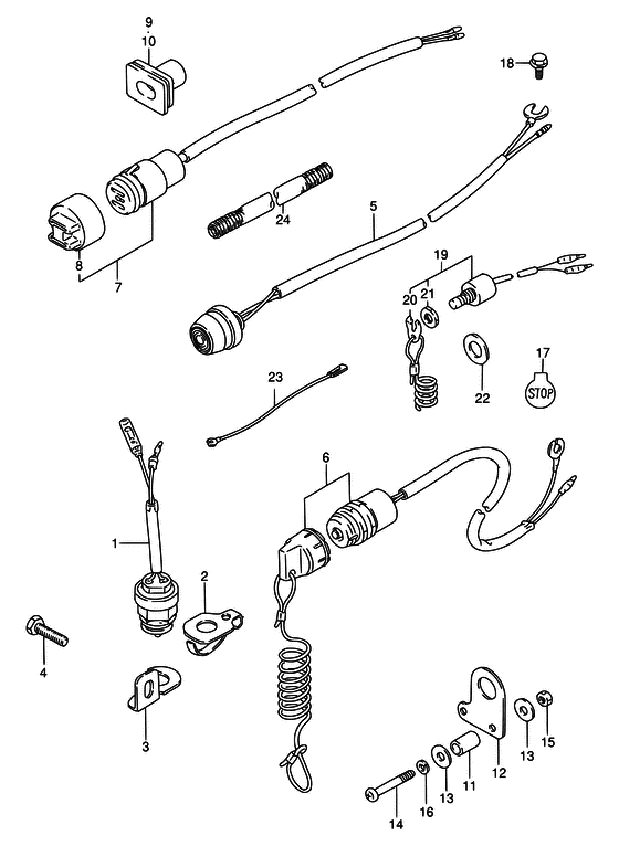
ДЕТАЛИРОВКА ДЛЯ МОДЕЛИ: SUZUKI DT9.9KL V

Электрика


Год выпуска двигателя: 1997

Номер на
рисунке
АртикулНаименованиеQTYКол-во
на складе
Цена
137721-93902-000

Выключатель нейтрали, в сборе - Switch Assy, Neutral (ELECTRIC STARTER) (Switch Assy, Neutral)

под заказ3650 руб.
137721-96354-000

   (актуальный код замены) Выключатель нейтрали, в сборе - Switch Assy, Neutral

под заказ3650 руб.
137721-96354-000

Выключатель нейтрали, в сборе - Switch Assy, Neutral (Switch assy, neutral ) (Switch Assy, Neutral)

под заказ3650 руб.
237725-94302-000

Пускатель переключателя нейтрали - Actuator, Neutral Switch (Actuator, neutral sw # ELECTRIC STARTER ) (Actuator, Neutral Switch)

1 шт520 руб.
337726-94402-000

Кронштейн переключателя реверса - Bracket, Reverse Switch (Bracket, neutral sw # ELECTRIC STARTER <-7726-93903 ) (Bracket, Reverse Switch)

под заказ460 руб.
402162-06167-000

Болт - Bolt (MODEL:99, 00) (Bolt)

под заказ180 руб.
401550-06167-000

   (актуальный код замены) Болт - Bolt

9 шт210 руб.
401550-06167-000

Болт - Bolt (Bolt)

9 шт210 руб.
409118-06038-000

Запчасть снята с производства - The Spare Part Is Laid Off (ELECTRIC STARTER) (The Spare Part Is Laid Off)

под заказ0 руб.
537800-93954-000

Переключатель в сборе, Stop - Switch Assy, Stop (Switch assy, stop # <-7800-93953 ) (Switch Assy, Stop)

под заказ2760 руб.
537800-93955-000

   (актуальный код замены) Переключатель в сборе, Stop - Switch Assy, Stop

под заказ2760 руб.
637830-89X50-000

Выключатель аварийной остановки двигателя - Switch Assy, Emergency & Stop (<-7820-98106 ~MODEL:92) (Switch Assy, Emergency & Stop)

под заказ0 руб.
637830-89X52-000

   (актуальный код замены) Запчасть снята с производства - The Spare Part Is Laid Off

под заказ0 руб.
637830-89X51-000

Выключатель аварийной остановки двигателя - Switch Assy, Emergency & Stop (Switch Assy, Emergency & Stop)

под заказ0 руб.
637830-89X52-000

   (актуальный код замены) Запчасть снята с производства - The Spare Part Is Laid Off

под заказ0 руб.
739601-95D00-000

Внешняя розетка - Receptacle (Receptacle assy, lighting # MANUAL STARTER <-9601-93902 ) (Receptacle)

под заказ4660 руб.
739601-95D01-000

   (актуальный код замены) Внешняя розетка - Receptacle

под заказ4660 руб.
836634-93910-000

Колпачок - Cap (MANUAL STARTER ) (Cap)

под заказ340 руб.
939603-93900-000

Пыльник - Grommet (Grommet, receptacle cable # MANUAL STARTER ~MODEL:92 ) (Grommet)

под заказ0 руб.
1039603-94400-000

Пыльник розеткиe - Grommet, Receptaclee (Grommet, receptacle cable # MANUAL STARTER MODEL:93~98 ) (Grommet, Receptaclee)

под заказ840 руб.
1039603-94401-000

   (актуальный код замены) Пыльник розеткиe - Grommet, Receptaclee

под заказ840 руб.
1109355-45855-600

Шланг (4.5x8.5x600) - Hose (45x85x600) (L:600->5 ~MODEL:92 ) (Hose (4.5x8.5x600))

под заказ960 руб.
1109355-45001-600

   (актуальный код замены) Шланг (4.5x8.5x600) - Hose (4.5x8.5x600)

под заказ960 руб.
1237950-93901-000

Запчасть снята с производства - The Spare Part Is Laid Off (~MODEL:92) (The Spare Part Is Laid Off)

под заказ0 руб.
1309160-04016-000

Шайба (4x14x1.2) - Washer (4x14x12) (~MODEL:92 ) (Washer (4x14x1.2))

под заказ110 руб.
1402112-04303-000

Винт - Screw (~MODEL:92) (Screw)

под заказ170 руб.
1402112-0430B-000

   (актуальный код замены) Винт - Screw

под заказ170 руб.
1402112-0430B-000

Винт - Screw (Screw)

под заказ170 руб.
1508310-00047-000

Гайка - Nut (~MODEL:92 ) (Nut)

под заказ140 руб.
1608321-01043-000

Шайба с блокировкой - Washer, Lock (~MODEL:92) (Washer, Lock)

под заказ140 руб.
1608321-0104A-000

   (актуальный код замены) Шайба с блокировкой - Washer, Lock

под заказ140 руб.
1608321-0104A-000

Шайба с блокировкой - Washer, Lock (Washer, Lock)

под заказ140 руб.
1737835-95D00-000

Наклейка СТОП - Label, Stop (Label, Stop)

под заказ130 руб.
1737835-91J00-YAY

   (актуальный код замены) Наклейка СТОП - Label, Stop

под заказ130 руб.
1802162-06127-000

Винт - Screw (MODEL:00 ) (Screw)

под заказ150 руб.
1809118-06038-000

Запчасть снята с производства - The Spare Part Is Laid Off (The Spare Part Is Laid Off)

под заказ0 руб.
1937820-92E00-000

Аварийный выключатель, в сборе - Switch Assy, Emergency (OPT MODEL:92~96) (Switch Assy, Emergency)

под заказ4710 руб.
1937820-92E05-000

   (актуальный код замены) Аварийный выключатель, в сборе - Switch Assy, Emergency

1 шт4710 руб.
1937820-92E04-000

Аварийный выключатель, в сборе - Switch Assy, Emergency (Switch Assy, Emergency)

под заказ4710 руб.
1937820-92E05-000

   (актуальный код замены) Аварийный выключатель, в сборе - Switch Assy, Emergency

1 шт4710 руб.
1937830-89E00-000

Выключатель аварийной остановки двигателя - Switch Assy, Emergency & Stop (MODEL:93~00) (Switch Assy, Emergency & Stop)

под заказ7640 руб.
1937830-89E04-000

   (актуальный код замены) Выключатель аварийной остановки двигателя - Switch Assy, Emergency & Stop

под заказ7640 руб.
1937830-89E03-000

Выключатель аварийной остановки двигателя - Switch Assy, Emergency & Stop (Switch Assy, Emergency & Stop)

9 шт7640 руб.
1937830-89E04-000

   (актуальный код замены) Выключатель аварийной остановки двигателя - Switch Assy, Emergency & Stop

под заказ7640 руб.
2037823-92E00-000

Пластина блокировки аварийного выключателя - Plate Assy, Emergency Sw Lock (Plate Assy, Emergency Sw Lock)

под заказ2570 руб.
2037823-92E02-000

   (актуальный код замены) Пластина блокировки аварийного выключателя - Plate Assy, Emergency Sw Lock

3 шт2770 руб.
2037823-92E01-000

Пластина блокировки аварийного выключателя - Plate Assy, Emergency Sw Lock (Plate Assy, Emergency Sw Lock)

под заказ2570 руб.
2037823-92E02-000

   (актуальный код замены) Пластина блокировки аварийного выключателя - Plate Assy, Emergency Sw Lock

3 шт2770 руб.
2137826-92E00-000

Гайка - Nut (Nut)

под заказ740 руб.
2209160-12067-000

Шайба (12.5x23x1) - Washer (125x23x1) (Washer, emergency sw # MODEL:93~00 ) (Washer (12.5x23x1))

8 шт230 руб.
2337801-98300-000

Провод выключателя двигателя - Lead, Stop Switch (Lead, rect & reg gnd # MODEL:93~00 ) (Lead, Stop Switch)

под заказ320 руб.
2337801-98301-000

   (актуальный код замены) Провод выключателя двигателя - Lead, Stop Switch

под заказ320 руб.
2433446-98E20-000

Защита (l: 500) - Protector (l:500) (Tube, high tension cord # MODEL:94~00 <-7891-94400 L:500->00 ) (Protector (l:500))

под заказ370 руб.


Время выполнения запроса 2.1813449859619 сек.

 
 

данный сайт носит информационный характер и не является публичной офертой

склад запчастей для водомоторной техники