Купить комплектующие на подвесной двигатель Suzuki модель 1998 года - Кронштейн транца
вконтакте

Контактный телефон: +7 (981) 121-46-93, +7 (800) 200-90-76 , Email: parts-katalog@yandex.ru, где купить

 
 

  Логин:

Пароль:

Регистрация

www.partskatalog.ru Все каталоги Запчасти Mercury Запчасти Suzuki Запчасти Tohatsu Запчасти Honda Контакты



УВАЖАЕМЫЕ КЛИЕНТЫ!
C 19 ДЕКАБРЯ 2025 ПО 02 МАРТА 2026 ГОДА ОТДЕЛ ЗАПЧАСТЕЙ И СЕРВИС РАБОТАТЬ НЕ БУДУТ
ПРОДАЖА ЛОДОЧНЫХ МОТОРОВ В ШТАТНОМ РЕЖИМЕ
ОБ ИЗМЕНЕНИЯХ В ГРАФИКЕ РАБОТЫ ЧИТАЙТЕ НА САЙТА



назад Раздел:   вперёд

Вернуться к выбору узлов мотора


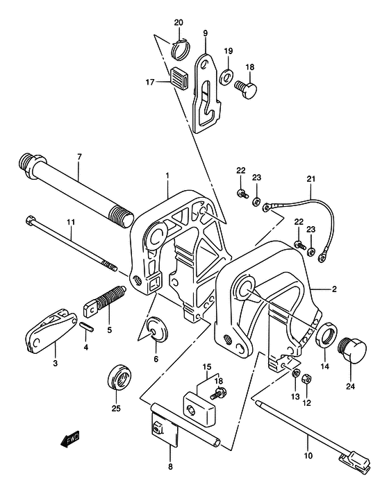
ДЕТАЛИРОВКА ДЛЯ МОДЕЛИ: SUZUKI DT9.9KL W

Кронштейн транца


Год выпуска двигателя: 1998

Номер на
рисунке
АртикулНаименованиеQTYКол-во
на складе
Цена
141111-89E50-0ED

(->1111-89E60-0ED USED WITH 09160-10082 (2))

под заказнет сведений
109160-10082-000

Шайба (10.5x19x2) - Washer (105x19x2) (Washer ) (Washer (10.5x19x2))

19 шт120 руб.
109441-17001-000

Пружина - Spring (Spring)

11 шт220 руб.
141111-89E62-0ED

Кронштейн правого зажима - Bracket, Clamp Stbd (Bracket, Clamp Stbd)

под заказ16320 руб.
145420-93E02-000

Штифт блокировки наклона - Pin, Tilt Lock (Pin, Tilt Lock)

5 шт4370 руб.
141111-89E60-0ED

(DT9.9:972432~ DT9.9K:971051~ DT15:974110~ DT15K:971056~)

под заказнет сведений
109441-17001-000

Пружина - Spring (Spring)

11 шт220 руб.
141111-89E62-0ED

Кронштейн правого зажима - Bracket, Clamp Stbd (Bracket, Clamp Stbd)

под заказ16320 руб.
145420-93E02-000

Штифт блокировки наклона - Pin, Tilt Lock (Pin, Tilt Lock)

5 шт4370 руб.
241121-89E50-0ED

под заказнет сведений
209441-17001-000

Пружина - Spring (Spring)

11 шт220 руб.
241121-89E53-0ED

Кронштейн левого зажима - Bracket, Clamp Port (Bracket, Clamp Port)

под заказ0 руб.
245420-93E02-000

Штифт блокировки наклона - Pin, Tilt Lock (Pin, Tilt Lock)

5 шт4370 руб.
341210-89E00-000

Винт струбцины, в сборе - Screw Assy, Clamp (Screw Assy, Clamp)

под заказ2910 руб.
341210-89E11-000

   (актуальный код замены) Винт струбцины, в сборе - Screw Assy, Clamp

2 шт3140 руб.
341210-89E11-000

Винт струбцины, в сборе - Screw Assy, Clamp (Screw Assy, Clamp)

2 шт3140 руб.
409205-05009-000

Стопор пружины (5x20) - Pin, Spring (5x20) (Pin (5x20) # MODEL:97~99 ) (Pin, Spring (5x20))

под заказ0 руб.
409205-05013-000

Стопор пружины (5x22) - Pin, Spring (5x22) (Pin, spring (5x22) ) (Pin, Spring (5x22))

под заказ130 руб.
409205-06007-000

Стопор пружины (6x25) - Pin, Spring (6x25) (Pin (6x27) # OPT FOR 41210-89E00 ) (Pin, Spring (6x25))

13 шт170 руб.
541211-93900-000

Винт зажима - Screw, Clamp (Screw, clamp, l:68 # OPT ) (Screw, Clamp)

под заказ1720 руб.
541211-93920-000

Винт зажима - Screw, Clamp (Screw, clamp, l:90 # OPT ) (Screw, Clamp)

под заказ1720 руб.
641213-98100-000

Пластина струбцины - Plate, Clamp (Plate, clamp ) (Plate, Clamp)

под заказ390 руб.
641213-94J01-000

   (актуальный код замены) Пластина струбцины - Plate, Clamp

под заказ420 руб.
741130-89E00-000

Труба кронштейна транца - Shaft, Clamp Bracket (Shaft, Clamp Bracket)

под заказ11040 руб.
741130-90L00-000

   (актуальный код замены) Труба кронштейна транца - Shaft, Clamp Bracket

под заказ11040 руб.
741130-90L00-000

Труба кронштейна транца - Shaft, Clamp Bracket (Shaft, Clamp Bracket)

под заказ11040 руб.
741130-89E10-000

Труба кронштейна транца - Shaft, Clamp Bracket (MODEL:00) (Shaft, Clamp Bracket)

под заказ11040 руб.
741130-90L00-000

   (актуальный код замены) Труба кронштейна транца - Shaft, Clamp Bracket

под заказ11040 руб.
741130-90L00-000

Труба кронштейна транца - Shaft, Clamp Bracket (Shaft, Clamp Bracket)

под заказ11040 руб.
841310-93900-000

Тяга, Кронштейн транца Lwr - Rod, Clamp Bracket Lwr (Rod, Clamp Bracket Lwr)

под заказ2060 руб.
841310-93901-000

   (актуальный код замены) Тяга, Кронштейн транца Lwr - Rod, Clamp Bracket Lwr

под заказ2060 руб.
841310-93901-000

Тяга, Кронштейн транца Lwr - Rod, Clamp Bracket Lwr (Rod, Clamp Bracket Lwr)

под заказ2060 руб.
941200-95D00-000

Рычаг наклона - Arm Assy, Tilt (<-1222-95D00) (Arm Assy, Tilt)

под заказ3170 руб.
941200-91L00-000

   (актуальный код замены) Рычаг наклона - Arm Assy, Tilt

1 шт3170 руб.
941200-91L00-000

Рычаг наклона - Arm Assy, Tilt (Arm Assy, Tilt)

1 шт3170 руб.
1045420-92D02-000

Штифт блокировки наклона - Pin, Tilt Lock (Pin, Tilt Lock)

под заказ2370 руб.
1045420-92DL0-000

   (актуальный код замены) Штифт блокировки наклона - Pin, Tilt Lock

25 шт2890 руб.
1045420-92DL0-000

Штифт блокировки наклона - Pin, Tilt Lock (Pin, Tilt Lock)

25 шт2890 руб.
1109100-06125-000

Болт (6x140) - Bolt (6x140) (Bolt (6x140))

под заказ470 руб.
1109100-06177-000

   (актуальный код замены) Болт (6x140) - Bolt (6x140)

9 шт470 руб.
1109100-06177-000

Болт (6x140) - Bolt (6x140) (Bolt (6x140))

9 шт470 руб.
1209140-06020-000

Гайка - Nut (Nut)

9 шт150 руб.
1309162-06006-000

Шайба с блокировкой - Washer, Lock (Lock washer ) (Washer, Lock)

под заказ160 руб.
1409159-22003-000

Гайка - Nut (Nut)

под заказ1950 руб.
1409159-22006-000

   (актуальный код замены) Гайка - Nut

8 шт1950 руб.
1409159-22006-000

Гайка - Nut (Nut)

8 шт1950 руб.
1555320-95310-000

Защитный цинковый анод - Zinc Set, Protection (Zinc Set, Protection)

под заказ1320 руб.
1555320-95311-000

   (актуальный код замены) Защитный цинковый анод - Zinc Set, Protection

16 шт1320 руб.
1555320-95311-000

Защитный цинковый анод - Zinc Set, Protection (Zinc Set, Protection)

16 шт1320 руб.
1609116-06094-000

Болт (6x15) - Bolt (6x15) (<-9116-06092 ) (Bolt (6x15))

20 шт270 руб.
1741225-94400-000

Резинка блокировки наклона Рычаг - Rubber, Tilt Lock Arm (Rubber, tilt lock lever ) (Rubber, Tilt Lock Arm)

под заказ340 руб.
1809111-10032-000

Болт (10x20.5) - Bolt (10x205) (Bolt (10x20.5))

под заказ400 руб.
1809111-10067-000

   (актуальный код замены) Болт (10x20.5) - Bolt (10x20.5)

2 шт430 руб.
1809111-10067-000

Болт (10x20.5) - Bolt (10x205) (Bolt (10x20.5))

2 шт430 руб.
1909160-10082-000

Шайба (10.5x19x2) - Washer (105x19x2) (Washer # DT9.9:972432~ DT9.9K:971051~ DT15:974110~ DT15K:971056~ ) (Washer (10.5x19x2))

19 шт120 руб.
2009448-29015-000

Пружина - Spring (Spring)

9 шт390 руб.
2136894-95201-000

Lead (l: 165) - Lead (l:165) (Lead (l:165))

под заказ1170 руб.
2209125-05050-000

Винт (5x8) - Screw (5x8) (Screw (5x8))

под заказ150 руб.
2309161-05114-000

Шайба (5.2x11x1) - Washer (52x11x1) (Washer (5.2x11.0x1.0) ) (Washer (5.2x11x1))

под заказ290 руб.
2441141-89E00-000

Соединитель рулевой системы Кабели - Attachment, Steering Cable (OPT, L:81 ) (Attachment, Steering Cable)

под заказ12680 руб.
2441141-94300-000

Соединитель рулевой системы Регулятор - Attachment, Steering Adjuster (OPT, L:40) (Attachment, Steering Adjuster)

под заказ6920 руб.
2441141-94301-000

   (актуальный код замены) Соединитель рулевой системы Регулятор - Attachment, Steering Adjuster

под заказ6920 руб.
2441141-94301-000

Соединитель рулевой системы Регулятор - Attachment, Steering Adjuster (Attachment, Steering Adjuster)

под заказ6920 руб.
2541161-94400-000

Сальник рулевого кабеля - Seal, Steering Cable (Seal, steering cable # OPT ) (Seal, Steering Cable)

16 шт1530 руб.


Время выполнения запроса 1.1154248714447 сек.

 
 

данный сайт носит информационный характер и не является публичной офертой

склад запчастей для водомоторной техники