| |
 |
|
 |
Вернуться к выбору узлов мотора
ДЕТАЛИРОВКА ДЛЯ МОДЕЛИ: SUZUKI DT9.9KLK2(E1) K2
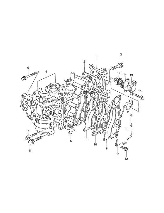
Цилиндр
Год выпуска двигателя: 2002
Регион: General Export No.1 ,Код региона: P01
Цвет: Shadow Black Metallic
Номер на рисунке | Артикул | Наименование | QTY | Кол-во на складе | Цена |
| 1 | 11110-93910-0ED | Головка блока цилиндра - Head Assy, Cylinder (Dt9.9/15 ) (Head Assy, Cylinder) | | под заказ | 0 руб. |
| 1 | 11110-93910-0EP | Головка цилиндра (чёрный) - Head, Cylinder (black) (Dt9.9/15, model:02~ ) (Head, Cylinder (black)) | | под заказ | 31680 руб. |
| 1 | 11110-93960-0ED | Запчасть снята с производства - The Spare Part Is Laid Off (Dt9.9k/15k) (The Spare Part Is Laid Off) | | под заказ | 0 руб. |
| 1 | 11110-93960-0EP | Головка цилиндра - Head, Cylinder (Dt9.9k/15k, model:02~ ) (Head, Cylinder) | | под заказ | 19830 руб. |
| 2 | 11141-93950-000 | Прокладка головки блока цилиндра - Gasket, Cylinder Head (Gasket, Cylinder Head) | | под заказ | 2100 руб. |
| 2 | SM-11410-93834-000 | (не оригинальный аналог) Комплект прокладок SM-11410-93834-000 на Suzuki DT9.9 / DT15 до 2013 года (без сальников) | | 8 шт | 3000 руб. |
| 2 | 11141-93960-000 | (актуальный код замены) Прокладка головки блока цилиндра - Gasket, Cylinder Head | | 14 шт | 2300 руб. |
| 2 | SM-11141-93950-000 | (не оригинальный аналог) Прокладка SM-11141-93950-000 головки блока цилиндра | | 1 шт | 500 руб. |
| 2 | SC-GS171 | (не оригинальный аналог) Прокладка под головку Suzuki SC-GS171 | | под заказ | 880 руб. |
| 2 | 11141-93960-000 | Прокладка головки блока цилиндра - Gasket, Cylinder Head (Gasket, Cylinder Head) | | 14 шт | 2300 руб. |
| 3 | 01580-08407-000 | Болт - Bolt (Bolt) | | 10 шт | 290 руб. |
| 4 | 11301-93910-0ED | Блок цилиндра в сборе - Block Assy, Cylinder (Block Assy, Cylinder) | | под заказ | 163680 руб. |
| 4 | 11300-90810-000 | (актуальный код замены) Block & Коленвал Set, Cyl - Block & Crankshaft Set, Cyl | | под заказ | 163680 руб. |
| 4 | 11300-90L00-000 | Блок цилиндра в сборе - Block Assy, Cylinder (Block Assy, Cylinder) | | под заказ | 163680 руб. |
| 4 | 11300-90810-000 | (актуальный код замены) Block & Коленвал Set, Cyl - Block & Crankshaft Set, Cyl | | под заказ | 163680 руб. |
| 4 | 11301-93910-0EP | Блок цилиндра в сборе - Block Assy, Cylinder (Model:02~) (Block Assy, Cylinder) | | под заказ | 163680 руб. |
| 4 | 11300-90810-000 | (актуальный код замены) Block & Коленвал Set, Cyl - Block & Crankshaft Set, Cyl | | под заказ | 163680 руб. |
| 5 | 04211-09109-000 | Штифт - Pin (Knock pin # Knock pin; ) (Pin) | | под заказ | 120 руб. |
| 6 | 01560-06657-000 | Болт - Bolt (Bolt) | | под заказ | 260 руб. |
| 7 | 01560-06457-000 | Болт - Bolt (Bolt) | | под заказ | 230 руб. |
| 8 | 01560-08457-000 | Болт - Bolt (Bolt) | | под заказ | 260 руб. |
| 9 | 14151-93912-000 | Прокладка выпускной системы - Gasket, Exhaust (Gasket, exhaust cover # Gasket, exhaust cover; ) (Gasket, Exhaust) | | 8 шт | 1490 руб. |
| 9 | SM-14151-93912-000 | (не оригинальный аналог) Прокладка SM-14151-93912-000 выпускного коллектора | | под заказ | 420 руб. |
| 9 | SK14151-93912 | (не оригинальный аналог) Прокладка крышки выхлопа Skipper для Suzuki Модели техники: DT9.9,DT15 | | 2 шт | 402 руб. |
| 10 | 14131-93902-000 | Пластина, Кожух выхлопной трубы - Plate, Exhaust Cover (Plate, Exhaust Cover) | | 3 шт | 4230 руб. |
| 11 | 14141-93952-0ED | Выхлопная крышка - Cover, Exhaust (Cover, exhaust ) (Cover, Exhaust) | | под заказ | 14310 руб. |
| 11 | 14141-93952-0EP | Выхлопная крышка (чёрный) - Cover, Exhaust (black) (Model:02~ ) (Cover, Exhaust (black)) | | под заказ | 14310 руб. |
| 12 | 01550-06257-000 | Болт - Bolt (Bolt) | | под заказ | 180 руб. |
| 13 | 17681-93952-0ED | Запчасть снята с производства - The Spare Part Is Laid Off (The Spare Part Is Laid Off) | | под заказ | 0 руб. |
| 13 | 17681-93952-0EP | Крышка термостата (чёрный) - Cover, Thermostat (black) (Model:02~ ) (Cover, Thermostat (black)) | | под заказ | 13920 руб. |
| 14 | 17685-91D00-000 | Прокладка крышки термостата - Gasket, Thermostat Cover (Gasket, thermostat cover ) (Gasket, Thermostat Cover) | | 29 шт | 390 руб. |
| 15 | 01560-06357-000 | Болт - Bolt (Bolt) | | под заказ | 230 руб. |
Время выполнения запроса 2.7104420661926 сек. |
|