Купить комплектующие на лодочный мотор Suzuki модель 2002 года - Цилиндр / Cylinder
вконтакте

Контактный телефон: +7 (981) 121-46-93, +7 (800) 200-90-76 , Email: parts-katalog@yandex.ru, где купить

 
 

  Логин:

Пароль:

Регистрация

www.partskatalog.ru Все каталоги Запчасти Mercury Запчасти Suzuki Запчасти Tohatsu Запчасти Honda Контакты



УВАЖАЕМЫЕ КЛИЕНТЫ!
C 19 ДЕКАБРЯ 2025 ПО 02 МАРТА 2026 ГОДА ОТДЕЛ ЗАПЧАСТЕЙ И СЕРВИС РАБОТАТЬ НЕ БУДУТ
ПРОДАЖА ЛОДОЧНЫХ МОТОРОВ В ШТАТНОМ РЕЖИМЕ
ОБ ИЗМЕНЕНИЯХ В ГРАФИКЕ РАБОТЫ ЧИТАЙТЕ НА САЙТА



назад Раздел:   вперёд

Вернуться к выбору узлов мотора


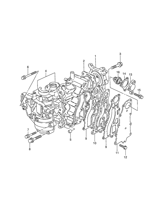
ДЕТАЛИРОВКА ДЛЯ МОДЕЛИ: SUZUKI DT9.9SK2(E1) K2

Цилиндр


Год выпуска двигателя: 2002

Номер на
рисунке
АртикулНаименованиеQTYКол-во
на складе
Цена
111110-93910-0ED

Головка блока цилиндра - Head Assy, Cylinder (Dt9.9/15 ) (Head Assy, Cylinder)

под заказ0 руб.
111110-93910-0EP

Головка цилиндра (чёрный) - Head, Cylinder (black) (Dt9.9/15, model:02~ ) (Head, Cylinder (black))

под заказ31680 руб.
111110-93960-0ED

Запчасть снята с производства - The Spare Part Is Laid Off (Dt9.9k/15k) (The Spare Part Is Laid Off)

под заказ0 руб.
111110-93960-0EP

Головка цилиндра - Head, Cylinder (Dt9.9k/15k, model:02~ ) (Head, Cylinder)

под заказ19830 руб.
211141-93950-000

Прокладка головки блока цилиндра - Gasket, Cylinder Head (Gasket, Cylinder Head)

под заказ2100 руб.
2SM-11410-93834-000

   (не оригинальный аналог) Комплект прокладок SM-11410-93834-000 на Suzuki DT9.9 / DT15 до 2013 года (без сальников)

8 шт3000 руб.
211141-93960-000

   (актуальный код замены) Прокладка головки блока цилиндра - Gasket, Cylinder Head

14 шт2300 руб.
2SM-11141-93950-000

   (не оригинальный аналог) Прокладка SM-11141-93950-000 головки блока цилиндра

1 шт500 руб.
2SC-GS171

   (не оригинальный аналог) Прокладка под головку Suzuki SC-GS171

под заказ880 руб.
211141-93960-000

Прокладка головки блока цилиндра - Gasket, Cylinder Head (Gasket, Cylinder Head)

14 шт2300 руб.
301580-08407-000

Болт - Bolt (Bolt)

10 шт290 руб.
411301-93910-0ED

Блок цилиндра в сборе - Block Assy, Cylinder (Block Assy, Cylinder)

под заказ163680 руб.
411300-90810-000

   (актуальный код замены) Block & Коленвал Set, Cyl - Block & Crankshaft Set, Cyl

под заказ163680 руб.
411300-90L00-000

Блок цилиндра в сборе - Block Assy, Cylinder (Block Assy, Cylinder)

под заказ163680 руб.
411300-90810-000

   (актуальный код замены) Block & Коленвал Set, Cyl - Block & Crankshaft Set, Cyl

под заказ163680 руб.
411301-93910-0EP

Блок цилиндра в сборе - Block Assy, Cylinder (Model:02~) (Block Assy, Cylinder)

под заказ163680 руб.
411300-90810-000

   (актуальный код замены) Block & Коленвал Set, Cyl - Block & Crankshaft Set, Cyl

под заказ163680 руб.
504211-09109-000

Штифт - Pin (Knock pin # Knock pin; ) (Pin)

под заказ120 руб.
601560-06657-000

Болт - Bolt (Bolt)

под заказ260 руб.
701560-06457-000

Болт - Bolt (Bolt)

под заказ230 руб.
801560-08457-000

Болт - Bolt (Bolt)

под заказ260 руб.
914151-93912-000

Прокладка выпускной системы - Gasket, Exhaust (Gasket, exhaust cover # Gasket, exhaust cover; ) (Gasket, Exhaust)

8 шт1490 руб.
9SM-14151-93912-000

   (не оригинальный аналог) Прокладка SM-14151-93912-000 выпускного коллектора

под заказ420 руб.
9SK14151-93912

   (не оригинальный аналог) Прокладка крышки выхлопа Skipper для Suzuki Модели техники: DT9.9,DT15

2 шт402 руб.
1014131-93902-000

Пластина, Кожух выхлопной трубы - Plate, Exhaust Cover (Plate, Exhaust Cover)

3 шт4230 руб.
1114141-93952-0ED

Выхлопная крышка - Cover, Exhaust (Cover, exhaust ) (Cover, Exhaust)

под заказ14310 руб.
1114141-93952-0EP

Выхлопная крышка (чёрный) - Cover, Exhaust (black) (Model:02~ ) (Cover, Exhaust (black))

под заказ14310 руб.
1201550-06257-000

Болт - Bolt (Bolt)

под заказ180 руб.
1317681-93952-0ED

Запчасть снята с производства - The Spare Part Is Laid Off (The Spare Part Is Laid Off)

под заказ0 руб.
1317681-93952-0EP

Крышка термостата (чёрный) - Cover, Thermostat (black) (Model:02~ ) (Cover, Thermostat (black))

под заказ13920 руб.
1417685-91D00-000

Прокладка крышки термостата - Gasket, Thermostat Cover (Gasket, thermostat cover ) (Gasket, Thermostat Cover)

29 шт390 руб.
1501560-06357-000

Болт - Bolt (Bolt)

под заказ230 руб.


Время выполнения запроса 1.9648628234863 сек.

 
 

данный сайт носит информационный характер и не является публичной офертой

склад запчастей для водомоторной техники