| |
 |
|
 |
Вернуться к выбору узлов мотора
ДЕТАЛИРОВКА ДЛЯ МОДЕЛИ: SUZUKI DT9.9KLK5(E1) K5
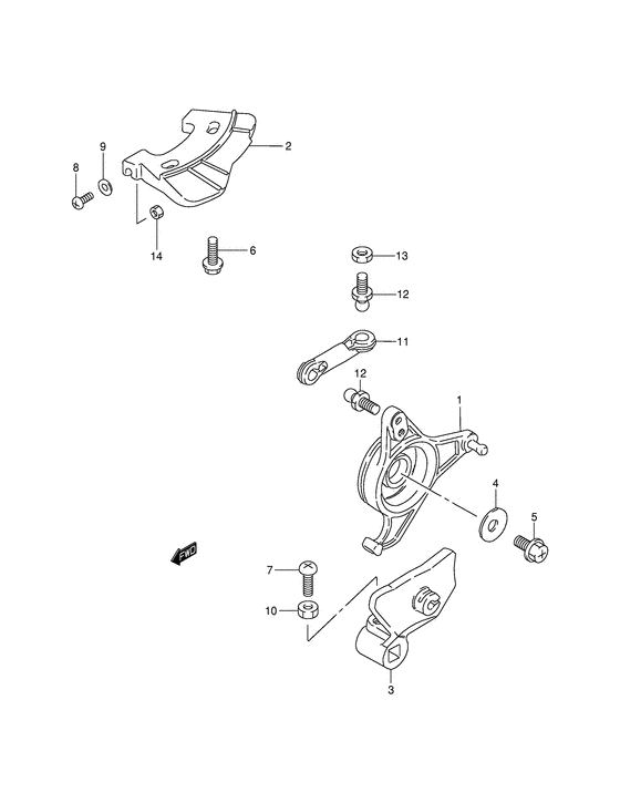
Управление дросселем
Год выпуска двигателя: 2005
Регион: General Export No.1 ,Код региона: P01
Цвет: Shadow Black Metallic
Номер на рисунке | Артикул | Наименование | QTY | Кол-во на складе | Цена |
| 1 | 19121-93901-000 | Рычаг управления дросселем - Lever, Throttle Control (Lever, Throttle Control) | | 1 шт | 1980 руб. |
| 1 | 19121-90L00-000 | Рычаг управления дросселем - Lever, Throttle Control (Lever, Throttle Control) | | под заказ | 1460 руб. |
| 1 | 19121-93901-000 | (актуальный код замены) Рычаг управления дросселем - Lever, Throttle Control | | 1 шт | 1980 руб. |
| 2 | 19141-93921-000 | Кулачок дросселя (gasoline) - Cam, Throttle (gasoline) (Dt9.9/15) (Cam, Throttle (gasoline)) | | под заказ | 860 руб. |
| 2 | 19141-90L01-000 | (актуальный код замены) Кулачок дросселя (gasoline) - Cam, Throttle (gasoline) | | 1 шт | 990 руб. |
| 2 | 19141-90L00-000 | Кулачок дросселя (gasoline) - Cam, Throttle (gasoline) (Cam, Throttle (gasoline)) | | под заказ | 860 руб. |
| 2 | 19141-90L01-000 | (актуальный код замены) Кулачок дросселя (gasoline) - Cam, Throttle (gasoline) | | 1 шт | 990 руб. |
| 2 | 19141-93960-000 | Кулачок дросселя - Cam, Throttle (Dt9.9k/15k ) (Cam, Throttle) | | под заказ | 860 руб. |
| 3 | 19811-93900-000 | Ограничитель дросселя - Limiter, Throttle (Limiter, throttle ) (Limiter, Throttle) | | под заказ | 1670 руб. |
| 4 | 09160-06066-000 | Шайба (6.5x20x1.6) - Washer (65x20x16) (Washer, throttle lever (6.5x20x1.6) # Washer (6.5x20x1.6); ) (Washer (6.5x20x1.6)) | | под заказ | 150 руб. |
| 5 | 02162-06127-000 | Винт - Screw (Screw) | | под заказ | 150 руб. |
| 6 | 02162-05167-000 | Винт - Screw (Screw ) (Screw) | | под заказ | 150 руб. |
| 7 | 02112-05167-000 | Винт - Screw (Screw) | | под заказ | 150 руб. |
| 8 | 02112-05207-000 | Винт - Screw (Dt9.9 ) (Screw) | | под заказ | 150 руб. |
| 9 | 08322-01057-000 | Шайба - Washer (Washer, front hook holder # Dt9.9 ) (Washer) | | под заказ | 140 руб. |
| 10 | 08310-00057-000 | Гайка - Nut (Dt9.9 ) (Nut) | | под заказ | 140 руб. |
| 11 | 19132-94501-000 | Коннектор - Connector (Dt9.9/15 ) (Connector) | | под заказ | 350 руб. |
| 11 | 19132-95500-000 | Коннектор - Connector (Connector # Dt9.9k/15k ) (Connector) | | под заказ | 340 руб. |
| 12 | 09119-05010-000 | Стержень - Pivot (Pivot, throttle lever ) (Pivot) | | под заказ | 500 руб. |
| 13 | 08310-00057-000 | Гайка - Nut (Nut) | | под заказ | 140 руб. |
| 14 | 08310-00057-000 | Гайка - Nut (Nut) | | под заказ | 140 руб. |
Время выполнения запроса 0.82005000114441 сек. |
|