| |
 |
|
 |
Вернуться к выбору узлов мотора
ДЕТАЛИРОВКА ДЛЯ МОДЕЛИ: SUZUKI DT9.9KLK8(E1) K8
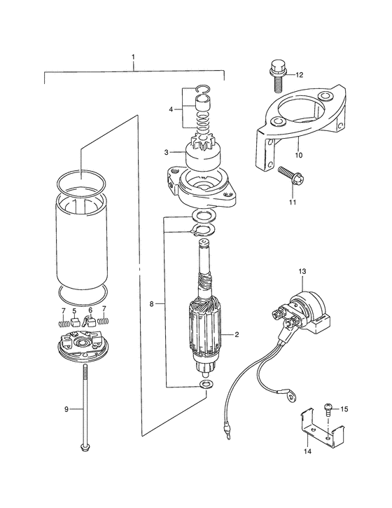
Двигатель электростартера
Год выпуска двигателя: 2008
Номер на рисунке | Артикул | Наименование | QTY | Кол-во на складе | Цена |
| 1 | 31100-89E01-000 | Двигатель электростартера в сборе - Motor Assy, Starting (Motor, starting # Motor, starting; ) (Motor Assy, Starting) | | под заказ | 92160 руб. |
| 2 | 31310-92D10-000 | Якорь в сборе - Armature Assy (Armature Assy) | | под заказ | 45840 руб. |
| 3 | 31320-89E00-000 | Комплект шестерёнок - Pinion Assy (Pinion Assy) | | под заказ | 24960 руб. |
| 4 | 31312-92D10-000 | Комплект стопора шестерни - Stopper Set, Pinion (Stopper set, pinion ) (Stopper Set, Pinion) | | под заказ | 1780 руб. |
| 5 | 31131-89E00-000 | Щётка (+) - Brush (+) (Brush (+) # Brush (+); ) (Brush (+)) | | под заказ | 1070 руб. |
| 6 | 31132-89E00-000 | Щётка (-) - Brush (-) (Brush (-) # Brush (-); ) (Brush (-)) | | под заказ | 1070 руб. |
| 7 | 31135-92D10-000 | Пружина щётки Держатель - Spring, Brush Holder (Spring, Brush Holder) | | под заказ | 770 руб. |
| 8 | 31360-92D10-000 | Шайба Kit, Thrust - Washer Kit, Thrust (Washer Kit, Thrust) | | под заказ | 780 руб. |
| 9 | 31281-92D10-000 | Сквозной болт - Bolt, Through (Bolt, starter housing ) (Bolt, Through) | | под заказ | 1220 руб. |
| 10 | 31911-93902-0ED | Запчасть снята с производства - The Spare Part Is Laid Off (Bracket, starter (gray);) (The Spare Part Is Laid Off) | | под заказ | 0 руб. |
| 10 | 31911-93902-0EP | Кронштейн, Двигатель электростартера (чёрный) - Bracket, Starting Motor (black) (Bracket, starter (black); Model:02~ ) (Bracket, Starting Motor (black)) | | под заказ | 3920 руб. |
| 10 | 31911-90L00-000 | (актуальный код замены) Кронштейн, Двигатель электростартера - Bracket, Starting Motor | | 1 шт | 3920 руб. |
| 11 | 02162-06257-000 | Винт - Screw (Bolt ) (Screw) | | 7 шт | 150 руб. |
| 12 | 01580-08257-000 | Болт - Bolt (Bolt) | | 9 шт | 240 руб. |
| 13 | 31800-94401-000 | Реле в сборе, Двигатель электростартера - Relay Assy, Starting Motor (Relay, starter # Relay assy, starting motor; ) (Relay Assy, Starting Motor) | | 2 шт | 14140 руб. |
| 14 | 31805-95501-000 | Кронштейн, Двигатель электростартера Реле - Bracket, Starting Motor Relay (Bracket, starter relay # Bracket, starting motor relay; ) (Bracket, Starting Motor Relay) | | под заказ | 390 руб. |
| 15 | 02112-35127-000 | Винт - Screw (Screw, counting # Screw; ) (Screw) | | под заказ | 120 руб. |
Время выполнения запроса 0.67390894889832 сек. |
|