Купить оригинальные запчасти на подвесной двигатель Suzuki модель 2010 года - Handle
вконтакте

Контактный телефон: +7 (981) 121-46-93, +7 (800) 200-90-76 , Email: parts-katalog@yandex.ru, где купить

 
 

  Логин:

Пароль:

Регистрация

www.partskatalog.ru Все каталоги Запчасти Mercury Запчасти Suzuki Запчасти Tohatsu Запчасти Honda Контакты



УВАЖАЕМЫЕ КЛИЕНТЫ!
C 31 ОКТЯБРЯ 2025 ПО 10 НОЯБРЯ 2025 ГОДА РАБОТАТЬ НЕ БУДЕМ



назад Раздел:   вперёд

Вернуться к выбору узлов мотора


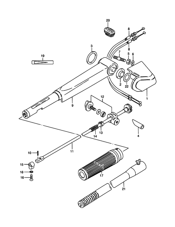
ДЕТАЛИРОВКА ДЛЯ МОДЕЛИ: SUZUKI DT9.9KL K10

Handle


Год выпуска двигателя: 2010

Цвет: Shadow Black Metallic

Номер на
рисунке
АртикулНаименованиеQTYКол-во
на складе
Цена
163121-93900-0ED

Крышка румпеля (gray) - Cover, Tiller Handle (gray) (Cover, Tiller Handle (gray))

под заказ14500 руб.
163121-93901-0ED

   (актуальный код замены) Крышка румпеля (gray) - Cover, Tiller Handle (gray)

под заказ14500 руб.
163121-93901-0ED

Крышка румпеля (gray) - Cover, Tiller Handle (gray) (Cover, Tiller Handle (gray))

под заказ14500 руб.
163121-93901-0EP

Крышка румпеля (чёрный) - Cover, Tiller Handle (black) (MODEL:02~ ) (Cover, Tiller Handle (black))

3 шт14500 руб.
263114-94300-000

Прокладка крышки румпеля - Spacer, Handle Cover (Spacer, handle cover ) (Spacer, Handle Cover)

под заказ680 руб.
263114-95L00-000

   (актуальный код замены) Прокладка крышки румпеля - Spacer, Handle Cover

7 шт800 руб.
363115-96310-000

Прокладка внутри крышки румпеля - Spacer, Handle Cover Inside (Spacer, handle cover inside ) (Spacer, Handle Cover Inside)

5 шт690 руб.
463117-96301-000

Крышка, Stop Переключатель Провод - Cover, Stop Switch Wire (Cover, stop switch wire # DT9.9K/15K ) (Cover, Stop Switch Wire)

под заказ480 руб.
463117-96302-000

   (актуальный код замены) Крышка, Stop Переключатель Провод - Cover, Stop Switch Wire

под заказ480 руб.
509140-08023-XC0

Гайка - Nut (<-09140-08016 ) (Nut)

14 шт190 руб.
629162-93J10-000

Шайба (8.2x21.5x3) - Washer (82x215x3) (Lock washer (8.2x15.4x2.0) # <-09162-08007 ) (Washer (8.2x21.5x3))

4 шт130 руб.
709108-08077-000

Болт под шпильку - Bolt, Stud (Bolt, Stud)

под заказ430 руб.
863610-96321-000

Тросик дросселя, в сборе - Cable Assy, Throttle (Cable Assy, Throttle)

под заказ1080 руб.
863610-91L00-000

   (актуальный код замены) Тросик дросселя, в сборе - Cable Assy, Throttle

16 шт1750 руб.
8SK63610-96321

   (не оригинальный аналог) Трос румпеля Skipper для Suzuki DT9.9-30

0 шт568 руб.
863610-91L00-000

Тросик дросселя, в сборе - Cable Assy, Throttle (Cable Assy, Throttle)

16 шт1750 руб.
963111-96331-0ED

Ручка румпеля (gray) - Handle, Tiller (gray) (Handle, Tiller (gray))

под заказ0 руб.
963111-96332-0ED

   (актуальный код замены) Запчасть снята с производства - The Spare Part Is Laid Off

под заказ0 руб.
963111-96332-0ED

Ручка румпеля (gray) - Handle, Tiller (gray) (Handle, Tiller (gray))

под заказ0 руб.
963111-96332-0EP

Ручка румпеля (чёрный) - Handle, Tiller (black) (MODEL:02~ ) (Handle, Tiller (black))

2 шт15940 руб.
1063227-93200-000

Штифт, Handle Тяга - Pin, Handle Rod (Pin, handle rod ) (Pin, Handle Rod)

под заказ220 руб.
1163220-94304-000

Тяга румпеля - Rod, Handle (DT9.9K/15K ) (Rod, Handle)

2 шт6250 руб.
1163220-96302-000

Тяга румпеля - Rod, Handle (DT9.9/15 ) (Rod, Handle)

под заказ2980 руб.
11SK63220-96302

   (не оригинальный аналог) Вал румпеля Skipper для Suzuki DT9,9-DT40

0 шт1247 руб.
1263240-96300-000

Регулировка румпеля (комплект) Рукоятка - Adjuster Set, Handle Grip (Adjuster, handle grip ) (Adjuster Set, Handle Grip)

3 шт2490 руб.
1363225-93200-000

Втулка тяги румпеля - Bush, Handle Rod (Bush, handle rod ) (Bush, Handle Rod)

14 шт480 руб.
1409440-12027-000

Пружина - Spring (Spring)

12 шт170 руб.
1563223-92D00-000

Стопор тяги румпеля - Stopper, Handle Rod (Stopper, handle rod ) (Stopper, Handle Rod)

под заказ430 руб.
1609126-06015-000

Винт (6x23) - Screw (6x23) (Screw (6x23))

6 шт190 руб.
1763210-93E20-000

Рукоятка в сборе, Handle - Grip Assy, Handle (DT9.9K/15K ) (Grip Assy, Handle)

под заказ4520 руб.
1763210-93E30-000

Рукоятка румпеля - Grip, Handle (Grip, handle # DT9.9/15 ) (Grip, Handle)

1 шт3390 руб.
1809163-06001-000

Шайба с блокировкой - Washer, Lock (Washer, Lock)

13 шт120 руб.
1963215-93110-000

Маркировка ручки румпеля - Mark, Handle Grip (Mark, handle grip ) (Mark, Handle Grip)

под заказ320 руб.
2063625-93900-000

Втулка тросика дросселя - Grommet, Throttlee Cable (Grommet, throttle cable ) (Grommet, Throttlee Cable)

2 шт390 руб.
2063625-93901-000

   (актуальный код замены) Втулка тросика дросселя - Grommet, Throttlee Cable

под заказ390 руб.
2163300-93E00-000

Bar, Удлинитель - Bar, Extension (Bar assy, extension # OPT ) (Bar, Extension)

под заказ31440 руб.
2263118-94300-000

Регулировочная шайба (0.3) - Shim (03) (Shim (13.2x31x0.3) ) (Shim (0.3))

4 шт370 руб.
2263118-94310-000

Регулировочная шайба (0.5) - Shim (05) (Shim (0.5) # OPT ) (Shim (0.5))

14 шт570 руб.


Время выполнения запроса 1.2526829242706 сек.

 
 

данный сайт носит информационный характер и не является публичной офертой

склад запчастей для водомоторной техники