Комплектующие на лодочный мотор Suzuki модель 1978 года - Carburetor - Карбюратор
вконтакте

Контактный телефон: +7 (981) 121-46-93, +7 (800) 200-90-76 , Email: parts-katalog@yandex.ru, где купить

 
 

  Логин:

Пароль:

Регистрация

www.partskatalog.ru Все каталоги Запчасти Mercury Запчасти Suzuki Запчасти Tohatsu Запчасти Honda Контакты



УВАЖАЕМЫЕ КЛИЕНТЫ!
C 19 ДЕКАБРЯ 2025 ПО 02 МАРТА 2026 ГОДА ОТДЕЛ ЗАПЧАСТЕЙ И СЕРВИС РАБОТАТЬ НЕ БУДУТ
ПРОДАЖА ЛОДОЧНЫХ МОТОРОВ В ШТАТНОМ РЕЖИМЕ
ОБ ИЗМЕНЕНИЯХ В ГРАФИКЕ РАБОТЫ ЧИТАЙТЕ НА САЙТА



назад Раздел:   вперёд

Вернуться к выбору узлов мотора


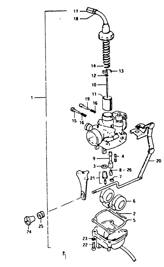
ДЕТАЛИРОВКА ДЛЯ МОДЕЛИ: SUZUKI DT14C C

Карбюратор


Год выпуска двигателя: 1978

Регион: Japan

Номер на
рисунке
АртикулНаименованиеQTYКол-во
на складе
Цена
113200-93630-000

Запчасть снята с производства - The Spare Part Is Laid Off (Stamp:93630) (The Spare Part Is Laid Off)

под заказ0 руб.
113200-93631-000

   (актуальный код замены) Запчасть снята с производства - The Spare Part Is Laid Off

под заказ0 руб.
113200-93631-000

Запчасть снята с производства - The Spare Part Is Laid Off (Stamp:93631, from 13200-93630) (The Spare Part Is Laid Off)

под заказ0 руб.
113200-93632-000

Запчасть снята с производства - The Spare Part Is Laid Off (Stamp:93632) (The Spare Part Is Laid Off)

под заказ0 руб.
213254-01010-000

Стопор поплавка - Pin, Float (Pin, float; ) (Pin, Float)

под заказ290 руб.
313392-01010-000

Прокладка, Игольчатый клапан - Gasket, Needle Valve (Gasket, valve seat ) (Gasket, Needle Valve)

под заказ150 руб.
409492-20002-000

Контрольная форсунка - Jet, Pilot (Jet, Pilot)

под заказ970 руб.
409492-20008-000

   (актуальный код замены) Контрольная форсунка - Jet, Pilot

под заказ970 руб.
409492-20008-000

Контрольная форсунка - Jet, Pilot (Jet, pilot (20) ) (Jet, Pilot)

под заказ970 руб.
513251-98011-000

Запчасть снята с производства - The Spare Part Is Laid Off (The Spare Part Is Laid Off)

под заказ0 руб.
613252-02010-000

Поплавок - Float (Folat # Folat; ) (Float)

под заказ0 руб.
713691-98010-000

Запчасть снята с производства - The Spare Part Is Laid Off (The Spare Part Is Laid Off)

под заказ0 руб.
809491-30001-000

Запчасть снята с производства - The Spare Part Is Laid Off (Jet, main (150);) (The Spare Part Is Laid Off)

под заказ0 руб.
909494-00071-000

Игольчатый клапан (e-1) - Jet, Needle (e-1) (Jet, Needle (e-1))

под заказ0 руб.
1013383-19600-000

иголка, Jet - Needle, Jet (Needle, Jet)

под заказ0 руб.
1113551-98012-000

Запчасть снята с производства - The Spare Part Is Laid Off (The Spare Part Is Laid Off)

под заказ0 руб.
1213394-12110-000

под заказ0 руб.
1313581-01010-000

Пластина - Plate (Plate)

под заказ500 руб.
1313581-07910-000

   (актуальный код замены) Пластина - Plate

под заказ500 руб.
1313581-07910-000

Пластина - Plate (Plate)

под заказ500 руб.
1413573-01010-000

Пружина клапана дросселя - Spring, Throttle Valve (Spring, valve return # Spring, valve return; ) (Spring, Throttle Valve)

под заказ480 руб.
1513267-98010-000

Запчасть снята с производства - The Spare Part Is Laid Off (The Spare Part Is Laid Off)

под заказ0 руб.
1513267-93600-000

Запчасть снята с производства - The Spare Part Is Laid Off (The Spare Part Is Laid Off)

под заказ0 руб.
1613268-95110-000

Пружина - Spring (Spring)

под заказ350 руб.
1613268-35010-000

   (актуальный код замены) Пружина - Spring

под заказ350 руб.
1613268-35010-000

Пружина - Spring (Spring)

под заказ350 руб.
1713577-98011-000

Запчасть снята с производства - The Spare Part Is Laid Off (The Spare Part Is Laid Off)

под заказ0 руб.
1813661-03010-000

Гайка - Nut (Nut, adjuster # Nut, adjuster; ) (Nut)

под заказ350 руб.
1813661-16600-000

Гайка - Nut (Nut, adjuster # Nut, adjuster; ) (Nut)

под заказ390 руб.
1913269-01010-000

Винт контроля воздуха - Screw, Pilot Air (Screw, pilot air # Screw, pilot air; ) (Screw, Pilot Air)

под заказ1160 руб.
2013413-93630-000

Запчасть снята с производства - The Spare Part Is Laid Off (The Spare Part Is Laid Off)

под заказ0 руб.
2113370-93631-000

Запчасть снята с производства - The Spare Part Is Laid Off (From 13370-23010) (The Spare Part Is Laid Off)

под заказ0 руб.
2213601-03068-000

Винт - Screw (Screw)

под заказ220 руб.
2313571-96110-000

Запчасть снята с производства - The Spare Part Is Laid Off (The Spare Part Is Laid Off)

под заказ0 руб.
2413631-99002-000

Рукоятка стартера - Knob, Starter (To 13631-93500) (Knob, Starter)

под заказ460 руб.
2413631-93501-000

   (актуальный код замены) Рукоятка стартера - Knob, Starter

2 шт460 руб.
2413631-93501-000

Рукоятка стартера - Knob, Starter (Knob, Starter)

2 шт460 руб.
2509305-04003-000

Втулка - Bush (Bush)

под заказ160 руб.
2509320-04013-000

   (актуальный код замены) Подушка, Muf Cov - Cushion, Muf Cov

под заказ160 руб.
2509320-04009-000

Втулка - Bush (Bush)

под заказ160 руб.
2509320-04013-000

   (актуальный код замены) Подушка, Muf Cov - Cushion, Muf Cov

под заказ160 руб.
2609491-29008-000

Запчасть снята с производства - The Spare Part Is Laid Off (Jet, main (145); Opt) (The Spare Part Is Laid Off)

под заказ0 руб.
2609491-28001-000

Запчасть снята с производства - The Spare Part Is Laid Off (Opt) (The Spare Part Is Laid Off)

под заказ0 руб.
2609491-31006-000

(Jet, main (155); Opt)

под заказнет сведений


Время выполнения запроса 1.3663129806519 сек.

 
 

данный сайт носит информационный характер и не является публичной офертой

склад запчастей для водомоторной техники