Купить комплектующие Suzuki - Transmission - Трансмиссия
вконтакте

Контактный телефон: +7 (981) 121-46-93, +7 (800) 200-90-76 , Email: parts-katalog@yandex.ru, где купить

 
 

  Логин:

Пароль:

Регистрация

www.partskatalog.ru Все каталоги Запчасти Mercury Запчасти Suzuki Запчасти Tohatsu Запчасти Honda Контакты

назад Раздел:   вперёд

Вернуться к выбору узлов мотора


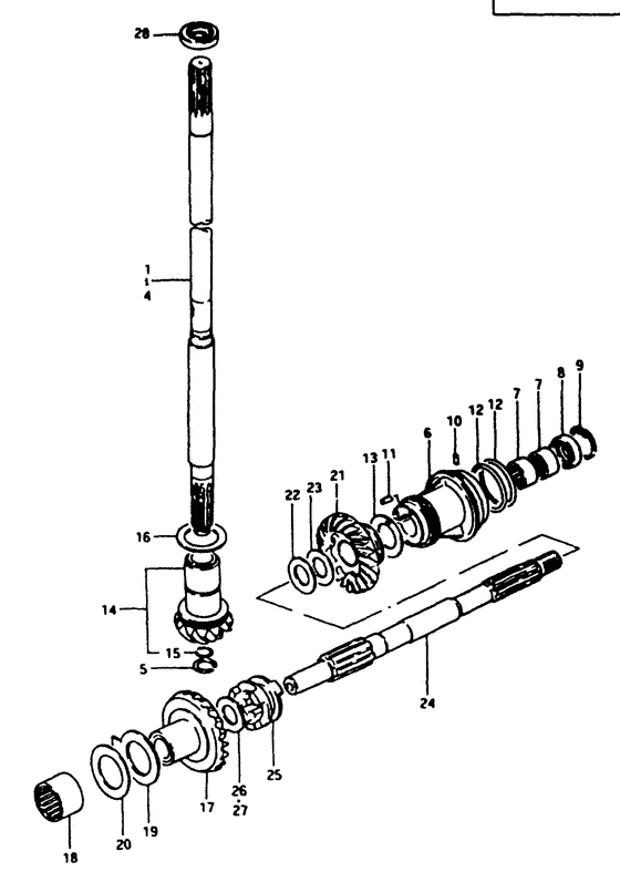
ДЕТАЛИРОВКА ДЛЯ МОДЕЛИ: SUZUKI DT14C C

Трансмиссия


Год выпуска двигателя: 1978

Регион: Japan

Номер на
рисунке
АртикулНаименованиеQTYКол-во
на складе
Цена
157110-93411-000

Запчасть снята с производства - The Spare Part Is Laid Off (S type, from 57110-93410) (The Spare Part Is Laid Off)

под заказ0 руб.
157110-93412-000

   (актуальный код замены) Запчасть снята с производства - The Spare Part Is Laid Off

под заказ0 руб.
257110-93401-000

Запчасть снята с производства - The Spare Part Is Laid Off (L type, from 57110-93400) (The Spare Part Is Laid Off)

под заказ0 руб.
257110-93402-000

   (актуальный код замены) Запчасть снята с производства - The Spare Part Is Laid Off

под заказ0 руб.
357110-93421-000

Запчасть снята с производства - The Spare Part Is Laid Off (Shaft, drive (l:881); Ll type, from 57110-93420) (The Spare Part Is Laid Off)

под заказ0 руб.
357110-93422-000

   (актуальный код замены) Запчасть снята с производства - The Spare Part Is Laid Off

под заказ0 руб.
457110-93431-000

Запчасть снята с производства - The Spare Part Is Laid Off (Shaft, drive (l:950); Ul type, from 57110-93430) (The Spare Part Is Laid Off)

под заказ0 руб.
457110-93432-000

   (актуальный код замены) Запчасть снята с производства - The Spare Part Is Laid Off

под заказ0 руб.
508331-31128-000

Стопорное кольцо - Circlip (Circlip)

под заказ130 руб.
508331-3112A-000

   (актуальный код замены) Стопорное кольцо - Circlip

23 шт130 руб.
508331-3112A-000

Стопорное кольцо - Circlip (Circlip)

23 шт130 руб.
709263-17009-000

Запчасть снята с производства - The Spare Part Is Laid Off (Bearing, housing;) (The Spare Part Is Laid Off)

под заказ0 руб.
809289-17002-000

Сальник (17x30x9) - Seal, Oil (17x30x9) (To 09289-17004) (Seal, Oil (17x30x9))

под заказ960 руб.
809289-17004-000

   (актуальный код замены) Сальник (17x30x9) - Seal, Oil (17x30x9)

92 шт1050 руб.
8SC-OL021

   (не оригинальный аналог) Сальник редуктора Tohatsu SC-OL021

1 шт250 руб.
809289-17004-000

Сальник (17x30x9) - Seal, Oil (17x30x9) (Oil seal, bearing housing ) (Seal, Oil (17x30x9))

92 шт1050 руб.
8SK09289-17004

   (не оригинальный аналог) Сальник ведущего вала Skipper для Suzuki Модели техники: DT25-30

0 шт130 руб.
909387-28003-000

Запчасть снята с производства - The Spare Part Is Laid Off (The Spare Part Is Laid Off)

под заказ0 руб.
909387-28004-000

   (актуальный код замены) Запчасть снята с производства - The Spare Part Is Laid Off

под заказ0 руб.
1009202-04008-000

Штифт (4x9) - Pin (4x9) (Pin, knock # (.)pin, bearing housing; ) (Pin (4x9))

4 шт150 руб.
1109205-03010-000

Стопор пружины (3x8) - Pin, Spring (3x8) ( (.)pin, thrust washer;) (Pin, Spring (3x8))

под заказ130 руб.
1109205-03032-000

   (актуальный код замены) Стопор пружины (3x8) - Pin, Spring (3x8)

под заказ130 руб.
1109205-03032-000

Стопор пружины (3x8) - Pin, Spring (3x8) (Pin (3x8) ) (Pin, Spring (3x8))

под заказ130 руб.
1209280-40004-000

Уплотнительное кольцо (d: 3.5, Id: 40) - O Ring (d:35, Id:40) (O ring, bearing housing;) (O Ring (d:3.5, Id:40))

под заказ0 руб.
1309160-19011-000

Запчасть снята с производства - The Spare Part Is Laid Off (Thrust washer (t:2.0);) (The Spare Part Is Laid Off)

под заказ0 руб.
1309160-19012-000

Запчасть снята с производства - The Spare Part Is Laid Off (Thrust washer (t:2.5);) (The Spare Part Is Laid Off)

под заказ0 руб.
1309160-19013-000

Запчасть снята с производства - The Spare Part Is Laid Off (Thrust washer (t:3.0);) (The Spare Part Is Laid Off)

под заказ0 руб.
1309160-19014-000

Запчасть снята с производства - The Spare Part Is Laid Off (Thrust washer (t:3.5);) (The Spare Part Is Laid Off)

под заказ0 руб.
1457310-93005-000

Запчасть снята с производства - The Spare Part Is Laid Off (Pinion set; From 57300-93813) (The Spare Part Is Laid Off)

под заказ0 руб.
1509381-12002-000

Запчасть снята с производства - The Spare Part Is Laid Off (The Spare Part Is Laid Off)

под заказ0 руб.
1608221-25352-000

Регулировочная шайба - Shim (Shim, pinion (t:0.05) # Shim, pinion (t:0.05); ) (Shim)

под заказ150 руб.
1757510-93005-000

Запчасть снята с производства - The Spare Part Is Laid Off (To 57510-93006) (The Spare Part Is Laid Off)

под заказ0 руб.
1757310-93810-000

   (актуальный код замены) Запчасть снята с производства - The Spare Part Is Laid Off

под заказ0 руб.
1809263-24010-000

Подшипник (24x32x20) - Bearing (24x32x20) (Bearing, pinion (24x32x20) ) (Bearing (24x32x20))

под заказ3240 руб.
1957515-93000-000

Запчасть снята с производства - The Spare Part Is Laid Off (The Spare Part Is Laid Off)

под заказ0 руб.
2008211-25443-000

Шайба - Washer (Shim (t:2.0) # Shim (t:2.0); ) (Washer)

под заказ240 руб.
2008211-25442-000

Шайба - Washer (Shim (t:1.5) # Shim (t:1.5); ) (Washer)

под заказ240 руб.
2009181-25004-000

Запчасть снята с производства - The Spare Part Is Laid Off (Shim (t:0.1);) (The Spare Part Is Laid Off)

под заказ0 руб.
2009181-25005-000

Запчасть снята с производства - The Spare Part Is Laid Off (Shim (t:0.05);) (The Spare Part Is Laid Off)

под заказ0 руб.
2157520-93004-000

Шестерня обратного хода - Gear, Revers (Gear, Revers)

под заказ0 руб.
2157520-93005-000

   (актуальный код замены) Запчасть снята с производства - The Spare Part Is Laid Off

под заказ0 руб.
2157520-93005-000

Шестерня обратного хода - Gear, Revers (Gear, reverse (nt:21) ) (Gear, Revers)

под заказ0 руб.
2208211-17242-000

Шайба - Washer (Washer (t:1.5); ) (Washer)

под заказ170 руб.
2208211-17241-000

Шайба - Washer (Washer, crankshaft thrust # Washer (t:1.0); ) (Washer)

2 шт170 руб.
2308221-17243-000

Регулировочная шайба - Shim (Shim (t:0.1); ) (Shim)

под заказ150 руб.
2308221-17245-000

Регулировочная шайба (17x24x0.5) - Shim (17x24x05) (Shim (t:0.5);) (Shim (17x24x0.5))

под заказ230 руб.
2309181-17130-000

   (актуальный код замены) Регулировочная шайба (17x24x0.5) - Shim (17x24x0.5)

под заказ230 руб.
2309181-17130-000

Регулировочная шайба (17x24x0.5) - Shim (17x24x05) (Washer, kick starter shaft, l ) (Shim (17x24x0.5))

под заказ230 руб.
2457610-93401-000

Запчасть снята с производства - The Spare Part Is Laid Off (To 57610-93402) (The Spare Part Is Laid Off)

под заказ0 руб.
2457610-93402-000

   (актуальный код замены) Запчасть снята с производства - The Spare Part Is Laid Off

под заказ0 руб.
2557621-93400-000

Запчасть снята с производства - The Spare Part Is Laid Off (To 57621-93401) (The Spare Part Is Laid Off)

под заказ0 руб.
2557621-93401-000

   (актуальный код замены) Запчасть снята с производства - The Spare Part Is Laid Off

под заказ0 руб.
2608211-16202-000

Регулировочная шайба (16x20x1.5) - Shim (16x20x15) (Washer, forward gear (t:1.5);) (Shim (16x20x1.5))

под заказ0 руб.
2609181-16128-000

   (актуальный код замены) Запчасть снята с производства - The Spare Part Is Laid Off

под заказ0 руб.
2609181-16128-000

Регулировочная шайба (16x20x1.5) - Shim (16x20x15) (Washer, prop rev (t:1.5) ) (Shim (16x20x1.5))

под заказ0 руб.
2608211-16201-000

Шайба - Washer (Washer, forward gear (t:1.0) # Washer, forward gear (t:1.0); ) (Washer)

под заказ160 руб.
2708221-16203-000

Регулировочная шайба - Shim (Shim, forward gear (t:0.1) # Shim, forward gear (t:0.1); ) (Shim)

под заказ150 руб.
2809289-15004-000

Сальник (14.2x25x7) - Seal, Oil (142x25x7) (To 09289-15009) (Seal, Oil (14.2x25x7))

под заказ0 руб.
2809289-15009-000

   (актуальный код замены) Запчасть снята с производства - The Spare Part Is Laid Off

под заказ0 руб.
2809289-15009-000

Сальник (14.2x25x7) - Seal, Oil (142x25x7) (Oil seal, drive shaft ) (Seal, Oil (14.2x25x7))

под заказ0 руб.


Время выполнения запроса 3.0449409484863 сек.

 
 

данный сайт носит информационный характер и не является публичной офертой

склад запчастей для водомоторной техники