Оригинальные запчасти на подвесной лодочный мотор Suzuki - grip - Рукоятка
вконтакте

Контактный телефон: +7 (981) 121-46-93, +7 (800) 200-90-76 , Email: parts-katalog@yandex.ru, где купить

 
 

  Логин:

Пароль:

Регистрация

www.partskatalog.ru Все каталоги Запчасти Mercury Запчасти Suzuki Запчасти Tohatsu Запчасти Honda Контакты



УВАЖАЕМЫЕ КЛИЕНТЫ!
C 19 ДЕКАБРЯ 2025 ПО 02 МАРТА 2026 ГОДА ОТДЕЛ ЗАПЧАСТЕЙ И СЕРВИС РАБОТАТЬ НЕ БУДУТ
ПРОДАЖА ЛОДОЧНЫХ МОТОРОВ В ШТАТНОМ РЕЖИМЕ
ОБ ИЗМЕНЕНИЯХ В ГРАФИКЕ РАБОТЫ ЧИТАЙТЕ НА САЙТА



назад Раздел:   вперёд

Вернуться к выбору узлов мотора


ДЕТАЛИРОВКА ДЛЯ МОДЕЛИ: SUZUKI DT14F F

Handle - Рукоятка


Год выпуска двигателя: 1985

Регион: Japan

Номер на
рисунке
АртикулНаименованиеQTYКол-во
на складе
Цена
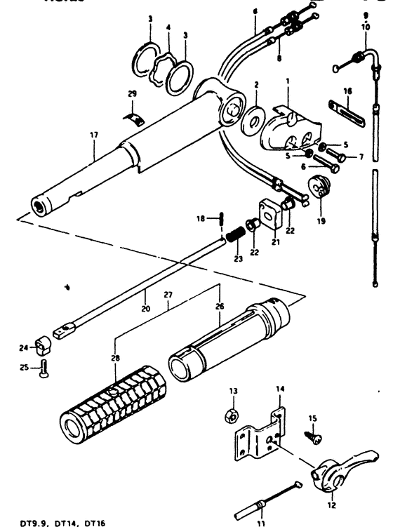
163113-93100-01J

Запчасть снята с производства - The Spare Part Is Laid Off (The Spare Part Is Laid Off)

под заказ0 руб.
263114-93200-000

Запчасть снята с производства - The Spare Part Is Laid Off (Spacer (14x31x3.5);) (The Spare Part Is Laid Off)

под заказ0 руб.
309160-32004-000

Шайба (32.5x42x0.5) - Washer (325x42x05) (Washer (32.5x42x0.5) # Washer (32.5x42x0.5); ) (Washer (32.5x42x0.5))

под заказ230 руб.
409164-32001-000

Запчасть снята с производства - The Spare Part Is Laid Off (The Spare Part Is Laid Off)

под заказ0 руб.
509162-06001-000

Шайба с блокировкой - Washer, Lock (Washer, Lock)

под заказ160 руб.
509162-06006-000

   (актуальный код замены) Шайба с блокировкой - Washer, Lock

под заказ160 руб.
509162-06006-000

Шайба с блокировкой - Washer, Lock (Lock washer ) (Washer, Lock)

под заказ160 руб.
609100-06049-000

Болт (6x30) - Bolt (6x30) (Bolt (6x30))

под заказ0 руб.
609100-06083-000

   (актуальный код замены) Запчасть снята с производства - The Spare Part Is Laid Off

под заказ0 руб.
609100-06083-000

Болт (6x30) - Bolt (6x30) (Bolt (6*30) ) (Bolt (6x30))

под заказ0 руб.
709100-06020-000

Болт (6x20) - Bolt (6x20) (Bolt (6x20))

под заказ0 руб.
709100-06122-000

   (актуальный код замены) Запчасть снята с производства - The Spare Part Is Laid Off

под заказ0 руб.
709100-06122-000

Болт (6x20) - Bolt (6x20) (Bolt (6x20))

под заказ0 руб.
863620-93100-000

Запчасть снята с производства - The Spare Part Is Laid Off (Cable assy, throttle (grip->lever);) (The Spare Part Is Laid Off)

под заказ0 руб.
963630-93200-000

Запчасть снята с производства - The Spare Part Is Laid Off (Dt9.9) (The Spare Part Is Laid Off)

под заказ0 руб.
963630-93100-000

   (актуальный код замены) Запчасть снята с производства - The Spare Part Is Laid Off

под заказ0 руб.
1063630-93100-000

Запчасть снята с производства - The Spare Part Is Laid Off (Dt14, dt16) (The Spare Part Is Laid Off)

под заказ0 руб.
1263400-99011-000

Запчасть снята с производства - The Spare Part Is Laid Off (Opt (dt9.9yf, dt9.9yfe3)) (The Spare Part Is Laid Off)

под заказ0 руб.
1263400-98900-000

   (актуальный код замены) Запчасть снята с производства - The Spare Part Is Laid Off

под заказ0 руб.
1309140-06004-000

Гайка - Nut (Opt (dt9.9yf, dt9.9yfe3)) (Nut)

под заказ150 руб.
1309140-06020-000

   (актуальный код замены) Гайка - Nut

9 шт150 руб.
1309140-06020-000

Гайка - Nut (Nut)

9 шт150 руб.
1463621-93280-000

Запчасть снята с производства - The Spare Part Is Laid Off (Opt (dt9.9yf, dt9.9yfe3)) (The Spare Part Is Laid Off)

под заказ0 руб.
1503112-05209-000

Винт - Screw (Opt (dt9.9yf, dt9.9yfe3)) (Screw)

под заказ150 руб.
1503111-0520A-000

   (актуальный код замены) Винт - Screw

под заказ150 руб.
1503111-0520A-000

Винт - Screw (Screw)

под заказ150 руб.
1609404-06402-000

Струбцина (l: 45) - Clamp (l:45) (To 09404-06412) (Clamp (l:45))

под заказ170 руб.
1609404-06031-000

   (актуальный код замены) Струбцина, Rsvr Tank Ovfl Шланг - Clamp, Rsvr Tank Ovfl Hose

под заказ170 руб.
1609404-06206-000

Струбцина (l: 45) - Clamp (l:45) (Clamp (l:45))

под заказ170 руб.
1609404-06031-000

   (актуальный код замены) Струбцина, Rsvr Tank Ovfl Шланг - Clamp, Rsvr Tank Ovfl Hose

под заказ170 руб.
1763111-93200-01J

(To 63111-93201-01j)

под заказ0 руб.
1763100-98811-0ED

Запчасть снята с производства - The Spare Part Is Laid Off (The Spare Part Is Laid Off)

под заказ0 руб.
1763240-96300-000

Регулировка румпеля (комплект) Рукоятка - Adjuster Set, Handle Grip (Adjuster, handle grip ) (Adjuster Set, Handle Grip)

3 шт2490 руб.
1863227-93200-000

Штифт, Handle Тяга - Pin, Handle Rod (Pin, handle rod # Pin, handle rod; ) (Pin, Handle Rod)

под заказ220 руб.
1963222-93200-000

Drum, Handle Тяга - Drum, Handle Rod (Drum, handle rod # Drum, handle rod; ) (Drum, Handle Rod)

под заказ0 руб.
2063221-93200-000

Тяга румпеля - Rod, Handle (Rod, Handle)

под заказ5040 руб.
2063220-98504-000

   (актуальный код замены) Тяга румпеля - Rod, Handle

под заказ5040 руб.
2063220-98504-000

Тяга румпеля - Rod, Handle (Rod, Handle)

под заказ5040 руб.
2163224-93200-000

Запчасть снята с производства - The Spare Part Is Laid Off (To 63224-93201) (The Spare Part Is Laid Off)

под заказ0 руб.
2163224-93202-000

   (актуальный код замены) Запчасть снята с производства - The Spare Part Is Laid Off

под заказ0 руб.
2163224-93202-000

Запчасть снята с производства - The Spare Part Is Laid Off (From 63224-93201) (The Spare Part Is Laid Off)

под заказ0 руб.
2263225-93200-000

Втулка тяги румпеля - Bush, Handle Rod (Bush, handle rod ) (Bush, Handle Rod)

14 шт480 руб.
2363226-93200-000

Пружина - Spring (Spring)

под заказ130 руб.
2309440-12027-000

   (актуальный код замены) Пружина - Spring

12 шт170 руб.
2309440-12027-000

Пружина - Spring (Spring)

12 шт170 руб.
2463223-93200-000

Стопор тяги румпеля - Stopper, Handle Rod (Stopper, Handle Rod)

под заказ430 руб.
2463223-92D00-000

   (актуальный код замены) Стопор тяги румпеля - Stopper, Handle Rod

под заказ430 руб.
2463223-92D00-000

Стопор тяги румпеля - Stopper, Handle Rod (Stopper, handle rod ) (Stopper, Handle Rod)

под заказ430 руб.
2509126-06004-000

Запчасть снята с производства - The Spare Part Is Laid Off (The Spare Part Is Laid Off)

под заказ0 руб.
2663211-93200-000

Рукоятка румпеля - Grip, Handle (To 63210-93200) (Grip, Handle)

под заказ3390 руб.
2663210-93E30-000

   (актуальный код замены) Рукоятка румпеля - Grip, Handle

1 шт3390 руб.
2663210-93E30-000

Рукоятка румпеля - Grip, Handle (Grip, handle ) (Grip, Handle)

1 шт3390 руб.
2763210-93200-000

Рукоятка румпеля - Grip, Handle (Grip, Handle)

под заказ3390 руб.
2763210-93E30-000

   (актуальный код замены) Рукоятка румпеля - Grip, Handle

1 шт3390 руб.
2763210-93E30-000

Рукоятка румпеля - Grip, Handle (Grip, handle ) (Grip, Handle)

1 шт3390 руб.
2863212-93200-000

Рукоятка румпеля - Grip, Handle (Grip, Handle)

под заказ3390 руб.
2863210-93E30-000

   (актуальный код замены) Рукоятка румпеля - Grip, Handle

1 шт3390 руб.
2863210-93E30-000

Рукоятка румпеля - Grip, Handle (Grip, handle ) (Grip, Handle)

1 шт3390 руб.
2963215-93101-000

Маркировка ручки румпеля - Mark, Handle Grip (Mark, Handle Grip)

под заказ320 руб.
2963215-93110-000

   (актуальный код замены) Маркировка ручки румпеля - Mark, Handle Grip

под заказ320 руб.
2963215-93110-000

Маркировка ручки румпеля - Mark, Handle Grip (Mark, handle grip ) (Mark, Handle Grip)

под заказ320 руб.


Время выполнения запроса 1.297189950943 сек.

 
 

данный сайт носит информационный характер и не является публичной офертой

склад запчастей для водомоторной техники