Купить комплектующие на лодочный мотор Suzuki модель 1985 года - Carburetor
вконтакте

Контактный телефон: +7 (981) 121-46-93, +7 (800) 200-90-76 , Email: parts-katalog@yandex.ru, где купить

 
 

  Логин:

Пароль:

Регистрация

www.partskatalog.ru Все каталоги Запчасти Mercury Запчасти Suzuki Запчасти Tohatsu Запчасти Honda Контакты



УВАЖАЕМЫЕ КЛИЕНТЫ!
C 19 ДЕКАБРЯ 2025 ПО 02 МАРТА 2026 ГОДА ОТДЕЛ ЗАПЧАСТЕЙ И СЕРВИС РАБОТАТЬ НЕ БУДУТ
ПРОДАЖА ЛОДОЧНЫХ МОТОРОВ В ШТАТНОМ РЕЖИМЕ
ОБ ИЗМЕНЕНИЯХ В ГРАФИКЕ РАБОТЫ ЧИТАЙТЕ НА САЙТА



назад Раздел:   вперёд

Вернуться к выбору узлов мотора


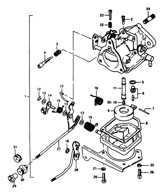
ДЕТАЛИРОВКА ДЛЯ МОДЕЛИ: SUZUKI DT14F F

Карбюратор


Год выпуска двигателя: 1985

Регион: Japan

Номер на
рисунке
АртикулНаименованиеQTYКол-во
на складе
Цена
113200-93613-000

Запчасть снята с производства - The Spare Part Is Laid Off (L, ll & ul type) (The Spare Part Is Laid Off)

под заказ0 руб.
113200-93620-000

Запчасть снята с производства - The Spare Part Is Laid Off (S type, to 13200-93621) (The Spare Part Is Laid Off)

под заказ0 руб.
113200-93623-000

   (актуальный код замены) Запчасть снята с производства - The Spare Part Is Laid Off

под заказ0 руб.
113200-93621-000

Запчасть снята с производства - The Spare Part Is Laid Off (To 13200-93622) (The Spare Part Is Laid Off)

под заказ0 руб.
113200-93623-000

   (актуальный код замены) Запчасть снята с производства - The Spare Part Is Laid Off

под заказ0 руб.
113200-93622-000

Запчасть снята с производства - The Spare Part Is Laid Off (~dt20d-12055, to 13200-93623) (The Spare Part Is Laid Off)

под заказ0 руб.
113200-93623-000

   (актуальный код замены) Запчасть снята с производства - The Spare Part Is Laid Off

под заказ0 руб.
113200-93623-000

Запчасть снята с производства - The Spare Part Is Laid Off (The Spare Part Is Laid Off)

под заказ0 руб.
113200-93641-000

Запчасть снята с производства - The Spare Part Is Laid Off (The Spare Part Is Laid Off)

под заказ0 руб.
113200-93650-000

   (актуальный код замены) Запчасть снята с производства - The Spare Part Is Laid Off

под заказ0 руб.
209492-70001-000

Контрольная форсунка (70) - Jet, Pilot (70) (Jet, pilot (70) # Jet, pilot (70); ) (Jet, Pilot (70))

1 шт630 руб.
209492-62001-000

Контрольная форсунка (62.5) - Jet, Pilot (625) (Jet, pilot (62.5) # Jet, pilot (62.5); ) (Jet, Pilot (62.5))

1 шт0 руб.
313271-93310-000

Запчасть снята с производства - The Spare Part Is Laid Off (The Spare Part Is Laid Off)

под заказ0 руб.
313271-93311-000

Пружина - Spring (Spring, air screw # Spring, air screw; ) (Spring)

1 шт350 руб.
413269-93310-000

Винт контроля воздуха - Screw, Pilot Air (To 13269-93311) (Screw, Pilot Air)

под заказ810 руб.
413269-93311-000

   (актуальный код замены) Винт контроля воздуха - Screw, Pilot Air

под заказ810 руб.
413269-93311-000

Винт контроля воздуха - Screw, Pilot Air (Screw, pilot air ) (Screw, Pilot Air)

под заказ810 руб.
413269-93311-000

Винт контроля воздуха - Screw, Pilot Air (Screw, pilot air # Screw, pilot air (stamp:622~); ) (Screw, Pilot Air)

под заказ810 руб.
513392-58600-000

Прокладка седла клапана - Gasket, Valve Seat (Gasket, valve seat # Gasket, needle valve; ) (Gasket, Valve Seat)

1 шт150 руб.
613370-28110-000

Игольчатый клапан, в сборе - Valve Assy, Needle (Valve assy, needle # Valve assy, needle; ) (Valve Assy, Needle)

4 шт4350 руб.
713254-93010-000

Стопор поплавка - Pin, Float (Pin, Float)

под заказ240 руб.
713254-98300-000

   (актуальный код замены) Стопор поплавка - Pin, Float

под заказ240 руб.
713254-98300-000

Стопор поплавка - Pin, Float (Pin, float ) (Pin, Float)

под заказ240 руб.
813251-93310-000

Прокладка поплавковой камеры - Gasket, Float Cahmber (Gasket, Float Cahmber)

под заказ840 руб.
813251-93320-000

   (актуальный код замены) Прокладка поплавковой камеры - Gasket, Float Cahmber

под заказ840 руб.
813251-93320-000

Прокладка поплавковой камеры - Gasket, Float Cahmber (Gasket, float chamber ) (Gasket, Float Cahmber)

под заказ840 руб.
913250-93011-000

Запчасть снята с производства - The Spare Part Is Laid Off (The Spare Part Is Laid Off)

под заказ0 руб.
913250-93012-000

Поплавок - Float (Float)

под заказ1950 руб.
1009491-26009-000

Главная форсунка (130) - Jet, Main (130) (Jet, main (130); L, ll & ul type) (Jet, Main (130))

под заказ1220 руб.
1009491-26016-000

   (актуальный код замены) Главная форсунка (130) - Jet, Main (130)

5 шт1220 руб.
1009491-26016-000

Главная форсунка (130) - Jet, Main (130) (Jet, main (#130) ) (Jet, Main (130))

5 шт1220 руб.
1009491-25002-000

Главная форсунка (125) - Jet, Main (125) (*s type, 125) (Jet, Main (125))

под заказ1110 руб.
1009491-25014-000

   (актуальный код замены) Главная форсунка (125) - Jet, Main (125)

2 шт1110 руб.
1009491-25014-000

Главная форсунка (125) - Jet, Main (125) (Jet, main 125 ) (Jet, Main (125))

2 шт1110 руб.
1113235-95210-000

Nozzle - Nozzle (Nozzle, main # Nozzle; ) (Nozzle)

под заказ3240 руб.
1213415-95210-000

Запчасть снята с производства - The Spare Part Is Laid Off (The Spare Part Is Laid Off)

под заказ0 руб.
1313589-95210-000

Шайба, Choke Рычаг - Washer, Choke Lever (Washer # Washer, choke lever; ) (Washer, Choke Lever)

под заказ320 руб.
1413414-93310-000

Запчасть снята с производства - The Spare Part Is Laid Off (The Spare Part Is Laid Off)

под заказ0 руб.
1513417-93310-000

Запчасть снята с производства - The Spare Part Is Laid Off (The Spare Part Is Laid Off)

под заказ0 руб.
1613573-93310-000

Запчасть снята с производства - The Spare Part Is Laid Off (The Spare Part Is Laid Off)

под заказ0 руб.
1713594-93310-000

Запчасть снята с производства - The Spare Part Is Laid Off (The Spare Part Is Laid Off)

под заказ0 руб.
1813593-93400-000

Запчасть снята с производства - The Spare Part Is Laid Off (The Spare Part Is Laid Off)

под заказ0 руб.
1913592-93310-000

Запчасть снята с производства - The Spare Part Is Laid Off (The Spare Part Is Laid Off)

под заказ0 руб.
2002112-05208-000

Винт - Screw (Screw)

под заказ150 руб.
2002112-05207-000

   (актуальный код замены) Винт - Screw

под заказ150 руб.
2002112-05207-000

Винт - Screw (Screw)

под заказ150 руб.
2108321-21058-000

Шайба с блокировкой - Washer, Lock (Washer, Lock)

под заказ140 руб.
2108321-0105A-000

   (актуальный код замены) Шайба с блокировкой - Washer, Lock

под заказ140 руб.
2108321-0105A-000

Шайба с блокировкой - Washer, Lock (Washer, Lock)

под заказ140 руб.
2213268-95210-000

Пружина, Дроссель Винт - Spring, Throttle Screw (To 13268-96110) (Spring, Throttle Screw)

под заказ350 руб.
2213268-96111-000

   (актуальный код замены) Пружина, Дроссель Винт - Spring, Throttle Screw

под заказ350 руб.
2213268-96111-000

Пружина, Дроссель Винт - Spring, Throttle Screw (Spring, throttle screw ) (Spring, Throttle Screw)

под заказ350 руб.
2213268-96110-000

Пружина, Дроссель Винт - Spring, Throttle Screw (Spring, stop screw;) (Spring, Throttle Screw)

под заказ350 руб.
2213268-96111-000

   (актуальный код замены) Пружина, Дроссель Винт - Spring, Throttle Screw

под заказ350 руб.
2213268-96111-000

Пружина, Дроссель Винт - Spring, Throttle Screw (Spring, throttle screw ) (Spring, Throttle Screw)

под заказ350 руб.
2313267-95210-000

Запчасть снята с производства - The Spare Part Is Laid Off (The Spare Part Is Laid Off)

под заказ0 руб.
2313267-96111-000

Запчасть снята с производства - The Spare Part Is Laid Off (The Spare Part Is Laid Off)

под заказ0 руб.
2401411-08208-000

Болт под шпильку - Bolt, Stud (Bolt, Stud)

под заказ170 руб.
2401411-0820B-000

   (актуальный код замены) Болт под шпильку - Bolt, Stud

под заказ170 руб.
2401411-0820B-000

Болт под шпильку - Bolt, Stud (Bolt, Stud)

под заказ170 руб.
2513661-03010-000

Гайка - Nut (Nut, adjuster # Nut, throttle cable adjust; ) (Nut)

под заказ350 руб.
2613577-15010-000

Запчасть снята с производства - The Spare Part Is Laid Off (From 13577-22600) (The Spare Part Is Laid Off)

под заказ0 руб.
2713413-93310-000

Запчасть снята с производства - The Spare Part Is Laid Off (The Spare Part Is Laid Off)

под заказ0 руб.
2813413-93400-000

Запчасть снята с производства - The Spare Part Is Laid Off (The Spare Part Is Laid Off)

под заказ0 руб.
2913631-99002-000

Рукоятка стартера - Knob, Starter (To 13631-93500) (Knob, Starter)

под заказ460 руб.
2913631-93501-000

   (актуальный код замены) Рукоятка стартера - Knob, Starter

2 шт460 руб.
2913631-93501-000

Рукоятка стартера - Knob, Starter (Knob, Starter)

2 шт460 руб.
3013640-93300-000

Запчасть снята с производства - The Spare Part Is Laid Off (The Spare Part Is Laid Off)

под заказ0 руб.
3109308-03003-000

Запчасть снята с производства - The Spare Part Is Laid Off (The Spare Part Is Laid Off)

под заказ0 руб.
3209491-24012-000

Главная форсунка (120) - Jet, Main (120) (Opt) (Jet, Main (120))

под заказ1460 руб.
3209491-24026-000

   (актуальный код замены) Главная форсунка (120) - Jet, Main (120)

под заказ1460 руб.
3209491-24026-000

Главная форсунка (120) - Jet, Main (120) (Jet, Main (120))

под заказ1460 руб.
3209491-27008-000

Главная форсунка (135) - Jet, Main (135) (Main jet (135) # Jet, main (135); Opt ) (Jet, Main (135))

под заказ970 руб.
3209491-27006-000

Главная форсунка (115) - Jet, Main (115) (Opt) (Jet, Main (115))

под заказ970 руб.
3209491-23012-000

   (актуальный код замены) Главная форсунка (115) - Jet, Main (115)

под заказ970 руб.
3209491-23012-000

Главная форсунка (115) - Jet, Main (115) (Jet, main (#115) ) (Jet, Main (115))

под заказ970 руб.


Время выполнения запроса 3.3335809707642 сек.

 
 

данный сайт носит информационный характер и не является публичной офертой

склад запчастей для водомоторной техники