| |
 |
|
 |
Вернуться к выбору узлов мотора
ДЕТАЛИРОВКА ДЛЯ МОДЕЛИ: SUZUKI DT15 FROM 01504-310001~
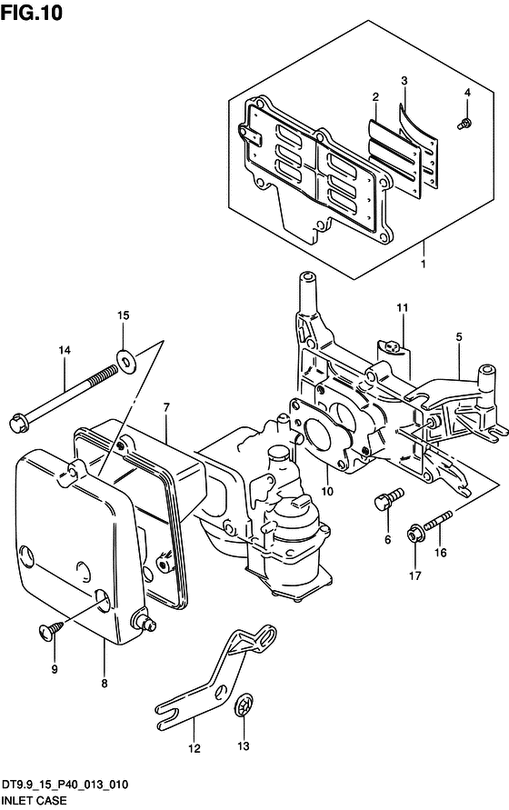
вход case
Номер на рисунке | Артикул | Наименование | QTY | Кол-во на складе | Цена |
| 1 | 13150-93900-000 | Язычковый клапан, в сборе (dt15 Gas) - Valve Assy, Reed (dt15 Gas) (Valve Assy, Reed (dt15 Gas)) | | 2 шт | 11720 руб. |
| 1 | 13150-90L00-000 | (актуальный код замены) Язычковый клапан, в сборе (dt15 Gas) - Valve Assy, Reed (dt15 Gas) | | под заказ | 11720 руб. |
| 1 | 13150-90L00-000 | Язычковый клапан, в сборе (dt15 Gas) - Valve Assy, Reed (dt15 Gas) (Valve Assy, Reed (dt15 Gas)) | | под заказ | 11720 руб. |
| 2 | 13153-65010-000 | Язычковый клапан - Valve, Reed (Valve, Reed) | | под заказ | 1110 руб. |
| 2 | 13153-90L00-000 | (актуальный код замены) Язычковый клапан - Valve, Reed | | 1 шт | 1110 руб. |
| 2 | 13153-90L00-000 | Язычковый клапан - Valve, Reed (Valve, Reed) | | 1 шт | 1110 руб. |
| 3 | 13152-93900-000 | Стопор язычкового клапана - Stopper, Reed Valve (Stopper, Reed Valve) | | под заказ | 430 руб. |
| 3 | 13152-90L00-000 | (актуальный код замены) Стопор язычкового клапана - Stopper, Reed Valve | | 17 шт | 600 руб. |
| 3 | 13152-90L00-000 | Стопор язычкового клапана - Stopper, Reed Valve (Stopper, Reed Valve) | | 17 шт | 600 руб. |
| 4 | 02112-3306A-000 | Винт - Screw (Screw) | | под заказ | 140 руб. |
| 5 | 12481-90L00-000 | Case, вход - Case, Inlet (Case, Inlet) | | под заказ | 6480 руб. |
| 6 | 01550-06357-000 | Болт - Bolt (Bolt, throttle lever no.2 ) (Bolt) | | 9 шт | 210 руб. |
| 7 | 13811-93950-000 | Корпус глушителя - Case, Silencer (Case, silencer ) (Case, Silencer) | | под заказ | 1180 руб. |
| 8 | 13812-93900-000 | Крышка, Глушитель - Cover, Silencer (Cover, Silencer) | | под заказ | 1110 руб. |
| 9 | 03241-0516A-000 | Винт - Screw (Screw) | | под заказ | 100 руб. |
| 10 | 13125-91D00-000 | Прокладка карбюратора - Gasket, Carburetor (Gasket, carburetor ) (Gasket, Carburetor) | | 10 шт | 320 руб. |
| 10 | SM-13125-91D00-000 | (не оригинальный аналог) Прокладка SM-13125-91D00-000 карбюратора | | 1 шт | 80 руб. |
| 11 | 12485-93900-000 | Piece, вход Case - Piece, Inlet Case (Piece, inlet case ) (Piece, Inlet Case) | | под заказ | 530 руб. |
| 12 | 13633-93900-000 | Рычаг заслонки - Lever, Choke (Lever, Choke) | | под заказ | 390 руб. |
| 13 | 09148-06008-000 | Гайка - Nut (Nut, adjuster knob ) (Nut) | | 4 шт | 110 руб. |
| 14 | 01550-06907-000 | Болт - Bolt (Bolt) | | под заказ | 290 руб. |
| 15 | 09160-06066-000 | Шайба (6.5x20x1.6) - Washer (65x20x16) (Washer, throttle lever (6.5x20x1.6) ) (Washer (6.5x20x1.6)) | | под заказ | 150 руб. |
| 16 | 01421-06307-000 | Болт под шпильку - Bolt, Stud (Bolt, Stud) | | под заказ | 190 руб. |
| 17 | 08316-10067-000 | Гайка - Nut (Nut) | | под заказ | 170 руб. |
Время выполнения запроса 0.75017690658569 сек. |
|