| |
 |
|
 |
Вернуться к выбору узлов мотора
ДЕТАЛИРОВКА ДЛЯ МОДЕЛИ: SUZUKI DT15 FROM 01504-410001~
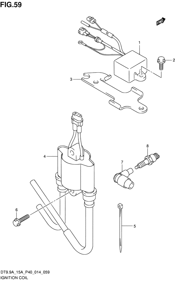
Катушка зажигания
Номер на рисунке | Артикул | Наименование | QTY | Кол-во на складе | Цена |
| 1 | 32900-90L01-000 | Модуль C.D.I. - Unit, Cdi (Unit, Cdi) | | под заказ | 26400 руб. |
| 1 | 32900-90L11-000 | (актуальный код замены) Unit Comp, Cdi | | 1 шт | 26400 руб. |
| 2 | 01550-06167-000 | Болт - Bolt (Bolt) | | 9 шт | 210 руб. |
| 3 | 32915-95L00-000 | Кронштейн, Cdi Unit - Bracket, Cdi Unit (Bracket, Cdi Unit) | | под заказ | 1100 руб. |
| 3 | 32915-95L01-000 | (актуальный код замены) Кронштейн, Cdi Unit - Bracket, Cdi Unit | | под заказ | 1100 руб. |
| 4 | 33410-95L00-000 | Катушка зажигания - Coil Comp, Ignition (Coil Comp, Ignition) | | под заказ | 13490 руб. |
| 4 | 33410-95L11-000 | (актуальный код замены) Катушка зажигания - Coil Comp, Ignition | | под заказ | 13490 руб. |
| 4 | 33410-95L10-000 | Катушка зажигания - Coil Comp, Ignition (Coil Comp, Ignition) | | под заказ | 13490 руб. |
| 4 | 33410-95L11-000 | (актуальный код замены) Катушка зажигания - Coil Comp, Ignition | | под заказ | 13490 руб. |
| 5 | 09407-14407-000 | Струбцина (l: 145) - Clamp (l:145) (Band ) (Clamp (l:145)) | | 9 шт | 230 руб. |
| 6 | 01550-06257-000 | Болт - Bolt (Bolt) | | под заказ | 180 руб. |
| 7 | 33510-95520-000 | Колпачок свечи зажигания - Cap, Spark Plug (Cap, spark plug ) (Cap, Spark Plug) | | 1 шт | 2100 руб. |
| 8 | 09482-00534-000 | Свеча зажигания (b6hs-10) - Plug, Spark (b6hs-10) (Plug, Spark (b6hs-10)) | | под заказ | 540 руб. |
Время выполнения запроса 1.5413188934326 сек. |
|