| |
 |
|
 |
Вернуться к выбору узлов мотора
ДЕТАЛИРОВКА ДЛЯ МОДЕЛИ: SUZUKI DT15 FROM 01504-410001~
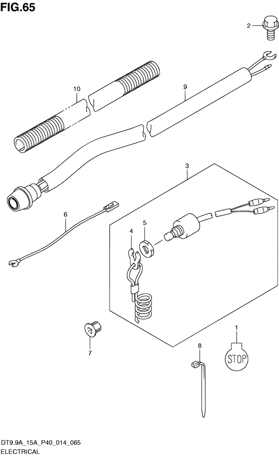
Электрика
Номер на рисунке | Артикул | Наименование | QTY | Кол-во на складе | Цена |
| 1 | 37835-95D00-000 | Наклейка СТОП - Label, Stop (Label, Stop) | | под заказ | 130 руб. |
| 1 | 37835-91J00-YAY | (актуальный код замены) Наклейка СТОП - Label, Stop | | под заказ | 130 руб. |
| 2 | 01550-06127-000 | Болт - Bolt (Bolt, rect ) (Bolt) | | 10 шт | 180 руб. |
| 3 | 37830-90L00-000 | Выключатель аварийной остановки двигателя - Switch Assy, Emergency & Stop (Switch Assy, Emergency & Stop) | | под заказ | 5760 руб. |
| 3 | 37830-90L01-000 | (актуальный код замены) Выключатель аварийной остановки двигателя - Switch Assy, Emergency & Stop | | 3 шт | 6890 руб. |
| 3 | 37830-90L01-000 | Выключатель аварийной остановки двигателя - Switch Assy, Emergency & Stop (Switch Assy, Emergency & Stop) | | 3 шт | 6890 руб. |
| 4 | 37823-97J00-000 | Плата блокировки - Plate, Lock (Plate, Lock) | | 2 шт | 2230 руб. |
| 5 | 37826-97J00-000 | Гайка - Nut (Nut) | | под заказ | 200 руб. |
| 5 | 37826-97J01-000 | (актуальный код замены) Гайка аварийного выключателя - Nut, Emergency Switch | | под заказ | 200 руб. |
| 6 | 37801-98300-000 | Провод выключателя двигателя - Lead, Stop Switch (Lead, rect & reg gnd ) (Lead, Stop Switch) | | под заказ | 320 руб. |
| 6 | 37801-98301-000 | (актуальный код замены) Провод выключателя двигателя - Lead, Stop Switch | | под заказ | 320 руб. |
| 7 | 21221-95L00-000 | Втулка рычага сцепления - Bush, Clutch Lever (Bush, Clutch Lever) | | под заказ | 370 руб. |
| 8 | 09407-14403-000 | Струбцина (l: 125) - Clamp (l:125) (Clamp, spark plug cap # MANUAL STARTER ) (Clamp (l:125)) | | под заказ | 170 руб. |
| 9 | 37800-93954-000 | Переключатель в сборе, Stop - Switch Assy, Stop (Switch assy, stop # MANUAL STARTER ) (Switch Assy, Stop) | | под заказ | 2760 руб. |
| 9 | 37800-93955-000 | (актуальный код замены) Переключатель в сборе, Stop - Switch Assy, Stop | | под заказ | 2760 руб. |
| 10 | 33446-98E20-000 | Защита (l: 500) - Protector (l:500) (Tube, high tension cord # MANUAL STARTER L:500->100 ) (Protector (l:500)) | | под заказ | 370 руб. |
Время выполнения запроса 0.74742197990417 сек. |
|