Оригинальные запчасти на подвесной двигатель Suzuki модель 1983 года - Electrical
вконтакте

Контактный телефон: +7 (981) 121-46-93, +7 (800) 200-90-76 , Email: parts-katalog@yandex.ru, где купить

 
 

  Логин:

Пароль:

Регистрация

www.partskatalog.ru Все каталоги Запчасти Mercury Запчасти Suzuki Запчасти Tohatsu Запчасти Honda Контакты



УВАЖАЕМЫЕ КЛИЕНТЫ!
C 19 ДЕКАБРЯ 2025 ПО 02 МАРТА 2026 ГОДА ОТДЕЛ ЗАПЧАСТЕЙ И СЕРВИС РАБОТАТЬ НЕ БУДУТ
ПРОДАЖА ЛОДОЧНЫХ МОТОРОВ В ШТАТНОМ РЕЖИМЕ
ОБ ИЗМЕНЕНИЯХ В ГРАФИКЕ РАБОТЫ ЧИТАЙТЕ НА САЙТА



назад Раздел:   вперёд

Вернуться к выбору узлов мотора


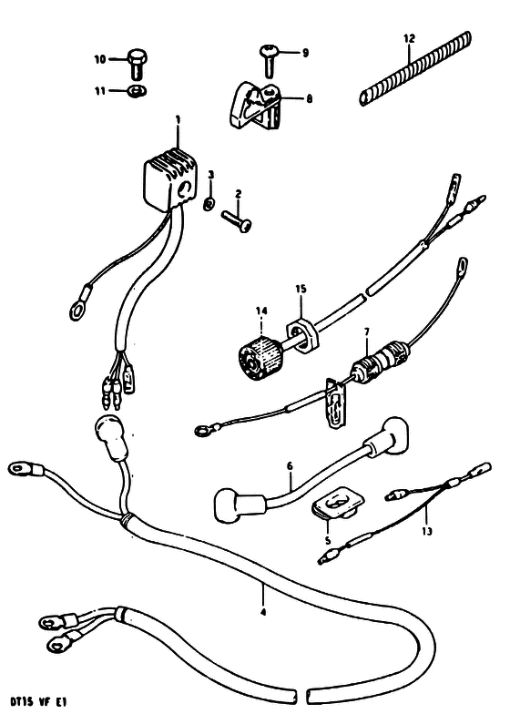
ДЕТАЛИРОВКА ДЛЯ МОДЕЛИ: SUZUKI DT15 QD

Электрика


Год выпуска двигателя: 1983

Номер на
рисунке
АртикулНаименованиеQTYКол-во
на складе
Цена
132800-95720-000

Выпрямитель в сборе - Rectifier Assy (Rectifier Assy)

под заказ10760 руб.
132800-95D02-000

   (актуальный код замены) Выпрямитель в сборе - Rectifier Assy

1 шт10760 руб.
132800-95D01-000

Выпрямитель в сборе - Rectifier Assy (Rectifier Assy)

под заказ10760 руб.
132800-95D02-000

   (актуальный код замены) Выпрямитель в сборе - Rectifier Assy

1 шт10760 руб.
202112-05258-000

Винт - Screw (Screw)

под заказ120 руб.
202112-05257-000

   (актуальный код замены) Винт - Screw

под заказ120 руб.
202112-05257-000

Винт - Screw (Screw)

под заказ120 руб.
308321-21058-000

Шайба с блокировкой - Washer, Lock (Washer, Lock)

под заказ140 руб.
308321-0105A-000

   (актуальный код замены) Шайба с блокировкой - Washer, Lock

под заказ140 руб.
308321-0105A-000

Шайба с блокировкой - Washer, Lock (Washer, Lock)

под заказ140 руб.
433810-93900-000

Кабель стартера - Cable, Starter (Cable, Starter)

под заказ8020 руб.
433810-92D00-000

   (актуальный код замены) Кабель стартера - Cable, Starter

под заказ8020 руб.
433810-92D00-000

Кабель стартера - Cable, Starter (Cable, Starter)

под заказ8020 руб.
533811-96300-000

Пыльник кабеля стартера - Grommet, Starter Cable (Grommet, starter cable ) (Grommet, Starter Cable)

под заказ290 руб.
533811-94J00-000

   (актуальный код замены) Пыльник кабеля стартера - Grommet, Starter Cable

под заказ290 руб.
633820-93900-000

Кабели, Battery (+) - Cable, Battery (+) (Cable assy, plus term to relay ) (Cable, Battery (+))

под заказ1420 руб.
736740-93900-000

Корпус предохранителя - Case Assy, Fuse (Case Assy, Fuse)

под заказ1720 руб.
736740-93901-000

   (актуальный код замены) Корпус предохранителя - Case Assy, Fuse

под заказ1720 руб.
736740-93901-000

Корпус предохранителя - Case Assy, Fuse (Case assy, fuse ) (Case Assy, Fuse)

под заказ1720 руб.
833816-96300-000

Зажим кабеля - Clamp, Cable (Clamp, cable ) (Clamp, Cable)

под заказ520 руб.
903242-06259-000

Винт - Screw (Screw)

под заказ150 руб.
903241-0625A-000

   (актуальный код замены) Винт - Screw

под заказ150 руб.
903241-0625A-000

Винт - Screw (Screw)

под заказ150 руб.
1001107-06168-000

Болт - Bolt (Bolt)

под заказ150 руб.
1001500-06167-000

   (актуальный код замены) Болт - Bolt

под заказ150 руб.
1001500-06167-000

Болт - Bolt (Bolt, fuel cooler ) (Bolt)

под заказ150 руб.
1108321-21068-000

Шайба с блокировкой - Washer, Lock (Washer, Lock)

под заказ140 руб.
1108321-01067-000

   (актуальный код замены) Шайба с блокировкой - Washer, Lock

под заказ140 руб.
1108321-01067-000

Шайба с блокировкой - Washer, Lock (Washer, Lock)

под заказ140 руб.
1233833-95500-000

Трубка провода переключателя (l: 250) - Tube, Switch Lead (l:250) (Tube, Switch Lead (l:250))

под заказ610 руб.
1233833-91J00-000

   (актуальный код замены) Трубка провода переключателя (l: 250) - Tube, Switch Lead (l:250)

под заказ610 руб.
1233833-91J00-000

Трубка провода переключателя (l: 250) - Tube, Switch Lead (l:250) (Tube, Switch Lead (l:250))

под заказ610 руб.
1336610-93901-000

Жгут проводов, в сборе - Harness Assy, Wiring (Wire harness ) (Harness Assy, Wiring)

под заказ680 руб.
1437160-93910-000

Переключатель в сборе, Start - Switch Assy, Start (Switch Assy, Start)

под заказ4080 руб.
1437160-93922-000

   (актуальный код замены) Переключатель в сборе, Start - Switch Assy, Start

под заказ4080 руб.
1437160-93922-000

Переключатель в сборе, Start - Switch Assy, Start (Switch assy, start ) (Switch Assy, Start)

под заказ4080 руб.
1537861-95200-000

Запчасть снята с производства - The Spare Part Is Laid Off (The Spare Part Is Laid Off)

под заказ0 руб.


Время выполнения запроса 1.0571041107178 сек.

 
 

данный сайт носит информационный характер и не является публичной офертой

склад запчастей для водомоторной техники