| |
 |
|
 |
Вернуться к выбору узлов мотора
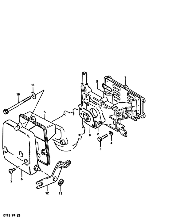
ДЕТАЛИРОВКА ДЛЯ МОДЕЛИ: SUZUKI DT15 VF
вход case
Год выпуска двигателя: 1985
Номер на рисунке | Артикул | Наименование | QTY | Кол-во на складе | Цена |
| 1 | 13150-93900-000 | Язычковый клапан, в сборе (dt15 Gas) - Valve Assy, Reed (dt15 Gas) (Valve Assy, Reed (dt15 Gas)) | | 2 шт | 11720 руб. |
| 1 | 13150-90L00-000 | (актуальный код замены) Язычковый клапан, в сборе (dt15 Gas) - Valve Assy, Reed (dt15 Gas) | | под заказ | 11720 руб. |
| 1 | 13150-90L00-000 | Язычковый клапан, в сборе (dt15 Gas) - Valve Assy, Reed (dt15 Gas) (Valve Assy, Reed (dt15 Gas)) | | под заказ | 11720 руб. |
| 2 | 12481-93901-02M | Case, вход (gray) - Case, Inlet (gray) (Case, Inlet (gray)) | | под заказ | 13440 руб. |
| 2 | 12481-93902-0ED | (актуальный код замены) Case, вход (gray) - Case, Inlet (gray) | | под заказ | 13440 руб. |
| 2 | 12481-93902-0ED | Case, вход (gray) - Case, Inlet (gray) (Case, Inlet (gray)) | | под заказ | 13440 руб. |
| 3 | 01107-06358-000 | Болт - Bolt (Bolt) | | под заказ | 190 руб. |
| 3 | 01500-06357-000 | (актуальный код замены) Болт - Bolt | | под заказ | 190 руб. |
| 3 | 01500-06357-000 | Болт - Bolt (Bolt) | | под заказ | 190 руб. |
| 4 | 08321-21068-000 | Шайба с блокировкой - Washer, Lock (Washer, Lock) | | под заказ | 140 руб. |
| 4 | 08321-01067-000 | (актуальный код замены) Шайба с блокировкой - Washer, Lock | | под заказ | 140 руб. |
| 4 | 08321-01067-000 | Шайба с блокировкой - Washer, Lock (Washer, Lock) | | под заказ | 140 руб. |
| 5 | 13811-93900-000 | Корпус глушителя - Case, Silencer (Case, Silencer) | | под заказ | 1180 руб. |
| 5 | 13811-93950-000 | (актуальный код замены) Корпус глушителя - Case, Silencer | | под заказ | 1180 руб. |
| 5 | 13811-93950-000 | Корпус глушителя - Case, Silencer (Case, silencer ) (Case, Silencer) | | под заказ | 1180 руб. |
| 6 | 13812-93900-000 | Крышка, Глушитель - Cover, Silencer (Cover, Silencer) | | под заказ | 1110 руб. |
| 7 | 03242-05169-000 | Винт - Screw (Screw) | | под заказ | 100 руб. |
| 7 | 03241-0516A-000 | (актуальный код замены) Винт - Screw | | под заказ | 100 руб. |
| 7 | 03241-0516A-000 | Винт - Screw (Screw) | | под заказ | 100 руб. |
| 8 | 13125-93900-000 | Прокладка карбюратора - Gasket, Carburetor (Gasket, Carburetor) | | под заказ | 320 руб. |
| 8 | SM-13125-91D00-000 | (не оригинальный аналог) Прокладка SM-13125-91D00-000 карбюратора | | 1 шт | 80 руб. |
| 8 | 13125-91D00-000 | (актуальный код замены) Прокладка карбюратора - Gasket, Carburetor | | 10 шт | 320 руб. |
| 8 | 13125-91D00-000 | Прокладка карбюратора - Gasket, Carburetor (Gasket, carburetor ) (Gasket, Carburetor) | | 10 шт | 320 руб. |
| 9 | 12485-93900-000 | Piece, вход Case - Piece, Inlet Case (Piece, inlet case ) (Piece, Inlet Case) | | под заказ | 530 руб. |
| 10 | 01517-06908-000 | Болт - Bolt (Bolt) | | под заказ | 290 руб. |
| 10 | 01550-06907-000 | (актуальный код замены) Болт - Bolt | | под заказ | 290 руб. |
| 10 | 01550-06907-000 | Болт - Bolt (Bolt) | | под заказ | 290 руб. |
| 11 | 09160-06066-000 | Шайба (6.5x20x1.6) - Washer (65x20x16) (Washer, throttle lever (6.5x20x1.6) ) (Washer (6.5x20x1.6)) | | под заказ | 150 руб. |
| 12 | 13633-93900-000 | Рычаг заслонки - Lever, Choke (Lever, Choke) | | под заказ | 390 руб. |
| 13 | 09148-06008-000 | Гайка - Nut (Nut, adjuster knob ) (Nut) | | 4 шт | 110 руб. |
Время выполнения запроса 2.1583199501038 сек. |
|