| |
 |
|
 |
Вернуться к выбору узлов мотора
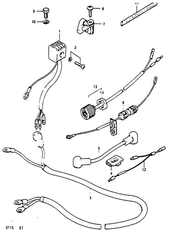
ДЕТАЛИРОВКА ДЛЯ МОДЕЛИ: SUZUKI DT15VG(VG/VH/VJ/K/VL) G
Электрика
Год выпуска двигателя: 1986
Регион: General Export No.1 ,Код региона: P01
Цвет: California Gray Metallic
Номер на рисунке | Артикул | Наименование | QTY | Кол-во на складе | Цена |
| 1 | 32800-75D01-000 | (@l32800-95720) | | под заказ | нет сведений |
| 2 | 02152-05252-000 | Винт - Screw (Screw) | | под заказ | 150 руб. |
| 2 | 02112-15257-000 | (актуальный код замены) Винт - Screw | | под заказ | 150 руб. |
| 2 | 02112-15257-000 | Винт - Screw (Screw) | | под заказ | 150 руб. |
| 3 | 33810-93900-000 | Кабель стартера - Cable, Starter (Cable, Starter) | | под заказ | 8020 руб. |
| 3 | 33810-92D00-000 | (актуальный код замены) Кабель стартера - Cable, Starter | | под заказ | 8020 руб. |
| 3 | 33810-92D00-000 | Кабель стартера - Cable, Starter (Cable, Starter) | | под заказ | 8020 руб. |
| 4 | 33811-96300-000 | Пыльник кабеля стартера - Grommet, Starter Cable (Grommet, starter cable # Grommet, starter cable; ) (Grommet, Starter Cable) | | под заказ | 290 руб. |
| 4 | 33811-94J00-000 | (актуальный код замены) Пыльник кабеля стартера - Grommet, Starter Cable | | под заказ | 290 руб. |
| 5 | 33820-93900-000 | Кабели, Battery (+) - Cable, Battery (+) (Cable assy, plus term to relay # Cable assy, plus term to relay; ) (Cable, Battery (+)) | | под заказ | 1420 руб. |
| 6 | 36740-93901-000 | Корпус предохранителя - Case Assy, Fuse (Case assy, fuse # @l36740-93901 ) (Case Assy, Fuse) | | под заказ | 1720 руб. |
| 7 | 33816-96300-000 | Зажим кабеля - Clamp, Cable (Clamp, cable # Clamp, two cable; ) (Clamp, Cable) | | под заказ | 520 руб. |
| 8 | 03242-06259-000 | Винт - Screw (Screw) | | под заказ | 150 руб. |
| 8 | 03241-0625A-000 | (актуальный код замены) Винт - Screw | | под заказ | 150 руб. |
| 8 | 03241-0625A-000 | Винт - Screw (Screw) | | под заказ | 150 руб. |
| 9 | 01107-06167-000 | Болт - Bolt (Bolt) | | под заказ | 150 руб. |
| 9 | 01500-06167-000 | (актуальный код замены) Болт - Bolt | | под заказ | 150 руб. |
| 9 | 01500-06167-000 | Болт - Bolt (Bolt, fuel cooler ) (Bolt) | | под заказ | 150 руб. |
| 10 | 08321-21067-000 | Шайба с блокировкой - Washer, Lock (Washer, Lock) | | под заказ | 140 руб. |
| 10 | 08321-01067-000 | (актуальный код замены) Шайба с блокировкой - Washer, Lock | | под заказ | 140 руб. |
| 10 | 08321-01067-000 | Шайба с блокировкой - Washer, Lock (Washer, Lock) | | под заказ | 140 руб. |
| 11 | 33833-95500-000 | Трубка провода переключателя (l: 250) - Tube, Switch Lead (l:250) (Tube, Switch Lead (l:250)) | | под заказ | 610 руб. |
| 11 | 33833-91J00-000 | (актуальный код замены) Трубка провода переключателя (l: 250) - Tube, Switch Lead (l:250) | | под заказ | 610 руб. |
| 11 | 33833-91J00-000 | Трубка провода переключателя (l: 250) - Tube, Switch Lead (l:250) (Tube, Switch Lead (l:250)) | | под заказ | 610 руб. |
| 12 | 36610-93901-000 | Жгут проводов, в сборе - Harness Assy, Wiring (Wire harness # Wire harness, me; ) (Harness Assy, Wiring) | | под заказ | 680 руб. |
| 13 | 37160-93910-000 | Переключатель в сборе, Start - Switch Assy, Start (Switch Assy, Start) | | под заказ | 4080 руб. |
| 13 | 37160-93922-000 | (актуальный код замены) Переключатель в сборе, Start - Switch Assy, Start | | под заказ | 4080 руб. |
| 13 | 37160-93922-000 | Переключатель в сборе, Start - Switch Assy, Start (Switch assy, start ) (Switch Assy, Start) | | под заказ | 4080 руб. |
| 14 | 37861-95200-000 | Запчасть снята с производства - The Spare Part Is Laid Off (The Spare Part Is Laid Off) | | под заказ | 0 руб. |
Время выполнения запроса 1.7273051738739 сек. |
|