Купить комплектующие на лодочный мотор Suzuki - Двигатель электростартера
вконтакте

Контактный телефон: +7 (981) 121-46-93, +7 (800) 200-90-76 , Email: parts-katalog@yandex.ru, где купить

 
 

  Логин:

Пароль:

Регистрация

www.partskatalog.ru Все каталоги Запчасти Mercury Запчасти Suzuki Запчасти Tohatsu Запчасти Honda Контакты

назад Раздел:   вперёд

Вернуться к выбору узлов мотора


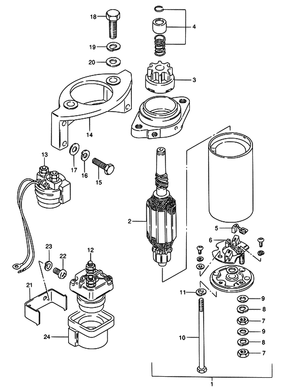
ДЕТАЛИРОВКА ДЛЯ МОДЕЛИ: SUZUKI DT15KL VG

Двигатель электростартера


Год выпуска двигателя: 1986

Номер на
рисунке
АртикулНаименованиеQTYКол-во
на складе
Цена
131100-93531-000

(->1100-93810)

под заказ0 руб.
131100-89E01-000

Двигатель электростартера в сборе - Motor Assy, Starting (Motor, starting ) (Motor Assy, Starting)

под заказ92160 руб.
133810-92D00-000

Кабель стартера - Cable, Starter (Cable, Starter)

под заказ8020 руб.
231311-93530-000

Запчасть снята с производства - The Spare Part Is Laid Off (->1300-93810) (The Spare Part Is Laid Off)

под заказ0 руб.
231300-93810-000

   (актуальный код замены) Запчасть снята с производства - The Spare Part Is Laid Off

под заказ0 руб.
331320-93530-000

Запчасть снята с производства - The Spare Part Is Laid Off (The Spare Part Is Laid Off)

под заказ0 руб.
431312-93530-000

Запчасть снята с производства - The Spare Part Is Laid Off (The Spare Part Is Laid Off)

под заказ0 руб.
531131-93530-000

Запчасть снята с производства - The Spare Part Is Laid Off (The Spare Part Is Laid Off)

под заказ0 руб.
631132-93530-000

Щётка (-) - Brush (-) (Brush (-))

под заказ0 руб.
708310-00067-000

Гайка - Nut (Nut)

под заказ140 руб.
808321-01067-000

Шайба с блокировкой - Washer, Lock (Washer, Lock)

под заказ140 руб.
908322-01067-000

Шайба - Washer (Washer)

10 шт160 руб.
1031281-93530-000

Запчасть снята с производства - The Spare Part Is Laid Off (The Spare Part Is Laid Off)

под заказ0 руб.
1108321-01057-000

Шайба с блокировкой - Washer, Lock (Washer, Lock)

под заказ140 руб.
1108321-0105A-000

   (актуальный код замены) Шайба с блокировкой - Washer, Lock

под заказ140 руб.
1108321-0105A-000

Шайба с блокировкой - Washer, Lock (Washer, Lock)

под заказ140 руб.
1231800-95502-000

Реле в сборе, Двигатель электростартера - Relay Assy, Starting Motor (->1800-94401) (Relay Assy, Starting Motor)

под заказ12960 руб.
1231800-94401-000

   (актуальный код замены) Реле в сборе, Двигатель электростартера - Relay Assy, Starting Motor

2 шт14140 руб.
1231800-94401-000

Реле в сборе, Двигатель электростартера - Relay Assy, Starting Motor (Relay, starter ) (Relay Assy, Starting Motor)

2 шт14140 руб.
1331800-94401-000

Реле в сборе, Двигатель электростартера - Relay Assy, Starting Motor (Relay, starter # SERVISE ONLY PART <-1800-94400 ) (Relay Assy, Starting Motor)

2 шт14140 руб.
1431911-93902-0ED

Запчасть снята с производства - The Spare Part Is Laid Off (<-1911-93902-02M) (The Spare Part Is Laid Off)

под заказ0 руб.
1501500-06257-000

Болт - Bolt (Bolt)

под заказ150 руб.
1608321-01067-000

Шайба с блокировкой - Washer, Lock (Washer, Lock)

под заказ140 руб.
1708322-01067-000

Шайба - Washer (Washer)

10 шт160 руб.
1801500-08257-000

Болт - Bolt (Bolt)

под заказ190 руб.
1908321-01087-000

Шайба с блокировкой - Washer, Lock (Washer, lock ) (Washer, Lock)

под заказ140 руб.
2008322-01087-000

Шайба - Washer (Lock washer ) (Washer)

под заказ140 руб.
2131805-95501-000

Кронштейн, Двигатель электростартера Реле - Bracket, Starting Motor Relay (Bracket, starter relay ) (Bracket, Starting Motor Relay)

под заказ390 руб.
2202112-05087-000

Винт - Screw (Screw)

под заказ120 руб.
2308321-01057-000

Шайба с блокировкой - Washer, Lock (Washer, Lock)

под заказ140 руб.
2308321-0105A-000

   (актуальный код замены) Шайба с блокировкой - Washer, Lock

под заказ140 руб.
2308321-0105A-000

Шайба с блокировкой - Washer, Lock (Washer, Lock)

под заказ140 руб.
2438422-94520-000

Запчасть снята с производства - The Spare Part Is Laid Off (<-8422-94510) (The Spare Part Is Laid Off)

под заказ0 руб.


Время выполнения запроса 1.2624719142914 сек.

 
 

данный сайт носит информационный характер и не является публичной офертой

склад запчастей для водомоторной техники