Купить оригинальные запчасти на подвесной лодочный мотор SUZUKI - Двигатель электростартера
вконтакте

Контактный телефон: +7 (981) 121-46-93, +7 (800) 200-90-76 , Email: parts-katalog@yandex.ru, где купить

 
 

  Логин:

Пароль:

Регистрация

www.partskatalog.ru Все каталоги Запчасти Mercury Запчасти Suzuki Запчасти Tohatsu Запчасти Honda Контакты



УВАЖАЕМЫЕ КЛИЕНТЫ!
C 19 ДЕКАБРЯ 2025 ПО 02 МАРТА 2026 ГОДА ОТДЕЛ ЗАПЧАСТЕЙ И СЕРВИС РАБОТАТЬ НЕ БУДУТ
ПРОДАЖА ЛОДОЧНЫХ МОТОРОВ В ШТАТНОМ РЕЖИМЕ
ОБ ИЗМЕНЕНИЯХ В ГРАФИКЕ РАБОТЫ ЧИТАЙТЕ НА САЙТА



назад Раздел:   вперёд

Вернуться к выбору узлов мотора


ДЕТАЛИРОВКА ДЛЯ МОДЕЛИ: SUZUKI DT15VJ(VG/VH/VJ/K/VL) J

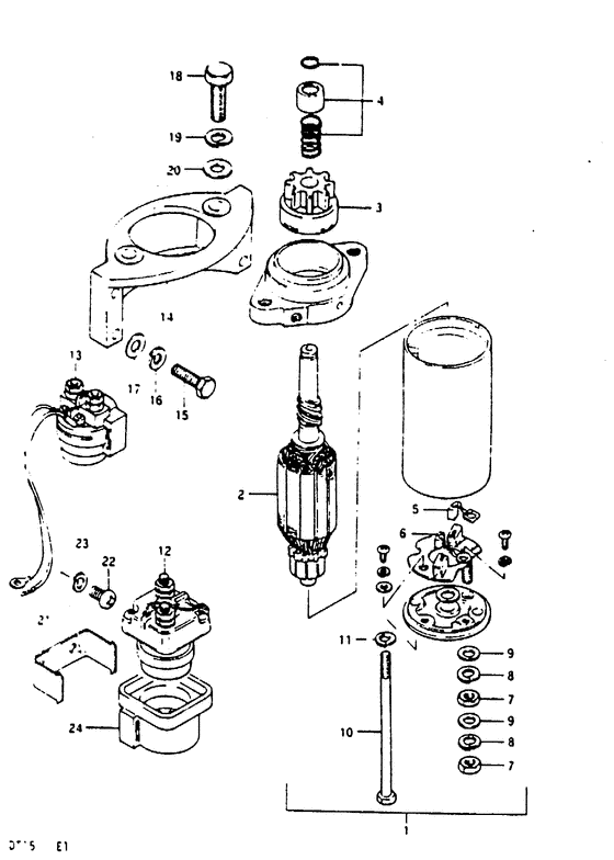
Двигатель электростартера


Год выпуска двигателя: 1988

Регион: General Export No.1 ,Код региона: P01

Цвет: California Gray Metallic

Номер на
рисунке
АртикулНаименованиеQTYКол-во
на складе
Цена
131100-93531-000

под заказ0 руб.
131100-89E01-000

Двигатель электростартера в сборе - Motor Assy, Starting (Motor, starting ) (Motor Assy, Starting)

под заказ92160 руб.
133810-92D00-000

Кабель стартера - Cable, Starter (Cable, Starter)

под заказ8020 руб.
231311-93530-000

Запчасть снята с производства - The Spare Part Is Laid Off (The Spare Part Is Laid Off)

под заказ0 руб.
231300-93810-000

   (актуальный код замены) Запчасть снята с производства - The Spare Part Is Laid Off

под заказ0 руб.
331320-93530-000

Запчасть снята с производства - The Spare Part Is Laid Off (The Spare Part Is Laid Off)

под заказ0 руб.
431312-93530-000

Запчасть снята с производства - The Spare Part Is Laid Off (The Spare Part Is Laid Off)

под заказ0 руб.
531131-93530-000

Запчасть снята с производства - The Spare Part Is Laid Off (Brush, (+);) (The Spare Part Is Laid Off)

под заказ0 руб.
631132-93530-000

Щётка (-) - Brush (-) (Brush, (-); ) (Brush (-))

под заказ0 руб.
708310-22067-000

Гайка - Nut (Nut)

под заказ140 руб.
708310-00067-000

   (актуальный код замены) Гайка - Nut

под заказ140 руб.
708310-00067-000

Гайка - Nut (Nut)

под заказ140 руб.
808321-21067-000

Шайба с блокировкой - Washer, Lock (Washer, Lock)

под заказ140 руб.
808321-01067-000

   (актуальный код замены) Шайба с блокировкой - Washer, Lock

под заказ140 руб.
808321-01067-000

Шайба с блокировкой - Washer, Lock (Washer, Lock)

под заказ140 руб.
908322-21067-000

Шайба - Washer (Washer)

под заказ140 руб.
908322-01067-000

   (актуальный код замены) Шайба - Washer

10 шт160 руб.
908322-01067-000

Шайба - Washer (Washer)

10 шт160 руб.
1031281-93530-000

Запчасть снята с производства - The Spare Part Is Laid Off (The Spare Part Is Laid Off)

под заказ0 руб.
1108321-21057-000

Шайба с блокировкой - Washer, Lock (Washer, Lock)

под заказ140 руб.
1108321-0105A-000

   (актуальный код замены) Шайба с блокировкой - Washer, Lock

под заказ140 руб.
1108321-0105A-000

Шайба с блокировкой - Washer, Lock (Washer, Lock)

под заказ140 руб.
1231800-94400-000

Реле в сборе, Двигатель электростартера - Relay Assy, Starting Motor (@l31800-95502 service only part) (Relay Assy, Starting Motor)

под заказ12960 руб.
1231800-94401-000

   (актуальный код замены) Реле в сборе, Двигатель электростартера - Relay Assy, Starting Motor

2 шт14140 руб.
1231800-94401-000

Реле в сборе, Двигатель электростартера - Relay Assy, Starting Motor (Relay, starter ) (Relay Assy, Starting Motor)

2 шт14140 руб.
1331800-94400-000

Реле в сборе, Двигатель электростартера - Relay Assy, Starting Motor (Relay Assy, Starting Motor)

под заказ12960 руб.
1331800-94401-000

   (актуальный код замены) Реле в сборе, Двигатель электростартера - Relay Assy, Starting Motor

2 шт14140 руб.
1331800-94401-000

Реле в сборе, Двигатель электростартера - Relay Assy, Starting Motor (Relay, starter ) (Relay Assy, Starting Motor)

2 шт14140 руб.
1431911-93902-02M

Запчасть снята с производства - The Spare Part Is Laid Off (The Spare Part Is Laid Off)

под заказ0 руб.
1431911-93902-0ED

   (актуальный код замены) Запчасть снята с производства - The Spare Part Is Laid Off

под заказ0 руб.
1431911-93902-01T

Запчасть снята с производства - The Spare Part Is Laid Off (Bracket, starter (white);) (The Spare Part Is Laid Off)

под заказ0 руб.
1431911-93902-0ED

   (актуальный код замены) Запчасть снята с производства - The Spare Part Is Laid Off

под заказ0 руб.
1431911-93902-0ED

Запчасть снята с производства - The Spare Part Is Laid Off (The Spare Part Is Laid Off)

под заказ0 руб.
1501107-06252-000

Болт - Bolt (Bolt)

под заказ150 руб.
1501500-06257-000

   (актуальный код замены) Болт - Bolt

под заказ150 руб.
1501500-06257-000

Болт - Bolt (Bolt)

под заказ150 руб.
1608321-21062-000

Шайба с блокировкой - Washer, Lock (Washer, Lock)

под заказ140 руб.
1608321-01067-000

   (актуальный код замены) Шайба с блокировкой - Washer, Lock

под заказ140 руб.
1608321-01067-000

Шайба с блокировкой - Washer, Lock (Washer, Lock)

под заказ140 руб.
1708322-11062-000

Шайба - Washer (Washer)

под заказ140 руб.
1708322-01067-000

   (актуальный код замены) Шайба - Washer

10 шт160 руб.
1708322-01067-000

Шайба - Washer (Washer)

10 шт160 руб.
1801107-08252-000

Болт - Bolt (Bolt)

под заказ190 руб.
1801500-08257-000

   (актуальный код замены) Болт - Bolt

под заказ190 руб.
1801500-08257-000

Болт - Bolt (Bolt)

под заказ190 руб.
1908321-21082-000

Шайба с блокировкой - Washer, Lock (Washer, Lock)

под заказ140 руб.
1908321-01087-000

   (актуальный код замены) Шайба с блокировкой - Washer, Lock

под заказ140 руб.
1908321-01087-000

Шайба с блокировкой - Washer, Lock (Washer, lock ) (Washer, Lock)

под заказ140 руб.
2008322-11082-000

Шайба - Washer (Washer)

под заказ140 руб.
2008322-01087-000

   (актуальный код замены) Шайба - Washer

под заказ140 руб.
2008322-01087-000

Шайба - Washer (Lock washer ) (Washer)

под заказ140 руб.
2131805-95501-000

Кронштейн, Двигатель электростартера Реле - Bracket, Starting Motor Relay (Bracket, starter relay ) (Bracket, Starting Motor Relay)

под заказ390 руб.
2202112-05082-000

Винт (5x8) - Screw (5x8) (Screw (5x8))

под заказ150 руб.
2209125-05050-000

   (актуальный код замены) Винт (5x8) - Screw (5x8)

под заказ150 руб.
2209125-05050-000

Винт (5x8) - Screw (5x8) (Screw (5x8))

под заказ150 руб.
2308321-21052-000

Шайба с блокировкой - Washer, Lock (Washer, Lock)

под заказ140 руб.
2308321-0105A-000

   (актуальный код замены) Шайба с блокировкой - Washer, Lock

под заказ140 руб.
2308321-0105A-000

Шайба с блокировкой - Washer, Lock (Washer, Lock)

под заказ140 руб.
2438422-94510-000

Запчасть снята с производства - The Spare Part Is Laid Off (The Spare Part Is Laid Off)

под заказ0 руб.
2438422-94520-000

   (актуальный код замены) Запчасть снята с производства - The Spare Part Is Laid Off

под заказ0 руб.


Время выполнения запроса 2.0358510017395 сек.

 
 

данный сайт носит информационный характер и не является публичной офертой

склад запчастей для водомоторной техники