Комплектующие на подвесной двигатель Suzuki модель 1989 года - вход case - Inlet case
вконтакте

Контактный телефон: +7 (981) 121-46-93, +7 (800) 200-90-76 , Email: parts-katalog@yandex.ru, где купить

 
 

  Логин:

Пароль:

Регистрация

www.partskatalog.ru Все каталоги Запчасти Mercury Запчасти Suzuki Запчасти Tohatsu Запчасти Honda Контакты



УВАЖАЕМЫЕ КЛИЕНТЫ!
C 19 ДЕКАБРЯ 2025 ПО 02 МАРТА 2026 ГОДА ОТДЕЛ ЗАПЧАСТЕЙ И СЕРВИС РАБОТАТЬ НЕ БУДУТ
ПРОДАЖА ЛОДОЧНЫХ МОТОРОВ В ШТАТНОМ РЕЖИМЕ
ОБ ИЗМЕНЕНИЯХ В ГРАФИКЕ РАБОТЫ ЧИТАЙТЕ НА САЙТА



назад Раздел:   вперёд

Вернуться к выбору узлов мотора


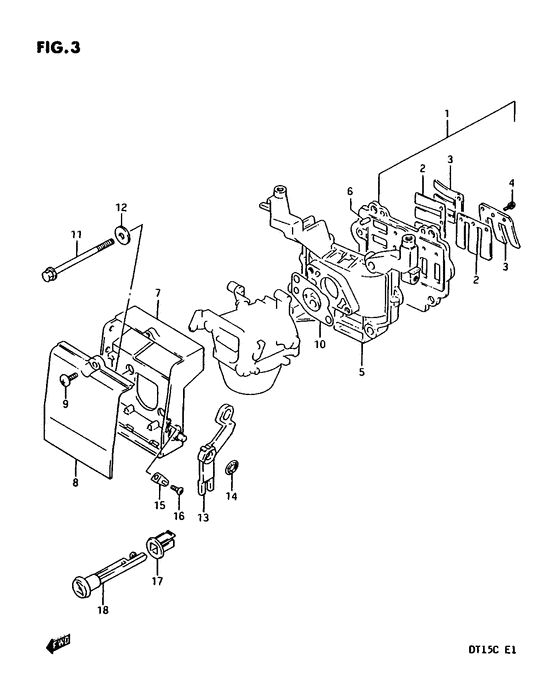
ДЕТАЛИРОВКА ДЛЯ МОДЕЛИ: SUZUKI DT15CEVK(E1) K

вход case


Год выпуска двигателя: 1989

Номер на
рисунке
АртикулНаименованиеQTYКол-во
на складе
Цена
113150-89E00-000

Запчасть снята с производства - The Spare Part Is Laid Off (The Spare Part Is Laid Off)

под заказ0 руб.
213153-65010-000

Язычковый клапан - Valve, Reed (Valve, Reed)

под заказ1110 руб.
213153-90L00-000

   (актуальный код замены) Язычковый клапан - Valve, Reed

1 шт1110 руб.
213153-90L00-000

Язычковый клапан - Valve, Reed (Valve, Reed)

1 шт1110 руб.
313152-93900-000

Стопор язычкового клапана - Stopper, Reed Valve (Stopper, Reed Valve)

под заказ430 руб.
313152-90L00-000

   (актуальный код замены) Стопор язычкового клапана - Stopper, Reed Valve

17 шт600 руб.
313152-90L00-000

Стопор язычкового клапана - Stopper, Reed Valve (Stopper, Reed Valve)

17 шт600 руб.
402112-33063-000

Винт - Screw (Screw)

под заказ140 руб.
402112-3306A-000

   (актуальный код замены) Винт - Screw

под заказ140 руб.
402112-3306A-000

Винт - Screw (Screw)

под заказ140 руб.
512481-89E00-0ED

Case, вход - Case, Inlet (Case, Inlet)

под заказ9840 руб.
604221-06129-000

Штифт - Pin (Pin; ) (Pin)

под заказ130 руб.
713811-89E01-000

Запчасть снята с производства - The Spare Part Is Laid Off (The Spare Part Is Laid Off)

под заказ0 руб.
813812-89E00-000

Крышка, Глушитель - Cover, Silencer (Cover, Silencer)

под заказ1330 руб.
903242-05123-000

Винт - Screw (Screw)

под заказ100 руб.
903241-0512A-000

   (актуальный код замены) Винт - Screw

под заказ100 руб.
903241-0512A-000

Винт - Screw (Screw)

под заказ100 руб.
1013125-91D00-000

Прокладка карбюратора - Gasket, Carburetor (Gasket, carburetor # -13125-93950 ) (Gasket, Carburetor)

10 шт320 руб.
10SM-13125-91D00-000

   (не оригинальный аналог) Прокладка SM-13125-91D00-000 карбюратора

1 шт80 руб.
1101550-06907-000

Болт - Bolt (Bolt)

под заказ290 руб.
1209160-06066-000

Шайба (6.5x20x1.6) - Washer (65x20x16) (Washer, throttle lever (6.5x20x1.6) ) (Washer (6.5x20x1.6))

под заказ150 руб.
1313633-89E01-000

Запчасть снята с производства - The Spare Part Is Laid Off (-13633-89e00) (The Spare Part Is Laid Off)

под заказ0 руб.
1409148-06008-000

Гайка - Nut (Nut, adjuster knob ) (Nut)

4 шт110 руб.
1513694-92D00-000

Пластина, Choke Пружина - Plate, Choke Spring (Plate, choke spring ) (Plate, Choke Spring)

под заказ0 руб.
1602112-04087-000

Винт - Screw (Screw)

под заказ90 руб.
1713632-93900-000

Пыльник ручки заслонки - Grommet, Choke Knob (Grommet, choke knob # Grommet, choke knob; ) (Grommet, Choke Knob)

1 шт280 руб.
1813631-93910-000

Рычаг регулировки дросселя - Knob, Choke Lever (Knob, choke lever # -13631-93900 ) (Knob, Choke Lever)

2 шт720 руб.


Время выполнения запроса 1.1730308532715 сек.

 
 

данный сайт носит информационный характер и не является публичной офертой

склад запчастей для водомоторной техники