Запчасти на подвесной двигатель Suzuki - Сцепление - Clutch
вконтакте

Контактный телефон: +7 (981) 121-46-93, +7 (800) 200-90-76 , Email: parts-katalog@yandex.ru, где купить

 
 

  Логин:

Пароль:

Регистрация

www.partskatalog.ru Все каталоги Запчасти Mercury Запчасти Suzuki Запчасти Tohatsu Запчасти Honda Контакты



УВАЖАЕМЫЕ КЛИЕНТЫ!
C 19 ДЕКАБРЯ 2025 ПО 02 МАРТА 2026 ГОДА ОТДЕЛ ЗАПЧАСТЕЙ И СЕРВИС РАБОТАТЬ НЕ БУДУТ
ПРОДАЖА ЛОДОЧНЫХ МОТОРОВ В ШТАТНОМ РЕЖИМЕ
ОБ ИЗМЕНЕНИЯХ В ГРАФИКЕ РАБОТЫ ЧИТАЙТЕ НА САЙТА



назад Раздел:   вперёд

Вернуться к выбору узлов мотора


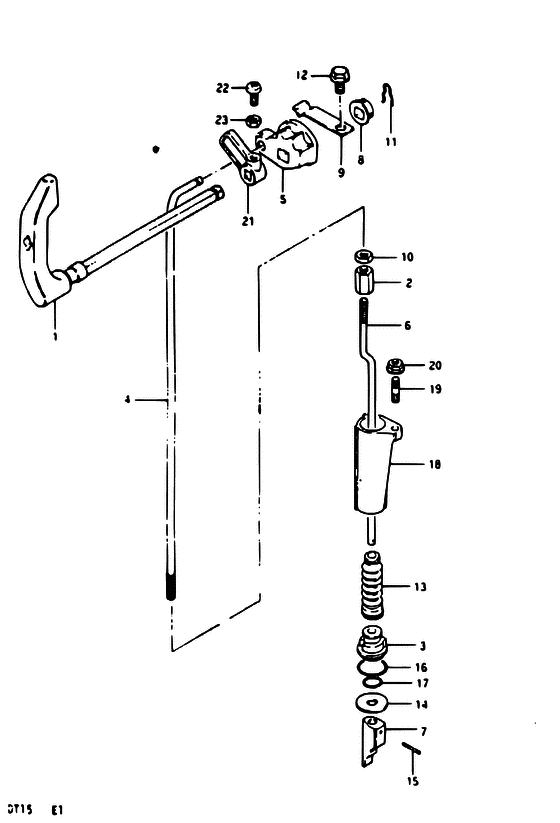
ДЕТАЛИРОВКА ДЛЯ МОДЕЛИ: SUZUKI DT15 K

Сцепление


Год выпуска двигателя: 1989

Цвет: California Gray Metallic

Номер на
рисунке
АртикулНаименованиеQTYКол-во
на складе
Цена
121110-93912-000

Рычаг сцепления - Lever, Clutch (Lever, Clutch)

под заказ2260 руб.
121110-90L01-000

   (актуальный код замены) Рычаг сцепления - Lever, Clutch

4 шт2560 руб.
121110-90L01-000

Рычаг сцепления - Lever, Clutch (Lever, Clutch)

4 шт2560 руб.
121110-90L01-000

Рычаг сцепления - Lever, Clutch (Lever, Clutch)

4 шт2560 руб.
223311-94300-000

Buckle, Тяга сцепления Turn - Buckle, Clutch Rod Turn (Buckle, Clutch Rod Turn)

10 шт900 руб.
325211-93900-000

Направляющая переключающей тяги - Guide, Shift Rod (Guide, Shift Rod)

под заказ570 руб.
325211-93901-000

   (актуальный код замены) Направляющая переключающей тяги - Guide, Shift Rod

3 шт610 руб.
325211-93901-000

Направляющая переключающей тяги - Guide, Shift Rod (Guide, Shift Rod)

3 шт610 руб.
423111-93901-000

Тяга сцепления - Rod, Clutch (Rod, Clutch)

под заказ2740 руб.
523211-93900-000

Рукоятка тяги сцепления - Arm, Clutch Rod (Arm, Clutch Rod)

под заказ620 руб.
625111-93900-000

Переключающая тяга Set (l) - Shift Rod Set (l) (Shift Rod Set (l))

под заказ4610 руб.
625100-93820-000

   (актуальный код замены) Переключающая тяга Set (l) - Shift Rod Set (l)

под заказ4610 руб.
625100-93820-000

Переключающая тяга Set (l) - Shift Rod Set (l) (Shift Rod Set (l))

под заказ4610 руб.
625111-93910-000

Переключающая тяга Set (s) - Shift Rod Set (s) (Shift Rod Set (s))

под заказ4420 руб.
625100-93810-000

   (актуальный код замены) Переключающая тяга Set (s) - Shift Rod Set (s)

под заказ4420 руб.
625100-93810-000

Переключающая тяга Set (s) - Shift Rod Set (s) (Shift Rod Set (s))

под заказ4420 руб.
625111-93920-000

Переключающая тяга Set (x) - Shift Rod Set (x) (E08, E13, E38, E40) (Shift Rod Set (x))

под заказ0 руб.
625100-93830-000

   (актуальный код замены) Запчасть снята с производства - The Spare Part Is Laid Off

под заказ0 руб.
625100-93830-000

Переключающая тяга Set (x) - Shift Rod Set (x) (Shift Rod Set (x))

под заказ0 руб.
725311-93900-000

Кулачок переключателя - Cam, Shift (Cam, Shift)

под заказ3000 руб.
725311-93910-000

   (актуальный код замены) Кулачок переключателя - Cam, Shift

под заказ3000 руб.
725311-93910-000

Кулачок переключателя - Cam, Shift (Cam, Shift)

под заказ3000 руб.
821220-93900-000

Втулка рычага сцепления - Bush, Clutch Lever (Bush, Clutch Lever)

под заказ370 руб.
821221-95L00-000

   (актуальный код замены) Втулка рычага сцепления - Bush, Clutch Lever

под заказ370 руб.
821221-95L00-000

Втулка рычага сцепления - Bush, Clutch Lever (Bush, Clutch Lever)

под заказ370 руб.
923213-93900-000

Пружина пластины с пазом - Spring, Notch Plate (Spring, notch plate ) (Spring, Notch Plate)

под заказ280 руб.
1009140-06004-000

Гайка - Nut (Nut)

под заказ150 руб.
1009140-06020-000

   (актуальный код замены) Гайка - Nut

9 шт150 руб.
1009140-06020-000

Гайка - Nut (Nut)

9 шт150 руб.
1109384-06003-000

Фиксатор, Защелка - Retainer, Snap (Snap retainer ) (Retainer, Snap)

под заказ0 руб.
1201517-06128-000

Болт - Bolt (Bolt)

под заказ180 руб.
1201550-06127-000

   (актуальный код замены) Болт - Bolt

10 шт180 руб.
1201550-06127-000

Болт - Bolt (Bolt, rect ) (Bolt)

10 шт180 руб.
1325222-93901-000

Башмак переключающей тяги - Boot, Shift Rod (Boot, Shift Rod)

1 шт930 руб.
1325222-93902-000

   (актуальный код замены) Башмак переключающей тяги - Boot, Shift Rod

23 шт930 руб.
13SK25222-93901

   (не оригинальный аналог) Гофра тяги переключения передач Skipper для Suzuki DT4-5/9.9-15/DF4-15

0 шт176 руб.
1409160-05005-000

Шайба (5.5x24x1.6) - Washer (55x24x16) (Washer (5.5x24x1.6))

под заказ150 руб.
1409160-05047-000

   (актуальный код замены) Шайба (5.5x24x1.6) - Washer (5.5x24x1.6)

под заказ150 руб.
1409160-05047-000

Шайба (5.5x24x1.6) - Washer (55x24x16) (Washer (5.5x24x1.6))

под заказ150 руб.
1509205-02006-000

Стопор пружины (2x12) - Pin, Spring (2x12) (Pin, spring ) (Pin, Spring (2x12))

10 шт140 руб.
1609280-05005-000

Уплотнительное кольцо (d: 3.5, Id: 4.9) - O Ring (d:35, Id:49) (O ring (d:3.5 id:4.9) ) (O Ring (d:3.5, Id:4.9))

25 шт160 руб.
1709280-19006-000

Уплотнительное кольцо направляющей переключающей тяги - O Ring, Shift Rod Guide (O Ring, Shift Rod Guide)

под заказ160 руб.
1759291-94J00-000

   (актуальный код замены) Уплотнительное кольцо направляющей переключающей тяги - O Ring, Shift Rod Guide

11 шт200 руб.
1759291-94J00-000

Уплотнительное кольцо направляющей переключающей тяги - O Ring, Shift Rod Guide (O Ring, Shift Rod Guide)

11 шт200 руб.
1825205-93901-000

Стопор переключателя направляющей тяги - Stopper, Shift Rod Guide (Stopper, Shift Rod Guide)

под заказ200 руб.
1825215-94J00-000

   (актуальный код замены) Стопор переключателя направляющей тяги - Stopper, Shift Rod Guide

1 шт240 руб.
1825215-94J00-000

Стопор переключателя направляющей тяги - Stopper, Shift Rod Guide (Stopper, Shift Rod Guide)

1 шт240 руб.
1909108-05007-000

Болт под шпильку - Bolt, Stud (Stud bolt ) (Bolt, Stud)

под заказ270 руб.
2009159-05015-000

под заказнет сведений
2009140-05005-000

Гайка - Nut (Nut)

10 шт270 руб.
2009162-05002-000

Шайба с блокировкой - Washer, Lock (Lock washer ) (Washer, Lock)

под заказ130 руб.
2121313-93900-000

Рычаг электрики NSI - Arm, Electric Nsi (Arm, electrical ns1 ) (Arm, Electric Nsi)

под заказ460 руб.
2209125-05029-000

Винт (5x16) - Screw (5x16) (@l02112-05162) (Screw (5x16))

под заказ0 руб.
2209125-05074-000

   (актуальный код замены) Запчасть снята с производства - The Spare Part Is Laid Off

под заказ0 руб.
2209125-05074-000

Винт (5x16) - Screw (5x16) (Screw (5x16))

под заказ0 руб.
2309140-05001-000

Гайка - Nut (@l08310-11052) (Nut)

под заказ220 руб.
2309140-05005-000

   (актуальный код замены) Гайка - Nut

10 шт270 руб.
2309140-05005-000

Гайка - Nut (Nut)

10 шт270 руб.


Время выполнения запроса 1.3468298912048 сек.

 
 

данный сайт носит информационный характер и не является публичной офертой

склад запчастей для водомоторной техники