Купить комплектующие на подвесной двигатель SUZUKI модель 1990 года - Электрика
вконтакте

Контактный телефон: +7 (981) 121-46-93, +7 (800) 200-90-76 , Email: parts-katalog@yandex.ru, где купить

 
 

  Логин:

Пароль:

Регистрация

www.partskatalog.ru Все каталоги Запчасти Mercury Запчасти Suzuki Запчасти Tohatsu Запчасти Honda Контакты

назад Раздел:   вперёд

Вернуться к выбору узлов мотора


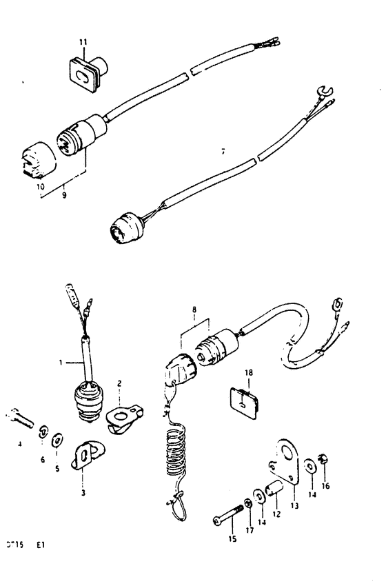
ДЕТАЛИРОВКА ДЛЯ МОДЕЛИ: SUZUKI DT15VL(VG/VH/VJ/K/VL) L

Электрика


Год выпуска двигателя: 1990

Регион: General Export No.1 ,Код региона: P01

Цвет: California Gray Metallic

Номер на
рисунке
АртикулНаименованиеQTYКол-во
на складе
Цена
137721-93902-000

Выключатель нейтрали, в сборе - Switch Assy, Neutral (Electric starter) (Switch Assy, Neutral)

под заказ3650 руб.
137721-96354-000

   (актуальный код замены) Выключатель нейтрали, в сборе - Switch Assy, Neutral

под заказ3650 руб.
137721-96354-000

Выключатель нейтрали, в сборе - Switch Assy, Neutral (Switch assy, neutral ) (Switch Assy, Neutral)

под заказ3650 руб.
237725-94302-000

Пускатель переключателя нейтрали - Actuator, Neutral Switch (Actuator, neutral sw # Actuator, neutral switch; Electric starter ) (Actuator, Neutral Switch)

1 шт520 руб.
337726-93902-000

Кронштейн переключателя реверса - Bracket, Reverse Switch (Electric starter) (Bracket, Reverse Switch)

под заказ460 руб.
337726-94402-000

   (актуальный код замены) Кронштейн переключателя реверса - Bracket, Reverse Switch

под заказ460 руб.
337726-94402-000

Кронштейн переключателя реверса - Bracket, Reverse Switch (Bracket, neutral sw ) (Bracket, Reverse Switch)

под заказ460 руб.
409100-06131-000

Болт (6x12) - Bolt (6x12) (Bolt (6*12); Electric starter ) (Bolt (6x12))

под заказ160 руб.
509160-06090-000

Шайба (6.5x13x1.0) - Washer (65x13x10) (Washer (6.5*13*1); Electric starter) (Washer (6.5x13x1.0))

под заказ120 руб.
509160-06082-000

   (актуальный код замены) Шайба (6.5x13x1.0) - Washer (6.5x13x1.0)

под заказ150 руб.
509160-06082-000

Шайба (6.5x13x1.0) - Washer (65x13x10) (Washer (6.5x13x1.0))

под заказ150 руб.
609162-06001-000

Шайба с блокировкой - Washer, Lock (Electric starter) (Washer, Lock)

под заказ160 руб.
609162-06006-000

   (актуальный код замены) Шайба с блокировкой - Washer, Lock

под заказ160 руб.
609162-06006-000

Шайба с блокировкой - Washer, Lock (Lock washer ) (Washer, Lock)

под заказ160 руб.
737800-93910-000

Переключатель в сборе, Stop - Switch Assy, Stop (Electric starter) (Switch Assy, Stop)

под заказ2760 руб.
737800-93955-000

   (актуальный код замены) Переключатель в сборе, Stop - Switch Assy, Stop

под заказ2760 руб.
737800-93954-000

Переключатель в сборе, Stop - Switch Assy, Stop (Switch assy, stop ) (Switch Assy, Stop)

под заказ2760 руб.
737800-93955-000

   (актуальный код замены) Переключатель в сборе, Stop - Switch Assy, Stop

под заказ2760 руб.
737800-93950-000

Переключатель в сборе, Stop - Switch Assy, Stop (Manual starter) (Switch Assy, Stop)

под заказ2760 руб.
737800-93955-000

   (актуальный код замены) Переключатель в сборе, Stop - Switch Assy, Stop

под заказ2760 руб.
837820-98105-000

Выключатель аварийной остановки двигателя - Switch Assy, Emergency & Stop (@l37820-98104) (Switch Assy, Emergency & Stop)

под заказ0 руб.
837830-89X52-000

   (актуальный код замены) Запчасть снята с производства - The Spare Part Is Laid Off

под заказ0 руб.
837830-89X51-000

Выключатель аварийной остановки двигателя - Switch Assy, Emergency & Stop (Switch Assy, Emergency & Stop)

под заказ0 руб.
837830-89X52-000

   (актуальный код замены) Запчасть снята с производства - The Spare Part Is Laid Off

под заказ0 руб.
939601-93902-000

Внешняя розетка - Receptacle (Manual starter) (Receptacle)

под заказ4660 руб.
939601-95D01-000

   (актуальный код замены) Внешняя розетка - Receptacle

под заказ4660 руб.
939601-95D00-000

Внешняя розетка - Receptacle (Receptacle assy, lighting ) (Receptacle)

под заказ4660 руб.
939601-95D01-000

   (актуальный код замены) Внешняя розетка - Receptacle

под заказ4660 руб.
1036634-93910-000

Колпачок - Cap (Manual starter ) (Cap)

под заказ340 руб.
1139603-93900-000

Пыльник - Grommet (Grommet, receptacle cable # Grommet, receptacle cable; Manual starter ) (Grommet)

под заказ0 руб.
1209352-45853-300

Шланг (4.5x8.5x600) - Hose (45x85x600) (L:300@r15, @l09343-04109) (Hose (4.5x8.5x600))

под заказ960 руб.
1209355-45001-600

   (актуальный код замены) Шланг (4.5x8.5x600) - Hose (4.5x8.5x600)

под заказ960 руб.
1209355-45855-600

Шланг (4.5x8.5x600) - Hose (45x85x600) (Hose (4.5x8.5x600))

под заказ960 руб.
1209355-45001-600

   (актуальный код замены) Шланг (4.5x8.5x600) - Hose (4.5x8.5x600)

под заказ960 руб.
1337950-93901-000

Запчасть снята с производства - The Spare Part Is Laid Off (The Spare Part Is Laid Off)

под заказ0 руб.
1409160-04016-000

Шайба (4x14x1.2) - Washer (4x14x12) (Washer (4x14x1.2))

под заказ110 руб.
1502112-04302-000

Винт - Screw (Screw)

под заказ170 руб.
1502112-0430B-000

   (актуальный код замены) Винт - Screw

под заказ170 руб.
1502112-0430B-000

Винт - Screw (Screw)

под заказ170 руб.
1608310-11042-000

Гайка - Nut (Nut)

под заказ140 руб.
1608310-0004A-000

   (актуальный код замены) Гайка - Nut

под заказ140 руб.
1608310-0004A-000

Гайка - Nut (Nut)

под заказ140 руб.
1708321-21042-000

Шайба с блокировкой - Washer, Lock (Washer, Lock)

под заказ140 руб.
1708321-0104A-000

   (актуальный код замены) Шайба с блокировкой - Washer, Lock

под заказ140 руб.
1708321-0104A-000

Шайба с блокировкой - Washer, Lock (Washer, Lock)

под заказ140 руб.
1837824-98100-000

Запчасть снята с производства - The Spare Part Is Laid Off (The Spare Part Is Laid Off)

под заказ0 руб.


Время выполнения запроса 2.9669668674469 сек.

 
 

данный сайт носит информационный характер и не является публичной офертой

склад запчастей для водомоторной техники