| |
 |
|
 |
Вернуться к выбору узлов мотора
ДЕТАЛИРОВКА ДЛЯ МОДЕЛИ: SUZUKI DT15CMVM(E1) M
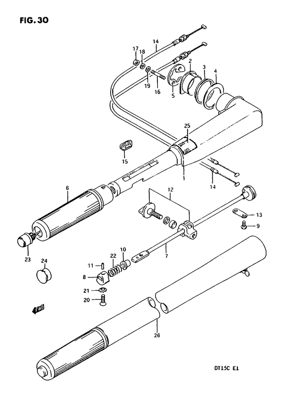
Handle
Год выпуска двигателя: 1991
Номер на рисунке | Артикул | Наименование | QTY | Кол-во на складе | Цена |
| 1 | 63111-92D10-0ED | Ручка румпеля (gray) - Handle, Tiller (gray) (-63111-92d00-0ed ) (Handle, Tiller (gray)) | | под заказ | 0 руб. |
| 2 | 63115-92D01-000 | Втулка ручки румпеля - Bush, Tiller Handle (Bush, tiller handle ) (Bush, Tiller Handle) | | под заказ | 560 руб. |
| 3 | 63116-92D01-000 | Втулка ручки румпеля Side - Bush, Tiller Handle Side (Bush, tiller handle side ) (Bush, Tiller Handle Side) | | под заказ | 560 руб. |
| 4 | 63117-92D00-000 | Шайба, Румпель - Washer, Tiller Handle (Washer, tiller handle ) (Washer, Tiller Handle) | | под заказ | 560 руб. |
| 5 | 63125-92D01-000 | Пластина, Румпель - Plate, Tiller Handle (Plate, tiller handle ) (Plate, Tiller Handle) | | под заказ | 0 руб. |
| 6 | 63210-93E00-000 | Рукоятка румпеля - Grip, Handle (-63210-94400) (Grip, Handle) | | под заказ | 3390 руб. |
| 6 | 63210-93E30-000 | (актуальный код замены) Рукоятка румпеля - Grip, Handle | | 1 шт | 3390 руб. |
| 6 | 63210-93E30-000 | Рукоятка румпеля - Grip, Handle (Grip, handle ) (Grip, Handle) | | 1 шт | 3390 руб. |
| 7 | 63220-92D03-000 | Тяга румпеля - Rod, Handle (Rod, handle # -63220-92d02 ) (Rod, Handle) | | под заказ | 0 руб. |
| 8 | 63223-89E00-000 | Стопор тяги румпеля - Stopper, Handle Rod (Stopper, Handle Rod) | | под заказ | 470 руб. |
| 9 | 09125-05046-000 | Винт (5x12) - Screw (5x12) (Screw (5x12) ) (Screw (5x12)) | | под заказ | 150 руб. |
| 10 | 63225-93200-000 | Втулка тяги румпеля - Bush, Handle Rod (Bush, handle rod # Bush, handle rod; ) (Bush, Handle Rod) | | 14 шт | 480 руб. |
| 11 | 63227-93200-000 | Штифт, Handle Тяга - Pin, Handle Rod (Pin, handle rod # Pin, handle rod; ) (Pin, Handle Rod) | | под заказ | 220 руб. |
| 12 | 63240-96300-000 | Регулировка румпеля (комплект) Рукоятка - Adjuster Set, Handle Grip (Adjuster, handle grip # Adjuster set, handle grip; ) (Adjuster Set, Handle Grip) | | 3 шт | 2490 руб. |
| 13 | 63241-92D00-000 | Опора тяги румпеля - Support, Handle Rod (Support, handle rod ) (Support, Handle Rod) | | под заказ | 380 руб. |
| 14 | 63610-89E01-000 | Тросик дросселя, в сборе - Cable Assy, Throttle (-63610-89e00 ) (Cable Assy, Throttle) | | под заказ | 0 руб. |
| 15 | 63625-96300-000 | Пыльник тросика дросселя - Grommet, Throttle Cable (Grommet, throttle cable # Grommet, throttle cable; ) (Grommet, Throttle Cable) | | под заказ | 280 руб. |
| 15 | 63625-96301-000 | (актуальный код замены) Пыльник тросика дросселя - Grommet, Throttle Cable | | под заказ | 280 руб. |
| 16 | 09108-06062-000 | Болт под шпильку - Bolt, Stud (Stud bolt (6x12) ) (Bolt, Stud) | | под заказ | 180 руб. |
| 16 | 09108-06060-000 | Болт под шпильку - Bolt, Stud (Stud bolt # Stud bolt; Model:96, 97 ) (Bolt, Stud) | | 3 шт | 230 руб. |
| 17 | 09140-06020-000 | Гайка - Nut (Nut) | | 9 шт | 150 руб. |
| 17 | 09159-06079-000 | Гайка - Nut (Model:96, 97 ) (Nut) | | под заказ | 250 руб. |
| 18 | 09162-06006-000 | Шайба с блокировкой - Washer, Lock (Lock washer # Washer, lock; ) (Washer, Lock) | | под заказ | 160 руб. |
| 19 | 09160-06055-000 | Шайба (7x12x1) - Washer (7x12x1) (Washer (7x12x1.0) ) (Washer (7x12x1)) | | 67 шт | 130 руб. |
| 20 | 09126-06006-000 | Винт (6x20) - Screw (6x20) (Screw (6x20)) | | под заказ | 150 руб. |
| 20 | 09126-06015-000 | Винт (6x23) - Screw (6x23) (Model:94-97 ) (Screw (6x23)) | | 6 шт | 190 руб. |
| 21 | 09163-06001-000 | Шайба с блокировкой - Washer, Lock (Washer; ) (Washer, Lock) | | 13 шт | 120 руб. |
| 22 | 09440-12027-000 | Пружина - Spring (Spring) | | 12 шт | 170 руб. |
| 23 | 37800-89E12-000 | Запчасть снята с производства - The Spare Part Is Laid Off (-model:92, -37800-89e00) (The Spare Part Is Laid Off) | | под заказ | 0 руб. |
| 24 | 63213-94400-000 | Колпачок, Stop Переключатель - Cap, Stop Switch (Cap, stop sw; ) (Cap, Stop Switch) | | под заказ | 910 руб. |
| 25 | 63215-93400-000 | Маркировка ручки румпеля - Mark, Handle Grip (Mark, handle grip # Mark, handle grip; ) (Mark, Handle Grip) | | 1 шт | 290 руб. |
| 26 | 63300-93900-000 | Запчасть снята с производства - The Spare Part Is Laid Off (Opt) (The Spare Part Is Laid Off) | | под заказ | 0 руб. |
Время выполнения запроса 0.86926293373108 сек. |
|