Найти запчасти на подвесной лодочный двигатель Suzuki модель 1991 года - Starting motor
вконтакте

Контактный телефон: +7 (981) 121-46-93, +7 (800) 200-90-76 , Email: parts-katalog@yandex.ru, где купить

 
 

  Логин:

Пароль:

Регистрация

www.partskatalog.ru Все каталоги Запчасти Mercury Запчасти Suzuki Запчасти Tohatsu Запчасти Honda Контакты



УВАЖАЕМЫЕ КЛИЕНТЫ!
C 19 ДЕКАБРЯ 2025 ПО 02 МАРТА 2026 ГОДА ОТДЕЛ ЗАПЧАСТЕЙ И СЕРВИС РАБОТАТЬ НЕ БУДУТ
ПРОДАЖА ЛОДОЧНЫХ МОТОРОВ В ШТАТНОМ РЕЖИМЕ
ОБ ИЗМЕНЕНИЯХ В ГРАФИКЕ РАБОТЫ ЧИТАЙТЕ НА САЙТА



назад Раздел:   вперёд

Вернуться к выбору узлов мотора


ДЕТАЛИРОВКА ДЛЯ МОДЕЛИ: SUZUKI DT15CEV M

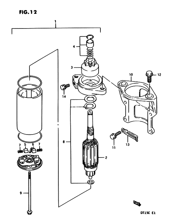
Двигатель электростартера


Год выпуска двигателя: 1991

Цвет: California Gray Metallic

Номер на
рисунке
АртикулНаименованиеQTYКол-во
на складе
Цена
131100-89E01-000

Двигатель электростартера в сборе - Motor Assy, Starting (Motor, starting # -31100-89E00 ) (Motor Assy, Starting)

под заказ92160 руб.
231310-92D10-000

Якорь в сборе - Armature Assy (Armature Assy)

под заказ45840 руб.
331320-89E00-000

Комплект шестерёнок - Pinion Assy (232153~ ) (Pinion Assy)

под заказ24960 руб.
331320-92D10-000

Запчасть снята с производства - The Spare Part Is Laid Off (The Spare Part Is Laid Off)

под заказ0 руб.
431312-89E00-000

Комплект стопора шестерни - Stopper Set, Pinion (Stopper Set, Pinion)

под заказ1780 руб.
431312-92D10-000

   (актуальный код замены) Комплект стопора шестерни - Stopper Set, Pinion

под заказ1780 руб.
431312-92D10-000

Комплект стопора шестерни - Stopper Set, Pinion (Stopper set, pinion ) (Stopper Set, Pinion)

под заказ1780 руб.
431312-92D10-000

Комплект стопора шестерни - Stopper Set, Pinion (Stopper set, pinion # MODEL:95~97 ) (Stopper Set, Pinion)

под заказ1780 руб.
531131-89E00-000

Щётка (+) - Brush (+) (Brush (+) ) (Brush (+))

под заказ1070 руб.
631132-89E00-000

Щётка (-) - Brush (-) (Brush (-) ) (Brush (-))

под заказ1070 руб.
731135-92D10-000

Пружина щётки Держатель - Spring, Brush Holder (Spring, Brush Holder)

под заказ770 руб.
831360-92D10-000

Шайба Kit, Thrust - Washer Kit, Thrust (Washer Kit, Thrust)

под заказ780 руб.
931281-92D10-000

Сквозной болт - Bolt, Through (Bolt, starter housing ) (Bolt, Through)

под заказ1220 руб.
1031911-89E00-0ED

Кронштейн, Стартер - Bracket, Starter (Bracket, Starter)

под заказ4900 руб.
1101550-06207-000

Болт - Bolt (MODLE:95-97 ) (Bolt)

17 шт220 руб.
1101517-06202-000

Болт - Bolt (MODEL:89) (Bolt)

под заказ180 руб.
1101550-06207-000

   (актуальный код замены) Болт - Bolt

17 шт220 руб.
1101550-06207-000

Болт - Bolt (Bolt)

17 шт220 руб.
1101560-06207-000

Болт - Bolt (MODEL:90-94) (Bolt)

под заказ170 руб.
1101560-0620A-000

   (актуальный код замены) Болт - Bolt

под заказ170 руб.
1101560-0620A-000

Болт - Bolt (Bolt)

под заказ170 руб.
1201550-08207-000

Болт - Bolt (Bolt)

10 шт240 руб.
1309404-06413-000

Струбцина (l: 65) - Clamp (l:65) (L:70) (Clamp (l:65))

под заказ170 руб.
1309404-06039-000

   (актуальный код замены) Струбцина (l: 65) - Clamp (l:65)

под заказ170 руб.
1309404-06432-000

Струбцина (l: 65) - Clamp (l:65) (Clamp (l:80) ) (Clamp (l:65))

8 шт170 руб.
1309404-06039-000

   (актуальный код замены) Струбцина (l: 65) - Clamp (l:65)

под заказ170 руб.
1309404-08206-000

Струбцина (l: 65 T: 0.8) - Clamp (l:65 T:08) (Clamp # L:82 ) (Clamp (l:65 T:0.8))

под заказ230 руб.
1401580-06167-000

Болт - Bolt (Bolt)

под заказ210 руб.


Время выполнения запроса 0.81140398979187 сек.

 
 

данный сайт носит информационный характер и не является публичной офертой

склад запчастей для водомоторной техники