Подобрать запчасти на лодочный подвесной мотор Сузуки модель 1991 года - Электрика
вконтакте

Контактный телефон: +7 (981) 121-46-93, +7 (800) 200-90-76 , Email: parts-katalog@yandex.ru, где купить

 
 

  Логин:

Пароль:

Регистрация

www.partskatalog.ru Все каталоги Запчасти Mercury Запчасти Suzuki Запчасти Tohatsu Запчасти Honda Контакты

назад Раздел:   вперёд

Вернуться к выбору узлов мотора


ДЕТАЛИРОВКА ДЛЯ МОДЕЛИ: SUZUKI DT15CEV M

Электрика


Год выпуска двигателя: 1991

Цвет: California Gray Metallic

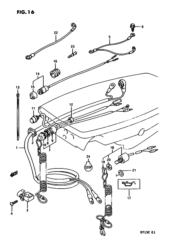
Номер на
рисунке
АртикулНаименованиеQTYКол-во
на складе
Цена
133810-89E00-000

Провод стартера - Cable Assy, Starter (ELECTRIC STARTER) (Cable Assy, Starter)

под заказ12240 руб.
133810-93E02-000

   (актуальный код замены) Провод стартера - Cable Assy, Starter

под заказ12240 руб.
133810-93E02-000

Провод стартера - Cable Assy, Starter (Cable assy, starter ) (Cable Assy, Starter)

под заказ12240 руб.
133810-89E01-000

Провод стартера - Cable Assy, Starter (ELECTRIC STARTER 232021~) (Cable Assy, Starter)

под заказ12240 руб.
133810-93E02-000

   (актуальный код замены) Провод стартера - Cable Assy, Starter

под заказ12240 руб.
133810-93E02-000

Провод стартера - Cable Assy, Starter (Cable assy, starter ) (Cable Assy, Starter)

под заказ12240 руб.
233811-96300-000

Пыльник кабеля стартера - Grommet, Starter Cable (Grommet, starter cable # ELECTRIC STARTER ) (Grommet, Starter Cable)

под заказ290 руб.
233811-94J00-000

   (актуальный код замены) Пыльник кабеля стартера - Grommet, Starter Cable

под заказ290 руб.
333816-96300-000

Зажим кабеля - Clamp, Cable (Clamp, cable # ELECTRIC STARTER ) (Clamp, Cable)

под заказ520 руб.
403242-06253-000

Винт - Screw (ELECTRIC STARTER) (Screw)

под заказ150 руб.
403241-0625A-000

   (актуальный код замены) Винт - Screw

под заказ150 руб.
403241-0625A-000

Винт - Screw (Screw)

под заказ150 руб.
536895-95300-000

Lead, Двигатель Заземление - Lead, Engine Ground (-36895-89e00 ) (Lead, Engine Ground)

под заказ0 руб.
609103-06049-000

Болт (6x12) - Bolt (6x12) (Bolt (6x12))

9 шт180 руб.
737830-89X50-000

Выключатель аварийной остановки двигателя - Switch Assy, Emergency & Stop (~MODEL:92 -37820-89E01) (Switch Assy, Emergency & Stop)

под заказ0 руб.
737830-89X52-000

   (актуальный код замены) Запчасть снята с производства - The Spare Part Is Laid Off

под заказ0 руб.
737830-89X51-000

Выключатель аварийной остановки двигателя - Switch Assy, Emergency & Stop (Switch Assy, Emergency & Stop)

под заказ0 руб.
737830-89X52-000

   (актуальный код замены) Запчасть снята с производства - The Spare Part Is Laid Off

под заказ0 руб.
837825-89E00-000

Запчасть снята с производства - The Spare Part Is Laid Off (~MODEL:92) (The Spare Part Is Laid Off)

под заказ0 руб.
937826-89E00-000

Запчасть снята с производства - The Spare Part Is Laid Off (~MODEL:92) (The Spare Part Is Laid Off)

под заказ0 руб.
1037823-94400-000

Колпачок & Шнур - Cap & Rope (Cap & rope # ~MODEL:92 ) (Cap & Rope)

под заказ1530 руб.
1037823-94401-000

   (актуальный код замены) Колпачок & Шнур - Cap & Rope

1 шт1530 руб.
1137161-89E12-000

Выключатель - запуск двигателяt - Switch, Start (ELECTRIC STARTER -37161-89E11) (Switch, Start)

под заказ3510 руб.
1137161-89E13-000

   (актуальный код замены) Выключатель - запуск двигателяt - Switch, Start

6 шт3510 руб.
1137161-89E13-000

Выключатель - запуск двигателяt - Switch, Start (Switch, starting motor ) (Switch, Start)

6 шт3510 руб.
1209159-14014-000

Гайка - Nut (ELECTRIC STARTER ) (Nut)

16 шт320 руб.
1309407-25402-000

Струбцина (l: 250) - Clamp (l:250) (Clamp, tilt sw # MODEL:97 ) (Clamp (l:250))

под заказ350 руб.
1336632-95501-000

Струбцина (l: 250) - Clamp (l:250) (MANUAL STARTER) (Clamp (l:250))

под заказ190 руб.
1309407-20405-000

   (актуальный код замены) Струбцина (l: 202) - Clamp (l:202)

под заказ190 руб.
1309407-25402-000

Струбцина (l: 250) - Clamp (l:250) (Clamp, tilt sw ) (Clamp (l:250))

под заказ350 руб.
1309407-25402-000

Струбцина (l: 250) - Clamp (l:250) (Clamp, tilt sw ) (Clamp (l:250))

под заказ350 руб.
1439601-95D00-000

Внешняя розетка - Receptacle (Receptacle assy, lighting # MANUAL STARTER ) (Receptacle)

под заказ4660 руб.
1439601-95D01-000

   (актуальный код замены) Внешняя розетка - Receptacle

под заказ4660 руб.
1536634-93910-000

Колпачок - Cap (MANUAL STARTER ) (Cap)

под заказ340 руб.
1639603-92D00-000

Пыльник розеткиe - Grommet, Receptaclee (MANUAL STARTER ) (Grommet, Receptaclee)

под заказ0 руб.
1736367-95D10-064

Наклейка - масло & Water Lamp - Label, Oil & Water Lamp (Label, oil/heat # -36367-94401-064 ) (Label, Oil & Water Lamp)

под заказ300 руб.
1837830-89E00-000

Выключатель аварийной остановки двигателя - Switch Assy, Emergency & Stop (MODEL:93~97) (Switch Assy, Emergency & Stop)

под заказ7640 руб.
1837830-89E04-000

   (актуальный код замены) Выключатель аварийной остановки двигателя - Switch Assy, Emergency & Stop

под заказ7640 руб.
1837830-89E03-000

Выключатель аварийной остановки двигателя - Switch Assy, Emergency & Stop (Switch Assy, Emergency & Stop)

9 шт7640 руб.
1837830-89E04-000

   (актуальный код замены) Выключатель аварийной остановки двигателя - Switch Assy, Emergency & Stop

под заказ7640 руб.
1937823-92E00-000

Пластина блокировки аварийного выключателя - Plate Assy, Emergency Sw Lock (MODEL:93~97) (Plate Assy, Emergency Sw Lock)

под заказ2570 руб.
1937823-92E02-000

   (актуальный код замены) Пластина блокировки аварийного выключателя - Plate Assy, Emergency Sw Lock

3 шт2770 руб.
1937823-92E01-000

Пластина блокировки аварийного выключателя - Plate Assy, Emergency Sw Lock (Plate Assy, Emergency Sw Lock)

под заказ2570 руб.
1937823-92E02-000

   (актуальный код замены) Пластина блокировки аварийного выключателя - Plate Assy, Emergency Sw Lock

3 шт2770 руб.
2037826-92E00-000

Гайка - Nut (MODEL:93~97 ) (Nut)

под заказ740 руб.
2109160-12067-000

Шайба (12.5x23x1) - Washer (125x23x1) (Washer, emergency sw # MODEL:93~97 ) (Washer (12.5x23x1))

8 шт230 руб.
2237801-98300-000

Провод выключателя двигателя - Lead, Stop Switch (Lead, rect & reg gnd ) (Lead, Stop Switch)

под заказ320 руб.
2237801-98301-000

   (актуальный код замены) Провод выключателя двигателя - Lead, Stop Switch

под заказ320 руб.
2336615-96300-000

Клемма - Terminal (Terminal)

под заказ120 руб.
2437835-95D00-000

Наклейка СТОП - Label, Stop (Label, Stop)

под заказ130 руб.
2437835-91J00-YAY

   (актуальный код замены) Наклейка СТОП - Label, Stop

под заказ130 руб.


Время выполнения запроса 2.7147130966187 сек.

 
 

данный сайт носит информационный характер и не является публичной офертой

склад запчастей для водомоторной техники