Номер на рисунке | Артикул | Наименование | QTY | Кол-во на складе | Цена |
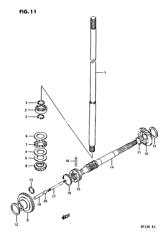
| 1 | 57100-89E12-000 | Приводной (вертикальный вал) - Shaft Assy, Drive (Shaft assy, drive (s); -57100-89e11 ) (Shaft Assy, Drive) | | под заказ | 23140 руб. |
| 1 | 57100-89E02-000 | Запчасть снята с производства - The Spare Part Is Laid Off (Shaft assy, drive (l); -57100-89e01) (The Spare Part Is Laid Off) | | под заказ | 0 руб. |
| 2 | 08110-60020-000 | Подшипник - Bearing (Bearing ) (Bearing) | | 9 шт | 1490 руб. |
| 2 | SK08110-60020 | (не оригинальный аналог) Подшипник торсионного вала Skipper для Suzuki DT9.9-15, DF9.9-300, DF8A-350A | | 1 шт | 424 руб. |
| 2 | 08110-60020 | (не оригинальный аналог) Подшипник ведущего вала редуктора Suzuki 08110-60020 | | под заказ | 700 руб. |
| 3 | 09380-15001-000 | Пружинное кольцо - Ring, Snap (Circlip ) (Ring, Snap) | | 36 шт | 150 руб. |
| 3 | SK09380-15001 | (не оригинальный аналог) Кольцо стопорное подшипника ведущего вала Skipper для Suzuki DT9,9-15 / DF9,9-20 | | 0 шт | 42 руб. |
| 4 | 09160-20027-000 | Шайба (20x35x2.75) - Washer (20x35x275) (Washer (20x35x2.75) # Washer (20x35x2.75); ) (Washer (20x35x2.75)) | | 14 шт | 690 руб. |
| 5 | 09160-20041-000 | Регулировочная шайба (20x34x1) - Shim (20x34x1) (Shim (t:1.0);) (Shim (20x34x1)) | | под заказ | 220 руб. |
| 5 | 09181-20251-000 | (актуальный код замены) Регулировочная шайба (20x34x1) - Shim (20x34x1) | | 9 шт | 220 руб. |
| 5 | 09181-20251-000 | Регулировочная шайба (20x34x1) - Shim (20x34x1) (Shim (t:1.0) ) (Shim (20x34x1)) | | 9 шт | 220 руб. |
| 5 | 09160-20042-000 | Регулировочная шайба (20x34x1.1) - Shim (20x34x11) (Shim (t:1.1) # Shim (t:1.1); ) (Shim (20x34x1.1)) | | 6 шт | 240 руб. |
| 5 | 09160-20043-000 | Регулировочная шайба (20x34x1.2) - Shim (20x34x12) (Shim (t:1.2) # Shim (t:1.2); ) (Shim (20x34x1.2)) | | 4 шт | 240 руб. |
| 5 | 09160-20044-000 | Регулировочная шайба (20x34x1.3) - Shim (20x34x13) (Shim (t:1.3) # Shim (t:1.3); ) (Shim (20x34x1.3)) | | 7 шт | 240 руб. |
| 5 | 09181-20005-000 | Регулировочная шайба (20x34x0.7) - Shim (20x34x07) (Shim (t:0.7);) (Shim (20x34x0.7)) | | под заказ | 220 руб. |
| 5 | 09181-20244-000 | (актуальный код замены) Регулировочная шайба (20x34x0.7) - Shim (20x34x0.7) | | 3 шт | 270 руб. |
| 5 | 09181-20244-000 | Регулировочная шайба (20x34x0.7) - Shim (20x34x07) (Shim (20x34x0.7)) | | 3 шт | 270 руб. |
| 5 | 09181-20244-000 | Регулировочная шайба (20x34x0.7) - Shim (20x34x07) (Shim (t:0.7); Model:97 ) (Shim (20x34x0.7)) | | 3 шт | 270 руб. |
| 5 | 09181-20006-000 | Регулировочная шайба (20x34x0.8) - Shim (20x34x08) (Shim (t:0.8);) (Shim (20x34x0.8)) | | под заказ | 220 руб. |
| 5 | 09181-20246-000 | (актуальный код замены) Регулировочная шайба (20x34x0.8) - Shim (20x34x0.8) | | 31 шт | 220 руб. |
| 5 | 09181-20246-000 | Регулировочная шайба (20x34x0.8) - Shim (20x34x08) (Shim (20x34x0.8)) | | 31 шт | 220 руб. |
| 5 | 09181-20246-000 | Регулировочная шайба (20x34x0.8) - Shim (20x34x08) (Shim (t:0.8); Model:97 ) (Shim (20x34x0.8)) | | 31 шт | 220 руб. |
| 5 | 09181-20007-000 | Регулировочная шайба (20x34x0.9) - Shim (20x34x09) (Shim (t:0.9);) (Shim (20x34x0.9)) | | под заказ | 220 руб. |
| 5 | 09181-20248-000 | (актуальный код замены) Регулировочная шайба (20x34x0.9) - Shim (20x34x0.9) | | 9 шт | 290 руб. |
| 5 | 09181-20248-000 | Регулировочная шайба (20x34x0.9) - Shim (20x34x09) (Shim (20x34x0.9)) | | 9 шт | 290 руб. |
| 5 | 09181-20248-000 | Регулировочная шайба (20x34x0.9) - Shim (20x34x09) (Shim (t:0.9); Model:97 ) (Shim (20x34x0.9)) | | 9 шт | 290 руб. |
| 6 | 09160-21009-000 | Шайба (21x35x2.75) - Washer (21x35x275) (Washer (21x35x2.75) # Washer (21x35x2.75); ) (Washer (21x35x2.75)) | | 18 шт | 760 руб. |
| 7 | 09263-20024-000 | Подшипник (20x35x4.5) - Bearing (20x35x45) (Bearing (20x35x4.5) # Bearing (20x35x4.5); ) (Bearing (20x35x4.5)) | | 14 шт | 4380 руб. |
| 7 | SK09263-20024 | (не оригинальный аналог) Подшипник торсионного вала Skipper для Suzuki DT9.9-15, DF9.9-15, DF8A-20A | | 0 шт | 428 руб. |
| 7 | SC-FT047 | (не оригинальный аналог) Опорный подшипник ведущей шестерни редуктора Suzuki SC-FT047 | | под заказ | 1060 руб. |
| 8 | 57311-93901-000 | Запчасть снята с производства - The Spare Part Is Laid Off (The Spare Part Is Laid Off) | | под заказ | 0 руб. |
| 8 | 57311-93910 | (не оригинальный аналог) Ведущая шестерня редуктора Suzuki 57311-93910 | | под заказ | 2450 руб. |
| 8 | SC-GA078 | (не оригинальный аналог) Ведущая шестерня редуктора Suzuki SC-GA078 | | под заказ | 1930 руб. |
| 9 | 57510-93902-000 | Запчасть снята с производства - The Spare Part Is Laid Off (The Spare Part Is Laid Off) | | под заказ | 0 руб. |
| 9 | 57510-93910 | (не оригинальный аналог) Шестерня переднего хода Suzuki 57510-93910 | | под заказ | 4350 руб. |
| 9 | SC-GA079 | (не оригинальный аналог) Шестерня переднего хода Suzuki SC-GA079 | | под заказ | 4050 руб. |
| 10 | 57521-93902-000 | Запчасть снята с производства - The Spare Part Is Laid Off (The Spare Part Is Laid Off) | | под заказ | 0 руб. |
| 10 | 57521-93910 | (не оригинальный аналог) Шестерня заднего хода Suzuki 57521-93910 | | под заказ | 4330 руб. |
| 10 | SC-GA080 | (не оригинальный аналог) Шестерня заднего хода Suzuki SC-GA080 | | под заказ | 4070 руб. |
| 11 | 09160-17024-000 | Шайба (17x23x1.1) - Washer (17x23x11) (Washer (t:1.1); ) (Washer (17x23x1.1)) | | 12 шт | 170 руб. |
| 11 | 09160-17025-000 | Шайба (17x23x1.3) - Washer (17x23x13) (Washer (t:13); ) (Washer (17x23x1.3)) | | 13 шт | 170 руб. |
| 11 | 09160-17026-000 | Шайба (17x23x1.5) - Washer (17x23x15) (Washer (t:1.5) # Washer (t:1.5); ) (Washer (17x23x1.5)) | | 8 шт | 170 руб. |
| 11 | 09160-17027-000 | Шайба (17x23x1.7) - Washer (17x23x17) (Washer (t:1.7) # Washer (t:1.7); ) (Washer (17x23x1.7)) | | 15 шт | 170 руб. |
| 11 | 09160-17028-000 | Шайба (17x23x1.9) - Washer (17x23x19) (Washer (t:1.9) # Washer (t:1.9); ) (Washer (17x23x1.9)) | | 6 шт | 170 руб. |
| 11 | 09160-17039-000 | Шайба (17x23x1.2) - Washer (17x23x12) (Washer (t:1.2); ) (Washer (17x23x1.2)) | | под заказ | 220 руб. |
| 11 | 09160-17040-000 | Шайба (17x23x1.4) - Washer (17x23x14) (Washer (t:1.4); ) (Washer (17x23x1.4)) | | 4 шт | 220 руб. |
| 11 | 09160-17041-000 | Шайба (17x23x1.6) - Washer (17x23x16) (Washer (t:1.6); ) (Washer (17x23x1.6)) | | 5 шт | 220 руб. |
| 11 | 09160-17042-000 | Шайба (17x23x1.8) - Washer (17x23x18) (Washer (t: 1.8); ) (Washer (17x23x1.8)) | | 5 шт | 220 руб. |
| 12 | 09160-25040-000 | Шайба (25x34x1) - Washer (25x34x1) (Shim (t:1.0) # Shim (t:1.0); ) (Washer (25x34x1)) | | 2 шт | 240 руб. |
| 12 | 09160-25041-000 | Шайба (25x34x1.1) - Washer (25x34x11) (Shim (t:1.1) # Shim (t:1.1); ) (Washer (25x34x1.1)) | | под заказ | 240 руб. |
| 12 | 09160-25042-000 | Шайба (25x34x1.2) - Washer (25x34x12) (Shim (t:1.2) # Shim (t:1.2); ) (Washer (25x34x1.2)) | | 3 шт | 240 руб. |
| 12 | 09160-25043-000 | Регулировочная шайба (25x34x1.3) - Shim (25x34x13) (Shim (t:1.3);) (Shim (25x34x1.3)) | | под заказ | 240 руб. |
| 12 | 09181-25181-000 | (актуальный код замены) Регулировочная шайба (25x34x1.3) - Shim (25x34x1.3) | | 4 шт | 240 руб. |
| 12 | 09181-25181-000 | Регулировочная шайба (25x34x1.3) - Shim (25x34x13) (Shim (t:1.3) ) (Shim (25x34x1.3)) | | 4 шт | 240 руб. |
| 12 | 09181-25053-000 | Регулировочная шайба (25x34x0.7) - Shim (25x34x07) (Shim (t:0.7); -09181-25023) (Shim (25x34x0.7)) | | под заказ | 220 руб. |
| 12 | 09181-25160-000 | Регулировочная шайба (25x34x0.7) - Shim (25x34x07) (Shim (t:0.7) ) (Shim (25x34x0.7)) | | 7 шт | 220 руб. |
| 12 | 09181-25160-000 | Регулировочная шайба (25x34x0.7) - Shim (25x34x07) (Shim (t:0.7) # Shim (t:0.7); Model:97 ) (Shim (25x34x0.7)) | | 7 шт | 220 руб. |
| 12 | 09181-25055-000 | Регулировочная шайба (25x34x0.8) - Shim (25x34x08) (Shim (t:0.8); -09181-25024) (Shim (25x34x0.8)) | | под заказ | 220 руб. |
| 12 | 09181-25162-000 | Регулировочная шайба (25x34x0.8) - Shim (25x34x08) (Shim (25x34x0.8)) | | 8 шт | 270 руб. |
| 12 | 09181-25162-000 | Регулировочная шайба (25x34x0.8) - Shim (25x34x08) (Shim (t:0.8); Model:97 ) (Shim (25x34x0.8)) | | 8 шт | 270 руб. |
| 12 | 09181-25057-000 | Регулировочная шайба (25x34x0.90) - Shim (25x34x090) (Shim: (0.9) # Shim: (0.9); -09181-25025 ) (Shim (25x34x0.90)) | | под заказ | 220 руб. |
| 12 | 09181-25164-000 | Регулировочная шайба (25x34x0.9) - Shim (25x34x09) (Shim: (0.9); Model:97 ) (Shim (25x34x0.9)) | | 11 шт | 220 руб. |
| 13 | 08211-15222-000 | Регулировочная шайба (15x22x1.5) - Shim (15x22x15) (Thrust washer (t:1.5);) (Shim (15x22x1.5)) | | под заказ | 190 руб. |
| 13 | 09181-15156-000 | (актуальный код замены) Регулировочная шайба (15x22x1.5) - Shim (15x22x1.5) | | 4 шт | 240 руб. |
| 13 | 09181-15156-000 | Регулировочная шайба (15x22x1.5) - Shim (15x22x15) (Washer (t:1.5) ) (Shim (15x22x1.5)) | | 4 шт | 240 руб. |
| 13 | 09181-15156-000 | Регулировочная шайба (15x22x1.5) - Shim (15x22x15) (Washer (t:1.5) # Washer (t:1.5); Model:97 ) (Shim (15x22x1.5)) | | 4 шт | 240 руб. |
| 14 | 57610-93901-000 | Вал гребного винта - Shaft, Propeller (Shaft, Propeller) | | 1 шт | 15250 руб. |
| 14 | 57610-90L00-000 | (актуальный код замены) Вал гребного винта - Shaft, Propeller | | 2 шт | 16510 руб. |
| 14 | SK57610-93901 | (не оригинальный аналог) Вал гребной Skipper для Suzuki Модели техники: DT9.9-15, DF9.9-15 | | 0 шт | 4396 руб. |
| 14 | SC-PL045 | (не оригинальный аналог) Гребной вал Suzuki SC-PL045 | | под заказ | 6960 руб. |
| 14 | 57610-90L00-000 | Вал гребного винта - Shaft, Propeller (Shaft, Propeller) | | 2 шт | 16510 руб. |
| 15 | 57621-93902-000 | Переключатель собачки сцепления - Shifter, Clutch Dog (Shifter, Clutch Dog) | | под заказ | 3170 руб. |
| 15 | 57621-90L11-000 | (актуальный код замены) Переключатель собачки сцепления - Shifter, Clutch Dog | | 5 шт | 5080 руб. |
| 15 | SC-GA156 | (не оригинальный аналог) Храповик переключения хода Suzuki SC-GA156 | | под заказ | 3480 руб. |
| 15 | 57621-90L10-000 | Переключатель собачки сцепления - Shifter, Clutch Dog (Shifter, Clutch Dog) | | 3 шт | 5080 руб. |
| 15 | 57621-90L11-000 | (актуальный код замены) Переключатель собачки сцепления - Shifter, Clutch Dog | | 5 шт | 5080 руб. |
| 16 | 09202-04015-000 | Штифт (4x31) - Pin (4x31) (Pin (4x31)) | | 2 шт | 690 руб. |
| 16 | 09202-04025-000 | (актуальный код замены) Штифт (4x31) - Pin (4x31) | | 20 шт | 690 руб. |
| 16 | 09202-04025-000 | Штифт (4x31) - Pin (4x31) (Pin (4x31)) | | 20 шт | 690 руб. |
| 17 | 09440-05027-000 | Пружина - Spring (Spring) | | 2 шт | 180 руб. |
| 18 | 09440-32008-000 | Пружина - Spring (Spring) | | 16 шт | 240 руб. |
| 19 | 57631-93901-000 | Тяга толкателя - Rod, Push (Rod, Push) | | 26 шт | 900 руб. |
| 19 | SK57631-93901 | (не оригинальный аналог) Толкатель Skipper для Suzuki DT9.9/15/DF9.9/15 | | 0 шт | 211 руб. |
| 20 | 57632-98500-000 | Штифт толкателя - Pin, Push (Pin, Push) | | под заказ | 480 руб. |
| 20 | 57632-97L00-000 | (актуальный код замены) Штифт толкателя - Pin, Push | | 11 шт | 540 руб. |
| 20 | 57632-98501-000 | Штифт толкателя - Pin, Push (Pin, Push) | | под заказ | 480 руб. |
| 20 | 57632-97L00-000 | (актуальный код замены) Штифт толкателя - Pin, Push | | 11 шт | 540 руб. |