Подобрать запчасти на лодочный мотор Suzuki - Fuel tank
вконтакте

Контактный телефон: +7 (981) 121-46-93, +7 (800) 200-90-76 , Email: parts-katalog@yandex.ru, где купить

 
 

  Логин:

Пароль:

Регистрация

www.partskatalog.ru Все каталоги Запчасти Mercury Запчасти Suzuki Запчасти Tohatsu Запчасти Honda Контакты



УВАЖАЕМЫЕ КЛИЕНТЫ!
C 19 ДЕКАБРЯ 2025 ПО 02 МАРТА 2026 ГОДА ОТДЕЛ ЗАПЧАСТЕЙ И СЕРВИС РАБОТАТЬ НЕ БУДУТ
ПРОДАЖА ЛОДОЧНЫХ МОТОРОВ В ШТАТНОМ РЕЖИМЕ
ОБ ИЗМЕНЕНИЯХ В ГРАФИКЕ РАБОТЫ ЧИТАЙТЕ НА САЙТА



назад Раздел:   вперёд

Вернуться к выбору узлов мотора


ДЕТАЛИРОВКА ДЛЯ МОДЕЛИ: SUZUKI DT15KL P

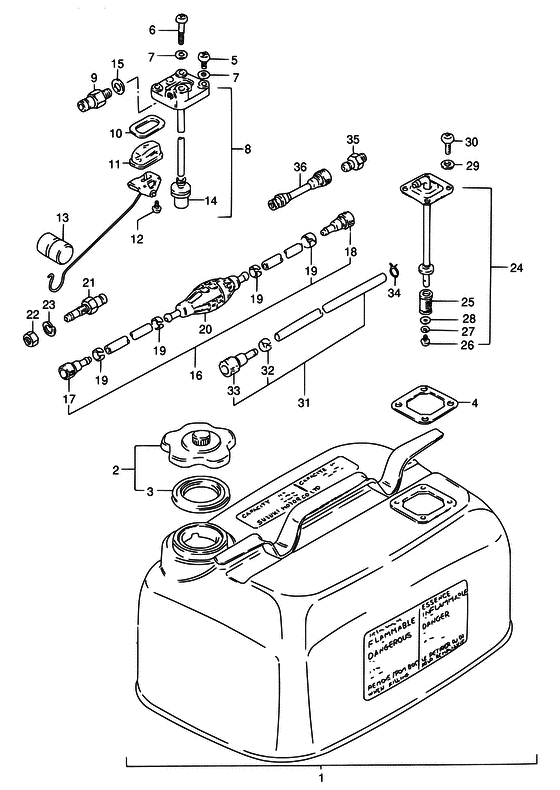
Топливный бак


Год выпуска двигателя: 1993

Номер на
рисунке
АртикулНаименованиеQTYКол-во
на складе
Цена
165800-95880-000

Запчасть снята с производства - The Spare Part Is Laid Off (6 U.S.GAL, 5.1 IMP.GAL ->5800-92854) (The Spare Part Is Laid Off)

под заказ0 руб.
165800-92855-000

   (актуальный код замены) Запчасть снята с производства - The Spare Part Is Laid Off

под заказ0 руб.
265510-98512-000

Крышка горловины топливного бака, в сборе - Cap Assy, Fuel Tank (<-5510-98507) (Cap Assy, Fuel Tank)

под заказ0 руб.
265510-92D00-000

   (актуальный код замены) Запчасть снята с производства - The Spare Part Is Laid Off

под заказ0 руб.
265510-92D00-000

Крышка горловины топливного бака, в сборе - Cap Assy, Fuel Tank (Cap assy, separate tank ) (Cap Assy, Fuel Tank)

под заказ0 руб.
365561-98502-000

Запчасть снята с производства - The Spare Part Is Laid Off (The Spare Part Is Laid Off)

под заказ0 руб.
465871-93010-000

Прокладка, Fuel Gauge - Gasket, Fuel Gauge (Gasket, fuel gauge ) (Gasket, Fuel Gauge)

под заказ240 руб.
502112-06167-000

Винт - Screw (Screw)

под заказ120 руб.
602112-06407-000

Винт - Screw (Screw)

под заказ130 руб.
709168-06004-000

Прокладка (6.2x11x1.2) - Gasket (62x11x12) (Washer (6x11.8x1.5) ) (Gasket (6.2x11x1.2))

под заказ120 руб.
865850-94400-000

(->5850-95X50 USED WITH 65720-94411 09168-12015)

под заказнет сведений
865720-94411-000

Топливный коннектор - Connector, Fuel (Connector, Fuel)

под заказ0 руб.
865850-95X50-000

Прибор - измеритель уровня топлива - Gauge Assy, Fuel (Gauge assy ) (Gauge Assy, Fuel)

под заказ0 руб.
809168-12015-XC0

Прокладка (12.2x21x0.8) - Gasket (122x21x08) (Gasket (12.2x21x0.8))

под заказ350 руб.
809168-12015-XC0

Прокладка (12.2x21x0.8) - Gasket (122x21x08) (Gasket (12.2x21x0.8))

под заказ350 руб.
965720-94411-000

Топливный коннектор - Connector, Fuel (OD:13, <-5720-94410 ) (Connector, Fuel)

под заказ0 руб.
1065854-93001-000

Прокладка - Gasket (Gasket)

под заказ0 руб.
1165853-93001-000

Топливный фильтр Gauge - Strainer, Fuel Gauge (Strainer, Fuel Gauge)

под заказ0 руб.
1202112-04107-000

Винт - Screw (Screw)

под заказ120 руб.
1365864-95200-000

Запчасть снята с производства - The Spare Part Is Laid Off (The Spare Part Is Laid Off)

под заказ0 руб.
1465830-95500-000

Фильтр - Filter (Filter)

под заказ1180 руб.
1509168-12001-000

Прокладка (12.5x20x1) - Gasket (125x20x1) (Gasket ) (Gasket (12.5x20x1))

под заказ220 руб.
1665700-95206-000

Топливный шланг (от бака до коннектора) - Hose, Fuel (tank To Conn) (->5700-87D17) (Hose, Fuel (tank To Conn))

под заказ6530 руб.
1665700-87DL2-000

   (актуальный код замены) Топливный шланг (от бака до коннектора) - Hose, Fuel (tank To Conn)

под заказ6530 руб.
1665700-87DL0-000

Топливный шланг (от бака до коннектора) - Hose, Fuel (tank To Conn) (Hose, Fuel (tank To Conn))

под заказ6530 руб.
1665700-87DL2-000

   (актуальный код замены) Топливный шланг (от бака до коннектора) - Hose, Fuel (tank To Conn)

под заказ6530 руб.
1765750-98505-000

Разъём топливного шланга - Socket, Fuel Hose (Socket, fuel hose (out) # ID:11 ) (Socket, Fuel Hose)

2 шт3240 руб.
1765750-98506-000

   (актуальный код замены) Разъём топливного шланга - Socket, Fuel Hose

под заказ3240 руб.
1865750-93000-000

Разъём топливного шланга - Socket, Fuel Hose (Socket, fuel hose # ID:13 ) (Socket, Fuel Hose)

под заказ0 руб.
1865750-93001-000

   (актуальный код замены) Запчасть снята с производства - The Spare Part Is Laid Off

под заказ0 руб.
1965781-98500-000

Зажим топливного шланга - Clip, Fuel Hose (Clip, Fuel Hose)

9 шт350 руб.
2065770-99703-000

Запчасть снята с производства - The Spare Part Is Laid Off (The Spare Part Is Laid Off)

под заказ0 руб.
2065770-99704-000

   (актуальный код замены) Запчасть снята с производства - The Spare Part Is Laid Off

под заказ0 руб.
2165720-98520-000

Разъем топливного коннектора - Plug, Fuel Connector (OD:11) (Plug, Fuel Connector)

под заказ3170 руб.
2165720-985L1-000

   (актуальный код замены) Разъем топливного коннектора - Plug, Fuel Connector

5 шт3950 руб.
21SK65720-98520

   (не оригинальный аналог) Коннектор топливный Skipper для Suzuki DT2-65, DF9.9-15 "папа", 6 мм

0 шт836 руб.
21SF80210-1

   (не оригинальный аналог) Адаптер топливный SUNFINE тип Suzuki, 7.5мм, 6720-98521

под заказ1270 руб.
2165720-985L1-000

Разъем топливного коннектора - Plug, Fuel Connector (Plug, Fuel Connector)

5 шт3950 руб.
2208310-00107-000

Гайка - Nut (Nut)

под заказ170 руб.
2308321-01107-000

Шайба с блокировкой - Washer, Lock (Lock washer ) (Washer, Lock)

9 шт140 руб.
2465880-95200-000

Запчасть снята с производства - The Spare Part Is Laid Off (The Spare Part Is Laid Off)

под заказ0 руб.
2565830-93301-000

Запчасть снята с производства - The Spare Part Is Laid Off (The Spare Part Is Laid Off)

под заказ0 руб.
2602112-05087-000

Винт - Screw (Screw)

под заказ120 руб.
2708321-01057-000

Шайба с блокировкой - Washer, Lock (Washer, Lock)

под заказ140 руб.
2708321-0105A-000

   (актуальный код замены) Шайба с блокировкой - Washer, Lock

под заказ140 руб.
2708321-0105A-000

Шайба с блокировкой - Washer, Lock (Washer, Lock)

под заказ140 руб.
2808322-01057-000

Шайба - Washer (Washer, front hook holder ) (Washer)

под заказ140 руб.
2909168-06004-000

Прокладка (6.2x11x1.2) - Gasket (62x11x12) (Washer (6x11.8x1.5) ) (Gasket (6.2x11x1.2))

под заказ120 руб.
3009125-06063-000

Винт (6x10) - Screw (6x10) (<-2112-06102 ) (Screw (6x10))

6 шт190 руб.
3165700-94350-000

Топливный шланг (l: 3030) - Hose, Fuel (l:3030) (->5700-93941) (Hose, Fuel (l:3030))

под заказ0 руб.
3165700-93941-000

   (актуальный код замены) Запчасть снята с производства - The Spare Part Is Laid Off

под заказ0 руб.
3165700-93941-000

Топливный шланг (l: 3030) - Hose, Fuel (l:3030) (Hose, fuel (kelosene) ) (Hose, Fuel (l:3030))

под заказ0 руб.
3265781-98500-000

Зажим топливного шланга - Clip, Fuel Hose (Clip, Fuel Hose)

9 шт350 руб.
3365750-98505-000

Разъём топливного шланга - Socket, Fuel Hose (Socket, fuel hose (out) ) (Socket, Fuel Hose)

2 шт3240 руб.
3365750-98506-000

   (актуальный код замены) Разъём топливного шланга - Socket, Fuel Hose

под заказ3240 руб.
3409401-11403-000

Зажим - Clip (Clip # <-9401-11402 ) (Clip)

под заказ190 руб.
3565720-98590-000

Разъем топливного коннектора - Plug, Fuel Connector (Plug, fuel connector # OPT, OD:11 ) (Plug, Fuel Connector)

10 шт0 руб.
3565720-98591-000

   (актуальный код замены) Запчасть снята с производства - The Spare Part Is Laid Off

под заказ0 руб.
3665700-95271-000

Запчасть снята с производства - The Spare Part Is Laid Off (OPT, OD:11/ID:13) (The Spare Part Is Laid Off)

под заказ0 руб.
3665700-95272-000

   (актуальный код замены) Запчасть снята с производства - The Spare Part Is Laid Off

под заказ0 руб.


Время выполнения запроса 1.5203101634979 сек.

 
 

данный сайт носит информационный характер и не является публичной офертой

склад запчастей для водомоторной техники